Студопедия

Главная страница Случайная страница

КАТЕГОРИИ:

АвтомобилиАстрономияБиологияГеографияДом и садДругие языкиДругоеИнформатикаИсторияКультураЛитератураЛогикаМатематикаМедицинаМеталлургияМеханикаОбразованиеОхрана трудаПедагогикаПолитикаПравоПсихологияРелигияРиторикаСоциологияСпортСтроительствоТехнологияТуризмФизикаФилософияФинансыХимияЧерчениеЭкологияЭкономикаЭлектроника






Краткие сведения из теории

Практическая работа №9

Тема: Исследование триггеров RS- JK- и D-типа

 

Цель работы: Исследование принципа функционирования триггеров

 

Теоретическая часть

Краткие сведения из теории

1. Триггеры

Триггерами называются устройства, обладающие двумя устойчивыми состояниями (Q = 1 и Q = 0) и способные находиться в одном из них сколь угодно долго и переходить из одного состояния в другое под воздействием внешних сигналов. В каком из этих состояний окажется триггер, зависит от сигналов на входах триггера и от его предыдущего состояния, т.е. он имеет память. Таким образом, триггер – элементарная ячейка памяти.

Тип триггера определяется алгоритмом его работы, в зависимости от которого триггер может иметь установочные, информационные и управляющие входы. Установочные входы обуславливают состояние триггера независимо от состояния других входов. Входы управления разрешают запись данных, подающихся на информационные входы. Наиболее распространенными являются триггеры RS -, JK-, D - и T -типов.

RS-триггер – простейший автомат с памятью, который может находиться в двух состояниях. Триггер имеет два установочных входа: установки S (set – установка) и сброса R (reset – сброс), на которые подаются входные сигналы от внешних источников. При подаче на установки активного логического уровня триггер устанавливается в единицу (Q = 1, Q ′ = 0, здесь штрих означает инвертирование), при подаче активного уровня на вход сброса триггер устанавливается в ноль (Q = 0, Q ′ = 1). Если на оба установочных входа подать пассивный логический уровень, то триггер сохраняет предыдущее состояние выходов: Q = 1 или Q = 0. Каждое состояние устойчиво и поддерживается за счет действия обратных связей. Подача активного уровня одновременно на оба установочных входа запрещена, так как триггер не может быть установлен в ноль и единицу.

RS -триггер может быть выполнен на элементах «ИЛИ-НЕ» или «И-НЕ» (рис. 26).

 

а б

Рис. 26. RS -триггер: а – на элементах «ИЛИ-НЕ», б – на элементах «И-НЕ»

 

Для RS -триггеров, выполненных на элементах «ИЛИ-НЕ», активным уровнем на управляющих входах является уровень логической единицы, а на элементах «И-НЕ» – уровень логического нуля.

RS -триггер – основной узел построения последовательных схем. Условия переходов триггеров из одного состояния в другое можно описать табличным, аналитическим или графическим способами. Табличное описание работы RS -триггера на элементах «ИЛИ-НЕ» и «И-НЕ» представлено в табл. 7 и 8 соответственно, где Qt – предшествующее состояние выхода; Qt +1 – новое состояние, устанавливающееся после перехода; - – неопределенное состояние.

Т а б л и ц а 7 Т а б л и ц а 8

R S Qt+1   R S Qt+1
    Qt      
             
             
          Qt

 

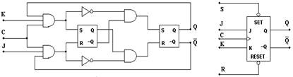
Триггер JK-типа имеет более сложную структуру и более широкие возможности по сравнению в RS -триггером. Кроме информационных входов J и K и прямого и инверсного выходов Q и Q ′, JK -триггер имеет вход управления C (тактирующий или счетный) и два асинхронных установочных входа R и S. Обычно активными уровнями установочных сигналов являются нули. Установочные входы имеют приоритет над остальными входами. Активный уровень сигнала на входе S устанавливает триггер в состояние единица (Q = 1), а на входе R в состояние ноль (Q = 0), независимо от сигналов на остальных входах. Если на входы установки подать пассивный уровень сигнала, то состояние триггера будет изменяться по фронту импульса на счетном входе в зависимости от состояния входов J и K.

Один из вариантов функциональной схемы JK -триггера и его условное графическое изображение приведены на рис. 27, временные диаграммы его работы при R = S =1 – на рис. 28.

а б

 

Рис. 27. JK -триггер: а – функциональная схема; б – условное
графическое обозначение

 

 

Рис. 28. Временная диаграмма работы JK -триггера

 

 

D-триггер имеет один информационный вход D (data – данные) и один счетный вход C. Информация с входа D записывается в триггер по положительному перепаду импульса на счетном входе и сохраняется до следующего положительного перепада. Кроме счетного C и информационного D входов, у триггера есть два асинхронных установочных входа R и S. Установочные входы приоритетные. Активный уровень сигнала на входе S устанавливает триггер в состояние единица (Q =1), а на входе R в состояние ноль (Q=0), независимо от сигналов на остальных входах.

Условное обозначение D -триггера с диаграммами входных и выходных сигналов приведено на рис. 29.

а б

Рис. 29. D -триггер: а – условное обозначение; б – временные диаграммы

 

T-триггер, или счетный триггер, – устройство, осуществляющее счетный режим. Такие схемы можно построить на основе JK - или D -триггеров.

В D -триггере счетный режим (рис. 30, а) реализуется при помощи обратной связи, когда на вход D подается сигнал с инверсного выхода триггера, т.е. всегда осуществляется неравенство сигналов на входе D и на выходе Q (если Q =1, D =0 и наоборот). Следовательно, при каждом положительном перепаде сигнала на счетном входе С состояние выхода будет изменяться на противоположное.

 

а б

Рис. 30. T -триггер: а – условное обозначение; б – временная диаграмма

 

Таким образом, на каждые два входных тактовых импульса T -триггер формирует один период выходного сигнала Q, т.е. период выходного сигнала в два раза больше периода входного сигнала. Следовательно, триггер осуществляет деление частоты
f т на его входе на две: fQ = f т/2, где fQ – частота следования импульсов на выходе триггера.

Задание:

1. Используя логический анализатор, экспериментально снять таблицу переходов и состояний RS-триггера. Использовать управляющую последовательность входных сигналов с использованием ручного ввода.

2. Синтезировать синхронный RS-триггер на базе асинхронного. Снять временные диаграммы триггера в автоматическом режиме, инициируя все возможные состояния триггера и переходы.

3. Синтезировать синхронный двухступенчатый RS-триггер на базе асинхронного. Снять временные диаграммы триггера в автоматическом режиме, инициируя все возможные состояния триггера и переходы.

4. Используя библиотечные элементы, исследовать D и JK триггеры.

5. Исследовать D-триггер в счетном режиме.

 

Содержание отчета:

- тип исследуемого устройства;

- схема для моделирования работы устройства;

- таблица истинности для исследуемого устройства;

- вывод по проделанной работе.

<== предыдущая лекция | следующая лекция ==>
Ход выполнения работы. В зависимости от номера варианта значения операндов А и В выбрать из таблицы 2. Вариант Операнд А Операнд В | Устройство рамы автомобиля
Поделиться с друзьями:

mylektsii.su - Мои Лекции - 2015-2026 год. (1.501 сек.)Все материалы представленные на сайте исключительно с целью ознакомления читателями и не преследуют коммерческих целей или нарушение авторских прав Пожаловаться на материал