Студопедия

Главная страница Случайная страница

КАТЕГОРИИ:

АвтомобилиАстрономияБиологияГеографияДом и садДругие языкиДругоеИнформатикаИсторияКультураЛитератураЛогикаМатематикаМедицинаМеталлургияМеханикаОбразованиеОхрана трудаПедагогикаПолитикаПравоПсихологияРелигияРиторикаСоциологияСпортСтроительствоТехнологияТуризмФизикаФилософияФинансыХимияЧерчениеЭкологияЭкономикаЭлектроника






Количество выделяющегося тепла равно






,

где J – сила тока, А;

U – напряжение, В.

Количество отводимого в окружающую среду тепла равно

,

где a - коэффициент теплоотдачи;

ТП – температура наружной поверхности трубы;

ТВ – температура воздуха;

F – площадь боковой поверхности цилиндрической трубы;

Qизл – лучистый тепловой поток, равный

,

где e - степень черноты наружной поверхности трубы; e=0, 8.

Из равенства Q1 и Q2 следует

, (3)

где k – коэффициент согласования, равный 0, 9.

 

 

CПРАВОЧНЫЕ ДАННЫЕ

Диаметр трубы d = 0, 035 м.

Длина трубы L = 0, 3 м.

Коэффициент теплопроводности воздуха λ = 0, 028 Вт/м К.

Коэффициент кинематической вязкости воздуха ν = 15 ∙ 10-6 м2/с.

Значения силы тока и напряжения задаются преподавателем.

 

ОБЪЕКТ И СРЕДСТВА ИССЛЕДОВАНИЯ

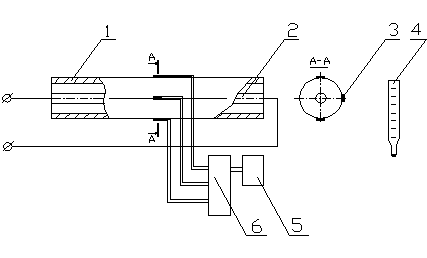
Схема установки для определения коэффициента конвективной теплоотдачи при свободном конвективном теплообмене горизонтального цилиндра представлена на рис.1.

Установка состоит из горизонтально расположенного цилиндра 1, внутри которого размещен электронагреватель 2. На наружной поверхности цилиндра установлены термопары 3, при помощи которых производится измерение температуры в заданных точках поверхности цилиндра. Контакты термопар выведены через коммутирующее устройство 6 на милливольтметр 5, которым фиксируются значения термоЭДС каждой из термопар. Для измерения температуры воздуха в помещении используется термометр 4.

 
 

Рис. 1

 

ПОРЯДОК ВЫПОЛНЕНИЯ РАБОТЫ

1. Включить электронагреватель и милливольтметр в сеть.

2. Подключить милливольтметр к гнездам коммутирующего устройства, соединенными с одной из термопар.

3. Производить снятие значений термоЭДС (Еi) с помощью милливольтметра для всех термопар через каждые 5 минут до момента достижения стационарного режима.

4. Построить тарировочный график зависимости термоЭДС от температуры в соответствии с таблицей 1 и определить значения температур (Тi ЭДС) в местах установки термопар.

5. При помощи термометра определить температуру воздуха в помещении.

6. Определить значения температур (Тi) с учетом температуры воздуха в помещении Тii ЭДС + Твозд. для каждого момента времени.

7. Получить среднее значение температуры поверхности трубы Тп для каждого момента времени.

8. Результаты занести в таблицу 2.

9. Построить график зависимости температуры поверхности трубы от времени.

10. Определить по формуле (3) экспериментальное значение коэффициента конвективной теплоотдачи при стационарном режиме теплопередачи.

11. Определить по формуле (2) расчетное значение коэффициента конвективной теплоотдачи.

12. Сравнить расчетное и экспериментальное значения коэффициента конвективной теплоотдачи.

Таблица 1

Е, мВ   0, 639 1, 289 1, 951 3, 306 4, 71 6, 86
ТЭДС, С              

 

Таблица 2

, мин              
Е1 Е2 Е3              
Т1 Т2 Т3              
Тп              

 

КОНТРОЛЬНЫЕ ВОПРОСЫ

1. Что называется конвективной теплоотдачей?

2. Формулировка закона Ньютона-Рихмана.

3. Что называется коэффициентом теплоотдачи?

4. От чего зависит и что характеризует коэффициент теплоотдачи?

5. Какие различают виды конвекции?

6. Какие встречаются режимы течения жидкости и их различия?

7. Перечислить параметры, определяющие процесс теплоотдачи при свободной конвекции.

8. Записать формулы, определяющие критерии подобия при конвективном теплообмене.

9. Что лежит в основе метода экспериментального определения коэффициента конвективной теплоотдачи?

 

 

ЛИТЕРАТУРА

1. Нащокин В.В. «Техническая термодинамика и теплопередача», М., Высшая школа, 1975.

2. Кошкин В.К. «Основы теплопередачи», М., Машиностроение, 1975.

3. Михеев М.В. «Основы теплопередачи», М., Энергия, 1977.

4. Исаченко В.П. «Теплопередача», М., Энергия, 1969.


Поделиться с друзьями:

mylektsii.su - Мои Лекции - 2015-2026 год. (1.133 сек.)Все материалы представленные на сайте исключительно с целью ознакомления читателями и не преследуют коммерческих целей или нарушение авторских прав Пожаловаться на материал