Студопедия

Главная страница Случайная страница

КАТЕГОРИИ:

АвтомобилиАстрономияБиологияГеографияДом и садДругие языкиДругоеИнформатикаИсторияКультураЛитератураЛогикаМатематикаМедицинаМеталлургияМеханикаОбразованиеОхрана трудаПедагогикаПолитикаПравоПсихологияРелигияРиторикаСоциологияСпортСтроительствоТехнологияТуризмФизикаФилософияФинансыХимияЧерчениеЭкологияЭкономикаЭлектроника






Задание на проведение эксперимента. 1. Исследование RS-триггера.






1. Исследование RS-триггера.

1.1. Собрать схему асинхронного RS-триггера на микросхеме 74HC00 с инверсными входами (рис.1) и экспериментально проверить таблицу переходов. При проверке следует помнить, что S=R=1 – запрещенная комбинация. Ее установка может привести к перегрузке и выходу из строя микросхемы. Сигналы S и R формировать с помощью выводов DO0…7 стенда. Выход триггера Q, для проверки его состояния, подключить к светодиоду.

1.2. Собрать схему синхронного RS-триггера на микросхеме 74HC00 (рис. 2) и экспериментально проверить таблицу переходов.

 

Рис.1. Асинхронный RS-триггер Рис.2. Синхронный RS-триггер

 

2. Исследование двухступенчатого универсального JK-триггера.

2.1. Для одного из JK-триггеров микросхемы 74HC109 экспериментально проверить таблицу переходов. На вывод микросхемы 74HC109 можно подать сигнал через инвертор, чтобы упростить запись таблицы переходов.

Для проверки таблицы переходов необходимо: подвести питание к микросхеме, подключить выводы K ( через инвертор), J, R, S, C к выходам стенда DO4, DO3, DO2, DO1, DO0 соответственно (данная последовательность не обязательна, но наиболее удобна). Перевести вывода S и R в неактивное состояние. Установка триггера в состояние 0 или 1 производится переводом вывода R или S соответственно в “0”. После установки вывод необходимо снова перевести в неактивное состояние. Затем двойной посылкой синхроимпульса производится переключения триггера из состояние Qn в состояние Qn+1. Функция перехода зависит от состояния выводов J и K.

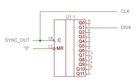
2.2. Собрать схему формирователя сигналов на микросхеме 74HC4040 (U1). На вход формирователя подать меандр с частотой 5кГц. Используя двулучевой осциллограф, снять эпюры напряжений на выходах DIV4 и CLK.

2.3. Подать на вход синхронизации JK -триггера сигнал CLK формирователя. Зарисовать осциллограммы на входе C и на выходе Q при условии, что J=K=1. Определить, как в этом случае повлияют на триггер сигналы предустановки R и S.

 

Рис. 3. Схема формирователя сигналов.

 

3. Исследование D -триггера.

3.1. Собрать однотактный D -триггер, используя микросхему 74HC00 (U1) по схеме рис.4, a. Проверить экспериментально таблицу переходов D -триггера. Затем на вход C подать сигнал с выхода CLK формирователя, а на вход D - с выхода DIV4 формирователя, зарисовать эпюры напряжений D - Q и C - Q.

3.2. Собрать D -триггер на микросхеме 74HC109 (U1) из универсального JK-триггера (рис.4, б). Подать на входы C и D соответственно сигналы CLK и DIV4 формирователя. Зарисовать эпюры напряжений D - Q и C - Q. Обратить внимание на отличие от эпюр D -триггера, исследованного ранее. Соединить инверсный выход триггера с его входом D. После этого подать на вход C сигнал CLK формирователя и зарисовать эпюры напряжения C - Q. Убедиться в том, что триггер работает в счетном режиме.

 

б)
а)

Рис. 4. Разновидность D-триггеров.

 

4. Исследование схем счетчиков.

4.1. Собрать двоичный счетчик с последовательным переносом, используя 2 микросхемы 74HC109 (U1, 2) (рис.5). Экспериментально проверить граф перехода счетчика.

4.2. Собрать недвоичный счетчик на базе собранного в п. 4.1. двоичного счетчика и микросхемы 74HC20 (U1) и 74HC00 (U2) (рис.6) и записать его граф переходов. Определить коэффициент пересчета счетчика. Как нужно изменить схему, чтобы получить десятичный счетчик?

Рис. 5. Двоичный счетчик с последовательным переносом.

 

Рис. 6. Схема счетчика с произвольным коэффициентом пересчета.

 

5. Исследование регистров сдвига

5.1. Собрать регистр сдвига по схеме рис.7, используя две микросхемы 74HC109 (U1, 2). Обнулить регистр. Сигналы на входах C, D, R формировать выводами DO0…7 стенда. На вход D подать логическую единицу. Сформировав в датчике тактов рабочий перепад (1→ 0), записать логическую единицу в триггер U1: 1, после чего на вход D подать логический ноль. Подавая на вход C регистра рабочие перепады, наблюдать перемещение в регистре логической единицы. Изобразить граф переходов.

5.2. Проделать эксперимент предыдущего пункта, сохраняя на входе D в течение всего эксперимента логическую единицу. Наблюдать заполнение регистра логическими единицами. Изобразить граф переходов.

 

6. Исследование кольцевых счетчиков

6.1. Собрать кольцевой счетчик, соединив выход регистра с его входом D=Q4 (рис. 8, a).Используя вход S триггера U1: 1, записать в него логическую единицу. После этого подавать на вход счетчика (вход С) сдвигающие импульсы с датчика тактов и наблюдать изменение состояний счетчика. Зарисовать граф переходов. Оценить емкость счетчика (коэффициент пересчета).

6.2. Собрать самовосстанавливающийся счетчик (рис. 8, б)на базе предыдущей схемы и микросхем 74HC20 (U1) и 74HC00 (U2). С помощью S -входов триггеров записать в счетчик неверную комбинацию (например, несколько логических единиц). На вход счетчика C подавать сигналы с датчика тактов. Зарисовать соответствующий граф переходов. Убедиться в восстановлении нормальной работы счетчика.

 

Рис. 7. Схема регистра сдвига.

       
 
а)
 
б)


Рис. 8. Кольцевые счетчики

 

6.3. Собрать счетчик Джонсона (рис.9), исследовать его работу, зарисовать граф перехода.

Рис. 9. Счетчик Джонсона.

 

Требования к отчету. Отчет должен содержать схемы исследуемых триггеров, счетчиков и регистров, таблицы переходов и логические уравнения триггеров, графы переходов счетчиков. Отчет должен включать в себя весь материал, полученный в результате эксперимента, объяснение основных результатов эксперимента, выводы по работе.

 

Контрольные вопросы.

1. Нарисовать схему и пояснить принцип действия асинхронного RS-триггера с инверсной установкой и синхронного RS-триггера.

2. В чем состоит универсальность JK-триггера?

3. Нарисовать схему и пояснить принцип действия одноступенчатого и двухступенчатого D-триггера. Чем отличаются одноступенчатые и двухступенчатые триггеры?

4. Пояснить, как реализуется работа D-триггера в счетном режиме.

5. Чем определяется быстродействие счетчика? Какие способы повышения быстродействия счетчиков вы знаете?

6. Что такое граф перехода и емкость счетчика?

7. Как работает регистр сдвига?

8. Что такое кольцевой счетчик и как он работает? Как работает счетчик Джонсона?

9. Сравните характеристики счетчиков: двоичного, кольцевого и Джонсона. Каковы их достоинства и недостатки?


Лабораторная работа № 3. Формирующие Rc-цепи. Изучение формирователей импульсных сигналов на схемах ТТЛ

 


Поделиться с друзьями:

mylektsii.su - Мои Лекции - 2015-2026 год. (0.747 сек.)Все материалы представленные на сайте исключительно с целью ознакомления читателями и не преследуют коммерческих целей или нарушение авторских прав Пожаловаться на материал