Студопедия

Главная страница Случайная страница

КАТЕГОРИИ:

АвтомобилиАстрономияБиологияГеографияДом и садДругие языкиДругоеИнформатикаИсторияКультураЛитератураЛогикаМатематикаМедицинаМеталлургияМеханикаОбразованиеОхрана трудаПедагогикаПолитикаПравоПсихологияРелигияРиторикаСоциологияСпортСтроительствоТехнологияТуризмФизикаФилософияФинансыХимияЧерчениеЭкологияЭкономикаЭлектроника






ИВЭ-выпрямители






Основные структурные схемы ИВЭ-выпрямителей представлены на рис. 1.8 и рис. 1.9. Их вспомогательные устройства не рассматриваются.

Простейший выпрямитель содержит в своей структуре трансформатор (Т), рассчитываемый на частоту тока в первичной системе электропитания (сети), блок вентилей (БВ) и сглаживающий фильтр (Ф), как показано на рис.1.8, а.

Трансформаторы (рис. 1.8, а, б) используются лишь при малой выходной мощности ИВЭ, поскольку на низкой частоте 50 Гц они имеют завышенные габаритные размеры и массу, однако находят применение и схемы мощных передающих устройств с входными низкочастотными трансформаторами [1].

Блок вентилей (БВ), выполняемый чаще всего на полупроводниковых диодах, обеспечивает выпрямление переменного напряжения, поступающего с выхода трансформатора, а сглаживающий фильтр (Ф) предназначен для сглаживания пульсации выпрямленного напряжения.

При повышенных требованиях к стабильности выходного напряжения в схему включается стабилизатор напряжения (СН) с собственным сглаживающим фильтром (Ф2) на своем выходе (рис.1.5, б).

Рисунок 1.8 - Типовые структурные схемы нерегулирующих

ИВЭ-выпрямителей: а - нестабилизирующий; б - стабилизирующий

 

Недостаток рассмотренных выпрямителей заключается в наличии трансформатора, масса и габариты которого, как уже отмечено, существенно ухудшают весовые показатели и КПД ИВЭ.

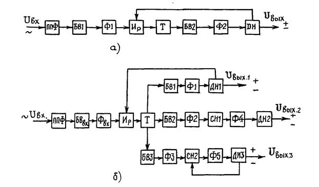
Этого недостатка лишены ИВЭ-выпрямители с бестрансформаторным входом (см. рис. 1.9). Их появление оказалось возможным с появлением полупроводниковых кремниевых вентилей, выдерживающих обратные напряжения в несколько сотен и тысяч вольт.

Схемы ИВЭ-выпрямителей с бестрансформаторным входом обладают тем преимуществом, что источник избавлен от громоздкого тяжелого входного низкочастотного силового трансформатора. В структуры таких ИВЭ вводятся выходные малогабаритные высокочастотные (до 100 кГц) трансформаторы. Это позволяет существенно уменьшить массу и габариты всего ИВЭ.

С целью повышения КПД источника вторичного электропитания и его конструктивного упрощения, стремятся расширить возможности отдельных функциональных звеньев. Например, можно применить регулируемый инвертор Иp (рис. 1.9, а). Если управлять выходным напряжением так, чтобы на выходе ИВЭ создавалось стабильное напряжение, можно получить требуемое качество выходного напряжения источника и без дополнительного выходного стабилизатора.

Можно также в структуре ИВЭ иметь регулируемый выпрямитель, если подавать управляющий сигнал с делителя напряжения на выходе ИВЭ на тиристорный блок вентилей.

На рис. 1.9 представлены схемы одноканального (рис. 1.9, а) и многоканального (рис. 1.9, б) регулирующих ИВЭ-выпрямителей; управление величиной выходного напряжения осуществляется регулированием его по цепи обратной связи с управляемым инвертором на тиристорах, время отпирания которого регулируется схемой управления. Этим обеспечивается изменение среднего значения напряжения на выходе инвертора (см. подробно раздел 3).

Особенностью обеих схем является двухкратное преобразование электрической энергии: вначале переменное напряжение выпрямляется блоком вентилей БВ1 (БВвх.), затем оно преобразуется инвертором Ир в переменное, но более высокой частоты (десятки и сотни кГц), и далее выпрямляется выпрямителем, состоящим из высокочастотного малогабаритного трансформатора Т и блоков вентилей БВ2 (на схеме рис. 1.9, а) или БВ1...БВ3 (на схеме рис. 1.9, б).

В обеих схемах предусматриваются входные помехоподавляющие фильтры ППФ, осуществляющие фильтрацию высокочастотных помех как со стороны сети, так и со стороны инверторов в сеть.

Схема рис1.9, б дает представление о структурах многоканальных регулирующих с бестрансформаторным входом выпрямителей с поканальной стабилизацией выходных параметров (напряжения, тока, мощности) отдельных каналов. Обратная связь с делителя напряжения на регулирующий инвертор может быть подана только с одного канала, рассчитанного на наибольший ток.

Рисунок 1.9 - Типовые структурные схемы регулирующих

ИВЭ-выпрямителей с бестрансформаторным входом:

а - одноканального; б – многоканального стабилизирующего

 

Рассмотрим далее источники типа ИВЭ-ППН.

 


Поделиться с друзьями:

mylektsii.su - Мои Лекции - 2015-2026 год. (2.302 сек.)Все материалы представленные на сайте исключительно с целью ознакомления читателями и не преследуют коммерческих целей или нарушение авторских прав Пожаловаться на материал