Студопедия

Главная страница Случайная страница

КАТЕГОРИИ:

АвтомобилиАстрономияБиологияГеографияДом и садДругие языкиДругоеИнформатикаИсторияКультураЛитератураЛогикаМатематикаМедицинаМеталлургияМеханикаОбразованиеОхрана трудаПедагогикаПолитикаПравоПсихологияРелигияРиторикаСоциологияСпортСтроительствоТехнологияТуризмФизикаФилософияФинансыХимияЧерчениеЭкологияЭкономикаЭлектроника






Измельчение






 

Измельчение полезных ископаемых производят в мельницах. Их подразделяют на механические (с мелющими телами) и аэродинамические (без мелющих тел). В качестве мелющих тел применяют металлические стержни и шары, рудную «галю» и крупные куски самой руды (самоизмельчение).

На обогатительных фабриках применяют, в основном, цилиндрические барабанные шаровые или стержневые мельницы и мельницы самоизмельчения.

 
 


 

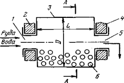
Рис.I.11. Шаровая мельница

1, 5 – загрузочная и разгрузочные цапфы; 2, 4 – подшипники;

3 – барабан; 6 – измельчающая среда

 

Барабанная мельница (рис. I.11) представляет собой пустотелый барабан, закрытый торцовыми крышками и на 40-45 % объема заполненный измельчающими телами. загрузочная и разгрузочная полые цапфы барабана помещены в подшипники, которые опираются на железобетонные опоры. При вращении подаваемая в барабанруда вместе с измельчающими телами поднимается на некоторую высоту, а затем скатывается или падает вниз, подвергаясь измельчению за счет сил ударов и трения в слоях измельчающей среды. Различают каскадный, смешанный и водопадный режимы движения измельчающей среды. Какой будет режим – зависит от скорости вращения барабана. При малом числе оборотов барабана наблюдается каскадный режим, при увеличении скорости вращения наступает водопадный и, наконец, при еще большей скорости (критическая) измельчение прекращается. Объясняется это тем, что при скорости вращения барабана, равной или большей критической, мелющие тела (шары или стержни) центробежной силой прижимаются к внутренней поверхности барабана (центрифугируют). Критическая скорость вращения мельницы в оборотах в минуту

N кр = ,

где D - диаметр барабана, м.

Обычно на практике скорость вращения мельницы составляет около 80 % от критической.

чаще всего стержневые мельницы применяют или при грубом измельчении мелковкрапленных руд для их последующего обогащения, или в первой стадии (в открытом или замкнутом цикле) при двух- и многостадиальном измельчении для подготовки материала к последующему измельчению. Расход стали (шаров или стержней) при измельчении руд составляет около 1 кг/т руды.

Снизить расход стали позволяет самоизмельчение, которое бывает двух видов: рудное и рудно-галечное. В первом случае измельчающей средой являются куски самой неклассифицированной руды, во втором - руда узкого класса крупности или какой-либо другой твердый материал («галя»). Поскольку измельчающая способность кусков руды значительно ниже, чем стальных шаров (стержней), мельницы самоизмельчения имеют диаметр намного больше (до 11 м), чем шаровые (стержневые). При этом, падая с большей высоты, руда лучше сама себя измельчает. Самоизмельчение осуществляется или в воде в мельницах «Каскад», или на воздухе в мельницах «Аэрофол». Самоизмельчение имеет определенные преимущества: при рудном самоизмельчении можно измельчить руду крупностью 350-0 мм; уменьшается переизмельчение руды, снижается расход стали и в некоторых случаях улучшаются технологические показатели последующего обогащения.


Поделиться с друзьями:

mylektsii.su - Мои Лекции - 2015-2026 год. (1.503 сек.)Все материалы представленные на сайте исключительно с целью ознакомления читателями и не преследуют коммерческих целей или нарушение авторских прав Пожаловаться на материал