Студопедия

Главная страница Случайная страница

КАТЕГОРИИ:

АвтомобилиАстрономияБиологияГеографияДом и садДругие языкиДругоеИнформатикаИсторияКультураЛитератураЛогикаМатематикаМедицинаМеталлургияМеханикаОбразованиеОхрана трудаПедагогикаПолитикаПравоПсихологияРелигияРиторикаСоциологияСпортСтроительствоТехнологияТуризмФизикаФилософияФинансыХимияЧерчениеЭкологияЭкономикаЭлектроника






Карьерные распределительные пункты (КРП).






Они состоят из нес­кольких комплектных распределительных устройств наружной уста­новки (КРУН), устанавливаемых на общей раме с металлическими по­лозьями. По назначению различают КРУН вводные и отходящего присо­единения. В настоящее время на напряжение 6 кВ выпускаются КРУН типов ЯКНО-6ЭП, ЯКНО-6ЭР, ПКРН-6В и др. В КРУН серии ЯКНО-6Э установлены горшковые масляные выключатели на ток до 630 А. В каж­дом КРУН имеются максимальная токовая защита и защита от одно­фазного замыкания на землю.

Приключательные пункты (ПП) предназначены для подачи (и от­ключения) электроэнергии на отдельные высоковольтные потребители, например, экскаваторы. В качестве приключательных пунктов исполь­зуют отдельно стоящие КРУН тех же типов, которые применяют для комплектации КРП.

Передвижные комплектные трансформаторные подстанции (ПКТП) применяют для питания низковольтных (380 В) электроприемников карьера: насосов участкового водоотлива, компрессоров, буровых станков, освещения и др. Понижающий трансформатор ПКТП поме­щен в отдельную камеру и смонтирован на металлической раме с полозь­ями. Со стороны ВН на этой же раме установлены блок воздушного ввода и высоковольтный блок, в котором размещены разъединитель (выключатель нагрузки ВНП-16), предохранители и вентильный разряд­ник. Со стороны НН имеются распределительное устройство 380 В на четыре отходящих присоединения с автоматическим выключателем на каждом из них, вольтметр и амперметр для определения общей нагруз­ки на трансформатор. ПКТП выпускают с трансформаторами мощностью 160, 250, 400 или 630 кВА.

 

К аппаратам, коммутирующим главные цепи, относятся рубиль­ники, пе-реключатели, разъединители, контроллеры. Для коммутации в цепях управ-ления используют кнопки, выключатели, командоконтроллеры и др.

Рубильник является простейшим аппаратом ручного управления. Он применяется при редких замыканиях и размыканиях электричес­кой цепи. Рубильники изготовляют одно-, двух- и трехполюсными.

 

Они снабжаются обычно дополнительными разрывными ножами, ко­торые одной стороной (нижней) закреплены на основных контактах (ножах) шарнирно, а другой стороной связаны с ними через пружины растяжения. При отключении рубильника основные ножи выходят из губок, а разрывные остаются в них, пока натяжение пружин не пре­высит силы трения между губками и разрывными ножами. В резуль­тате разрывные ножи под действием сил упругости пружин весьма быстро выходят из губок, размыкая коммутируемую цепь. Скорость размыкания контактов при этом не зависит от скорости движения руки оператора, отключающего рубильник.

Переключатель отличается от рубильника наличием второй сис­темы неподвижных контактов и двумя коммутационными положе­ниями, в которых ножи переключателя входят в одну или другую груп­пу губок, замыкая соответствующую цепь. Переключатели исполь­зуют в основном для реверсирования электродвигателей.

Контроллеры применяются обычно для управления двигателями постоянного тока на электровозном транспорте. С помощью контрол­лера двигатель можно включать и выключать, изменять направление вращения, переключать соединение якорей двигателей (при двух дви­гателях на электровозе) с параллельного на последовательное, вво­дить в цепь якорей добавочные резисторы для пуска и регулирова­ния частоты вращения двигателей.

В зависимости от конструкции контактного устройства контрол­леры подразделяют на барабанные и кулачковые. Барабанные кон­троллеры применяют для управления двигателями до нескольких де­сятков киловатт. Их контакты располагаются на цилиндрической по­верхности подвижной (поворотной) части контроллера — барабане. Кулачковые контроллеры имеют контактный узел рычажного типа. Неподвижные контакты крепятся на изоляционной панели, а рычаги с подвижными контактами перемещаются фасонными кулачками, находящимися на валу контроллера. Контакты кулачковых контрол­леров менее подвержены износу и оплавлению и поэтому применя­ются для управления более мощными двигателями при частоте вклю­чений до 600 в 1 ч.

Кнопки применяют для дистанционного включения и отключения коммутационных аппаратов с электромагнитным приводом, управляющих двигателями или другими потребителями электрической энер-гии. Кнопки (кнопочные посты управления) обычно состоят из одного или нескольких кнопочных элементов, встроенных в металлический или пластмассовый корпус.

Командоконтроллеры представляют многопозиционные аппараты, используемые для переключения цепей управления. Они состоят из нескольких секций контактных устройств, замыкаемых и размыкаемых с помощью кулачковых механизмов

 

К наиболее распространенным коммутационным аппаратам с элек-ромагнитным приводом относятся реле и контакторы.

Реле. При рассмотрении электрических контактных коммутационных аппаратов под термином реле понимают двухпозиционный (реже трехпо зиционный) электромеханический аппарат, снабженный системой контак-тов. В основном применяют электромагнитные реле,

которые делятся на нейтральные, одинаково реагирующие на токи разногонаправления, и поляризованные, характеризуемые тем, что подвижная часть отклоняется в ту или другую сторону в зависимости от направления тока.

Нейтральные реле. В аппаратуре управления, сигнализации связи используют преимущественно реле постоянного тока ти-ПЭ-5, РКН, РСМ. РЭС-6, РЭС-22 и др.

Контакторы. Контактором называют двухпозиционный аппарат, предназначенный для частых коммутаций в цепях главного тока. По конструкции различают контакторы: с поворотной подвижной сис­темой и рычажным контактным узлом; с прямоходовой подвижной сис­темой и мостиковым контактным узлом. К первым относятся кон­такторы: серии КТ 6000 (КТ 6003А, КТ 6023А, КТ 6033А, КТ 6043А) с номинальным током соответственно 63, 160, 250, 400 А и напря­жением 660 В; серии КТ-7000 (КТ-7013 и КТ-7023) с номиналь­ным током соответственно 100 и 160 А и напряжением 380 В; серии КТ-7100У (КТ-7113У и КТ-7123У) с номинальным током 63 и 125 А и напряжением 660 В, предназначенные для установки в оболочках рудничных аппаратов. К контакторам с прямоходовой подвижной системой относятся КТУ-2А на 63 А и 660 В; КТУ-4А и КТУ-4Б на 250 А, 660 В. Последний отличается тем, что его катушка питается выпрям­ленным напряжением.

Виды защит. Защита в электроустановках — это действие, цель которого предотвратить нежелательные последствия ненормальных режимов, опасные для обслуживающего персонала, электрообору­дования и линий электропередачи. К таким режимам относятся, нап­ример, короткие замыкания, перегрузка, снижение или исчезнове­ние напряжения в сети, опрокидывание электродвигателя или обрыв фазы в его цепи, снижение сопротивления изоляции электроустановок и др. В соответствии с этим применяются следующие защиты:

максимальная токовая защита (МТЗ) — для отключения участ­ка цепи, в котором произошло короткое замыкание (к.з.);

соответствии с этим применяются следующие защиты:

максимальная токовая защита (МТЗ) — для отключения участ­ка цепи, в котором произошло короткое замыкание (к.з.);

минимальная защита, отключающая двигатели при снижении пряжения до 60—70 % номинального, в результате которого при полной нагрузке на валу двигателя по его обмоткам проходит ток, значительно превышающий номинальный;

нулевая защита, отключающая электрические установки при полном исчезновении напряжения, так как при кратковременном перерыве в подаче электроэнергии возможны несчастные случаи, связан­ные с внезапным включением двигателей;

защита от токов утечки, отключающая участок сети с пониженным относительно допустимой нормы сопротивлением изоляции. Этот вид защиты рассматривается ниже (см. § 62).

Аппараты МТЗ. Простейшим аппаратом МТЗ является предохра­нитель, в котором цепь отключается при перегорании специальной токоведущей части, называемой плавкой вставкой. При напряжении до 1140 В переменного тока используют предохранители ПР, в которых плавкая вставка (цинковая пластинка, имеющая несколько сужений для более быстрого перегорания) размещается в фибровой трубке. Возникающая при перегорании плавкой вставки электрическая дуга вызывает выделение газов из фибры. В результате давление в трубке резко возрастает и дуга гаснет.

В трехфазных цепях широко применяют МТЗ с помощью макси­мальных реле, включаемых в две фазы последовательно с нагрузкой, При больших токах, а также в цепях напряжением свыше 1140 В мак­симальные реле включаются через трансформаторы тока. Когда п~ исходит к.з., реле срабатывает и своими контактами отключает ко мутационный аппарат в главной цепи.

Аппараты тепловой защиты (от перегрузки). Этот вид защиты ос ществляется электротепловыми и температурными реле.

АВТОМАТИЧЕСКИЕ ВЫКЛЮЧАТЕЛИ

И ЭЛЕКТРОМАГНИТНЫЕ ПУСКАТЕЛИ,

Автоматические выключатели и электромагнитные пускатели представляют собой комплектные устройства, состоящие из коммутационного аппарата и апппаратов защиты, помещенных в общий корпус.

Автоматический выключатель — это аппарат с ручным приводом, снабженный механизмом свободного расцепления (МСР), который позволяет при отклонении каких-либо параметров (тока, напряжг ния и др.) от нормы автоматически отключать выключатель даже и том случае, когда рукоятка его удерживается во включенном положении. Максимальное и нулевое реле защиты не имеют контактного узла и отключают выключатель, воздействуя своим якорем на МСР Поэтому их называют максимальным и нулевым расцепителями. Дли воздействия на МСР применяют также независимый расцепитель, который включается с помощью других аппаратов.

Выпускают следующие автоматические выключатели:

серии А3700, предназначенные для проведения тока в нормаль­ном режиме и отключения тока при к.з., перегрузках и недопусти­мых снижениях напряжения, а также для нечастых (до трех в 1 ч) опе­ративных включений и отключений электрических цепей. Они выпус­каются двухполюсными на 440 В постоянного тока и трехполюсными на 660 В переменного тока. Номинальный ток выключателей 1-й, '2- й, 3-й и 4-й величины составляет соответственно 160, 250, 400 и 630 А;

серии АЕ2000, применяемые в цепях напряжением 660 В перемен­ного тока и до 220 В постоянного тока для защиты электрических цепей от перегрузок и токов к.з., для защиты, пуска и остановки асин­хронных двигателей с короткозамкнутым ротором, а также для оперативных включений и отключений указанных цепей с частотой до 30 включений/ч. Выключатели АЕ2000 изготовляются одно-, двух-, трех- и четырехполюсные на номинальные токи 10, 16, 25, 63, 100 А (АЕ2010, АЕ2020, АЕ2030, АЕ2040, АЕ2050);

серии АВМ, предназначенные для нечастых (до 10 раз в сутки) оперативных включений и отключений, а также для защиты от тока| к.з. в сетях напряжением до 500 В переменного и до 440 В постоян­ного тока. Номинальные токи выключателей — 400 А (АВМ-4), 1000 А| (АВМ-10), 1500 А (АВМ-15), 2000 А (АВМ-20);

серии АП-50 и др.

Электромагнитный- пускатель — это аппарат, предназначенный дл» дистанционного управления электродвигателями. Различают нереверсивные и реверсивные пускатели.

Нереверсивный пускатель применяется для управления двигателями механизмов, вращающихся только в одну сторону, например, насосов. Он состоит из контактора и двух электротепловых реле, вклкюченных в две фазы и осуществляющих тепловую защиту двигателя. Обычно эти реле выполняются без самовозврата. После срабатывания они взводятся нажатием кнопки на корпусе пускателя.

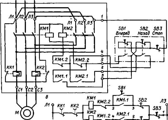
В реверсивном пускателе (рис. 49, а) устанавливаются два контактора, каждый из которых включает двигатель в определенном направлении. Для включения контакторов используется трехкнопочный пост управления.

 

Из электромагнитных пускателей общего назначения наиболее ши­роко применяют пускатели серий ПМЕ и ПМА.

 

 

Пускатели ПМЕ выпускают трех типоразмеров по номинальному току: ПМЕ-000 на ток 3 А; ПМЕ-100 - 10 А; ПМЕ-200 - 25 А. Номи­нальное напряжение — до 500 В переменного тока. Изготовляют нере­версивные пускатели (последняя цифра в обозначении типа — 1 или 2) и реверсивные (последняя цифра 3 или 4), без теплового реле (пос­ледняя цифра 1 или 3) и с тепловым реле (2 или 4). Контакторы пуска­телей ПМЕ имеют прямо ходовую подвижную систему.

Пускатели ПМА выпускают различного исполнения и на различ­ные токи и напряжения, что отражено в обозначении типа пускателя, которое состоит из названия серии (ПМА) и последующих четырех цифр. Первая цифра характеризует величину пускателя по номиналь­ному току: 3 - 40 А; 4 - 63 А; 5-100 А; 6 - 160 А. Вторая циф­ра обозначает наличие или отсутствие тепловых реле, нереверсивный или реверсивный пускатель и вид блокировки для последних (напри­мер, 4 — с тепловым реле, реверсивный, с электрической блокиров­кой). Третья цифра означает исполнение по степени защиты от внеш­них воздействий и наличию или отсутствию кнопок управления (нап­ример, 3 — исполнение 1Р40, с кнопками " Пуск" и " Стоп"). Четвер­тая цифра характеризует исполнение по роду тока цепи управления (постоянный или переменный), напряжению главной цепи (380 или 660 В) и числу вспомогательных контактов. Номинальный ток этих контактов — 6 А.


Поделиться с друзьями:

mylektsii.su - Мои Лекции - 2015-2026 год. (1.013 сек.)Все материалы представленные на сайте исключительно с целью ознакомления читателями и не преследуют коммерческих целей или нарушение авторских прав Пожаловаться на материал