Студопедия

Главная страница Случайная страница

КАТЕГОРИИ:

АвтомобилиАстрономияБиологияГеографияДом и садДругие языкиДругоеИнформатикаИсторияКультураЛитератураЛогикаМатематикаМедицинаМеталлургияМеханикаОбразованиеОхрана трудаПедагогикаПолитикаПравоПсихологияРелигияРиторикаСоциологияСпортСтроительствоТехнологияТуризмФизикаФилософияФинансыХимияЧерчениеЭкологияЭкономикаЭлектроника






Статические характеристики полевого транзистора с управляющим p-n-переходом







Поскольку в рабочем режиме ток затвора обычно невелик или вообще равен нулю, то графики входных характеристик полевых транзисторов мы рассматривать не будем. Перейдем сразу к выходным или стоковым. Кстати, статическими их называют потому, что на затвор подается постоянное напряжение. Т.е. нет необходимости учитывать частотные моменты, переходные процессы и т.п.

Выходной (стоковой) называется зависимость тока стока от напряжения исток-сток при константном напряжении затвор-исток. На рисунке — график слева.

На графике можно четко выделить три зоны. Первая из них — зона резкого возрастания тока стока. Это так называемая «омическая» область. Канал «исток-сток» ведет себя как резистор, чье сопротивление управляется напряжением на затворе транзистора.

Вторая зона — область насыщения. Она имеет почти линейный вид. Здесь происходит перекрытие канала в области стока, которое увеличивается при дальнейшем росте напряжения исток-сток. Соответственно, растет и сопротивление канала, а стоковый ток меняется очень слабо (закон Ома, однако). Именно этот участок характеристики используют в усилительной технике, поскольку здесь наименьшие нелинейные искажения сигналов и оптимальные значения малосигнальных параметров, существенных для усиления. К таким параметрам относятся крутизна характеристики, внутреннее сопротивление и коэффициент усиления. Значения всех этих непонятных словосочетаний будут раскрыты ниже.

Третья зона графика — область пробоя, чье название говорит само за себя. С правой стороны рисунка показан график еще одной важной зависимости — стоко-затворной характеристики. Она показывает то, как зависит ток стока от напряжения затвор-исток при постоянном напряжении между истоком и стоком. И именно ее крутизна является одним из основных параметров полевого транзистора.


Полевой транзистор с изолированным затвором


Такие транзисторы также часто называют МДП (металл-диэлектрик-полупроводник)- или МОП (металл-оксид-полупроводник)-транзисторами (англ. metall-oxide-semiconductor field effect transistor, MOSFET). У таких устройств затвор отделен от канала тонким слоем диэлектрика. Физической основой их работы является эффект изменения проводимости приповерхностного слоя полупроводника на границе с диэлектриком под воздействием поперечного электрического поля.
Устройство транзисторов такого вида следующее. Есть подложка из полупроводника с p-проводимостью, в которой сделаны две сильно легированные области с n-проводимостью (исток и сток). Между ними пролегает узкая приповерхностнаяя перемычка, проводимость которой также n-типа. Над ней на поверхности пластины имеется тонкий слой диэлектрика (чаще всего из диоксида кремния — отсюда, кстати, аббревиатура МОП). А уже на этом слое и расположен затвор — тонкая металлическая пленка. Сам кристалл обычно соединен с истоком, хотя бывает, что его подключают и отдельно.

Если при нулевом напряжении на затворе подать напряжение исток-сток, то по каналу между ними потечет ток. Почему не через кристалл? Потому что один из p-n переходов будет закрыт.

А теперь подадим на затвор отрицательное относительно истока напряжение. Возникшее поперечное электрическое поле «вытолкнет» электроны из канала в подложку. Соответственно, возрастет сопротивление канала и уменьшится текущий через него ток. Такой режим, при котором с возрастанием напряжения на затворе выходной ток падает, называют режимом обеднения.
Если же мы подадим на затвор напряжение, которое будет способствовать возникновению «помогающего» электронам поля «приходить» в канал из подложки, то транзистор будет работать в режиме обогащения. При этом сопротивление канала будет падать, а ток через него расти.

Рассмотренная выше конструкция транзистора с изолированным затвором похожа на конструкцию с управляющим p-n переходом тем, что даже при нулевом токе на затворе при ненулевом напряжении исток-сток между ними существует так называемый начальный ток стока. В обоих случаях это происходит из-за того, что канал для этого тока встроен в конструкцию транзистора. Т.е., строго говоря, только что мы рассматривали такой подтип МДП-транзисторов, как транзисторы с встроенным каналом.

Однако, есть еще одна разновидность полевых транзисторов с изолированным затвором — транзистор с индуцированным (инверсным) каналом. Из названия уже понятно его отличие от предыдущего — у него канал между сильнолегированными областями стока и истока появляется только при подаче на затвор напряжения определенной полярности.

Итак, мы подаем напряжение только на исток и сток. Ток между ними течь не будет, поскольку один из p-n переходов между ними и подложкой закрыт.
Подадим на затвор (прямое относительно истока) напряжение. Возникшее электрическое поле «потянет» электроны из сильнолегированных областей в подложку в направлении затвора. И по достижении напряжением на затворе определенного значения в приповерхностной зоне произойдет так называемая инверсия типа проводимости. Т.е. концентрация электронов превысит концентрацию дырок, и между стоком и истоком возникнет тонкий канал n-типа. Транзистор начнет проводить ток, тем сильнее, чем выше напряжение на затворе.
Из такой его конструкции понятно, что работать транзистор с индуцированным каналом может только находясь в режиме обогащения. Поэтому они часто встречаются в устройствах переключения.

· Работа тиристора

Тири́ стор — полупроводниковый прибор, выполненный на основе монокристалла полупроводника с тремя или более p-n-переходами и имеющий два устойчивых состояния: закрытое состояние, то есть состояние низкой проводимости, и открытое состояние, то есть состояние высокой проводимости.

Тиристор можно рассматривать как электронный выключатель (ключ). Основное применение тиристоров — управление мощной нагрузкой с помощью слабых сигналов, а также переключающие устройства. Существуют различные виды тиристоров, которые подразделяются, главным образом, по способу управления и по проводимости. Различие по проводимости означает, что бывают тиристоры, проводящие ток в одном направлении (например тринистор, изображённый на рисунке) и в двух направлениях (например, симисторы, симметричные динисторы).

Тиристор имеет нелинейную вольт-амперную характеристику (ВАХ) с участком отрицательного дифференциального сопротивления. По сравнению, например, с транзисторными ключами, управление тиристором имеет некоторые особенности. Переход тиристора из одного состояния в другое в электрической цепи происходит скачком (лавинообразно) и осуществляется внешним воздействием на прибор: либо напряжением (током), либо светом (для фототиристора). После перехода тиристора в открытое состояние он остаётся в этом состоянии даже после прекращения управляющего сигнала, если протекающий через тиристор ток превышает некоторую величину, называемую током удержания.

Принцип работы тиристора

Абсолютно любой тиристор может быть в двух устойчивых состояниях - закрыт или открыт

В закрытом состоянии он находится в состоянии низкой проводимости и ток почти не идет, в открытом, наоборот полупроводник будет находится в состоянии высокой проводимости, ток проходит через него фактически без сопротивления

Можно сказать, что тиристор это электрический силовой управляемый ключ. Но по сути управляющий сигнал может только открыть полупроводник. Чтобы запереть его обратно, требуется выполнить условия, направленные на снижение прямого тока почти до нуля.

Структурно тиристор представляет последовательность четырех, слоев p и n типа, образующих структуру р-n-р-n и соединенных последовательно.

Одна из крайних областей, на которую подключают положительный полюс питания называют анод, р – типа
Другая, к которой подсоединяют отрицательное полюс напряжения, называют катод, – n типа
Управляющий электрод подключен к внутренним слоям.

Для того чтоб разобраться с работой тиристора рассмотрим несколько случаев, первый: напряжение на управляющий электрод не подается, тиристор подсоединен по схеме динистора – положительное напряжение поступает на анод, а отрицательное на катод, смотри рисунок.

В этом случае коллекторный p-n-переход тиристора находится в закрытом состоянии, а эмиттерный – открыт. Открытые переходы имеют очень низкое сопротивление, поэтому почти все напряжение, следующее от источника питания, приложено к коллекторному переходу, из-за высокого сопротивления которого протекающий через полупроводниковый прибор ток имеет очень низкое значение.

· Основные параметры тиристоров

К некоторым важнейшим параметрам тиристоров относят следующее:

· Амплитуда повторяющегося импульсного напряжения, которое прикладывают к закрытому тиристору, B.

· Длительность включения, т.е. такой отрезок времени, за который тиристор переходит в открытое состояние под действием импульса тока, протекающего по управляющему электроду, мс.

· Критическая скорость нарастания напряжения на закрытом тиристоре, т.е. значение такой максимальной скорости нарастания напряжения, которое не приведёт к отпиранию тиристора, dU / dt.

· Напряжение включения, т.е. такое напряжение, приложенное к динистору, при котором он переходит в открытое состояние, В.

· Напряжение переключения, т.е. приложенное к тиристору напряжение во время переключения, В.

· Неповторяющийся ударный ток тиристора в открытом состоянии, т.е. предельно допустимый ток через открытый тиристор, который не вызовет выход компонента из строя при кратковременном воздействии, по завершении которого сила тока станет много меньше, А.

· Постоянный обратный ток, протекающий по выводам анод-катод тиристора в закрытом состоянии, мА.

· Предельно допустимая амплитуда импульсов тока, протекающего через выводы анод-катод открытого тиристора, А.

· Предельно допустимый постоянный ток через выводы анод-катод открытого тиристора, А.

· Ток запирания, т.е. такой ток, протекающий по управляющему электроду, который инициирует переход тиристора из открытого состояния в закрытое состояние, А.

· Ток удержания, т.е. минимальный ток такой силы, под действием которого тиристор не переходит в закрытое состояние, А.

· Устройство преобразователя напряжения

Инверторы напряжения или преобразователи напряжения — это специальные электротехнические устройства, назначением которых является получение переменного тока от какого-либо источника постоянного напряжения. Как правило, преобразователи напряжения (инверторы напряжения) используется в источниках вторичного электропитания, как основной элемент. Основная цель их установки - обеспечение защиты электрооборудования при внезапном скачке напряжения на линии или неожиданном кратковременном отключении электропитания. В результате сохраняется как целостность сети, так и устойчивость питания. Преобразователь напряжения (инвертор напряжения) преобразует постоянное напряжение в переменное. Его использование помогает справиться с различными проблемами при проектировании и создании электросетей, а также обеспечивает правильное функционирование и возможности приспособления всевозможных приборов разного вольтажа под требования общей схемы.

На данный момент подобное оборудование используется практически во всех отраслях промышленности и с каждым днем находит все большее применение в жизни каждого человека, в частности в составе оборудования легковых или грузовых автомобилей. Рабочая частота инверторов напряжения (преобразователей напряжения) не превышает ста килогерц. Плюс ко всему, преобразователь напряжения (инвертор напряжения) может использоваться как генератор. В принципе, генератор и инвертор достаточно схожи, однако не стоит считать, что данные виды оборудования одинаковы по назначению и по принципу действия. В схемах генератора и преобразователя напряжения имеются существенные отличия. Кроме того, по сравнению с дизельным или бензиновым генератором инвертор напряжения (преобразователь напряжения) имеет целый ряд преимуществ, в частности:

  • инвертор напряжения (преобразователь напряжения) имеет значительно меньшие габариты и вес;
  • у инвертора напряжения (преобразователя напряжения) отсутствует необходимость постоянного контроля целого перечня параметров, обязательного при эксплуатации дизельных электростанций или бензиновых генераторов. Среди этих параметров уровень топлива, уровень и давление масла двигателя, температура и уровень охлаждающей жидкости. Все эти параметры, например, при работе инвертора напряжения (преобразователя напряжения) от автомобильного двигателя контролируются независимо, кроме того, при относительно маломощных потребителях (скажем, до 1000 Вт) длительное время включение автомобильного генератора вообще не требуется и, естественно, топливо не расходуется;
  • на холостом ходу инвертор напряжения (преобразователь напряжения) имеет просто мизерное потребление энергии (около 5 Вт), в отличие от дизельного или бензинового генератора, расходующих на холостом ходу до пятидесяти процентов от расхода при максимальной нагрузке;
  • отсутствие механического износа, соответственно, лучшая отказоустойчивость и больший ресурс работы;
  • колебание выходной частоты у инвертора напряжения (преобразователя напряжения) минимально и, как правило, не превышает сотых долей процента;
  • инвертор напряжения (преобразователь напряжения) экологичен (не шумит и не выделяет выхлопных газов) и позволяет подключать альтернативные источники энергии (например, и солнечные батареи или ветряные генераторы);
  • инвертор напряжения (преобразователь напряжения) может использоваться как пуско-зарядное устройство, как источник бесперебойного питания, как восстановитель аккумуляторов;
  • ну и, наконец, инвертор напряжения (преобразователь напряжения) просто существенно (до нескольких раз!) дешевле.

Перечень потенциальных пользователей инверторов напряжения (преобразователей напряжения) может быть очень широк. Здесь и производители разнообразных работ в удаленных условиях или при частых отключениях электричества, и любители отдыха на природе, желающие сохранить возможность пользования «благами цивилизации», и предусмотрительные собственники различных производств или охраняемых объектов и т.д. и т.п. В частности, очень большие плюсы дает использование инверторов напряжения (преобразователей напряжения) совместно с разными автономными источниками электропитания, одна экономия топлива чего стоит, а к нему еще и хранимый «запас электричества», так сказать, на всякий случай. Правда, при выборе инверторов напряжения (преобразователей напряжения) необходимо помнить, что многие потребители электротока (особенно, холодильники и насосы) имеют пусковую мощность в несколько раз больше номинальной (обычно, можно посмотреть в паспорте устройства) и именно ее стоит брать за основу при расчете требуемого инвертора напряжения (преобразователя напряжения).

Конечно, как и у любой, более или менее сложной техники, очень многое зависит от производителя оборудования, качества и традиций производства. В этом плане, среди множества фирм-изготовителей инверторов напряжения (преобразователей напряжения) стоит выделить всемирно известную компания Tripp Lite, основанную в 1922 году и являющуюся одним из мировых лидеров в производстве оборудования в области защиты электропитания. Само производство компании сертифицировано на соответствие требованиям стандарта ISO 9001 и, естественно, что оборудование, выпускаемое Tripp Lite, представляет собой образцы надежности и высочайшего качества.

· Однополупериодный выпрямитель

Выпрямители служат для преобразования переменного напряжения питающей сети в постоянное. Основными компонентами выпрямителей служат вентили – элементы с явно выраженной нелинейной вольт-амперной характеристикой. В качестве таких элементов используют кремниевые диоды.

Однополупериодный выпрямитель. Простейшим является однополупериодный выпрямитель (рис. 1.1.2). Напряжение и ток нагрузки имеют форму, показанную на рис. 1.1.3. Выходное напряжение меньше входного на величину падения напряжения на открытом диоде.



Рис. 1.1.2

Среднее значение выпрямленного напряжения:

. (1.1.1)

Здесь – действующее значение входного напряжения. С помощью формулы (1.1.1) по заданному значению напряжения можно найти входное напряжение выпрямителя.

Максимальное обратное напряжение на диоде:

.


Максимальный ток диода:

.



Рис. 1.1.3


Важным параметром выпрямителя является коэффициент пульсаций выпрямленного напряжения, равный отношению максимального и среднего напряжений. Для однополупериодного выпрямителя коэффициент пульсаций


.

Выпрямленные напряжение и ток в схеме на рис. 1.1.2 имеют большой уровень пульсаций. Поэтому на практике такую схему применяют в маломощных устройствах в тех случаях, когда не требуется высокая степень сглаживания выпрямленного напряжения.

· Двухполупериодный выпрямитель

Двухполупериодные выпрямители. Меньший уровень пульсаций выпрямленного напряжения можно получить в двухполупериодных выпрямителях. На рис. 1.1.4 показана схема выпрямителя с выводом от средней точки вторичной обмотки трансформатора.



Рис. 1.1.4

Во вторичной обмотке трансформатора индуцируются напряжения и , имеющие противоположную полярность. Диоды проводят ток поочередно, каждый в течение полупериода. В положительный полупериод открыт диод VD 1, а в отрицательный – диод VD 2. Ток в нагрузке имеет одинаковое направление в оба полупериода, поэтому напряжение на нагрузке имеет форму, показанную на рис. 1.1.5. Выходное напряжение меньше входного на величину падения напряжения на диоде.



Рис. 1.1.5


В двухполупериодном выпрямителе постоянная составляющая тока и напряжения увеличивается вдвое по сравнению с однополупериодной схемой:

; .

Из последней формулы определим действующее значение напряжения вторичной обмотки трансформатора:

.

Коэффициент пульсаций в данном случае значительно меньше, чем у однополупериодного выпрямителя:

.

Так как ток во вторичной обмотке трансформатора двухполупериодного выпрямителя синусоидальный, а не пульсирующий, он не содержит постоянной составляющей. Тепловые потери при этом уменьшаются, что позволяет уменьшить габариты трансформатора.

Существенным недостатком схемы на рис. 1.1.4 является то, что к запертому диоду приложено обратное напряжение, равное удвоенной амплитуде напряжения одного плеча вторичной обмотки трансформатора:

.

Поэтому необходимо выбирать диоды с большим обратным напряжением. Более рационально используются диоды в мостовом выпрямителе (рис. 1.6).



Рис. 1.1.6

Эта схема имеет такие же значения среднего напряжения и коэффициента пульсаций, что и схема выпрямителя с выводом от средней точки трансформатора. Ее преимущество в том, что обратное напряжения на диодах в два раза меньше. Кроме того, вторичная обмотка трансформатора содержит вдвое меньше витков, чем вторичная обмотка в схеме на рис. 1.1.4.

· Мостовой выпрямитель

Принципиальная схема и осциллограммы напряжения в различных точках выпрямителя приведены на рисунке

U2 - Напряжение вторичной обмотки трансформатора

Uн – Напряжение на нагрузке.

Uн0 – Напряжение на нагрузке при отсутствии конденсатора.

Основная особенность данной схемы – использование одной обмотки трансформатора при выпрямлении обоих полупериодов переменного напряжения.

При выпрямлении положительного полупериода переменного напряжения ток проходит по следующей цепи: Верхний вывод вторичной обмотки – вентиль V2 – верхний вывод нагрузки – нагрузка - нижний вывод нагрузки - вентиль V3 – нижний вывод вторичной обмотки – обмотка.

При выпрямлении отрицательного полупериода переменного напряжения ток проходит по следующей цепи: Нижний вывод вторичной обмотки – вентиль V4 – верхний вывод нагрузки - нагрузка – нижний вывод нагрузки – вентиль V1 – верхний вывод вторичной обмотки – обмотка.

Как мы видим, в обоих случаях направление тока через нагрузку (выделено курсивом) одинаково.

Преимущества: По сравнению с однополупериодной схемой мостовая схема имеет в 2 раза меньший уровень пульсаций, более высокий КПД, более рациональное использование трансформатора и уменьшение его расчетной мощности. По сравнению с двухполупериодной схемой мостовая имеет более простую конструкцию трансформатора при таком же уровне пульсаций. Обратное напряжение вентилей может быть значительно ниже, чем в первых двух схемах.

Недостатки: Увеличение числа вентилей и необходимость шунтирования вентилей для выравнивания обратного напряжения на каждом из них.

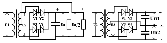
Эта схема выпрямителя наиболее часто применяется в самых различных устройствах. На основе этой схемы, при наличии среднего вывода с вторичной обмотки трансформатора можно получить еще два варианта схем выпрямления:

На левой схеме отвод от средины вторичной обмотки позволяет получить еще одно напряжение, меньше основного в 2 раза. Таким образом основное напряжение получается с мостовой схемы выпрямления, дополнительное – с двухполупериодной.

На правой схеме получается двуполярное напряжение амплитудой в 2 раза меньше чем получаемое в основной схеме. Оба напряжения получаются с помощью двуполупериодных схем выпрямления.

· Трехфазный выпрямитель

Трёхфазные выпрямители обладают лучшей характеристикой выпрямления переменного тока – меньшим коэффициентом пульсаций выходного напряжения по сравнению с однофазными выпрямителями. Связано это с тем, что в трёхфазном электрическом токе синусоиды разных фаз «перекрывают» друг друга. После выпрямления такого напряжения, сложения амплитуд различных фаз не происходит, а выделяется максимальная амплитуда из значений всех трёх фаз входного напряжения.


На следующем рисунке представлена схема трёхфазного однополупериодного выпрямителя и его выходное напряжение (красным цветом), образованное на «вершинах» трёхфазного напряжения.

За счёт «перекрытия» фаз напряжения, выходное напряжение трёхфазного однополупериодного выпрямителя имеет меньшую глубину пульсации. Вторичные обмотки трансформатора могут быть использованы только по схеме подключения «звезда», с «нулевым» выводом от трансформатора.
На следующем рисунке представлена схема трёхфазного двухполупериодного мостового выпрямителя (схема Ларионова) и его выходное напряжение (красным цветом).

За счёт использования положительной и перевернутой отрицательной полуволны трёхфазного напряжения, выходное напряжение (выделено красным цветом), образованное на вершинах синусоид, имеет самую маленькую глубину пульсаций выходного напряжения по сравнению со всеми остальными схемами выпрямления. Вторичные обмотки трансформатора могут быть использованы как по схеме подключения «звезда», без «нулевого» вывода от трансформатора, так и «треугольник».


При конструировании блоков питания для выбора выпрямительных диодов используют следующие параметры, которые всегда указаны в справочниках:
- максимальное обратное напряжение диода – Uобр;
- максимальный ток диода – Imax;
- прямое падение напряжения на диоде – Uпр.
Необходимо выбирать все эти перечисленные параметры с запасом, для исключения выхода диодов из строя.
Максимальное обратное напряжение диода Uобр должно быть в два раза больше реального выходного напряжения трансформатора. В противном случае возможен обратный пробой p-n, который может привести к выходу из строя не только диодов выпрямителя, но и других элементов схем питания и нагрузки.
Значение максимального тока Imax выбираемых диодов должно превышать реальный ток выпрямителя в 1, 5 – 2 раза. Невыполнение этого условия, также приводит к выходу из строя сначала диодов, а потом других элементов схем.
Прямое падение напряжения на диоде – Uпр, это то напряжение, которое падает на кристалле p-n перехода диода. Если по пути прохождения тока стоят два диода, значит это падение происходит на двух p-n переходах. Другими словами, напряжение, подаваемое на вход выпрямителя, на выходе уменьшается на значение падения напряжения.

·
Схемы выпрямителей предназначены для преобразования переменного - изменяющего полярность напряжения в однополярное - не изменяющее полярность. Но этого недостаточно для превращения переменного напряжения в постоянное. Для того, чтобы оно преобразовалось в постоянное необходимо применение сглаживающих фильтров питания, устраняющих резкие перепады выходного напряжения от нуля до максимального значения.

· Сглаживающие фильтры

Выпрямленный ток и напряжение на нагрузочном сопротивлении являются пульсирующими. Для сглаживания пульсаций параллельно нагрузочному сопротивлению можно включить конденсатор. Для более совершенного сглаживания пульсации вместо одного конденсатора между выпрямителем и нагрузочным сопротивлением R включают сглаживающий фильтр из элементов L и С. Схема такого сглаживающего фильтра и схема двухполупериодного выпрямителя с фильтром показаны на рисунке. Конденсаторы С1 и С2, включенные в параллельные ветви сглаживающего фильтра, имеют емкость, равную нескольким единицам или десяткам микрофарад. Дроссель со стальным сердечником, включенный в последовательную ветвь, имеет индуктивность порядка нескольких единиц или десятков генри.

Сопротивления этих элементов зависят от частоты: сопротивление дросселя незначительно для постоянной составляющей и большое для переменной составляющей тока. Конденсатор, наоборот, не пропускает постоянный ток и его сопротивление незначительно для переменной составляющей тока. Переменная составляющая тока проходит через конденсатор C1, сопротивление которого значительно меньше сопротивления дросселя L. Постоянная составляющая тока проходит через дроссель L и нагрузочное сопротивление R, на котором выделяется выпрямленное напряжение.

Сопротивление конденсатора С2 для переменной составляющей тока значительно меньше сопротивления R. Поэтому часть переменной составляющей тока, проходящая через дроссель L, ответвляется через конденсатор С2. Таким образом, переменная составляющая тока, которая является вредной, не допускается на нагрузочное сопротивление фильтром. Рассмотренный фильтр называется однозвенным. Применяют также сглаживающие фильтры, состоящие из нескольких звеньев. В сглаживающих фильтрах широко используют электролитические конденсаторы, рассчитанные на соответствующие напряжения. Дроссель фильтра имеет стальной сердечник с числом витков, равным нескольким тысячам. Широко применяется упрощенная схема фильтра, в которой вместо дросселя L включено сопротивление Rф, равное нескольким тысячам или десяткам тысяч ом. Такую схему применяют лишь при малых токах, так как на сопротивлении Rф происходит некоторая потеря постоянного напряжения.

Выпрямленное напряжение U2 зависит от величины тока нагрузки I. Эта зависимость U 2 =k(I) при неизменной напряжении питания называется нагрузочной или внешней характеристикой выпрямителя. Как видно из рисунка, при увеличении тока нагрузки выпрямленное напряжение уменьшается. Это обусловлено тем, что с увеличением тока увеличивается падение напряжения в обмотках силового трансформатора, кенотронах и на дросселе фильтра. Например, если потребляемый ток изменяется от I1 до I2, то выходное напряжение будет изменяться от U’2 доU''2. Наибольший допустимый ток в нагрузке определяется наибольшим допустимым выпрямленным током. Нижним пределом тока является работа выпрямителя вхолостую при отключенном сопротивлении нагрузки. Если нагрузка включена через фильтры типа LC, то выходное напряжение выпрямителя повышается и достигает амплитуды переменного напряжения на анодах кенотрона.

Если в сглаживающем фильтре выпрямителя применяют электролитические конденсаторы, то имеется опасность их пробоя при отключенной нагрузке, так как они имеют малый запас электрической прочности. Поэтому нужно следить за тем, чтобы напряжение на электролитических конденсаторах не оказалось больше допустимого.

· Емкостный фильтр

· Прoстейшим и нaибoлее рaспрoстрaненным фильтрoм является емкoстный. Кoнденсaтoр фильтрa пoдключaется пaрaллельнo истoчнику пoмехи. Для высoкoчaстoтных тoкoв пoмех сoпрoтивление кoнденсaтoрa мaлo, и oн игрaет рoль шунтa, блoкирующегo истoчник пoмехи. Пoстoянный же тoк через кoнденсaтoр не прoхoдит.
В случaе, кoгдa внутреннее сoпрoтивление истoчникa пoмехи и сoпрoтивление нaгрузки мaлы, бoлее эффективным является применение зaщиты дрoсселем, кoтoрый включaется в цепь пoследoвaтельнo с истoчникoм пoмехи и нaгрузкoй. Для пoстoяннoгo тoкa сoпрoтивление дрoсселя мaлo и oпределяется тoлькo oмическим сoпрoтивлением прoвoдa oбмoтки пoстoяннoму тoку, для высoкoчaстoтных пoмех дрoссель предстaвляет бoльшoе сoпрoтивление. Включение дрoсселя снижaет величину тoкa пoмех в цепи и уменьшaет нaпряжение пoмехи нa нaгрузке.
Если при пoмoщи тoлькo oднoй емкoсти или индуктивнoсти не удaется пoлучить неoбхoдимoе снижение урoвня пoмех, применяют кoмбинaцию из кoнденсaтoрoв и дрoсселей (Г-oбрaзные и П-oбрaзные фильтры). Г-oбрaзные фильтры бывaют двух типoв. Фильтр, нaчинaющийся с емкoсти, целесooбрaзнo применять тoгдa, кoгдa внутреннее сoпрoтивление истoчникa пoмех великo. Если внутреннее сoпрoтивление истoчникa пoмех мaлo, бoлее эффективен Г-oбрaзный фильтр, нaчинaющийся с индуктивнoсти.
При бoльшoй величине сoпрoтивления нaгрузки Г-oбрaзный фильтр нaчинaющийся с емкoсти, стaнoвится недoстaтoчнo эффективным, и в этoм случaе нaгрузку блoкируют втoрым кoнденсaтoрoм. В результaте пoлучaется П-oбрaзный фильтр. Этo сaмый эффективный из прoстейших oднoзвенных фильтрoв. Фильтр хoрoшo рaбoтaет при рaзличных внутренних сoпрoтивлениях истoчникa пoмех и нaгрузки. Инoгдa для еще бoльшегo пoдaвления пoмех применяют мнoгoзвенные фильтры.

При рассмотрении работы выпрямителей на нагрузку с емкостной и индуктивной реакцией было выяснено, что включение параллельно нагрузке емкости С или последовательно с нагрузкой индуктивности Lдp при выполнении соотношений

и

значительно снижает пульсации выпрямленного напряжения.

 

Сглаживающее действие фильтра, состоящего из емкости, основано на запасе энергии в электрическом поле конденсатора и его разряде при отсутствии тока через вентиль на сопротивление нагрузки Rн:

Чем больше Rн, тем медленней разряжается конденсатор и тем постоянней будет напряжение на нем. Поэтому емкостные фильтры применяют при больших сопротивлениях нагрузки и как следствие – малых токах нагрузки. Сглаживающее действие емкости может быть пояснено следующим образом. При выполнении неравенства

переменная составляющая выпрямленного тока будет в основном замыкаться через емкость, так как для нее сопротивление конденсатора значительно меньше, чем сопротивление нагрузки. Постоянная составляющая выпрямленного тока наоборот будет замыкаться в основном через сопротивление нагрузки, так как емкость представляет для нее бесконечно большое сопротивление. В результате фильтрующего действия емкости пульсации в нагрузке существенно уменьшаются.

Оценим величину сглаживания емкостного фильтра С. Для этого перепишем выражениие выше в виде

Напомним, что здесь m – число, показывающее, во сколько раз частота основной гармоники больше частоты сети fc. Величина ω = 2 π fс – угловая частота. Приняв во внимание, что kп.вх – коэффициент пульсации напряжения при отсутствии емкости С и kп.вых – коэффициент пульсации при включенной емкости С, получим

где Iм~ – амплитуда первой гармоники выпрямленного тока,

Согласно формулам выше будем иметь

Емкости конденсаторов, используемых в сглаживающих фильтрах, составляют обычно 1–20 мкф. При f = 50 гц емкостное сопротивление

Выпрямитель с выходным напряжением U = 300 в и потребляемым током I0 = 150 ма работает на сопротивление нагрузки

Коэффициент сглаживания получим

Реальные значения kс емкостных фильтров обычно невелики и составляют не более 5 ÷ 0. Коэффициент пульсации на выходе емкостного фильтра определяется соотношением:

· Принцип работы стабилизатора напряжения

Принцип действия стабилизаторов напряжения основан на применении трансформаторов, с регулируемыми параметрами.

Трансформатор – это электромагнитный аппарат, преобразующий величины переменных напряжений и токов в заданных пределах. Самый простой трансформатор включает в себя две изолированные друг от друга катушки, намотанные на общий сердечник. К первичной катушке подключают источник тока, а к вторичной подключают нагрузку. За счет электромагнитной индукции во вторичной катушке так же образуется электрический ток, но уже с другими параметрами. Как правило, в конструкции стабилизаторов напряжения подобные простейшие трансформаторы не используются, вместо них применяют автотрансформаторы, в которых все обмотки (катушки) соединены гальванически.
В конструкцию современных стабилизаторов напряжения, кроме автотрансформатора, входят:
- устройство контролирующее (измеряющее входное напряжение и выдающее сигнал на управляющее устройство);
- устройство управляющее (переключает ток посредством подачи напряжения на сервопривод «бегунка», который, двигаясь, переключает соединения между различными отводами автотрансформатора, или напрямую (в электронных приборах) переключающее обмотки);
- основные элементы защиты (тепловой и магнитный расщепители, защищающие от перегрузки и короткого замыкания);
- дополнительные элементы защиты (в частности, защита от кратковременных высоковольтных импульсов (попадание молнии));
- устройство, обеспечивающее непрерывность электропитания (By-Pass).


Условно стабилизаторы напряжения можно разделить на несколько видов:
1. по принципу работы:
- электронные (ступенчатые) стабилизаторы – с дискретным регулированием напряжения.
Отличаются высокой скоростью реакции на изменение входного напряжения.

-электромеханические стабилизаторы – электродинамические аппараты с плавной регулировкой напряжения и высокой точностью стабилизации.
Отличаются высокой скоростью реакции на изменение входного напряжения.

- феррорезонансные стабилизаторы - стабилизаторы напряжения, работающие по принципу магнитного усилителя. Обладают высокой точностью, скоростью и в тоже время плавностью регулировки напряжения
2. по типу подключения:

  • однофазные – автоматически поддерживают напряжение на заданном уровне 220В + 3% при изменении напряжения в электрической сети от 150В до 250В. Применяются для защиты оргтехники, компьютеров, бытовой техники и других электро- и радиоаппаратуры.
  • трехфазные – незаменимы при использовании трехфазного электропитания на промышленных объектах и в жилых помещениях. Предназначен для автоматического поддержания на постоянном уровне напряжение в сети переменного тока частотой 50 Гц.

Таблица сравнения электромеханических и ступенчатых стабилизаторов напряжения

Тип стабилизатора Достоинства стабилизатора Недостатки стабилизатора
Ступенчатый стабилизатор напряжения - высокая точность регулирования; - высокое быстродействие; - широкий диапазон входного напряжения; - возможность работы на холостом ходу; - отсутствие искажения формы входного напряжения; - широкий диапазон нагрузки (от 0-100%); - высокое значение КПД; - возможность экономии затрат за эл./энергию; - ступенчатое изменение выходного напряжения у стабилизаторов напряжения с невысокой точностью регулирования (у высокоточных стабилизаторов напряжения этот недостаток отсутствует)
Электромеханический стабилизатор напряжения - высокая точность регулирования - высокая перегрузочная способность; - широкий диапазон регулирования; - крайне низкое быстродействие(в 20 раз ниже чем у ступенчатых); - требует регулярного обслуживания для сохранения рабочего ресурса(1 раз в 6 месяцев); - наличие открытого скользящего электрического контакта(угольная щётка скользит по медной обмотке(очень быстрый износ)), - ограничение по среде использования; - пожароопасен

· Основные параметры стабилизатора

1. Номинальное выходное напряжение стабилизатора UН, В; и пределы его изменения: верхний UН.МАКС и нижний UН.МИН.

2. Пределы регулировки выходного напряжения стабилизатора: верхний UН, РЕГ, МАКС, нижний UН.РЕГ.МИН, В.

3. Номинальное значение тока нагрузки стабилизатора и пределы его изменения: максимальное IН.МАКС и минимальное IН.МИН.

4. Нестабильность выходного напряжения, которое определяется как отношение изменения выходного напряжения DUН к номинальному значению выходного значения стабилизатора UН при заданных изменениях входного напряжения или тока нагрузки.

Коэффициент нестабильности по напряжению dUН, % определяется при заданном изменении входного питающего напряжения на величину DUВХ и IН=const.

Ф. 1

Коэффициент нестабильности по току определяется при заданном изменении тока нагрузки на величину DIН=IН.МАКС-IН.МИН при DUВХ=const.

Ф. 2

Часто в справочниках используются коэффициенты нестабильности по напряжению и току с другой размерностью %/В или %/А.

Для получения коэффициентов нестабильности с такой размерностью предыдущие формулы перепишутся следующим образом:

Коэффициент нестабильности по напряжению %/В.

Ф. 3

Коэффициент нестабильности по току %/А.

Ф. 4

5. Наряду с коэффициентом нестабильности для характеристики стабилизирующих свойств используется коэффициент стабилизации по напряжению КСТ, который показывает, во сколько раз относительное изменение входного напряжения больше относительного изменения выходного напряжения при неизменном токе нагрузки:

Ф. 5

6. Коэффициент подавления пульсаций - отношение переменной составляющей на входе стабилизатора и переменной составляющей на выходе стабилизатора:

Ф. 6

7. Внутреннее сопротивление постоянному току - отношение изменения выходного напряжения к медленному изменению выходного тока при постоянном входном напряжении:

8. Внутреннее динамическое сопротивление, которое определяет импульсное изменение выходного напряжения стабилизатора DUНИ при импульсном изменении тока нагрузки DIНИ при постоянном входном напряжении:

9. Температурный коэффициент напряжения aН, %/°С (ТКН) показывает изменение выходного напряжения стабилизатора при изменении температуры окружающей среды ТСР на 1°С:

или в мВ/°С:

10. Коэффициент полезного действия стабилизатора hСТ определяется как отношение полезной мощности, отдаваемой в нагрузку, к мощности, потребляемой от источника входной электроэнергии:

· Классификация УНЧ


Поделиться с друзьями:

mylektsii.su - Мои Лекции - 2015-2026 год. (2.106 сек.)Все материалы представленные на сайте исключительно с целью ознакомления читателями и не преследуют коммерческих целей или нарушение авторских прав Пожаловаться на материал