Студопедия

Главная страница Случайная страница

КАТЕГОРИИ:

АвтомобилиАстрономияБиологияГеографияДом и садДругие языкиДругоеИнформатикаИсторияКультураЛитератураЛогикаМатематикаМедицинаМеталлургияМеханикаОбразованиеОхрана трудаПедагогикаПолитикаПравоПсихологияРелигияРиторикаСоциологияСпортСтроительствоТехнологияТуризмФизикаФилософияФинансыХимияЧерчениеЭкологияЭкономикаЭлектроника






Електробезпека. Дія електричного струму на організм людини






Дія електричного струму на організм людини

 

Аналіз нещасних випадків в промисловості, свідчить про те, що кількість травм, викликаних дією електрики, порівняно невелика і складає 0, 5-1% від загальної кількості нещасних випадків. Проте з загальної кількості нещасних випадків зі смертельним наслідком на виробництві 20-40% трапляється внаслідок ураженням електрострумом, що більше, ніж в наслідок дії інших причин, причому близько 80% смертельних уражень електричним струмом відбувається в електроустановках напругою до 1000 В.

Проходячи через тіло людини, електричний струм справляє термічну, електролітичну, механічну та біологічну дію.

Електролітична дія струму характеризується розкладом органічної рідини, в тому числі і крові, що супроводжується значними порушеннями їх фізично-хімічного складу.

Механічна (динамічна) дія – це розшарування, розриви та інші подібні ушкодження тканин організму, в тому числі м`язової тканини, стінок кровоносних судин, судин легеневої тканини внаслідок електродинамічного ефекту, а також миттєвого вибухоподібного утворення пари від перегрітої струмом тканинної рідини та крові.

Біологічна дія струму проявляється через подразнення та збудження живих тканин організму, а також через порушення внутрішніх біологічних процесів, що відбуваються в організмі і котрі тісно пов`язані з його життєвими функціями.

Різноманітність впливу електричного струму на організм людини призводять до електротравм, котрі умовно поділяються на два види:

загальні електротравми;

місцеві електротравми.

Місцева електротравма – яскраво виявлене порушення щільності тканин тіла, в тому числі кісток, викликане впливом електричного струму або електричної дуги. Найчастіше – це поверхневі ушкодження, тобто ушкодження шкіри, а інколи й інших м`яких тканин, зв`язок або кісток.

Приблизно 75% випадків ушкодження людей струмом супроводжується виникненням місцевих електротравм:

- електричні опіки;

- електричні знаки;

- металізація шкіри;

- механічні пошкодження;

- електроофтальмія;

- змішані травми.

Причини електротравм:

- дотик до струмоведучих частин під напругою внаслідок недотримання правил безпеки, дефектів конструкції та монтажу електрообладнання;

- дотик до неструмоведучих частин, котрі опинились під напругою внаслідок пошкодження ізоляції, перехрещування проводів;

- помилкове попадання напруги в установку, де працюють люди;

- відсутність надійних захисних пристроїв.

 

Класифікація методів безпечної екслуатації електроустановок:

1 – Застосуванням захисних мір.

Це схемні або конструктивні рішення які зни­жують небезпеку поразки людини електричним струмом. Умовно поділяються на захисні міри нормального режиму, аварійного режиму (у випадку появи напруги на корпусах електроустановок), комбінованої дії.

2 – Використанням електрозахисних засобів.

Злектрозахисні засоби – це вироби, що переносять або перевозять, яки служать для захисту персоналу від поразки електричним струмом під час виконання робіт. До них відносяться: інструменти, спецодяг і захисні засоби.

3 – Дотримання захисних заходів.

Захисні заходи – це сукупність вимог до працюючих і порядку виконання робіт.

Захисні міри при нормальному режимі роботи електричних установок

До захисних мір при нормальному режимі роботи електричних установок відносяться:

- ізоляція струмопровідних частин

- недоступність струмопровідних частин

- блоківки безпеки

- орієнтування в електроустановках

- ізоляційні площадки

- захисне замикання (шунтування фази)

Ізоляція струмопровідних частин – шар діелектрика або конструкція, виконана із діелектрика, при до­помозі яких струмопровідні частини відокремлюються одна від одної або від інших конструктивних частин обладнання.Електроустановки в першу чергу мають робочу ізоляцію.

Робоча ізоляція – це така ізоляція, яка забезпечує протікання струму по пот­рібному шляху і безпечну експлуатацію обладнання. Ізоляція забезпечує безпеку дякуючи тому, що діелектрик мас великий опір електричному струму, який обме­жує величину струму, протікаючого через ізоляцію.

Недоступність струмопровідішх частин забезпечується наступними методами:

- огорожами (суцільні з напругою до 1кВ, сітчасті - до і вище 1кВ);

- розташуванням струмопровідних частин на недосяжній висоті;

- розташуванням струмопровідних частин в недосяжному місці;

- спеціальними заходами.

Блоківки безпеки – це пристрої, які запобігають ураженню персоналу елект­ричним струмом при помилкових діях. За принципом дії поділяються на:

механічні (у вигляді заскочок або стопорів, які фіксують поворотну частину механізму у вимкненому стані); електромеханічні (в вигляді електромагнітних замків); електричні блокування дверей.

Орієнтування в електроустановках дозволяє персоналу орієнтуватися при виконанні робіт, застерігає його від неправильних дій. Методами орієнтації служать:

- маркіровка частин електричного обладнання;

- знаки безпеки: „обережно електрична напруга”;

- відповідне розташування і забарвлення струмопровідних частин, при змінному струмі:

фаза А – верхня, ліва, найбільше віддалена, забарвлення – жовте;

фаза В – середня – зелене;

фаза С – нижня, ближча, права – червоне;

нейтраль – ізольована блакитна, заземлена – в жовто-зелені подовжні смуги;

- світлова сигналізація вказує на ввімкнений або вимкнений стан електроустанов­ки.

Захисні заходи комбінованої дії

До захисних заходів комбінованої дії відносяться:

- виконання електричних мереж ізольованими від землі;

- електричне розділення мереж;

- вирівнювання потенціалів;

- застосування малої напруги.

Виконання електричних мереж ізольованих від землі. Безпечне експлуатація цих мереж забезпечується великими опорами витоку. Небезпечним у таких мережах є режим, коли одна з фаз замкнута на землю.

Електророзділення мереж – це розподіл протяжної або розгалуженої електро­мережі на окремі ділянки, електричне не зв'язані одна з одною, тобто через розді­лові трансформатори. Причому ці розділові трансформатори не змінюють вели­чину напруги (Кт = 1).

Застосування малих напруг – це напруга не більше 42 В змінного струму і 110 В постійного струму, що застосовується з метою безпеки.

1)Ічм = Uчм /Rч.

2) Rч=f(Uч).

У нас застосовуються дві стан­дартні малі напруги: 12 і 36 (42) В.

 

Захисні міри аварійного режиму (технічні засоби безпечної експлуатації електроустановок при переході напруги на нормальнонеструмоведучі чинники)

Захисне заземлення – це навмисне електричне з`єднання з землею або з її еквівалентом металевих неструмоведучих частин, котрі можуть опинитись під напругою.

Заземлення – умисне сполучення з землею або її еквівалентом металевих частин ЕУ. Якщо з землею з’єднані струмопровідні частини – це робоче заземлення.

Заземлення бувають:

- робочими – якщо з землею сполучені струмопровідні частини;

- захисними – неструмопровідні частини (корпуси), які можуть опинитись під напругою при пошкоджені робочої ізоляції;

- технологічні;

- для блискавкозахисту;

- суміщені.

У відповідності з ПУЭ захисне заземлення виконується у таких випадках:

- для всіх ЕУ – при і вище ~ струму та 440 В і вище = струму;

- для ЕУ, розміщених у приміщеннях з підвищеною і особливою небезпекою та поза приміщеннями – при вище 42 В ~ струму і вище 110 В = струму;

- для вибухонебезпечних ЕУ – при будь-якій напрузі ~ чи = струмів.

Призначення захисного заземлення: захист від напруги дотику, тобто від напруги на корпусі електроустановки (при пошкодженні робочої ізоляції і переході напруги металевому корпусі) відносно землі.

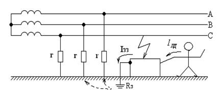
Розглянемо принципи захисту захисного заземлення.

 

1-й випадок – у мережах з ізольованою нейтраллю:

Принципи захисту захисного заземлення у мережах з ізольованою нейтраллю

 

Uк= IззRз; Iзз залежить тільки від r і не залежить від Rз

- залежить від RЗ

тобто можна вибрати таку величину RЗ (достатньо малу), що при існуючому Iзз Uк і Iлд будуть безпечними.

Умова безпеки:

Uк= IззRз≤ Uдот.доп.

Iлд без заземлення корпуса - Iлд =Uф/(Rлд+r/3)

Iлд з заземленняv корпуса - Iлд =Uф/(Rлд+r/3+(rRлд /3Rз))

Rлд→ 103Ом; r/3→ 105Ом; rRлд /3Rз → 107Ом.

Таким чином:

захисне заземлення є ефективною мірою захисту у мережах з ізольованою нетраллю при напрузі і до і вищій 1кВ;

захисна дія заземлення у мережах з ізольованою нетраллю полягає у зменшенні напруги захисту за рахунок малої величини Rз в ЕУ з малими Iзз.

 

2-й випадок – ЗЗ у мережах із заземленою нейтраллю:

Принципи захисту захисного заземлення у мережах із заземленою нейтраллю

 

Uк= IззRз; Iзз = Uф/(Rр+Rз) – суттєво залежить від Rз

якщо Rр=Rз, Uк= 0.5Uф; якщо Rр> Rз, Uк> 0.5Uф;

тобто зменшенням Rз не можна суттєво зменшити Uк.

Таким чином:

- ЗЗ є ефективною мірою захисту у мережах з заземленою нейтраллю тільки при напрузі більшій 1кВ;

- захисна дія заземлення у мережах з заземленою нейтралью полягає у перетворенні замикання фази на корпус ЕУ у однофазне КЗ, від струму якого спрацьовує МСЗ і вимикає пошкоджену ЕУ;

- умова безпеки ЗЗ у мережах з заземленою нейтралью напругою вище 1кВ

- Uк= IззRз≤ Uдот.доп.(tс)

 

Конструктивно заземлюючі пристрої являють сукупність заземлювача і заземлюючих провідників.

Заземлювач – це металоконструкція, яка розміщена в грунті і має з ним хороший електроконтакт.

Заземлюючий провідник – це провідниик, що з’єднує корпус електро-приймача з заземлювачем. Заземлюючий провідник, що має 2 або більше відгалужень, називається магістраллю заземлення.

Заземлювачі поділяються на натуральні та штучні.

Натуральні заземлювачі – це металоконстукції в грунті, які мають з ним гарний контакт, виконують будівельні або технологічні функції і паралельно зазтосовуються для заземлення.

ПУЭ передбачає в першу чергу використовувати натуральні заземлювачі, а саме:

- прокладені в землі металеві трубопроводи, за винятком трубопроводів горючих речовин;

- обсадні труби свердловин;

- підземні металеві чи залізобетонні конструкції будинків і споруд, у тому числі і опор ПЛ;

- свинцеві оболонки кабелів при їх кількості не менше двох, алюмінієві оболонки кабелів використовувати як природні заземлювачі заборонено;

- грозозахисний трос ПЛ, якщо він ізольований від опір, та ін.

Штучні заземлювачі – це спеціально виконані і призначені виключно для заземлення металеві конструкції в грунті.

Найменші розміри сталевих штучних заземлювачів такі:

- діаметр круглих стрижневих заземлювачів: неоценкованих – 10 мм, оценкованих – 6 мм;

- товщина полички кутника – 4 мм;

- площа перерізу прямокутних заземлювачів – 48 мм², товщина – 4 мм.

Найчастіше штучні заземлювачі використовуються з вертикальних електродів, розміщених по периметру або уподовж сторони об’єкта і сполучених горизонтальними електродом. Для вертикальних електродів використовують сталеві прутки діаметром 12…16 мм або кутники з розмірами 32х32х4 мм чи 40х40х5 мм довжиною 3…5 м чи більше. Для горизонтальних електродів застосовуються ті ж прутки або сталева стрічка 4х40 мм².

Як заземлюючі провідники можуть бути використовані спеціально передбачені провідники, металеві конструкції будинків, арматура залізобетонних констукцій, металоконструкції виробничого призначення, сталеві труби, алюмінієві оболонки кабелів та ін.

Виносне заземлення

 

За взаємним розташуванням заземлювачів і заземлюваного обладнення заземлення поділяється на виносні і контурні.

Заземлювачі виносних заземлень розташовується на деякій відстані від заземлюваного обладнення, часто за межами зони розтікання струму замикання на землю, а заземлювачі контурних заземлень - безпосередньо біля обаднення або під територією майданчика, на якому розміщене це обладнання.

Умова безпеки:

Таким чином, виносні заземлення можуть застосовуватись тільки у мережах з ізольованою нейтраллю при невеликих IЗЗ, а при великих(у мережах з ефежктивно заземленою нейтраллю напругою вище 1 кВ) – контурні заземлення.

Таким чином, контурне заземлення “дозволяє підвищити” потенціал поверхні майданчика по відношенню до території, що примикає. На території майданчика та будуть набагато меншими, ніж при виносному заземленні або при поодинокому заземлювачі, а в деяких точках, навіть, дорівнюватимуть нулю.

Контурне заземлення

 

Однак за межами майданчика, що охоплюється заземлювачем, крива розподілу потенціалів “йде круто” і виявляється достатньо великою. Для зменшення за межами майданчика, у поперек подовжньої осі проходу і проїзду на деякій глибині вкладаються металеві смуги, не з’єднані з основним заземлювачем і між собою. Це дозволяє “замінити” ктруту криву розподілу потенціалу більш похилою ламаною кривою, в результаті чого зменшується.

Умова безпеки:

 

Вимоги до заземлюючих пристроїв згідно ПУЭ умовно можна розділити на загальні та спеціальні.

1. Загальні вимоги розділяються на вимоги до конструкції заземлень та до опору заземлень.

1.1. Вимоги до конструкції заземлень:

- всі з’єднання у мережі заземлення мають бути зварними, виняток допускається тільки в місцях приєднання заземлюючих провідників до корпуса (приєднання “під болт”);

- корпуси повинні приєднуватись до магістралей заземлення тільки паралельно:

магістраль повинна приєднуватись до заземлювача не менше ніж у двох точках.

1.2. Вимоги до опору заземлень електроустановок напругою:

- вищою 1 кВ з ефективно заземленою нейтраллю (IЗЗ великі):

Ом при цьому кВ;

- вищою 1 кВ з ізольованою нейтраллю ( малі):

у випадку заземлення установки напругою тільки вищою 1 кВ:

Ом

- у випадку заземлення установок напругою і до і вищою 1 кВ:

і не більше для ЕУ напругою до 1 кВ;

де 250 і 125 – напруги на корпусі відносно землі;

- розрахунковий IЗЗ, А.

кВ; , км;

- до 1 кВ Ом, допускається до 10 Ом при сумарній потужності генераторів чи трансформаторів не більше 100 кВт або 100 кВА.

 

Занулення

В мережах напругою до 1 кВ з глухозаземленою нейтраллю захисне заземлення не є ефективною мірою захисту. В таких мережах використовують занулення – з’єднання корпусів ЕУ з нульовим проводом трьохфазної мережі з глухозаземленою нейтраллю, з заземленим полюсом в однофазних мережах і з заземленою середньою точку в мережах постійного струму.

Схема занулення

 

Принцип захисту: перетворення замикання фази на корпус в однофазне коротке замикання, від струму якого спрацьовує МСЗ і селективно вимикає пошкоджену ЕУ.

Нульовий провід в мережах може бути робочим (для отримання UСР), захисним (для захисту) і суміщеним. Нульовий провід захисний чи суміщений (у схемі занулення) служить для перетворення замикання фази на корпус в однофазне коротке замикання.

МСЗ служить для вимкнення аварійної ЕУ.

Робоче заземлення нейтралі зменшує напругу нульового проводу і корпусів ЕУ по відношенню до землі за час протікання струму КЗ.

Повторне заземлення нульового проводу, що виконується на певній відстані від п/ст, дозволяє ще більше знизити напругу нульового проводу по відношенню до землі при справній мережі і забезпечити деякий ступень захисту при обриві нульового проводу між точкою з`єднання корпуса і трансформатора.

Вимоги до занулення:

- щодо кратності струму КЗ – провідники занулення повинні вибиратись так, щоб при замиканні на нульовий провід чи приєднані до нього корпуси ЕУ виникав струм 1-фазного КЗ, який перевищує не менше ніж в 3 рази номінальний струм найближчої плавкої вставки запобіжника чи автомата з тепловим розчеплювачем; при захисті мережі автомати з електромагнітними розчеплювачами кратність струму повинна бути не менше 1.1, а при відсутності паспортних даних на автомат – 1.4, для автоматів з номінальним струмом до 100А і 1.25 для інших;

- щодо провідності нульового проводу - провідність нульового проводу повинна бути не менше 50% провідності фазних проводів;

- щодо неперервності нульового проводу – має забезпечуватись неперервність нульового проводу від кожного корпусу до нейтралі джерела струму; у зв`язку з цим всі з`єднання нульового проводу повинні біти виконані нероз`ємними, у нульовий провід не дозволяється вмонтовувати пристрої МСЗ і комутуючі пристрої; допускається вмонтовувати комутуючі пристрої, які одночасно з розривом нульового проводу розривають і всі фазні;

- щодо опору робочого заземлення – опір струму розтікання робочого заземлення не повинен перевищувати значень наведених в таблиці;

- щодо повторного заземлення нульового проводу – повторне заземлення нульового проводу має виконуватись на кінцях ПЛ і відгалужень від них при довжині 200 м і більше, а також при введенні ПЛ в будівлі, ЕУ яких підлягають зануленню; при розміщенні ЕУ поза будівлями, відстань від ЕУ до найближчого заземлювача робочого чи повторного заземлень не повинна перевищувати 100 м; опір струму розтікання повторних заземлень не повинен перевищувати значень наведених в табл.

 

Опір струму розтікання повторних заземлень

 

UM, B Rр, Ом Rn, Ом
  еквівалентний (з урахуванням натуральних заземлень і повторних заземлень нульового проводу) в тому числі тільки штучних заземлювачів еквівалентний всіх повторних заземлювачів в тому числі кожного повторного заземлювача
660/380        
380/220        
220/127        

 

Захисне вимикання – це система захисту, яка забезпечує автоматичне відключення пошкодженого електроустаткування чи ділянки мережі при виникненні в них небезпеки ураження людини електричним струмом.

Схема ПЗВ складається з:

- датчиків, які реагують на зміни параметру чи режиму мережі;

- датчиків, які реагують на зміни параметру чи режиму мережі;

- датчиків, які реагують на зміни параметру чи режиму мережі;

- виконавчих елементів (комутуючі пристрої і т.п.).

Вимоги до ПЗВ:

- достатня чутливість, що забезпечує безпеку;

- достатня швидкодія;

- надійність;

- наявність самоконтролю чи ручного контролю справності;

- конструктивні вимоги.

 

Схема ПЗВ

 

 

Схеми ПЗВ можуть застосовуватись як єдина міра захисту (тоді в них має бути самоконтроль) або у доповнення до захисного заземлення чи занулення (тоді достатньо ручного контролю справності).

Схема ПЗВ на напрузі на корпусі відносно землі чи на струмі замикання на землю. Може застосуватись для ЕУ, де неможливо чи не доцільно виконувати захисне заземлення з опором, який вимагають в ПУЭ: для пересувних ЕУ та ЕУ на ґрунтах з великим ρ. Достоїнство – простота, недолік – схема „працює” при обриві в колі заземлення.

Подвійна ізоляція - це виконання корпусів ЕУ з ізоляційних матеріалів. Захисна дія – неможливість переходу напруги на корпус ЕУ і ураження людини UДОБ. З подвійною ізоляцією виготовляють вимірювальні прилади, арматуру електропроводок, ручні електрифіковані інструменти.

 

Електрозахисні засоби (ЕЗЗ)

При обслуговуванні ЕУ застосовуються ЕЗЗ, засоби захисту від ЕППЧ та ЗІЗ.

ЕЗЗ – засіб, призначений для забезпечення електробезпеки.

ЕЗЗ підрозділяються на ізолювальні та спеціальні для ВРПН. Ізолювальні ЕЗЗ підрозділяються на основні та додаткові.

Основний ЕЗЗ – електроізолювальний засіб, ізоляція якого тривалий час витримує робочу напругу ЕУ і який дозволяє працювати на струмопровідних частинах, що перебувають під напругою.

Додатковий ЕЗЗ – електроізолювальній засіб, який сам по собі не може за даної напруги забезпечити захист від ураження електричним струмом; він доповнює основний ЗЗ, також може захищати від напруг дотику і кроку.

Основні ЕЗЗ:

- в ЕУ понад 1 кВ: ізолювальні штанги всіх видів, ізолювальні кліщі, електровимірювальні кліщі, покажчики напруги, спеціальні пристрої – показники напруги для фазування, показники пошкодження кабелів та ін;

- в ЕУ напругою понад 1 кВ включно: ізолювальні штанги, ізолювальні кліщі, покажчики напруги, діелектричні рукавички, інструмент з ізолювальним покриттям.

Додаткові ЕЗЗ:

- в ЕУ понад 1 кВ: діелектричні рукавички, діелектричне взуття, діелектричні килими, ізолювальні підставки, ізолювальні прокладки, ізолювальні ковпаки, штанги для перенесення і вимірювання потенціалів, сигналізатори напруги, захисні огородження, переносні заземлення, плакати безпеки, інші засоби;

- в ЕУ напругою до 1 кВ включно: діелектричне взуття, діелектричні килими, ізолювальні підставки, ізолювальні накладки, ізолювальні ковпаки, сигналізатори напруги, захисні огородження, переносні заземлення, плакати безпеки, інші засоби;

Засоби захисту при ВРПН: діелектричні ковпаки, накладки, листи-платини, наконечники, короби, комплект слюсарно-монтажного інструменту; штанги магіпулятори; ізолювальні драбини, штанги та тяга, канати вставки, навісні та опорні конструкції; полімерні ізолятори, гнучкі ізолятори та ізолювальні драбини.

ЗІЗ в ЕУ:

- захисні каски – для захисту голови;

- захисні окуляри і щитки – для захисту очей і обличчя;

- протигази і распіратори – для захисту органів дихання;

- рукавиці і рукавички – для захисту рук;

- запобіжні пояси і страхувальні канати (при роботах на висоті м і верхолазних м);

- інші спеціальні ЗІЗ.

 

Організаційні заходи безпеки

ОЗБ визначають певний порядок виконання робіт в ЕУ. Роботи в ЕУ стосовно їх організації поділяються на такі, що виконуються:

- за нарядом-допуском;

- за розпорядженням;

- в порядку поточної експлуатації.

Наряд-допуск – складене на спеціальному бланку розпорядження на безпечне проведення роботи, що визначає її зміст, місце, час початку і закінчення, необхідні заходи безпеки, склад бригади і осіб, відповідальних за безпечне виконання роботи.

За нарядом виконуються найбільш відповідальні роботи, які вимагають відповідної підготовки робочого місця:

- зі зняттям напруги;

- без зняття напруги на струмовідних частинах та поблизу них;

- без зняття напруги віддалік від струмопровідних частин, коли потрібне встановлення тимчасових огорож;

- з підійманням до 3м від рівня землі до ніг людини (роботи на висоті)

- з розбиранням конструкції опори;

- з відкопуванням стійок опори на глибину більше ніж 0, 5 м;

- із застосуванням вантаж підьомних машин і механізмів у РП чи охоронній зоні ПЛ та ін.

Наряд видається на термін до 15 календарних днів від дня початку роботи і може бути продовжений 1 раз на термін не більше 15 календарних днів від дня продовження.

Розпорядження – завдання на безпечне виконання роботи, що реєструється в журналі і визначає її зміст, місце, час, заходи безпеки (якщо вони вимагаються) і осіб, яким доручено її виконання. Має одноразовий характер і строк дії його обмежений тривалістю робочого дня.

За розпорядженням виконуються менш складні роботи, що не потребують підготовки робочого місця, а саме:

- роботи без зняття напруги віддалік від струмопровідних частин, що перебувають під наругою;

- роботи зі зняттям напруги в ЕУ напругою до 1 кВ та ін.

Поточна експлуатація – довготривале завдання на виконання оперативними чи оперативно-виробничими працівниками самостійно на закріпленої за ними дільниці на протязі зміни робіт за оформленим та затвердженним переліком.

В порядку робочої експлуатації можуть виконуватись такі роботи:

- без знятя напруги віддалік від струмопровідних частин, що перебувають під напругою (прибирання коридорів і службових приміщень, прибирання території, ремонт освітлювальної апаратури і заміна ламп);

- зі зняттям напруги в ЕУ до 1 кВ;

- обслуговування установок зовнішнього і внутрішнього освітлення;

- обслуговування цехових ЕУ та ін.

 

 


Поделиться с друзьями:

mylektsii.su - Мои Лекции - 2015-2026 год. (1.977 сек.)Все материалы представленные на сайте исключительно с целью ознакомления читателями и не преследуют коммерческих целей или нарушение авторских прав Пожаловаться на материал