Студопедия

Главная страница Случайная страница

КАТЕГОРИИ:

АвтомобилиАстрономияБиологияГеографияДом и садДругие языкиДругоеИнформатикаИсторияКультураЛитератураЛогикаМатематикаМедицинаМеталлургияМеханикаОбразованиеОхрана трудаПедагогикаПолитикаПравоПсихологияРелигияРиторикаСоциологияСпортСтроительствоТехнологияТуризмФизикаФилософияФинансыХимияЧерчениеЭкологияЭкономикаЭлектроника






Чертеж модельной плиты с моделью






По согласованию с руководителем курсового проекта студент может выполнить один из нескольких чертежей модельно-литейной оснастки, в том числе: чертеж модельной плиты с моделью и литниковой системой, чертеж стержневого ящика, чертеж отливки, эскиз сложного стержня и др.

Для закрепления модельного комплекта при формовке, для установки и крепления его к столу формовочной машины используют специальные плиты, называемые модельными (подмодельными). Они могут быть как деревянными, так и металлическими. Дополнительно к ним могут использоваться сменные деревянные или металлические вкладыши. Плиты делают односторонними и двусторонними. Для быстрой смены моделей при единичном и мелкосерийном производстве используют координатные плиты.

Каждая из модельных плит предназначается для определенного типоразмера опоки. При выборе модельных плит должны учитываться тип формовочной машины и механизм уплотнения смеси. В зависимости от назначения плит прорабатываются их конструктивные элементы. Для опочной формовки применяют односторонние модельные плиты (составные или цельнолитые). Литые плиты для формовки в съемных опоках изготовляют из легких алюминиевых или магниевых сплавов.

При серийном производстве деревянные или металлические модели монтируют на металлических односторонних плитах (рис. 8.17). При монтаже модель на плите фиксируют контрольными шпильками. Модель к плите крепят болтами, винтами или даже гвоздями, головки которых утапливают заподлицо с моделью.

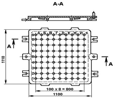
Координатные плиты могут быть литыми или сварными (рис. 8.18). Они отличаются от обычных модельных плит тем, что по всей плоскости плиты имеются базовые круглые отверстия одинакового размера, размещенные в шахматном порядке с одинаковым интервалом между осями. Эти отверстия предназначены для фиксации и крепления моделей к плите. Расстояние между осями может составлять 50, 100, 200 мм и более в зависимости от размеров модельных плит. Диаметр отверстий при расстоянии между осями до 100 мм принимают равным 12 мм; при расстоянии более 100 мм – 25 мм. Все вертикальные осевые линии на плите обозначают цифрами 1, 2, 3 и т.д., горизонтальные – буквами А, Б, В и т.д. Таким образом, каждое отверстие имеет свой шифр, например, Б6, Д4, Ж7. Деревянные модели и элементы литниковой системы для координатных плит изготовляют обычным способом. Для машинной формовки верхних и нижних полуформ используют одну и ту же координатную плиту, меняя лишь модели. К моделям делают также части литниковой системы с указанием на них шифров для размещения их на плитах.

 

Рис. 8.17. Схема расположения модели на модельной плите:

1 – штырь центрирующий; 2 – односторонняя модельная плита;

3 – верхняя половина модели; 4 – крепежный болт; 5 – штырь

направляющий; 6 – контрольный штифт;

7 – модели литниковой системы

 

Рис. 8.18. Конструкция координатной модельной плиты

 


Поделиться с друзьями:

mylektsii.su - Мои Лекции - 2015-2026 год. (1.329 сек.)Все материалы представленные на сайте исключительно с целью ознакомления читателями и не преследуют коммерческих целей или нарушение авторских прав Пожаловаться на материал