Студопедия

Главная страница Случайная страница

КАТЕГОРИИ:

АвтомобилиАстрономияБиологияГеографияДом и садДругие языкиДругоеИнформатикаИсторияКультураЛитератураЛогикаМатематикаМедицинаМеталлургияМеханикаОбразованиеОхрана трудаПедагогикаПолитикаПравоПсихологияРелигияРиторикаСоциологияСпортСтроительствоТехнологияТуризмФизикаФилософияФинансыХимияЧерчениеЭкологияЭкономикаЭлектроника






Кислотна обробка пласта, технологія проведення, різновиди процесу, реагенти, що використовуються в процесі






ЛЕКЦІЯ №2.6

Обладнання для КИСЛОТНОЇ ТА ТЕРМО-КІСЛОТНОЇ ОБРОБКИ ПРИВІБІЙНОЇ ЗОНИ ПЛАСТА

Кислотна обробка пласта, сутність процесу, особливості проведення. Технологія проведення та різновиди процесу кислотної обробки. Робочі реагенти, які застосовуються в процесі обробки пласта кислотними розчинами. Обладнання, яке використовується при проведенні кислотної обробки. Технічні показники. Термо-кислотна обробка пласта. Перспективні напрямки розвитку процесу кислотної та термо-кислотної обробки.

План лекції

Кислотна обробка пласта, технологія проведення, різновиди процесу, реагенти, що використовуються в процесі

Обладнання, яке використовується при проведенні кислотної обробки пласта

Термо-кислотна обробка пласта

Перспективні напрямки розвитку процесу кислотної та термо-кислотної обробки

Список використаної літератури

 

1) Эксплуатация и технология разработки нефтяных и газовых месторождений. М., «Недра», 1978. 356 с. Авт.: И. Д. Амелин, Р.С. Андриасов, Ш.К.Гиматудинов и др.

2) Справочная книга по теку щему и капитальному ремонту нефтяных и газовых скважин. А. Д. Амиров, К. А. Карапетов, Ф. Д. Лемберанский и др. М., Недра, 1979, с. 309.

3) Молчанов Г. В., Молчанов А. Г. Машины и оборудование для добычи нефти и газа. Учебник для вузов. – М.: Недра, 1984, 464 с.

4) А. И. Акульшин, В. С. Бойко, Ю. А. Зарубин, В. М. Дорошенко. Эксплуатация нефтяных и газових скважин. Учебник для техникумов – М.: Недра, 1989, 480 с.

5) Світлицький В.М., Ягодовський С.І., Галустян Г.Р. Поточний та капітальний ремонт свердловин - К.: Догос, 2001. - 344 с.

Кислотна обробка пласта, технологія проведення, різновиди процесу, реагенти, що використовуються в процесі

Соляно-кислотна обробка продуктивного пласта є одним з розповсюджених способів інтенсифікації припливу пластових флюїдів. Вона заснована на здатності кислоти активно розчиняти карбонатні породи з утворенням нових каналів, що призводить до збільшення проникності порід. Продукти, які одержуються, добре розчиняються у воді, що полегшує видалення їх з пласта.

Наведені нижче рівняння показують характер протікання процесу розчинення продуктивних порід:

для вапняку

2HCl + CaCO3 = CaCl2 + H2O+CO2;

для доломіту

4HCl + CaMg(CO3)2 = CaCl2 + MgCl2 + 2H2O + 2CO2.

Продукти реакції добре розчиняються у воді, що полегшує видалення їх із пласта в свердловину.

Кислотна обробка найбільш ефективна в початковий період експлуатації свердловини, оскільки в цей період пластовий тиск, який спричиняє уповільнення реакції, максимальний і можна створити найбільші депресії тиску між пластом і вибоєм, необхідні для видалення продуктів реакції.

При дії на пласт соляної кислоти остання реагує з породою як на стінках свердловини, так і в фільтраційних каналах, причому діаметр свердловини при цьому практично не збільшується. Більший ефект дає розширення поряних каналів і очищення їх від мулових і карбонатних матеріалів, розчинних у кислоті. Дослідження показують також, що під дією кислоти іноді утворюються вузькі довгі каверноподібні канали. При цьому помітно збільшується область дренування свердловин і їх дебіти. Тому солянокислотна обробка головним чином призначена для уведення кислоти в пласт, за можливістю – на значні від свердловини відстані, з метою розширення каналів, а також для очищення порового простору від мулистих утворень.

Глибина проникнення кислоти в активному стані в пласт залежить від швидкості реакції її з породою. Встановлено, що швидкість реакції залежить від хімічного складу порід, від об’єму кислоти, який приходиться на одиницю поверхні порід, від пластової температури і тиску.

З підвищенням температури активність кислоти збільшується. Швидкість реакції в залежності від складу порід збільшується в 1, 5-8 разів при підвищенні температури з 20 до 60° С. Швидкість взаємодії кислоти, як холодної, так і нагрітої до 60° С з породою не залежить від початкової концентрації кислоти (у межах концентрацій від 5 до 15% HCl).

Залежно від пластових умов в промисловій практиці використовують кислоту з концентрацією НС1 12...25%.

Вживання кислоти з концентрацією НС1 меншою за рівень 10...12% викликає необхідність нагнітати в пласт великі кількості води, внаслідок чого може ускладнитися процес освоєння свердловин після обробки пласта. Вживання кислоти з високою концентрацією також небажане, оскільки це приводить до виникнення в пористому середовищі насичених високов'язких розчинів хлористого кальцію і хлористого магнію, які також важко вивести з пласта. Крім того, ускладнюється боротьба з корозією труб і обладнання. Кислота з концентрацією НС1 вищою за 15...25% активно розчиняє не тільки вапняк і доломіт, але й гіпс, який легко випадає в осад і закупорює пори пласта. При більш високих концентраціях кислоти що утворюється в процесі реакції в порах пласта, хлористий кальцій не може повністю розчинятися в закачаній рідині, і його надлишок випадає в осад, знижуючи ефективність обробок.

Дослідженнями встановлено, що при солянокислотних обробках з одночасним глибоким охолодженням привибійної зони низькотемпературними агентами (наприклад, рідким азотом) концентрацію кислоти можна підвищувати. Реакційна здатність холодної кислоти значно менша, ніж у теплої тієї ж концентрації, тому холодну кислоту можна закачати в пласт на значну відстань.

Технологію кислотної обробки кожної свердловини слід вибирати з урахуванням пластових умов. У важкорозчинних породах швидкість реакції слід збільшувати (наприклад, шляхом підігрівання кислоти), а в добре розчинних карбонатних породах, не дивлячись на те, що пластовий тиск виявляється чинником, який значною мірою уповільнює реакцію, іноді доцільно додатково уповільнити дію кислоти, щоб забезпечити проникнення її в активному стані якнайдалі в пласт. Уповільнити реакцію можна за допомогою спеціальних реагентів – сповільнювачів. Швидкість нагнітання кислоти при цьому повинна бути за можливістю великою.

Для оцінювання ефективності дії кислоти на пласт в свердловинах доцільно проводити гідродинамічні дослідження до і після кислотної обробки.

Свердловину до оброблювання необхідно ретельно очистити від піску, бруду, парафіну і продуктів корозії. Для очищення її стінок від цементної і глиняної кірки і продуктів корозії на відкритому вибої і попередження потрапляння забруднюючих матеріалів в пористий простір пласта при подальших обробках рекомендується застосовувати кислотні ванни. При цьому кислоту закачують на забій свердловини і витримують її там, не протискаючи в пласт. Якщо встановлено, що в нижній частині пласта є підошовна вода, то низ свердловини ізолюють від дії кислоти. Для цього через експлуатаційні труби на вибій нагнітають бланкет (розчин хлористого кальцію густиною 1200-1300 кг/м3) або солону воду, густина якої на 100-150 кг/м3 більша за густину кислотного розчину. Вибій свердловини заливають розчинами хлористого кальцію і при роздільній або вибірковій обробці окремих зон розрізу. З цією ж метою можна застосовувати пакери і хімічні речовини, які вводяться в свердловину в рідкому вигляді і перетворюються там на гелі, які не змішуються з кислотою (наприклад, високов'язка емульсія розчину хлористого кальцію в нафті).

Частіше за все свердловини оброблюють за допомогою заливних насосно-компресорних труб згідно схеми, що наведена на рисунку 2.6.1. Спочатку свердловину заповнюють нафтою і створюють циркуляцію рідини (позиція А), потім в труби нагнітають заготовлений розчин соляної кислоти. Об’єм нафти, витісненої з свердловини через кільцевий простір, вимірюють в мірнику. Кількість першої порції кислоти, що нагнітається в свердловину, розраховують так, щоб вона заповнювала труби і кільцевий простір від башмака труб до верхньої межі пласта (позиція Б). Після цього закривають засувку на відводі із затрубного простору і залишки заготовленого кислотного розчину під тиском закачують в свердловину. Кислота при цьому поступає в пласт (положення В). Кислоту, що залишилася в трубах і в нижній частині свердловини, також продавлюють в пласт водою або нафтою (положення Г).

 

 

Рисунок 2.6.1 – Схема проведення кислотної обробки свердловини

 

За умови низького пластовому тиску в свердловинах не завжди вдається встановити циркуляцію при промивці нафтою унаслідок поглинання її пластом. В цьому випадку в свердловину прокачують з максимальною можливою швидкістю від 10 до 20 м3 нафти і при цьому спостерігають за положенням рівня в кільцевому просторі за допомогою ехолота або інших приладів. Встановивши, що рівень перестав підійматися, не перериваючи процес, в свердловину вслід за нафтою при тій же швидкості нагнітають весь розрахований об'єм кислоти, а потім закачують нафту для витіснення кислоти з труб.

Нагнітати кислоту в пласт необхідно з максимально можливою швидкістю, щоб кислота проникала на великі відстані від стовбура свердловини.

Кількість і концентрацію кислоти для обробки вибирають, виходячи з пластових умов. В свердловинах з високим пластовим тиском, за рахунок якого після обробки може бути створена підвищена депресія, застосовують розчин з вмістом кислоти – 15-25%. В свердловинах з невеликим пластовим тиском для поліпшення умов видалення продуктів реакції слід застосовувати розчин з вмістом кислоти – 15-25% (при більш високій концентрації утворюються високов'язкі продукти реакції, що важко видаляються з пор пласта при малих величинах депресії тиску). Верхні межі концентрацій рекомендуються для малопроникних, а нижні – для добре проникних порід. Об'єм кислоти, що нагнітається в пласт за рекомендаціями повинен складати 0, 4-1, 5 м3 на 1 м потужності оброблюваної частини пласта. Пру цьому 0, 4-0, 6 м3/м використовується для малопроникних порід; 0, 8-1 м3/м – для порід середньої проникності і 1-1, 5 м3/м – для порід із значною проникністю.

Термін витримування кислоти в пласті залежить від пластового тиску, діаметра свердловини, ступеня її забрудненості, складу і властивостей порід, наявності в розчині сповільнювачів реакції, і встановлюється експериментально за наслідками двох-трьох перших обробок і аналізу декількох проб виведеного на поверхню кислотного розчину. Термін витримування звичайно не перевищує 20-24 год.

Для кислотних обробок нагнітальних і експлуатаційних свердловин, що розкрили некарбонатні колектори, застосовують суміш соляної і плавикової кислот. Ця суміш розчиняє глиняні фракції і частково зерна кварцового піску.

Розрізняють декілька видів обробки свердловин соляною кислотою:

– кислотна ванна;

– проста кислотна обробка;

– кислотна обробка під тиском;

– кислотна обробка через гідромоніторні насадки;

– піно-кислотна обробка;

– газо-кислотна обробка і інші.

На промислах найбільш широко застосовуються перші три способи.

Кислотна ванна застосовується в свердловинах з відкритим стовбуром для очищення вибою і стінок від забруднюючих речовин – цементної і глиняної кірки, смолянистих речовин, парафіну, продуктів корозії і ін. Для свердловин, забій яких обсаджений колоною і перфорований, кислотні ванни проводити не рекомендують. Об'єм кислотного розчину приймають рівним об'єму свердловини від забою до верхньої межі оброблюваного інтервалу. Час витримування до нейтралізації кислоти для даного родовища встановлюється дослідним шляхом згідно вимірів її концентрації у відпрацьованому розчині. Звичайно для 15-20% концентрації кислоти воно складає 16-24 г. Після закінчення цього терміну при зворотному промиванні з опусканням труб на вибій свердловини очищують від забруднюючих речовин і продуктів реакції.

Проста кислотна обробка є найпоширенішим типом хімічної дії і здійснюються з обов'язковим продавлюванням кислоти в пласт. Вони призначені для хімічної дії на поровий простір привибійної зони пласта і очищення його від забруднюючого матеріалу.

Проста кислотна обробка, як правило, проводяться в ретельно промитих і підготовлених свердловинах без вживання підвищених температур і тиску. При відкритому вибої така обробка виконується тільки після кислотної ванни.

Перед проведенням обробки в свердловині проводять гідродинамічні дослідження (визначають коефіцієнт продуктивності, статичний і динамічний рівні, пластовий тиск, параметри пласта).

Схеми розташування обладнання при проведенні кислотної обробки наведені на рисунку 2.6.2 (а, б). Гирло свердловини обв'язують з насосною установкою типа УНЦ1-160-500К (АзИНМАШ-30А) і ємностями для кислоти і продавлювальної рідини. В якості продавлювальної рідини в переважній більшості випадків застосовують: для нафтових свердловин – дегазовану нафту; для нагнітальних – воду; для газових – воду або газоподібні агенти.

Весь процес оброблення свердловини можна розділити на три етапи:

– промивка свердловини і заповнення її рідиною;

– закачування розрахункового об'єму соляно-кислотного розчину;

– продавлення розчину в пласт продавлювальною рідиною в об'ємі, який дорівнює внутрішньому об'єму насосно-компресорних труб і стовбура свердловини від вибою до верхньої межі оброблюваного інтервалу.

 

а) б)

 

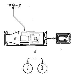
Рисунок 2.6.2 – Варіанти комплектації обладнання при кислотній обробці

а) 1 – ємність з кислотою; 2 – ємність з продав очною рідиною; 3 – ємність з кислотою на причепі; 4 – ємність для кислоти на агрегаті; 5 – гирло свердловини; 6 – насосна установка для закачування кислоти;

б) 1 – арматура устьова; 2 – манометр; 3 – насосно-компресорні труби; 4 – міжтрубний простір; 5 – призабійна зона; 6, 7 – насосні агрегати; 8, 9 – ємності; 10 – зворотний клапан; 11 – засувка; 12 – пусковий компресор

 

Після продавлювання кислотного розчину в пласт свердловину витримують протягом 2 годин за пластової температури 15-30°С; 1-1, 5 години за температури 30-60°С, а на більш високих температурах відразу приступають до освоєння свердловини, не залишаючи її на реагування.

Кислотна обробка під тиском. При простих соляно-кислотних обробках кислота проникає переважно у пропластки з високою проникливістю, додатково збільшуючи їх проникність. Пропластки з низькою проникливістю залишаються неохопленими. Для усунення цього недоліку, обумовленого шаруватою неоднорідністю пласта, застосовують кислотні обробки під тиском. Для цього чітко виражені високопроникні пропластки перед закачуванням кислоти тимчасово ізолюються пакерами або блокуються високов'язкими емульсіями типу " кислота в нафті". При подальшому закачуванні кислотного розчину під тиском відбувається глибоке проникнення кислоти в пласт і досягається більш повний обхват кислотною дією слабопроникних пропластків і ділянок, підвищуючи, тим самим, ефективність обробки. Тиск нагнітання або продавлювання кислоти в пласт підвищується в таких випадках до 15-30 МПа.

Схема розташування обладнання під час проведення соляно-кислотної обробки під тиском аналогічна наведеній вище. Спочатку на свердловині проводяться підготовчі роботи, які включають:

– видалення забійних пробок та парафінових відкладень;

– ізоляцію інтервалів, що обводнилися;

– вивчення продуктивного розрізу для виявлення місцеположення високопроникних (поглинаючих) інтервалів.

Для застереження обсадної колони від дії високого тиску у верхній межі розкритого пласта на насосно-компресорних трубах встановлюють пакер з якорем, а блокування високопроникних інтервалів здійснюють нагнітанням в них емульсії. Найкращі результати одержують при закачуванні емульсії з вмістом в ній соляної кислоти до 70-80% (інше нафта).

Залежно від способу і часу перемішування емульсій можна регулювати їх в'язкість. Об'єм нафтокислотної емульсії для закачування у високопроникні пропластки встановлюють звичайно рівним 1, 5-2, 5 м3 на 1 м товщини пласта.

Разом із звичайними солянокислотними обробками і обробками під тиском застосовують східчасту або поінтервальну обробку. Для цього всю товщину пласта розбивають на інтервали 10-20 м і за чергою, починаючи з верхнього, обробляють кожний інтервал самостійно. Ізоляція оброблюваних ділянок здійснюється за допомогою пакерів, різних хімічних ізолюючих речовин.

Для дії на відкриті вибої свердловин з метою руйнування щільних цементних кірок і інших забруднень, створення направлених каналів для подальшого гідравлічного розриву пласта, інтенсифікації формування каналів застосовують кислото-струменеву обробку або обробку через гідромоніторні насадки з каналом профілю стисненого струменя. Гідромонітором може служити піскоструминний перфоратор з попередньою заміною циліндрових або конічних насадок на насадки з каналами профілю стислого струменя, які забезпечують максимальну швидкість струменя, що виходить.

При значній товщині пласта і низькому пластовому тиску застосовують пінокислотну обробку. При цьому в пласт закачують аерований розчин кислоти і ПАР (поверхнево активні речовини) у вигляді піни. Для отримання піни до розчину кислоти додають 0, 1-0, 5% ПАР (ОП-7, ОП-10, катапін, дісолван й інші) і перемішують з повітрям (аерують). При таких обробках використовують кислотний агрегат, пересувний компресор і аератор. Схема обв’язки обладнання гирла показана на рисунку 2.6.3.

Рисунок 2.6.3 – Схема розміщення обладнання при піно-кислотній обробці свердловини:

1 – компресор; 2 – зворотній клапан; 3 – аератор; 4 – насосна установка для закачування кислоти; 5 – арматура гирла свердловини

 

Піно-кислотна обробка має ряд переваг перед звичайною обробкою:

· кислотна піна значно повільніше розчиняє карбонатні породи, сприяючи більш глибокому проникненню активної кислоти в пласт;

· кислотна піна володіє меншою густиною (400-800 кг/м3) і більшою в'язкістю ніж звичайна кислота, що дозволяє підвищити зону охоплення і діяти по товщині пласта;

· присутність ПАР і стисненого повітря в кислоті сприяє поліпшенню умов протоків нафти (знижується поверхневий натяг на межі “відпрацьований розчин-нафта”) і значно полегшується освоєння свердловини (при пониженні тиску після обробки стисле повітря збільшується в об'ємі).

Для кислотної обробки свердловин, яка розкрила теригенні колектори, які складаються переважно з силікатних речовин (кварцу) і каолінів, застосовують суміш соляної і фтористоводневої (плавикової) кислот, яку називають глино-кислотою.

При обробці свердловин до розчину соляної кислоти додають наступні реагенти:

1. Інгібітори – речовини, які знижують корозійну дію кислоти на обладнання, за допомогою якого розчин кислоти транспортують, перекачують і бережуть. Як інгібітори зазвичай використовують катапін-А, реагент В-2, карбозолін-О, реагент И-1-А і ін.

2. Інтенсифікатори – поверхнево-активні речовини (ПАВ), що знижують в 3-5 разів поверхневий натяг на межі «нафта – нейтралізована кислота», прискорюючі і полегшуючі очищення привибійної зони від продуктів реакції і кислоти, що відреагувала. До них відносяться марвелан До(0), реагент 4411, тержитол, катапін А, катамін А та ін.

3. Стабілізатори – речовини, які необхідні для утримання в розчиненому стані продуктів реакції, домішок розчину соляної кислоти із залізом, цементом і пісковиками, і, так само, для видалення з соляної кислоти шкідливої домішки – сірчаної кислоти і перетворення її в розчинну сіль барія.


Поделиться с друзьями:

mylektsii.su - Мои Лекции - 2015-2026 год. (1.121 сек.)Все материалы представленные на сайте исключительно с целью ознакомления читателями и не преследуют коммерческих целей или нарушение авторских прав Пожаловаться на материал