Студопедия

Главная страница Случайная страница

КАТЕГОРИИ:

АвтомобилиАстрономияБиологияГеографияДом и садДругие языкиДругоеИнформатикаИсторияКультураЛитератураЛогикаМатематикаМедицинаМеталлургияМеханикаОбразованиеОхрана трудаПедагогикаПолитикаПравоПсихологияРелигияРиторикаСоциологияСпортСтроительствоТехнологияТуризмФизикаФилософияФинансыХимияЧерчениеЭкологияЭкономикаЭлектроника






БІЛЕТ № 2






БІЛЕТ № 1

 

Розробити поведінкову VHDL-модель цифрового пристрою, логічна структура якого наводиться на рисунку. Кожен з логічних елементів, що застосовуються в схемі, слід реалізовувати у вигляді окремого об’єкта (entity) з урахуванням затримок часу при спрацюванні елементів, величини яких для кожного з типів логічних елементів задано в таблиці. Формування VHDL-моделі головного пристрою з структурних компонентів слід здійснювати за допомогою механізму компонентів та конфігурацій.

Для розробленої VHDL-моделі цифрового пристрою створити випробувальний стенд за допомогою якого перевірити правильність роботи пристрою при всіх можливих комбінаціях його вхідних сигналів. Частоту надходження вхідних векторів у випробувальному стенді визначити на основі обчислення максимального часу обновлення сигналу на виході спроектованого пристрою. У відповідь включити VHDL-коди випробувального стенду, розробленого пристрою та його компонентів, а також результати проведеного модельного експерименту, представлені у вигляді часових діаграм для вхідних, та вихідних сигналів пристрою.

Для розв’язання поставленої задачі слід використовувати середовище Active-HDL. В процесі роботи дозволяється використовувати засоби автоматичного генерування коду.

  Логічна схема пристрою Значення затримок в елементах
Елемент Величина затримки
Затримка наростання, нс Затримка спаду, нс
AND    
OR    
XOR    
NOT    

 

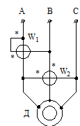
2. В коло електродвигуна Д з лінійною напругою 380 В включені два однакових ватметри W1 й W2, показання яких 398 Вт й 2670 Вт. Визначити активний та реактивний опори кожної фази еквівалентної двигуну зірки.

 

3. Розробити програму, що генерує на виводах мікроконтролера два сигнали прямокутної форми. Тактова частота мікроконтролера дорівнює 16 МГц. Перший сигнал має частоту 200 Гц (вивід RA3). Другий сигнал має частоту 30 Гц (вивід RA0).

4. Системи і види освітлення.

 

БІЛЕТ № 2

 

  1. Розробити поведінкову VHDL-модель зсувного регістра, число розрядів якого задається при включенні в складний об’єкт. Затримка часу при спрацюванні регістра складає 60 нс.

Для розробленої VHDL-моделі зсувного регістра на основі компонентів та конфігурацій створити випробувальний стенд, за допомогою якого перевірити правильність роботи пристрою при всіх можливих комбінаціях його вхідних сигналів. До відповіді включити VHDL-коди випробувального стенду та розробленого регістра, а також результати проведеного модельного експерименту, представлені у вигляді часових діаграм для вхідних та вихідних сигналів пристрою.

Для розв’язання поставленої задачі слід використовувати середовище Active-HDL. В процесі роботи дозволяється використовувати засоби автоматичного генерування коду

 

У колі . Визначити показання приладів.

  1. Транзисторний ключ за схемою з загальним емітером має параметри: ; мкА; В; В. В якості навантаження використовується опір в колі колектору кОм. Транзистор має бути насичений при В. При транзистор знаходиться у режимі відсічки. Розрахувати опір на вході транзисторного ключа та опір зміщення.

 

  1. Електричні травми та їх види.

 


 


Поделиться с друзьями:

mylektsii.su - Мои Лекции - 2015-2026 год. (1.088 сек.)Все материалы представленные на сайте исключительно с целью ознакомления читателями и не преследуют коммерческих целей или нарушение авторских прав Пожаловаться на материал