Студопедия

Главная страница Случайная страница

КАТЕГОРИИ:

АвтомобилиАстрономияБиологияГеографияДом и садДругие языкиДругоеИнформатикаИсторияКультураЛитератураЛогикаМатематикаМедицинаМеталлургияМеханикаОбразованиеОхрана трудаПедагогикаПолитикаПравоПсихологияРелигияРиторикаСоциологияСпортСтроительствоТехнологияТуризмФизикаФилософияФинансыХимияЧерчениеЭкологияЭкономикаЭлектроника






Экскаваторов






На гидравлических строительных экскаваторах основным рабочим оборудованием является обратная лопата. Это объясняется в основ­ном тем, что машина при этом виде оборудования может наиболее полно реализовать свои технические возможности в части мощности привода и усилий на рабочем органе.

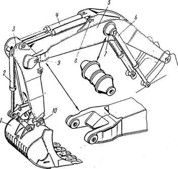
Рабочее оборудование обратная лопата состоит из стрелы, ру­кояти и ковша. Приведение их в движение осуществляется с помощью гидроцилиндров. Рукояти и ковши этого оборудования, выполненные фирмами разных стран, имеют, примерно, одинаковое конструктивное исполнение. Стрелы же имеют разнообразные решения.

Наибольшее распространение на строительных экскаваторах получила стрела 5 (рис. 4.3) моноблочного исполнения. Она изготовлена из легированного высокопрочного металлопроката и представляет сварную изогнутую по длине выпуклостью вверх коробчатую конструкцию. Концевые участки ее имеют форму вилки с вваренными в коробку отливками с проушинами. Нижним концом стрела присоединена к проушинам платформы с помощью осей. Расположенные здесь проушины у стрелы обычно носят название пяты, хотя передача нагрузки ими на платформу не всегда осуществляется их торцовой поверхностью, что является характерным для соединения пята-под­пятник.




 




 


 


Рис. 4.3. Рабочее оборудование обратная лопата с моноблочной стрелой.

Рукоять обратной лопаты (рис. 4.4) представляет собой пусто­телую коробчатую балку переменного по длине сечения. Средней частью она связана со стрелой и может поворачиваться относительно нее при втягивании или выдвижении штоков цилиндров, присоединен­ных к ее верхнему концу. Это присоединение достигается с помощью пальцев, входящих во втулки, которые вварены в боковые. стенки. Рукоять со стрелой соединена посредством пальца, который входит во втулки боковых стенок рукояти. Проушины верхней части стрелы при этом обычно расположены снаружи рукояти. Иногда палец для улучшения условий его работы и уменьшения длины и массы делают из двух частей, каждая из которых опирается по концам на две втулки, одна из них закреплена в стенке рукояти, а другая в приваренном к ней кронштейне.


Рис. 4.4. Одноковшовый строительный экскаватор.

Рабочее оборудование прямая лопата (рис. 4.5) на строитель­ных гидравлических экскаваторах не получило широкого распростра­нения. Этот вид оборудования в основном применяют на машинах с ковшом вместимостью более 1 м3. Оборудование прямая лопата состо­ит из стрелы 1, рукояти 4 и ковша 7, связанных между собой шарни­рами с пальцами 3 и 12 и с платформой шарниром 14. Обычно послед­ний расположен высоко над уровнем платформы, что необходимо для улучшения рабочих параметров машины.

Элементы оборудования перемещают с помощью гидроцилиндров 2, 5 и 6.

Длина стрелы прямой лопаты значительно меньше длины стрелы обратной лопаты. На машинах с составными стрелами для прямой ло­паты используют ее основную часть. Верхняя ее часть при этом слу­жит в качестве рукояти. При применении для прямой лопаты специ-


 


Рис. 4.5. Рабочее оборудование прямая лопата

с челюстным ковшом.

альной стрелы последняя обычно имеет прямолинейную по длине форму и выполняется сварной из листового высокопрочного проката с уста­новкой втулок в боковые стенки или в дополнительно приваренные проушины к ее полкам в местах соединения с прилегающими к ней элементами.

. Конструкция рукояти прямой лопаты аналогична конструкции стрелы. Верхним концом она соединена со стрелой, а нижним - с ковшом. На рукояти обычно закреплен один из концов гидроцилиндров поворота рукояти и ковша. Однако встречаются конструкции, где гидроцилиндр поворота ковша соединен не с рукоятью, а со стрелой (рис. 4.5). Это делает положение ковша зависимым от относительно-


го расположения стрелы и рукояти, что несколько усложняет управ­ление машиной в процессе копания, однако позволяет упростить конструкцию рукояти и выполнить ее меньших размеров.

Ковши при оборудовании машин прямой лопатой применяют в ос­новном трех видов.

Неповоротный ковш (рис. 4.6, а) среди них имеет наиболее давнюю историю. Он появился впервые на одноковшовых экскаваторах канатного типа около 150 лет назад. Этот ковш с успехом применяют для разработки грунтов всех категорий и состоит он из корпуса 1 и днища 2, связанного с ним шарнирно с помощью пальцев 5, которыми заканчиваются продольные криволинейные ребра, приваренные к нему снаружи и придающие ему нужную прочность и жесткость.

Рис. 4.6. Неповоротный и поворотный ковш прямой лопаты.

Корпус изготовляют из листового проката и литых деталей, со­единяемых в основном сваркой. Он имеет две боковые и заднюю стен­ки, выполненные из легированного металлопроката и усиленных по­верху поясами 9. Задняя стенка помимо этого иногда имеет несколь­ко поперечных и продольных ребер, часть из которых одновременно является проушинами с вваренными втулками, служащими для соедине­ния ковша с помощью пальцев и тяги 7 к рукояти 8 и нагешивания на нем днища 2.




 


Переднюю стенку чаще делают составной. Нижняя часть у нее листовая, а верхняя, приваренная к ней, литая. Последнюю обычно называют козырьком. Это наиболее нагруженная и изнашивающаяся часть ковша. Ее обычно отливают из марганцевистой стали и делают плоской или криволинейной выдающейся в средней части наружу и вперед. Козырек заканчивается впереди режущей кромкой (обычно при криволинейном исполнении)' или несет зубья 10. Для установки их козырек имеет отлитые карманы, в которые вставляют хвостовики зубьев, или к нему приваривают гнутые элементы или корни зуба по аналогии, как это делается у ковша обратной лопаты (рис. 4.7).

Рис. 4.7. Ковш обратной лопаты с полозьями и приваренными корнями зубьев.

Днище захлопывается и удерживается в закрытом состоянии за­совом под действием пружины при -переведении ковша в положение для начала копания. Это достигается автоматически путем выбора поло­жения пальцев на корпусе.


Для выгрузки грунта днище ковша открывается с помощью гидро­цилиндра.

Поворотный ковш (рис. 4.6, 5) представляет собой цельносварную конструкцию, состоящую из плоских боковых стенок и криволинейных передней и задней стенок, изготовленных как одно целое. Передняя стенка в верхней части прикреплена сваркой к литому козырьку. Последний, как и у неповоротного ковша может быть снабжен зубь­ями. Снаружи к передней стенке прикреплены сваркой продольные ребра. Они обычно являются продолжением зубьев и служат для пре­дохранения стенки от изнашивания.

Задняя стенка с наружной стороны имеет связанные с ней про­дольные и поперечные ребра и полосы. Они увеличивают прочность и жесткость ковша. В продольные ребра обычно вварены втулки. На этих участках они выполняют функции проушин для присоединения ковша к рукояти (пальцем 14) и закрепления на нем тяг 16 для по­ворота его гидроцилиндром 15.

В последнее время на машинах четвертой и большей размерных групп получил применение поворотный раскрывающийся ковш, чаще но­сящий название челюстного ковша. Он имеет заднюю стенку 9 и кор­пус 8 в виде челюсти, который составляют передняя стенка, осна­щенная козырьком с зубьями, и две боковые стенки.

Погрузочное рабочее оборудование на большинстве строительных экскаваторов состоит из тех же элементов, что и оборудование пря­мая лопата. Однако при длительной работе машины с этим видом обо­рудования целесообразно вместо стандартного ковша лопаты приме­нять специальный погрузочный ковш. Его вместимость может превы­шать объем ковша лопаты, примерно, в 1, 5...2 раза, а это позволя­ет существенно поднять производительность машины при работе с этим видом оборудования. В основном вместимость ковша повышается путем увеличения ширины подобного по конструкции поворотного ков­ша лопаты.




 



Поделиться с друзьями:

mylektsii.su - Мои Лекции - 2015-2026 год. (1.535 сек.)Все материалы представленные на сайте исключительно с целью ознакомления читателями и не преследуют коммерческих целей или нарушение авторских прав Пожаловаться на материал