Студопедия

Главная страница Случайная страница

КАТЕГОРИИ:

АвтомобилиАстрономияБиологияГеографияДом и садДругие языкиДругоеИнформатикаИсторияКультураЛитератураЛогикаМатематикаМедицинаМеталлургияМеханикаОбразованиеОхрана трудаПедагогикаПолитикаПравоПсихологияРелигияРиторикаСоциологияСпортСтроительствоТехнологияТуризмФизикаФилософияФинансыХимияЧерчениеЭкологияЭкономикаЭлектроника






Вимоги до обладнання






Відеотермінали, ЕОМ, ПЕОМ, спеціальні периферійні пристрої ЕОМ та устаткування для обслуговування, ремонту та налагодження ЕОМ повинні відповідати вимогам чинних в Україні стандартів, нормативних актів з охорони праці та цих Правил. Відеотермінали, ЕОМ, ПЕОМ, спеціальні периферійні пристрої ЕОМ закордонного виробництва додатково повинні відповідати вимогам національних стандартів держав-виробників і мати відповідну позначку на корпусі, в паспорті або іншій експлуатаційній документації.

За способом захисту людини від ураження електричним струмом відеотермінали, ЕОМ, периферійні пристрої ЕОМ та устаткування для обслуговування, ремонту та налагодження ЕОМ повинні відповідати I класу захисту згідно з ГОСТ 12.2.007.0 " ССБТ. Изделия электротехнические. Общие требования безопасности" та ГОСТ 25861-83 " Машины вычислительные и системи обработки данных. Требования электрической и механической безопасности и методы испытаний" або повинні бути заземлені відповідно до ДНАОП 0.00-1.21-98 (z0093-98).

Є неприпустимим використання клем функціонального заземлення для підключення захисного заземлення.

Вимоги щодо допустимих значень неіонізуючого електромагнітного випромінювання:

- напруженість електромагнітного поля на відстані 50 см навкруги ВДТ за електричною складовою не повинна перевищувати:

у діапазоні частот 5 кГц - 2 кГц - 25 В/м,

у діапазоні частот 2 кГц - 400 кГц - 2, 5 В/м;

- щільність магнітного потоку не повинна перевищувати:

у діапазоні частот 5 кГц - 2 кГц - 250 нТл,

у діапазоні частот 2 кГц - 400 кГц - 25 нТл;

- поверхневий електростатичний потенціал не повинен перевищувати 500 В;

- потужність дози рентгенівського випромінювання на відстані 5 см від екрану та інших поверхонь ВДТ не повинна перевищувати 100 мкР/год.

Вимоги до клавіатури:

- виконання клавіатури у вигляді окремого пристрою з можливістю вільного переміщення;

- наявність опорного пристрою, який дає змогу змінювати кут нахилу клавіатури в межах від 5 град. до 15 град. і виготовлений з матеріалу з великим коефіцієнтом тертя, що перешкоджає його переміщенню;

- висота на рівні переднього ряду не більше 15 мм;

- виділення кольором та місцем розташування окремих груп клавіш;

- наявність заглиблень посередині клавіш;

- однаковий хід всіх клавіш з мінімальним опором натисканню 0, 25 Н та максимальним - не більше 1, 5 Н;

- виділення кольором на клавішах символів різних алфавітів (англійського, українського або російського).

Вимоги безпеки під час обслуговування, ремонту та налагодження ЕОМ

Монтаж, обслуговування, ремонт та налагодження ЕОМ, заміна деталей, пристроїв, блоків повинні здійснюватись тільки при повному відключенні живлення.

Забороняється з'єднувати та роз'єднувати кабелі при підключеній напрузі.

У тих випадках, коли монтаж, обслуговування, ремонт та налагодження ЕОМ або її пристроїв, блоків при відключеному живленні неможливі, виконання цих робіт допускається за умови додержання таких вимог:

- устаткування, допоміжна апаратура та прилади повинні бути заземлені;

- роботи виконуються не менше ніж двома працівниками;

- працівники повинні виконувати роботу інструментом з ізольованими ручками, стоячи на діелектричному килимку, або бути в діелектричних калошах.

Засоби захисту та інструмент необхідно щоразу перед застосуванням оглянути і при виявленні несправностей негайно заміняти.

Користування несправними захисними засобами та інструментом є неприпустимим.

Під час виконання ремонтних робіт слід користуватись електроінструментом, напруга живлення якого не перевищує 36 В.

Вимоги до розміщення устаткування та організації робочих місць

Організація робочого місця користувача відеотерміналу та ЕОМ повинна забезпечувати відповідність усіх елементів робочого місця та їх розташування ергономічним вимогам ГОСТ 12.2.032 " ССБТ. Рабочее место при выполнении работ сидя. Общие эргономические требования"; характеру та особливостям трудової діяльності.

Площа, виділена для одного робочого місця з відеотерміналом або персональною ЕОМ, повинна складати не менше 6 кв.м, а обсяг - не менше 20 куб.м.

Робочі місця з відеотерміналами відносно світлових прорізів повинні розміщуватися так, щоб природне світло падало збоку, переважно зліва.

При розміщенні робочих місць з відеотерміналами та персональними ЕОМ необхідно дотримуватись таких вимог:

- робочі місця з відеотерміналами та персональними ЕОМ розміщуються на відстані не менше 1 м від стін зі світловими прорізами;

- відстань між бічними поверхнями відеотерміналів має бути не меншою за 1, 2 м;

- відстань між тильною поверхнею одного відеотермінала та екраном іншого не повинна бути меншою 2, 5 м;

- прохід між рядами робочих місць має бути не меншим 1 м.

Організація робочого місця користувача ЕОМ повинна забезпечувати відповідність усіх елементів робочого місця та їх розташування ергономічним вимогам відповідно до ГОСТ 12.2.032-78 " ССБТ. Рабочее место при выполнении работ сидя. Общие эргономические требования", з урахуванням характеру та особливостей трудової діяльності.

Конструкція робочого місця користувача відеотерміналу (при роботі сидячи) має забезпечувати підтримання оптимальної робочої пози з такими ергономічними характеристиками: ступні ніг - на підлозі або на підставці для ніг; стегна - в горизонтальній

площині; передпліччя - вертикально; лікті - під кутом 70 - 90 град. до вертикальної площини; зап'ястя зігнуті під кутом не більше 20 град. відносно горизонтальної площини, нахил голови -

15 - 20 град. відносно вертикальної площини.

Висота робочої поверхні столу для відеотерміналу має бути в межах 680 - 800 мм, а ширина - забезпечувати можливість виконання операцій в зоні досяжності моторного поля.

Рекомендовані розміри столу: висота - 725 мм, ширина - 600 - 1400 мм, глибина - 800 - 1000 мм.

Робочий стіл для відеотерміналу повинен мати простір для ніг висотою не менше 600 мм, шириною не менше 500 мм, глибиною на рівні колін не менше 450 мм, на рівні витягнутої ноги - не менше 650 мм.

Робоче сидіння (сидіння, стілець, крісло) користувача відеотерміналу та персональної ЕОМ повинно мати такі основні елементи: сидіння, спинку та стаціонарні або знімні підлокітники. У конструкцію сидіння можуть бути введені додаткові елементи, що не є обов'язковими: підголовник та підставка для ніг.

Робоче сидіння користувача відеотерміналу та персональної ЕОМ повинно бути підйомно-поворотним, таким, що регулюється за висотою, кутом нахилу сидіння та спинки, за відстанню спинки до переднього краю сидіння, висотою підлокітників.

Регулювання кожного параметра має бути незалежним, плавним або ступінчатим, мати надійну фіксацію. Хід ступінчатого регулювання елементів сидіння має становити для лінійних розмірів 15 - 20 мм, для кутових - 2 - 5 град. Зусилля під час регулювання не повинні перевищувати 20 Н.

Клавіатуру слід розміщувати на поверхні столу або на спеціальній, регульовуваній за висотою, робочій поверхні окремо від столу на відстані 100 - 300 мм від краю, ближчого до працівника. Кут нахилу клавіатури має бути в межах 5 - 15 град.

Робоче місце з відеотерміналом слід оснащувати пюпітром (тримачем) для документів, що легко переміщується.

Пюпітр (тримач) для документів повинен бути рухомим та встановлюватись вертикально (або з нахилом) на тому ж рівні та відстані від очей користувача ЕОМ, що і відеотермінал.

Розміщення принтера або іншого пристрою введення-виведення інформації на робочому місці має забезпечувати добру видимість екрану відеотермінала, зручність ручного керування пристроєм введення-виведення інформації в зоні досяжності моторного поля: по висоті 900 - 1300 мм, по глибині 400 - 500 мм.

Під матричні принтери потрібно підкладати вібраційні килимки для гасіння вібрації та шуму.

При потребі високої концентрації уваги під час виконання робіт з високим рівнем напруженості суміжні робочі місця з відеотерміналами та персональними ЕОМ необхідно відділяти одне від одного перегородками висотою 1, 5 - 2 м.

Організація робочого місця, яке передбачає використання ЕОМ для управління технологічним обладнанням (станки з програмним управлінням, роботизовані технологічні комплекси, обладнання для гнучкого автоматизованого виробництва тощо), повинна передбачати:

- достатній простір для людини-оператора;

- вільну досяжність органів ручного управління в зоні моторного поля: відстань по висоті - 900 - 1330 мм, по глибині - 400 - 500 мм;

- розташування екрана відеотермінала в робочій зоні, яке забезпечувало б зручність зорового спостереження у вертикальній площині під кутом плюс-мінус 30 град. від лінії зору оператора, а також зручність використання відеотермінала під час коригування керуючих програм одночасно з виконанням основних виробничих операцій.

2. Підбір матеріалів для дипломного проекту на тему: Обслуговування комп’ютерної системи на базі материнської плати Gigabyte GA-73PVM-S2

2. 1 Загальна частина

2.1.1 Історія фірми Gigabyte

GIGABYTE була заснована в 1986 році, створення наших незаперечних позиції в безперервних технологічних інновацій. Зосередивши увагу на ключові технології та досягнення суворим стандартам якості, компанія GIGABYTE стала розглядатися як інноваційні та надійні материнські плати лідером у світі. Щоб іти в ногу у швидко мінливому світі, ми запропонували повну лінійку продуктів охоплює материнські плати, відеокарти, Компоненти ПК, периферійних пристроїв ПК, ноутбуки, Шифер пристроїв, настільних ПК, Мережеві комунікації, серверів і мобільних телефонів. Ми націлені на створення повного спектру цифрового життя, відповідаючи швидко і дзвінко споживчих потреб і бажань.

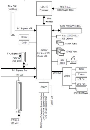
2.1.2 Архітектура системної плати Gigabyte GA-73PVM-S2

Мал.- 11 блок схема системної плати

2.1.3 Специфікація мікропроцесора Intel Core 2 Duo E8500

Essentials
Статус End of Life
Дата выпуска Q1'08
Номер процессора E8500
Количество ядер  
Тактовая частота 3.16 GHz
Кэш-память 2 уровня 6 MB
Соотношение ядер и шин 9.5
Частота системной шины 1333 MHz
Четность системной шины No
Набор команд 64-bit
Доступные варианты для встраиваемых систем No
Литография 45 nm
Макс. расч. мощность 65 W
Диапазон напряжения VID 0.8500V-1.3625V
Рекомендуемая цена для покупателей TRAY: $183, 00 BOX: $200, 00
Package Specifications
TCASE 72.4°C
Размер корпуса 37.5mm x 37.5mm
Размер ядра процессора 107 mm2
Кол-во транзисторов в ядре процессора 410 million
Поддерживаемые разъемы LGA775
Доступны опции с низким уровнем содержания галогенов См. декларацию MDDS
       

 

Advanced Technologies
Технология Intel® Turbo Boost No
Технология Intel® Hyper-Threading No
Технология Intel® Virtualization (VT-x) Yes
Технология Intel® Virtualization Technology for Directed I/O (VT-d) Yes
Технология Intel® Trusted Execution Yes
Новые команды AES No
Архитектура Intel® 64 Yes
Состояния простоя Yes
Усовершенствованная технология Intel SpeedStep® Yes
Технология Intel® Demand Based Switching No
Технологии термоконтроля Yes
Функция Execute Disable Bit Yes
Ядро Wolfdale
Кэш L1 64 Кб x2
Кэш L2 6144 КБ

2.1.4 Порівняльна таблиця процесорів

Табл. – 1 порівняння процесорів


Поделиться с друзьями:

mylektsii.su - Мои Лекции - 2015-2026 год. (0.743 сек.)Все материалы представленные на сайте исключительно с целью ознакомления читателями и не преследуют коммерческих целей или нарушение авторских прав Пожаловаться на материал