Студопедия

Главная страница Случайная страница

КАТЕГОРИИ:

АвтомобилиАстрономияБиологияГеографияДом и садДругие языкиДругоеИнформатикаИсторияКультураЛитератураЛогикаМатематикаМедицинаМеталлургияМеханикаОбразованиеОхрана трудаПедагогикаПолитикаПравоПсихологияРелигияРиторикаСоциологияСпортСтроительствоТехнологияТуризмФизикаФилософияФинансыХимияЧерчениеЭкологияЭкономикаЭлектроника






Балка подкрановая крайних рядов колонн






Колонна средних рядов

Наименование Значение
Обозначение К2
Марка 16К.10.8-1
Класс бетона В 30
Расход бетона 3, 8 м3
Марка стали А III
Расход стали 256 кг
Масса 9, 5 т

  ДП 270107 лист
 
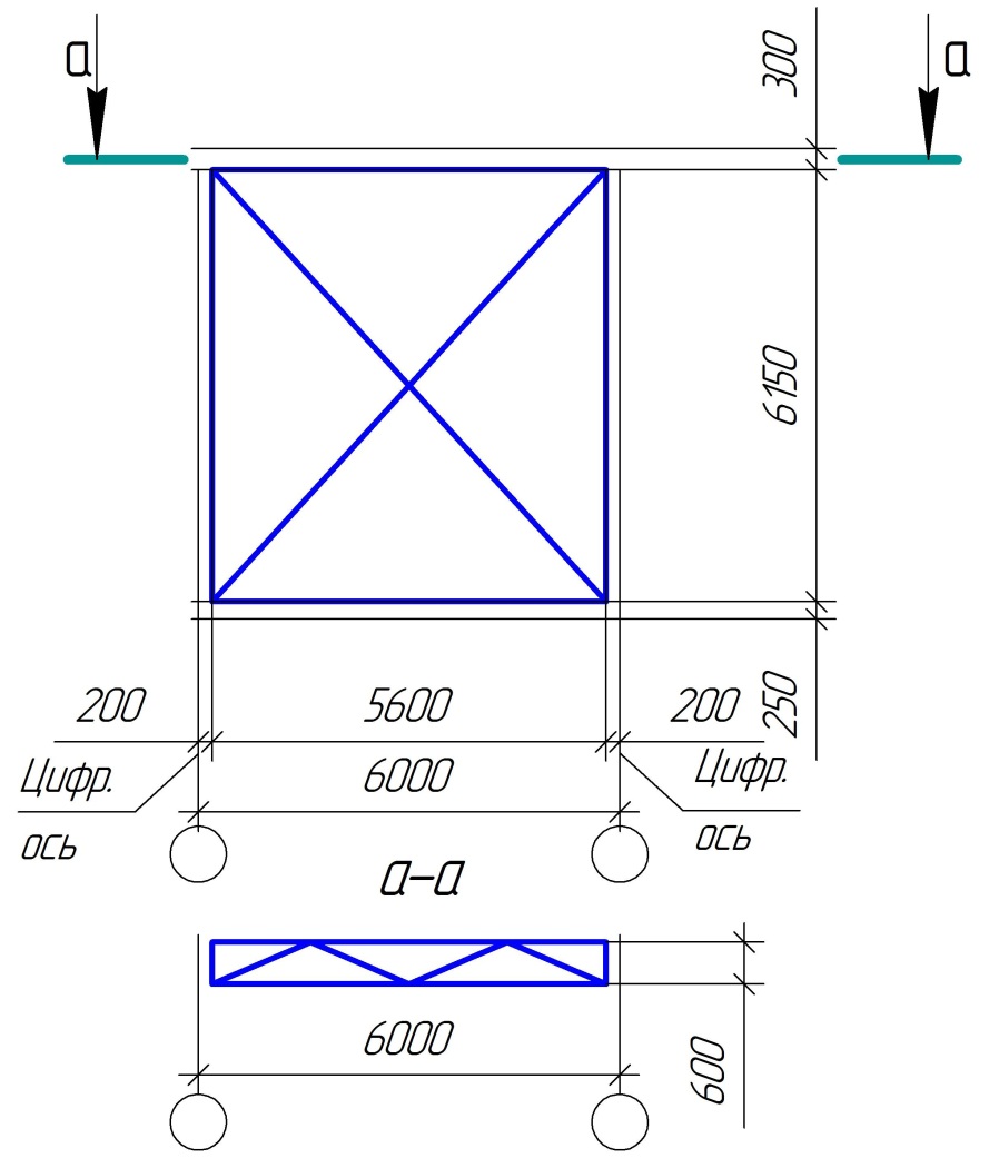
  2.3 Вертикальная связь крайних рядов колонн
Наименование Значение
Обозначение С1
Марка ВС 6
Масса 815 кг

 

2.4 Вертикальная связь средних рядов колонн

 

 

 

Наименование Значение
Обозначение С2
Марка ВС 71
Масса 2053 кг
  ДП 270107 лист
 

 

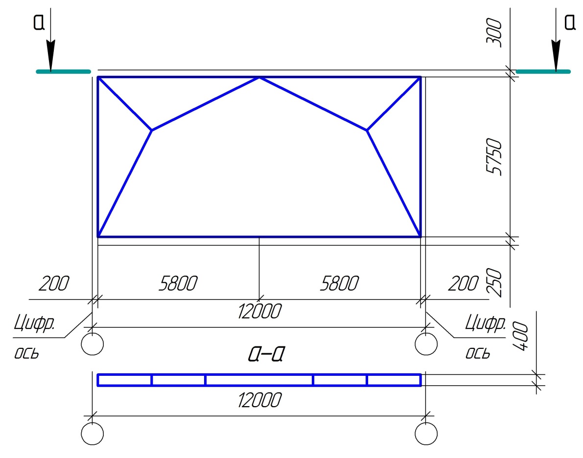
2.5 Ферма стропильная железобетонная безраскосная

 

Наименование Значение
Обозначение Ф
Марка Сф5 М 18-1А-IIIВ
Класс бетона В 30
Расход бетона 3, 8 м3
Расход стали 606 кг
Масса 9, 5 т

Ферма подстропильная

Наименование Значение
Обозначение ФП
Марка  
Класс бетона В 25
Расход бетона 3, 52 м3
Расход стали 599 кг
Масса 8, 8 т
  ДП 270107 лист
 

 

Балка подкрановая крайних рядов колонн

 

 

Наименование Значение
Обозначение БП1
Марка БК6-3А IV-C
Грузоподъёмность 15/3 т
Класс бетона В 25
Расход бетона 1, 4 м3
Марка стали А III
Расход стали 219 кг
Масса 3, 5 т

Поделиться с друзьями:

mylektsii.su - Мои Лекции - 2015-2026 год. (1.296 сек.)Все материалы представленные на сайте исключительно с целью ознакомления читателями и не преследуют коммерческих целей или нарушение авторских прав Пожаловаться на материал