Студопедия

Главная страница Случайная страница

КАТЕГОРИИ:

АвтомобилиАстрономияБиологияГеографияДом и садДругие языкиДругоеИнформатикаИсторияКультураЛитератураЛогикаМатематикаМедицинаМеталлургияМеханикаОбразованиеОхрана трудаПедагогикаПолитикаПравоПсихологияРелигияРиторикаСоциологияСпортСтроительствоТехнологияТуризмФизикаФилософияФинансыХимияЧерчениеЭкологияЭкономикаЭлектроника






QS1 – высоковольтный выключатель нагрузки






 

Коммутационные аппараты (выключатели) предназначены для осуществления оперативной и аварийной коммутации в энергосистемах, для выполнения операций включения и отключения отдельных цепей при ручном или автоматическом управлении. Во включенном состоянии выключатели должны беспрепятственно пропускать токи нагрузки. Характер режима работы этих аппаратов несколько необычен: нормальным для них считается как включенное состояние, когда они обтекаются током нагрузки, так и отключенное, при котором они обеспечивают необходимую электрическую изоляцию между разомкнутыми участками цепи. Коммутация цепи, осуществляемая при переключении выключателя из одного положения в другое, производится нерегулярно, время от времени, а выполнение им специфических требований по отключению возникающего в цепи короткого замыкания чрезвычайно редко.

Выключатели должны надежно выполнять свои функции в течение срока службы (25 лет), находясь в любом из указанных состояний, и одновременно быть всегда готовыми к мгновенному эффективному выполнению любых коммутационных операций, часто после длительного пребывания в неподвижном состоянии. Отсюда следует, что они должны иметь очень высокий коэффициент готовности: при малой продолжительности процессов коммутации (несколько минут в год) должна быть обеспечена постоянная готовность к осуществлению коммутаций.

Среди основных параметров выключателей высокого напряжения следует выделить группу номинальных параметров, присущих всем типам выключателей и определяющих условия их работы.

К основным номинальным параметрам выключателей в соответствии с рекомендациями Международной электротехнической комиссии (МЭК) относятся:

- номинальное напряжение Uном;

- наибольшее рабочее напряжение Uн.р;

- номинальный уровень изоляции;

- номинальная частота fном;

- номинальный ток Iном;

- номинальный ток отключения Iо.ном;

- номинальный ток включения Iв.ном;

- номинальное переходное восстанавливающееся напряжение (ПВН) при КЗ на выводах выключателя;

- номинальные характеристики при неудаленных КЗ; номинальная длительность КЗ;

- номинальная последовательность операций (номинальные циклы);

- нормированные показатели надежности и др.


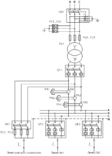
Рис.1 Электрическая схема комплектной трансформаторной подстанции (КТП)

 

К параметрам, характерным для воздушных выключателей, следует отнести номинальное давление и расход воздуха, необходимые для проведения операций включения и отключения, нижний предел давления для производства отдельных операций.


Поделиться с друзьями:

mylektsii.su - Мои Лекции - 2015-2026 год. (1.387 сек.)Все материалы представленные на сайте исключительно с целью ознакомления читателями и не преследуют коммерческих целей или нарушение авторских прав Пожаловаться на материал