Студопедия

Главная страница Случайная страница

КАТЕГОРИИ:

АвтомобилиАстрономияБиологияГеографияДом и садДругие языкиДругоеИнформатикаИсторияКультураЛитератураЛогикаМатематикаМедицинаМеталлургияМеханикаОбразованиеОхрана трудаПедагогикаПолитикаПравоПсихологияРелигияРиторикаСоциологияСпортСтроительствоТехнологияТуризмФизикаФилософияФинансыХимияЧерчениеЭкологияЭкономикаЭлектроника






Длина моста 300 м






 

Вариант 9

 
 

 

Длина моста 320 м

 

 

Условные обозначения:

 
 

 


 

Приложение 2

Данные анкерных участков

(для нечетного пути)

 

Вариант «0»

 

La – длина анкерного участка, м;

l – длина пролета между опорами, м.

  Анкерный участок     Данные анкерных участков по предпоследней цифре шифра    
                   
I   La l                    
III   La l                    
V   La l                    
VII   La l                    
IX   La l                    
XI   La l                    
XIII   La l                    

14

 

Вариант 1

 

    Анкерный участок     Данные анкерных участков по предпоследней цифре шифра  
                   
I La                    
l                    
III La                    
l                    
V La                    
l                    
VII La                    
l                    
IX La                    
l                    
XI La                    
l                    
XIII La                    
l                    

 

 

15

Вариант 2

 

    Анкерный участок     Данные анкерных участков по предпоследней цифре шифра  
                   
I La                    
l                    
III La                    
l                    
V La                    
l                    
VII La                    
l                    
IX La                    
l                    
XI La                    
l                    
XIII La                    
l                    

 

 

 

 

16

Вариант 3

 

  Анкерный участок     Данные анкерных участков по предпоследней цифре шифра    
                   
I   La l                    
III   La l                    
V   La l                    
VII   La l                    
IX   La l                    
XI   La l                    
XII   La l                    

 

 

17

Вариант 4

 

  Анкерный участок   Данные анкерных участков по предпоследней цифре шифра    
                   
I   La l                    
III   La l                    
V   La l                    
VII   La l                    
IX   La l                    
XI   La l                    
XII   La l                    

 

 

18

Вариант 5

 

  Анкерный участок   Данные анкерных участков по предпоследней цифре шифра    
                   
I   La l                    
III   La l                    
V   La l                    
VII   La l                    
IX   La l                    
XI   La l                    
XII   La l                    

 

 

19

Вариант 6

  Анкерный участок Данные анкерных участков по предпоследней цифре шифра
                   
I   La l                    
III   La l                    
V   La l                    
VII   La l                    
IX   La l                    
XI   La l                    
XIII   La l                    

 

 

Вариант 7

 

  Анкерный участок   Данные анкерных участков по предпоследней цифре шифра    
                   
I   La l                    
III   La l                    
V   La l                    
VII   La l                    
IX   La l                    
XI   La l                    
XIII   La l                    

 

 

Вариант 8

 

  Анкерный участок   Данные анкерных участков по предпоследней цифре шифра    
                   
I   La l                    
III   La l                    
V   La l                    
VII   La l                    
IX   La l                    
XI   La l                    
XIII   La l                    

 

22

Вариант 9

  Анкерный участок   Данные анкерных участков по предпоследней цифре шифра    
                   
I   La l                    
III   La l                    
V   La l                    
VII   La l                    
IX   La l                    
XI   La l                    
XIII   La l                    

 

 


Приложение 3

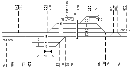
Схемы станций

(выбираются по двум последним цифрам шифра)

 

Варианты 08, 28, 48, 68, 88

 
 

Высота пешеходного мостика – 8.3 м

Ширина пешеходного мостика – 4.0 м

 

Варианты 09, 29, 49, 69, 89

 


Высота пешеходного мостика – 7.8 м

Ширина пешеходного мостика – 4.5 м

Варианты 12, 32, 52, 72, 92

 

 
 

 

 

Высота пешеходного мостика – 7.5 м

Ширина пешеходного мостика – 5.0 м

 

Варианты 01, 21, 41, 61, 81

 
 

Высота пешеходного мостика – 8.3 м

Ширина пешеходного мостика –4.5 м

Варианты 03, 23, 43, 63, 83

 

 
 

Высота пешеходного мостика – 7.9 м

Ширина пешеходного мостика –3.0 м

 

 

Варианты 04, 24, 44, 64, 84

 
 

 

Высота пешеходного мостика – 6.8 м

Ширина пешеходного мостика – 4.0 м

 

 

 

Nbsp; Варианты 15, 35, 55, 75, 95

 

 

Высота пешеходного мостика – 8.3 м

Ширина пешеходного мостика – 3.5 м

 

Nbsp; Варианты 06, 26, 46, 66, 86

 

Высота пешеходного мостика – 8.0 м

Ширина пешеходного мостика – 3.0 м

 

 


Варианты 07, 27, 47, 67, 87

 

 
 

Высота пешеходного мостика – 8.3 м

Ширина пешеходного мостика – 4.0 м

 

Варианты 10, 30, 50, 70, 90

 
 

 

 

Высота пешеходного мостика – 8.2 м

Ширина пешеходного мостика – 5.0 м

 

 

 
 

Варианты 18, 38, 58, 78, 98

 

Высота пешеходного мостика – 7.0 м

Ширина пешеходного мостика – 4.0 м

 

 

Варианты 19, 39, 59, 79, 99

 
 

 

Высота пешеходного мостика – 8.3 м

Ширина пешеходного мостика – 5.0 м

 

 

Варианты 11, 31, 51, 71, 91

 
 

 

 

Высота пешеходного мостика – 6.5 м

Ширина пешеходного мостика – 5.0 м

 

Варианты 02, 22, 42, 62, 82

 
 

 

 

Высота пешеходного мостика – 8.4 м

Ширина пешеходного мостика – 5.0 м

 

 

Варианты 13, 33, 53, 73, 93

 
 

 

 

Высота пешеходного мостика – 7.6 м

Ширина пешеходного мостика – 3.5 м

 

 

Варианты 04, 34, 54, 74, 94

 
 

 

 

Высота пешеходного мостика – 7.3 м

Ширина пешеходного мостика – 3.0 м

 

 

Варианты 05, 25, 45, 65, 85

 
 

 

 

Высота пешеходного мостика – 7.2 м

Ширина пешеходного мостика – 3.0 м

 

Варианты 16, 36, 56, 76, 96

 
 

 

 

Высота пешеходного мостика – 6.8 м

Ширина пешеходного мостика – 5.0 м

 

 

 
 

Варианты 17, 37, 57, 77, 97

 

Высота пешеходного мостика – 8.2 м

Ширина пешеходного мостика – 4.5 м

 

 

Варианты 20, 40, 60, 80, 00

 


 

Высота пешеходного мостика – 7.5 м

Ширина пешеходного мостика – 4.0 м

 

Приложение 4

 

Данные контактной подвески и линий электропередач

на опорах контактной сети перегона

 

 

Вариант Несущий трос Проход несущего троса по мосту Линия электропередачи с полевой стороны Марка и сечение проводов Род тока Контактный провод
Предпоследняя цифра шифра   М-75 Под порталом ДПР АС-50 Переменный МФ-100
Усиливающий А-185
  ПБСМ-95 Выше портала ДПР АС-35 Переменный МФ-100
Усиливающий А-185
  М-120 С анкеровкой на портал ПЭ-10 кВ АС-35 Постоянный 2МФ-100
Усиливающий 2А-185
  ПБСМ-95 Выше портала ДПР АС-35 Переменный МФ-100
Усиливающий А-185
  ПБСМ-70 Под порталом ПЭ-10 кВ АС-50 Переменный МФ-100
Усиливающий А-185
  М-120 Под порталом ПЭ-10 кВ АС-35 Постоянный 2МФ-100
Усиливающий 2А-185
  ПБСМ-95 С анкеровкой на портал ДПР АС-50 Переменный МФ-100
Усиливающий А-185
  М-120 С анкеровкой на портал ПЭ-10 кВ АС-35 Постоянный 2МФ-100
Усиливающий 2А-185
  ПБСМ-95 Под порталом ДПР АС-35 Переменный МФ-100
Усиливающий А-185
  М-120 Выше портала ПЭ-10 кВ АС-35 Постоянный 2МФ-100
Усиливающий 3А-185

Приложение 5

 

Подвеска на главных путях станции

 

Предпоследняя цифра шифра Варианты Несущий трос Контактный провод Тип поперечин Род тока
  М-95 МФ-100 Жесткие Переменный
  ПБСМ-95 МФ-100 Жесткие Переменный
  М-120 2МФ-100 Жесткие Постоянный
  ПБСМ-70 МФ-100 Жесткие Переменный
  ПБСМ-95 МФ-100 Жесткие Переменный
  М-120 2МФ-100 Жесткие Постоянный
  ПБСМ-95 МФ-100 Жесткие Переменный
  М-120 МФ-100 Жесткие Постоянный
  ПБСМ-95 МФ-100 Жесткие Переменный
  М-120 2МФ-100 Жесткие Постоянный

 

 

34
Дополнительные данные

 

Показатели Исходные данные по предпоследней цифре шифра
                   
Число пар поездов в сутки                    
Минимальный интервал попутного следования, мин                    
Средняя скорость грузового поезда, км/ч Для всех вариантов – 75
Скорость движения рабочего поезда по перегону, км/ч                    
Стоимость простоя поезда, руб/ч 14, 8 14, 0 13, 8 14, 5 15, 0 14, 5 13, 7 14, 3 14, 2 15, 0

 

 


Поделиться с друзьями:

mylektsii.su - Мои Лекции - 2015-2026 год. (3.699 сек.)Все материалы представленные на сайте исключительно с целью ознакомления читателями и не преследуют коммерческих целей или нарушение авторских прав Пожаловаться на материал