Студопедия

Главная страница Случайная страница

КАТЕГОРИИ:

АвтомобилиАстрономияБиологияГеографияДом и садДругие языкиДругоеИнформатикаИсторияКультураЛитератураЛогикаМатематикаМедицинаМеталлургияМеханикаОбразованиеОхрана трудаПедагогикаПолитикаПравоПсихологияРелигияРиторикаСоциологияСпортСтроительствоТехнологияТуризмФизикаФилософияФинансыХимияЧерчениеЭкологияЭкономикаЭлектроника






Работа №5. Изучение конструкции одноковшового экскаватора и расчет его производительности






1. Исходные данные:

· Месячный объем разработки грунта

· Вид рабочего оборудования экскаватора: прямая лопата

· Расстояние транспортировки грунта

 

2. Состав задания:

2.1. Изучить схемы приводов и конструктивные схемы одноковшовых экскаваторов

2.2. Выбрать экскаватор для разработки определенного объема грунта и определить его эксплуатационную производительность

2.3. Произвести подбор автотранспорта к экскаватору

 

3. Выполнение задания:

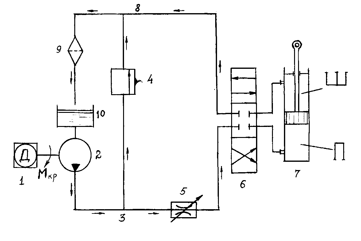
3.1.1. Схема гидростатического привода:

1. Дизель

2. Объемный насос

3. Напорный трубопровод

4. Предохранительный клапан

5. Дроссель

6. Трехпозиционная секция распределителя

7. Гидроцилиндр

8. Сливной трубопровод

9. Фильтр

10. Бак для рабочей жидкости

П- поршневая и Ш- штоковая полости гидроцилиндра

 

 

3.5.1. Экскаватора с рабочим оборудованием обратная лопата:

1. Стрелоподъемный канат

2. Стрела

3. Рукоять

4. Подъемный канат

5. Разгрузочный канат

 

 

3.5.2. Рабочее оборудование прямой лопаты экскаватора:

1. Стрелоподъемный канат

2. Стрела

3. Рукоять

4. Подъемный канат

 

3.5.3. Экскаватор драглайн:

1. Стрелоподъемный канат

2. Стрела

3. Рукоять

4. Подъемный канат

5. Тяговый канат

3.5.4. Принципиальная схема многомоторного дизель-электрического привода экскаватора драглайн:

1. Дизель

2. Фрикционная муфта

3. Электрический генератор

4. Распределительное устройство

5. Пуско-регулирующее устройство

6. Электродвигатель

7. Соединительная муфта и колодочный тормоз

8. Редуктор

9. Исполнительный механизм

 

3.5.5. Кинематическая схема привода двухбарабанной лебедки:

1. Электродвигатель

2. Соединительная муфта

3. Редуктор

4. Фрикционная пневмокамерная муфта

5. Ленточный тормоз

6. Барабан тяговой лебедки

7. Барабан лебедки подъема ковша

 

3.2. Выбор экскаватора и определение его эксплуатационной производительности:

3.2.1. Так как месячный объем разработки грунта , то подбираем экскаватор ЭО-4121 с объемом ковша .

3.2.2.

3.2.3.

 

3.3. Определение количества самосвалов:

3.3.1. Так как расстояние транспортировки грунта и объем ковша , то подбираем автосамосвал КамАЗ-5511 с грузоподъемностью 10 т.

 

3.3.2.

 

 

3.3.3.

 

3.3.4.

 

Литература

1. Грубник Г.А. Методические указания к лабораторной работе «Составление схемы многомоторного привода одноковшового экскаватора и определение основных параметров».Л., 1977, 15 с.

2. Лейко В.С. Строительные машины и механизмы в энергетическом строительстве. М., Машиностроение, 1985, 222 с.

 

 


Поделиться с друзьями:

mylektsii.su - Мои Лекции - 2015-2026 год. (1.244 сек.)Все материалы представленные на сайте исключительно с целью ознакомления читателями и не преследуют коммерческих целей или нарушение авторских прав Пожаловаться на материал