Студопедия

Главная страница Случайная страница

КАТЕГОРИИ:

АвтомобилиАстрономияБиологияГеографияДом и садДругие языкиДругоеИнформатикаИсторияКультураЛитератураЛогикаМатематикаМедицинаМеталлургияМеханикаОбразованиеОхрана трудаПедагогикаПолитикаПравоПсихологияРелигияРиторикаСоциологияСпортСтроительствоТехнологияТуризмФизикаФилософияФинансыХимияЧерчениеЭкологияЭкономикаЭлектроника






Нанесение размеров, уклонов, отметок, надписей






5.11 Размерную линию на ее пересечении с выносными линиями, линиями контура или осевыми линиями ограничивают засечками в виде толстых основных линий длиной 2 - 4 мм, проводимых с наклоном вправо под углом 45° к размерной линии на 1 - 3 мм.

При нанесении размера диаметра или радиуса внутри окружности, а также углового размера размерную линию ограничивают стрелками. Стрелки применяют также при нанесении размеров радиусов и внутренних скруглений.

5.12 Отметки уровней (высоты, глубины) элементов конструкций, оборудования, трубопроводов, воздуховодов и др. от уровня отсчета (условной «нулевой» отметки) обозначают условнымзнаком в соответствии с рисунком 4 и указывают в метрах с тремя десятичными знаками, отделенными от целого числа запятой.

«Нулевую» отметку, принимаемую, как правило, для поверхности какого-либо элемента конструкций здания или сооружения, расположенного вблизи планировочной поверхности земли, указывают без знака; отметки выше нулевой - со знаком «+»; ниже нулевой - со знаком «-».

На видах (фасадах), разрезах и сечениях отметки указывают на выносных линиях или линиях контура в соответствии с рисунком 5, на планах - в прямоугольнике в соответствии с рисунком 6, за исключением случаев, оговоренных в соответствующих стандартах СПДС.

Рисунок 4 Рисунок 5 Рисунок 6

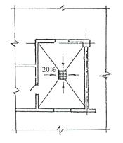
5.13 На планах направление уклона плоскостей указывают стрелкой, над которой, при необходимости, проставляют величину уклона в процентах в соответствии с рисунком 7 или в виде отношения высоты и длины (например, 1: 7).

Допускается, при необходимости, величину уклона указывать в промилле, в виде десятичной дроби с точностью до третьего знака. На чертежах и схемах перед размерным числом, определяющим величину уклона, наносят знак «Ð», острый угол которого должен быть направлен в сторону уклона.

Обозначение уклона наносят непосредственно над линией контура или на полке линии-выноски.

5.14 Выносные надписи к многослойным конструкциям следует выполнять в соответствии с рисунком 8.

Рисунок 7 Рисунок 8

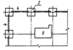
5.15 Номера позиций (марки элементов) наносят на полках линий-выносок, проводимых от изображений составных частей предмета, рядом с изображением без линии-выноски или в пределах контуров изображенных частей предмета в соответствии с рисунком 9.

При мелкомасштабном изображении линии-выноски заканчивают без стрелки и точки.

Рисунок 9

5.16 Размер шрифта для обозначения координационных осей и позиций (марок) должен быть на один - два номера больше, чем размер шрифта, принятого для размерных чисел на том же чертеже.


Поделиться с друзьями:

mylektsii.su - Мои Лекции - 2015-2026 год. (0.592 сек.)Все материалы представленные на сайте исключительно с целью ознакомления читателями и не преследуют коммерческих целей или нарушение авторских прав Пожаловаться на материал