Студопедия

Главная страница Случайная страница

КАТЕГОРИИ:

АвтомобилиАстрономияБиологияГеографияДом и садДругие языкиДругоеИнформатикаИсторияКультураЛитератураЛогикаМатематикаМедицинаМеталлургияМеханикаОбразованиеОхрана трудаПедагогикаПолитикаПравоПсихологияРелигияРиторикаСоциологияСпортСтроительствоТехнологияТуризмФизикаФилософияФинансыХимияЧерчениеЭкологияЭкономикаЭлектроника






Система строчной синхронизации






При импульсной синхронизации каждый синхроимпульс воздействует на задающий генератор, и если этим импульсом оказывается помеха, то искажается строка (или несколько строк) изображения. Отделение синхроимпульсов от импульсов помехи по амплитудному признаку с точки зрения помехоустойчивости системы синхронизации неэффективно. Поэтому устойчивость системы синхронизации достигается другим, более эффективным методом. Этот метод носит название фазовой автоподстройки частоты (ФАПЧ). Метод синхронизации с помощью схемы ФАПЧ основывается на характерном признаке различия между синхроимпульсами и импульсами помехи. Это различие заключается в том, что синхроимпульсы имеют постоянный период следования, тогда как импульсы помехи возникают хаотически и поэтому не имеют строго постоянного периода следования. Схема ФАПЧ сравнивает частоту и фазу колебаний строчного генератора с частотой и фазой приходящих строчных синхроимпульсов, находящихся в составе ПЦТС. В случае расхождения этих частот (или фаз) соответствующая схема автоподстройки, воздействуя на задающий каскад генератора строчной развёртки, изменит его фазу до нужного совпадения. Импульсы помехи, не имеющие определённой частоты следования, в такой схеме с автоподстройкой практически не влияют на работу схемы синхронизации.

Особенность такого метода синхронизации заключается ещё и в том, что он обладает инерционностью; здесь происходит сравнение частот за относительно большой промежуток времени, определяемый постоянной времени схемы автоподстройки.

Схемы синхронизации методом ФАПЧ используются в генераторах строчной развёртки. Генераторы кадровой развёртки не нуждаются в ФАПЧ, так как синхроимпульсы, подаваемые в кадровый задающий генератор, предварительно проходят через интегрирующую цепь, которая, кроме строчных синхроимпульсов, эффективно подавляет короткие импульсы помехи.

В состав системы строчной синхронизации входит система фазовой автоподстройки опорного генератора (ФАП – 1) и система фазовой автоподстройки задающего генератора строчной развёртки (ФАП – 2).

Система фазовой автоподстройки опорного генератора (ФАП-1)

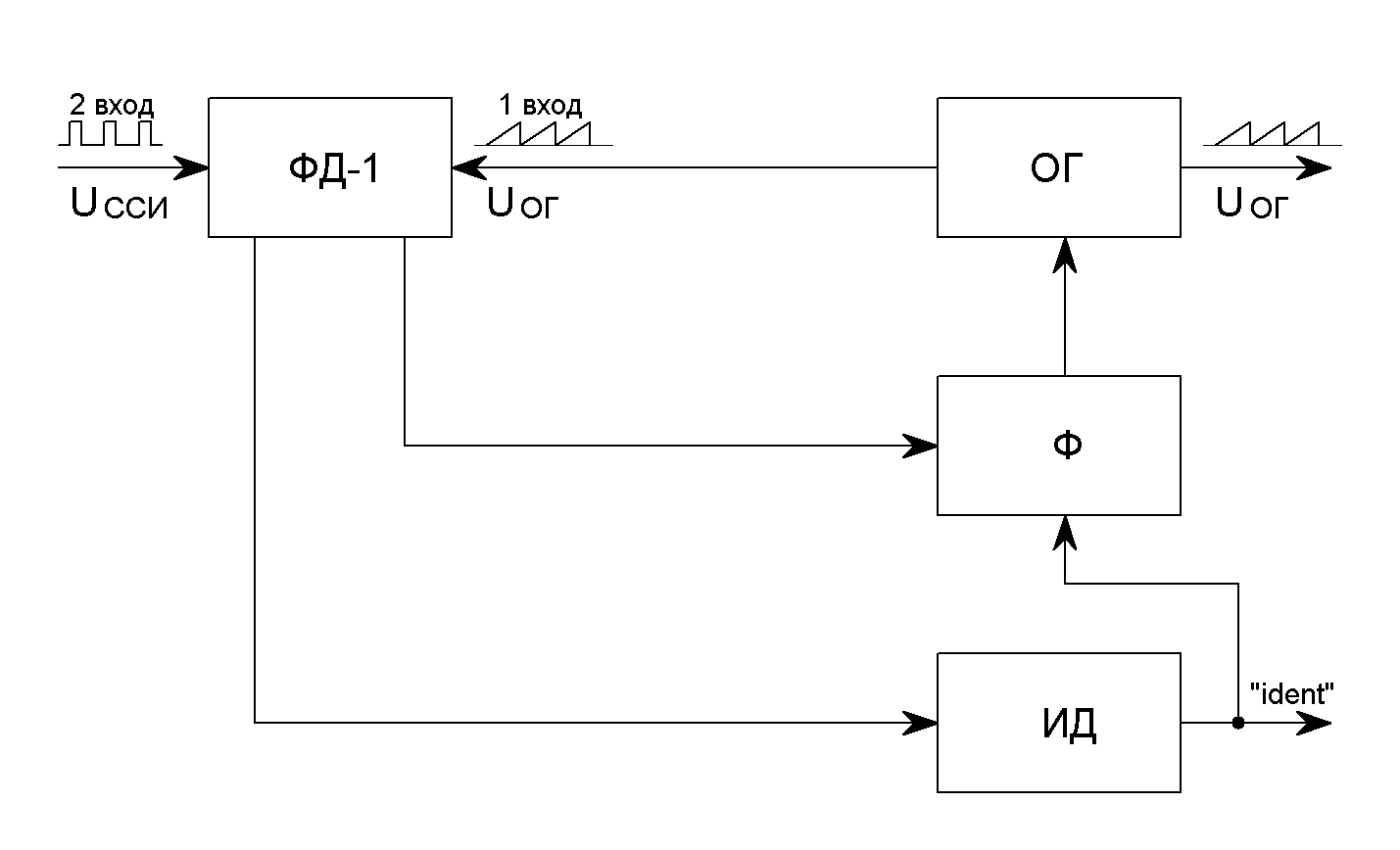
предназначена для «привязки» фазы (временного положения) напряжения опорного генератора (ОГ) к фазе синхроимпульса строк. Она состоит из опорного генератора (ОГ), фазового детектора (ФД), фильтра (Ф) и идентификатора (Ид). Функциональная схема системы фазовой автоподстройки опорного генератора приведена на рис.6.7.

Рис. 6.7. Функциональная схема системы фазовой автоподстройки

опорного генератора

ФД-1 – фазовый детектор; ОГ – опорный генератор; Ф – фильтр;

ИД – идентификатор.

 

Опорный генератор вырабатывает пилообразное напряжение, используемое для формирования сигналов, управляющих работой всей системой синхронизации ТВ-приёмника. ОГ работает в автоколебательном режиме.

Напряжение с выхода опорного генератора UОГ подаётся на вход фазового детектора (ФД-1). На второй вход ФД-1 поступают синхроимпульсы строк UССИ от селектора синхроимпульсов. При изменении взаимного временного положения сигналов на входах ФД-1 на выходе его появляется напряжение, величина и знак которого определяется временным расположением одного сигнала относительно другого. Напряжение с выхода фазового детектора через фильтр низких частот Ф поступает на схему ОГ и сдвигает по времени пилообразное напряжение генератора до тех пор, пока не будет устранено временное рассогласование между входными сигналами ФД-1.

Система ФАП-1 может работать в двух режимах: режиме поиска-захвата и в режиме слежения за частотой и фазой сигнала синхронизации.

Режим поиска-захвата наступает с момента подачи ПЦТС на вход системы синхронизации. В этом режиме ФАП-1, изменяя частоту следования сигналов ОГ, обнаруживает сигнал синхронизации и уменьшает начальное рассогласование сигналов на входе фазового детектора. Полоса захвата системы обычно выбирается ± 1 кГц. В цепи ФАП-1 используется фильтр (Ф) с широкой полосой пропускания. Широкая полоса пропускания обеспечивает быстродействие системы и возможность отработать значительное по величине начальное рассогласование входных сигналов ФД-1. По окончании режима поиска-захвата система ФАП-1 переходит в режим слежения.

В режиме слежения ФАП-1 отрабатывает сравнительно медленные уходы частоты и фазы ОГ, вызванные нестабильностью его работы. Полоса удержания системы ФАП-1 составляет ± 1, 5 кГц. В этом режиме не требуется высокое быстродействие, но предъявляются требования по обеспечению высокой защищённости от посторонних сигналов, которые могут поступать на вход ФД-1 вместе с сигналами синхронизации. Поэтому в режиме слежения полоса пропускания фильтра (Ф) по команде сигнал «Ident» уменьшается. Сигнал «Ident» свидетельствует об обнаружении сигнала ТВ-вещания и синхронизации опорного генератора. Сигнал «Ident» вырабатывается системой идентификации (Ид).

Система фазовой автоподстройки задающего генератора строчной развёртки (ФАП-2) предназначена для устранения временного рассогласования между током строчной развёртки и принятым сигналом изображения. Известно, что инерционные свойства мощного транзистора выходного каскада строчной развёртки приводят к тому, что после окончания активной части строки электронный луч кинескопа продолжает двигаться к правому краю экрана. В результате такого нарушения синфазности развёртки и передаваемого изображения на правом краю экрана изображение будет отсутствовать. Для устранения этого эффекта предназначена система ФАП-2.

Функциональная схема системы ФАП-2 показана на рис.6.8.

Рис. 6.8. Функциональная схема автоподстройки задающего генератора

строчной развёртки

 

Система ФАП-2 состоит из фазового детектора (ФД-2), фильтра (Ф), задающего генератора строчной развёртки (ЗГс), буферного каскада устройства строчной развёртки (БК) и выходного каскада строчной развёртки (ВК).

Схема работает следующим образом. Импульс обратного хода строчной развёртки (UОХ) с выходного каскада (ВК) поступает на первый вход фазового детектора (ФД-2). На второй вход ФД-2 поступает напряжение опорного генератора (UОГ). Напряжение UJU жёстко привязано по времени к синхроимпульсам строк, а следовательно, и к строчным гасящим импульсам.

ФД-2 вырабатывает постоянное напряжение, зависящее от рассогласования между фазой UОГ, соответствующей гасящему импульсу строк в ПЦТС, и временем прихода импульсов обратного хода. Это напряжение через фильтр (Ф) поступает на задающий генератор строчной развёртки.

ЗГс с помощью напряжения опорного генератора UОГ вырабатывает прямоугольные импульсы UЗГ, из которых буферный каскад формирует сигналы, управляющие работой выходного каскада. Напряжение с выхода фильтра (Ф) управляет временным положением переднего фронта UЗГ. Этим самым регулируется момент времени отпирания транзистора выходного каскада, а значит, и временное положение импульса обратного хода (UОХ). Импульс UОХ сдвигается по времени до тех пор, пока не будет устранено временное рассогласование между сигналами, поступающими на входы фазового детектора. Диапазон изменения переднего фронта импульса UЗГ составляет порядка 15 – 25 мкс. Ошибка рассогласования фаз сигналов, поступающих на входы ФД-2, не превышает десятых долей микросекунды.

 


Поделиться с друзьями:

mylektsii.su - Мои Лекции - 2015-2026 год. (1.186 сек.)Все материалы представленные на сайте исключительно с целью ознакомления читателями и не преследуют коммерческих целей или нарушение авторских прав Пожаловаться на материал