Студопедия

Главная страница Случайная страница

КАТЕГОРИИ:

АвтомобилиАстрономияБиологияГеографияДом и садДругие языкиДругоеИнформатикаИсторияКультураЛитератураЛогикаМатематикаМедицинаМеталлургияМеханикаОбразованиеОхрана трудаПедагогикаПолитикаПравоПсихологияРелигияРиторикаСоциологияСпортСтроительствоТехнологияТуризмФизикаФилософияФинансыХимияЧерчениеЭкологияЭкономикаЭлектроника






Вимірювання напруги, експериментальне підтвердження закону Ома

З визначення закону Ома відомо, що сила струму дорівнює напрузі, поділеній на опору електричного кола.

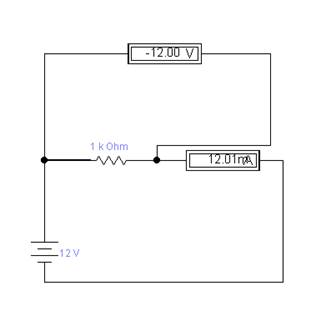
Варіант №1:

U(E)=12 В, R(R)=1 кОм, I=12 мА, R(V)=1 МОм, R(E)=0.

Схема №1

Теоретичне значення напруги дорівнює: U=I*R=1000*0.012=12 (В).

 

Схема №2

Згідно схеми практичне значення напруги дорівнює -12.00 В.

Практичне значення ідентично теоретичному.

Варіант №2:

Змінимо опір резистора, сила струму впаде в 2 рази.

U(E)=12 В, R(R)=2 кОм, I=6 мА, R(V)=1 Мом, R(E)=0.

І вирахуємо теоретичне значення опору цього кола:

U=I*R=2000*0.006=12 В.

Схема №3

Згідно схеми №3 значення напруги -12.00 В.

Практичне значення ідентично теоретичному.

Варіант №3:

Змінимо крипільні клемми вольтметра.

U(E)=12 В, R(R)=1 кОм, I=12 мА, R(V)=1 МОм, R(E)=0.

Вирахуємо теоретичне значення напруги в цьому випадку: U=I*R=1000*0.012=12 (В).

Схема №4

Як видно на схемі №4, значення напруги дорівнює 12.00 В.

Практичне значення ідентично теоретичному.

 

Варіант №4:

Змінимо опір резистора, сила струму впаде в 2 рази.

U(E)=12 В, R(R)=2 кОм, I=6 мА, R(V)=1 МОм, R(E)=0.

Теоретичне значення напруги дорівнює: U=I*R=2000*0.006=12 (В).

Схема №5

Згідно схеми №5 практичне значення напруги дорівнює 12.00 В.

Практичне значення ідентично теоретичному.

Варіант №5:

U(E)=12 В, R(R)=1 кОм, I=12 мА, R(V)=1 МОм, R(E)=0.

Підключимо вольтметр по іншому, як показано на схемі.

Схема №6

Вирахуємо теоретичне значення напруги: U=I*R=1000*0.012=12 (В).

Схема №7

Згідно схеми №7 теоретичне значення напруги дорівнює -12.00 В. Сила струму збільшмлася на 0.01 мА. Практичне значення ідентично теоретичному.

Варіант №6:

Змінимо опір резистора, сила струму впаде в 2 рази.

U(E)=12 В, R(R)=2 кОм, I=6 мА, R(V)=1 МОм, R(E)=0.

Схема №7

Вирахуємо теоретичне значення напруги: U=I*R=2000*0.006=12 (В).

Схема №8

Згідно схеми №8 значення напруги дорівнює -12.00 В. Сила струму збільшилася на 0.012 мА. Практичне значення ідентично теоретичному.


 

 

Висновок: Закон Ома був експериментально підтверджений. Дослідним шляхом було доведено, що напруга в колі прямо пропорціональна силі струму і зворотно пропорціональна опору кола (R джерела струму =0).

<== предыдущая лекция | следующая лекция ==>
Рекомендации по применению | Горение и пожароопасные свойства веществ.
Поделиться с друзьями:

mylektsii.su - Мои Лекции - 2015-2026 год. (1.218 сек.)Все материалы представленные на сайте исключительно с целью ознакомления читателями и не преследуют коммерческих целей или нарушение авторских прав Пожаловаться на материал