Студопедия

Главная страница Случайная страница

КАТЕГОРИИ:

АвтомобилиАстрономияБиологияГеографияДом и садДругие языкиДругоеИнформатикаИсторияКультураЛитератураЛогикаМатематикаМедицинаМеталлургияМеханикаОбразованиеОхрана трудаПедагогикаПолитикаПравоПсихологияРелигияРиторикаСоциологияСпортСтроительствоТехнологияТуризмФизикаФилософияФинансыХимияЧерчениеЭкологияЭкономикаЭлектроника






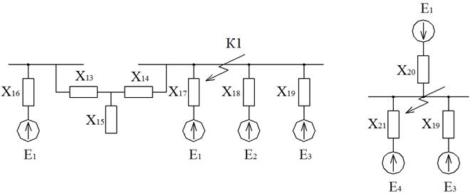
Расчет токов короткого замыкания в точка К1






Свернем схему замещения относительно точки короткого замыкания К1.

 

Определение начальных значений периодической составляющей тока производится по выражению:

 

где - э.д.с. ветви преобразованной схемы замещения, приведенная к ступени базисного напряжения, кВ; - базисное напряжение, кВ; - результирующее сопротивление ветви преобразованной схемы замещения относительно точки короткого замыкания, приведенное к ступени базисного напряжения, Ом; - среднее напряжение той ступени, на которой находится точка короткого замыкания, кВ.

Ветвь генератора, присоединенного к РУСН:

Ветвь генератора, присоединенного к РУВН:

Ветвь системы:

Суммарное значение

 

Определение ударного тока производится по выражению

,

где - начальное значение периодической составляющей тока короткого замыкания рассматриваемой ветви, кА; - ударный коэффициент.

Ветвь генератора, присоединенного к РУСН:

Ветвь генератора, присоединенного к РУВН:

Ветвь системы:

Суммарное значение

Определение периодической составляющей тока короткого замыкания для времени .

Значения периодической составляющих тока короткого замыкания для времени необходимо знать для выбора выключателей. Расчетное время, для которого требуется определить токи короткого замыкания, вычисляется как с, где - собственное время отключения выключателя; 0, 01 с - минимальное время действия релейной защиты.

Предварительно принимаем к установке элегазовый выключатель ВГТ-220-40/2500, у которого собственное время отключения и соответственно .

При определении действующего значения периодической составляющей тока короткого замыкания для моментов времени от 0 до 0, 5 с для генераторов рекомендуется метод типовых кривых. Типовые кривые показывают изменение во времени периодической составляющей тока короткого замыкания синхронных машин при различных удаленностях точки короткого замыкания и представляют собой семейство кривых:

при ,

где - действующее значение периодической составляющей тока синхронного генератора в месте короткого замыкания в момент времени после возникновения короткого замыкания; - начальное значение периодической составляющей тока генератора.

Составляющую для ветви РУСН определяем по типовым кривым следующим образом:

1) Для ветви РУСН номинальный ток генератора , приведенный к той ступени напряжения, где находится точка короткого замыкания:

 

кА,

 

где - число генераторов, присоединенных к РУСН; - номинальная активная мощность генераторов, МВт; - номинальный коэффициент мощности генераторов; - среднее напряжение той ступени, на которой находится точка короткого замыкания, кВ;

2) по ранее найденному начальному значению периодической составляющей тока генератора и значению определяем их отношение ;

3) по кривой, соответствующей найденному , для расчетного времени находят отношение

4) зная и , определяем для ветви генератора, присоединенного к РУСН кА.

Аналогичным образом определяем составляющую для ветви РУВН:

1) кА

2)

3)

4) кА.

 

Периодическую составляющую тока короткого замыкания от системы в расчетный момент времени определяют проще, полагая кА.

Суммарное значение

Определение апериодической составляющей тока короткого замыкания для времени .

 

Значение апериодической составляющей тока короткого замыкания в каждой ветви схем определим по формуле:

,

 

где - начальное значение периодической составляющей тока короткого замыкания рассматриваемой ветви, кА; - среднее значение постоянной времени затухания апериодической составляющей тока короткого замыкания ветви; - расчетное время отключения цепи выключателем, с.

Ветвь генератора, присоединенного к РУСН:

Ветвь генератора, присоединенного к РУВН:

Ветвь системы:

Суммарное значение

 


Поделиться с друзьями:

mylektsii.su - Мои Лекции - 2015-2026 год. (2.241 сек.)Все материалы представленные на сайте исключительно с целью ознакомления читателями и не преследуют коммерческих целей или нарушение авторских прав Пожаловаться на материал