Студопедия

Главная страница Случайная страница

КАТЕГОРИИ:

АвтомобилиАстрономияБиологияГеографияДом и садДругие языкиДругоеИнформатикаИсторияКультураЛитератураЛогикаМатематикаМедицинаМеталлургияМеханикаОбразованиеОхрана трудаПедагогикаПолитикаПравоПсихологияРелигияРиторикаСоциологияСпортСтроительствоТехнологияТуризмФизикаФилософияФинансыХимияЧерчениеЭкологияЭкономикаЭлектроника






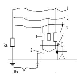
Защитное заземление, схема, расчет, принцип действия.






Защитное заземление- это преднамеренное электрическое соединение нетоковедущих частей оборудования с землей или ее эквивалентов. Смысл: устранение опасности поражения током в случае появления напряжения на нетоковедущих частях оборудования. Принцип действия - снижение силы тока до безопасных для человека значений.

1-плавкие предохранители

2-корпус оборудования

Rз- сопротивление защитного заземления

Rв- сопротивление вспомогательного заземления

Суть процесса заземления: человек, прикоснувшись к корпусу электроустановки, находящейся под напряжением из-за пробоя изоляции, включается в цепь замыкания параллельно заземляющему устройству. Токи обратно пропорциональны сопротивлениям, поэтому при наличии малого сопротивления, ток, проходящий через тело человека будет мал и безопасен.

 

Rз = = = =4 Ом

При U=220/380 В, Iкз< 10 A и напряжение на корпусе не более 40В

Заземляющие проводники соединяют с заземлителями и между собой сваркой, а с корпусами оборудования - сваркой и болтами.


Поделиться с друзьями:

mylektsii.su - Мои Лекции - 2015-2026 год. (3.499 сек.)Все материалы представленные на сайте исключительно с целью ознакомления читателями и не преследуют коммерческих целей или нарушение авторских прав Пожаловаться на материал