Студопедия

Главная страница Случайная страница

КАТЕГОРИИ:

АвтомобилиАстрономияБиологияГеографияДом и садДругие языкиДругоеИнформатикаИсторияКультураЛитератураЛогикаМатематикаМедицинаМеталлургияМеханикаОбразованиеОхрана трудаПедагогикаПолитикаПравоПсихологияРелигияРиторикаСоциологияСпортСтроительствоТехнологияТуризмФизикаФилософияФинансыХимияЧерчениеЭкологияЭкономикаЭлектроника






Рекуперативное торможение.






Вначале рассмотрим общие вопросы осуществления рекуперативного торможения. Для того, чтобы начался процесс рекуперации (отдачи электроэнергии в контактную сеть) необходимо выполнить три условия:

1. Перевести ТД в генераторный режим.

2. Суммарная ЭДС последовательно включенных ТД должна быть выше напряжения КС. Если суммарная ЭДС ТД окажется ниже напряжения КС, то ТД перейдут в тяговый режим.

3. Должен быть потребитель вырабатываемой электроэнергии. При отсутствии потребителя произойдет повышение напряжения на токоприемнике выше допустимого, что может привести к повреждению силового оборудования ЭПС.

Возможны следующие случаи осуществления рекуперативного торможения:

- на другой подвижной состав, находящийся в режиме тяги;

- на внешнюю энергосистему;

- на балластный резистор.

В случае отдачи энергии на балластный резистор торможение будет являться рекуперативным лишь в случае полезного использования тепла от балластного резистора (например, обогрев теплиц подсобного хозяйства и т.п.). В противном случае, несмотря на то, что производится отдача электроэнергии в контактную сеть, торможение следует считать реостатным.

Наиболее выгодным случаем является рекуперация на одной фидерной зоне. При этом наблюдаются наименьшие потери электроэнергии.

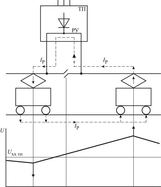
На практике баланс рекуперируемой и потребляемой электроэнергии встречается крайне редко. При неодновременном пуске-торможении может наблюдаться недостаток или избыток рекуперируемой электроэнергии. При недостатке электроэнергии происходит ее компенсация за счет тяговых подстанций. При избытке рекуперируемой электроэнергии возможна передача ее части на соседнюю фидерную зону на участках постоянного тока, так как возможен переток электроэнергии через распределительное устройство (РУ) тяговой подстанции. Рассмотрим условие, при котором такой процесс возможен.

При протекании тока рекуперации по тяговой сети в ней неизбежны потери: во-первых, мощности на нагрев проводов и рельсов; во-вторых, напряжения. Для того, чтобы осуществить передачу электроэнергии рекуперации на соседнюю фидерную зону, необходимо " запереть" ТП, т.е. уровень напряжения в контактной сети вблизи тяговой подстанции должен превысить напряжение холостого хода ТП U хх тп.

Рекуперация на внешнюю энергосистему на участке постоянного тока возможна, если тяговая подстанция оборудована выпрямительно-инверторным преобразователем. При повышении напряжения на выходе тяговой подстанции выше напряжения холостого хода, что свидетельствует о рекуперативном торможении какого либо ЭПС, система управления выпрямительно-инверторным преобразователем переводит его в режим инвертирования и электроэнергия начинает отдаваться во внешнюю энергосистему.

На участках переменного тока соседние фидерные зоны питаются от разных фаз, поэтому рекуперация возможна только на своей фидерной зоне. Однако, на участках переменного тока нет проблем с возвратом электроэнергии во внешнюю энергосистему – так как нет диодных выпрямительных установок на тяговых подстанциях.

Теперь перейдем к рассмотрению вопроса реализации рекуперации на ЭПС. Рассмотрим случай ТД последовательного возбуждения. При входе в режим рекуперации система описывается следующим уравнением:

.

Изобразим уравнение графически. Как следует из рисунка, кривые ЭДС и падения напряжения на активных сопротивлениях ТД могут иметь две точки пересечения. Точка а является точкой неустойчивого равновесия, т.к. при отклонении тока в большую сторону ЭДС самоиндукции стремится увеличить ток, а при отклонении в меньшую – уменьшить. При увеличении тока система попадает в новое положение равновесия а', которое является устойчивым, но при этом величина тока I' недопустима высока. При увеличении активного сопротивления в цепи торможения точка а' смещается в зону меньших токов, однако в этом случае увеличиваются потери энергии и снижается эффективность рекуперации. Следовательно, осуществить рекуперацию с ТД последовательного возбуждения очень сложно и на практике схема рекуперации с самовозбуждением не применяется.

На сеть постоянного тока устойчиво работают ТД независимого возбуждения (линия 1) и ТД встречно-смешанного возбуждения (линия 2). Из рисунка следует, что в этом случае точка а является точкой устойчивого равновесия.

Рассмотрим тормозные характеристики ТД независимого возбуждения. В установившемся режиме при m последовательно включенных ТД тормозной ток равен:

.

Из формулы следует, что зависимость I = ¦(V) представляет собой прямую линию, не проходящую через начало координат. При постоянстве тока возбуждения тормозная сила так же линейно зависит от скорости. Однако, вследствие размагничивающего влияния реакции якоря, тормозные характеристики в зоне больших токов якоря могут стать нелинейными (штриховая линия на рисунке). Величина V р min называется скоростью окончания рекуперации и зависит от уровня напряжения в контактной сети, соединения ТД (m) и тормозного тока:

.

На тормозные характеристики накладываются ограничения: по коммутации; по току якоря; по току возбуждения; по сцеплению; по максимальной скорости.

Регулировать тормозную силу при рекуперативном торможении возможно, как следует из формулы, изменяя ток возбуждения.

Рекуперативное торможение с независимым возбуждением обладает теми же преимуществами и недостатками, что и реостатное торможение с независимым возбуждением.



Поделиться с друзьями:

mylektsii.su - Мои Лекции - 2015-2026 год. (4.682 сек.)Все материалы представленные на сайте исключительно с целью ознакомления читателями и не преследуют коммерческих целей или нарушение авторских прав Пожаловаться на материал