Студопедия

Главная страница Случайная страница

КАТЕГОРИИ:

АвтомобилиАстрономияБиологияГеографияДом и садДругие языкиДругоеИнформатикаИсторияКультураЛитератураЛогикаМатематикаМедицинаМеталлургияМеханикаОбразованиеОхрана трудаПедагогикаПолитикаПравоПсихологияРелигияРиторикаСоциологияСпортСтроительствоТехнологияТуризмФизикаФилософияФинансыХимияЧерчениеЭкологияЭкономикаЭлектроника






Защитное зануление. Трехфазные четырехпроводные сети с глухозаземленной нейтралью напряжением до 1000 В наиболее часто применяются для электроснабжения как в производственном






 

Трехфазные четырехпроводные сети с глухозаземленной нейтралью напряжением до 1000 В наиболее часто применяются для электроснабжения как в производственном, так и в бытовом секторе.

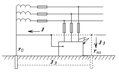
Одной из проблем, возникающих при эксплуатации этих сетей, является неэффективность применения защитного заземления при замыкании фазы на корпус оборудования. Эта проблема разрешается путем прокладывания от нулевой точки источника специального защитного нулевого проводника, к которому надежно присоединяются все металлические нетоковедущие части оборудования (рисунок 1.11).

Такое соединение называется занулением. Зануление создает путь малого сопротивления для тока замыкания на корпус и превращает его в ток короткого замыкания, способный вызвать быстрое перегорание плавких предохранителей или срабатывание автоматических выключателей. Так осуществляется селективное отключение поврежденных объектов от сети. Кроме того, благодаря применению повторного заземления нулевого проводника зануление частично снижает потенциал корпуса относительно земли в момент замыкания.

ПЗ

Рисунок 1.11 - Зануление электроустановки

 

 

Защитное отключение. Защитное отключение - быстродействующая защита, обеспечивающая автоматическое отключение ЭУ при возникновении опасности поражения током, а именно:

· при замыкании фазы на корпус электрооборудования;

· при снижении сопротивления изоляции фаз относительно земли ниже определенного предела (Rиз нм = 0, 5 Мом для токопроводов, силовых и осветительных установок, для вторичных цепей управления. Защита и возб. Цепей постоянного тока - 1 МW);

· появление в сети более высокого напряжения;

· прикосновение человека к токоведущей части под напряжением.

При этом в сети происходит изменение которых электрических параметров: например Uкорпуса относительно земли и т.п. Изменение этих параметров до определенного предела (при котором возникает опасность) может служить импульсом, вызывающим срабатывание защитно-отключающего устройства.

Устройство защитного отключения (УЗО) применяются в случаях, когда другие средства защиты (заземление, зануление) неэффективны, ненадежны или трудноосуществимы.

УЗО должны обеспечивать отключение неисправности ЭУ за t £ 0, 2с.

Основные части УЗО -

1) прибор защитного отключения;

2) автоматический выключатель.

Прибор защитного отключения - совокупность элементов, которые реагируют на изменение какого-либо параметра сети и дают сигнал на отключение.

 

 


Поделиться с друзьями:

mylektsii.su - Мои Лекции - 2015-2026 год. (1.059 сек.)Все материалы представленные на сайте исключительно с целью ознакомления читателями и не преследуют коммерческих целей или нарушение авторских прав Пожаловаться на материал