Студопедия

Главная страница Случайная страница

КАТЕГОРИИ:

АвтомобилиАстрономияБиологияГеографияДом и садДругие языкиДругоеИнформатикаИсторияКультураЛитератураЛогикаМатематикаМедицинаМеталлургияМеханикаОбразованиеОхрана трудаПедагогикаПолитикаПравоПсихологияРелигияРиторикаСоциологияСпортСтроительствоТехнологияТуризмФизикаФилософияФинансыХимияЧерчениеЭкологияЭкономикаЭлектроника






Опыт холостого хода.






Описание установки.

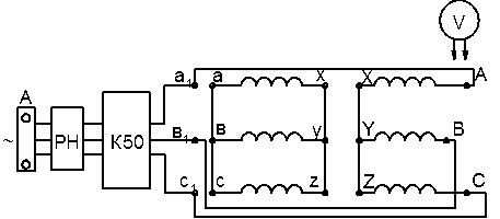
В данной лабораторной работе исследуется повышающий трехфазный двухобмоточный трансформатор. Конструкция магнитопровода - стержневая. Работа выполняется на универсальном лабораторном стенде. Питание на обмотку НН трансформатора подается от сети включением автомата. А через регулятор напряжения РН. В качестве РН используется трехфазный автотрансформатор, расположен он на полу под столом стенда.

С целью использовать стенд для других исследований трансформатора в цепи обмотки НН предусмотрен разрыв, исключить который можно поставив перемычки.

Для измерения в цепи питания предусмотрен комплексный измерительный прибор К-50, позволяющий выполнять измерения в трех фазах. Для более точного измерения напряжений в трансформаторе на стенде предусмотрены вольтметры с переносными щупами.

Переключатель " Пн " ставится в положение " Х.Х. ", переключатель " П" включен, остальные элементы на стенде в данной работе не используется.


Схема лабораторного стенда


Опыт холостого хода.

Чтобы провести опыт холостого хода трансформатора, при разомкнутой обмотке ВН к обмотке НН подводят регулируемое с помощью регулятора напряжения (РН) напряжение в пределах от 0, 3 до 1, 1 Uih (рис.2.).

Обмотки соединены по схеме . Измеряют первичноенапряжение U10, ток I0, мощность Р0, а также вторичное напряжение U20. Измерения проводят в трех фазах, т. к. ток

холостого хода насыщенного стержневого трансформатора не симметричен и не синусоидален. Показания приборов записывают (табл.1). Целесообразно сделать не менее 8 замеров.

Коэффициент трансформации:

Ток холостого хода в процентах:

Сопротивление холостого хода:

Составляющие сопротивления холостого хода:

активная:

реактивная:

Коэффициент мощности холостого хода:

 

 

Таблица 1.

 

 

№ изм. Измерения
Uав, В Uвс, В Uса, В Uав, В UBC, В UCA, В Iа, А Ib, А Iс, А Ра, Вт Рв, Вт Рс, Вт

 

 

№ изм Вычисления
U10, В U20, В I0 А Р0, Вт Соs φ 0 Zо, Ом Rо, Ом Х0, Ом К      

 

Схема соединений для опыта холостого хода:

 

Характеристики холостого хода:

 

 

Опыт короткого замыкания.

Перед началом опыта напряжение на выходе РН должно равняться нулю. Затем подводимое напряжение плавно повышают, пока ток в обмотке ВН не достигнет I, II , и записывают показания приборов во всех фазах. Продолжают опыт, понижая напряжение обмотки боров. Целесообразно снять 4...5 точек. Результаты измерений записывают (табл. 2). Так же, как в опыте холостого хода, рассчитывают средние для всех трех фаз значения Ik, Uk, а мощность Pk находят как сумму мощностей трех фаз.

На основании этих величин рассчитывают следующие параметры трансформаторов:

Коэффициент мощности при коротком замыкании:

 

 

 

Сопротивление короткого замыкания:

Составляющие сопротивления короткого замыкания:

 

Активная:

Реактивная:

Напряжение короткого замыкания в процентах:

 

Таблица 2

 
 


Измерения
Изм. IА, A IВ, A IС, A UАВ, В UВС, В UСА, В PА, Вт РВ, Вт РС, Вт

 

 

№ Выч. Вычисления
IK, А UK, % Pk, Вт Cos φ K ZK, Ом RK, Ом RK, Ом

 

 

Схема соединений для опыта короткого замыкания:

 

 

 

 

Характеристики короткого замыкания:


Поделиться с друзьями:

mylektsii.su - Мои Лекции - 2015-2026 год. (1.572 сек.)Все материалы представленные на сайте исключительно с целью ознакомления читателями и не преследуют коммерческих целей или нарушение авторских прав Пожаловаться на материал