Студопедия

Главная страница Случайная страница

КАТЕГОРИИ:

АвтомобилиАстрономияБиологияГеографияДом и садДругие языкиДругоеИнформатикаИсторияКультураЛитератураЛогикаМатематикаМедицинаМеталлургияМеханикаОбразованиеОхрана трудаПедагогикаПолитикаПравоПсихологияРелигияРиторикаСоциологияСпортСтроительствоТехнологияТуризмФизикаФилософияФинансыХимияЧерчениеЭкологияЭкономикаЭлектроника






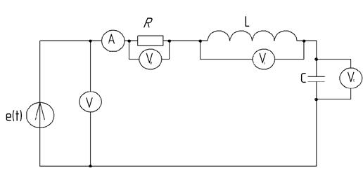
Порядок выполнения работы. 1. Ознакомиться с лабораторной установкой и начертить ее схему (рис.10)






 

1. Ознакомиться с лабораторной установкой и начертить ее схему (рис.10). Изучить в соответствии со схемой расположение на панели стенда каждого из ее элементов.

Рис. 10

 

2. Произвести подготовку установки к выполнению опыта. Для этого: выставить заданные преподавателем значения сопротивления, емкости и индуктивности с помощью соответствующих переключателей – ПR, ПС и ТL (рис.9). Подключить к клеммам КV вольтметр и установить переключатель ПV в положение U для измерения входного напряжения. Тумблер ТЛ 1-2 поставить в положение 2 (резонанс напряжений).

3. Подсоединить к схеме генератор через гнездо Г2, а к гнезду Г1 подключить либо осциллограф, либо вольтметр.

4. ВНИМАНИЕ! ПРАВИЛЬНОСТЬ ВЫПОЛНЕННЫХ СОЕДИНЕНИЙ ОБЯЗАТЕЛЬНО ДОЛЖНА БЫТЬ ПРОВЕРЕНА ПРЕПОДАВАТЕЛЕМ ИЛИ ЛАБОРАНТОМ ДО ВКЛЮЧЕНИЯ ИСТОЧНИКОВ ПИТАНИЯ ЦЕПИ.

5. Включить генератор. С помощью регулятора уровня выходного напряжения генератора установить заданное преподавателем значение (смотреть показания вольтметра, подключенного к гнезду Г1).

6. Переключатель ПV поставить в положение U. Сравнить показания вольтметра подключенного к гнезду Г1 с показаниями вольтметра, подключенного к клеммам КV. Убедиться, что показания вольтметров совпадают.

Примечание: Если к гнезду Г1 подключен осциллограф, то необходимо определить амплитудную величину входного напряжения и поделить ее на . После этого сравнить полученное значение с показаниями вольтметра на клеммах КV.

7. Изменяя частоту генератора определить момент резонанса по максимальному значению тока в цепи (при изменении частоты ток сначала растет, потом достигает максимального значения – это и есть резонанс, при дальнейшем увеличении частоты ток начинает уменьшаться). Ток можно определять либо по показаниям амперметра А5, либо по закону Ома, используя напряжения на активном сопротивлении. Для этого переключатель ПV поставить в положение UR. Записать значение резонансного тока I0 и резонансной частоты w0.

8. Затем определить граничные частоты полосы пропускания w1 и w2 по уменьшению тока в раз. Определить полосу пропускания контура

9. Определить диапазон частот для построения графиков по трех- четырехкратному уменьшению тока. Это делается так: от резонанса сначала уменьшаем частоту генератора, пока ток не уменьшиться в 3 – 4 раза, а потом увеличиваем частоты опять до 3 – 4-х кратного уменьшения тока и определяем минимальную частоту wmin, с которой начинаем построение графика и максимальную частоту wmax, которой заканчиваются построения. Чтобы графики получились плавными необходимо взять не менее 10 промежуточных значений частот. При этом резонансная частота должна находиться в середине этого диапазона.

10. Изменяя частоту генератора, измерить следующие величины: ток, напряжение на конденсаторе UC, напряжение на катушке UК, напряжение на резисторе UR. (всего провести не менее 10 групп измерений). Результаты занести в табл.1.

Таблица 1

 

f, Гц ω I, мА Uc, В , В , В
           
           
           
           
           
           
           
           

 

11. Рассчитать следующие величины:

· емкостное сопротивление индуктивное сопротивление ;

· полное сопротивление цепи ;

· полное сопротивление катушки индуктивности ;

· емкость C и индуктивность L цепи для ка­ждого значения частоты;

· сдвиг фаз на катушке индуктивности между током и напряжением;

· коэффициент активной мощности ;

· сопротивление ;

· напряжение и ;

Результаты занести в табл.2.

 

Таблица 2

 

Гц Z, Ом , Ом , Ом , Ом , Ом Ом В В Гн
                       
                       
                       

 

12. По экспериментальным данным построить в выбранном масштабе векторные диаграммы для частоты меньше резонансной (рис.11 а) и больше резонансной (рис.11 б). Построение проводят следующим образом:

а. Строится вектор напряжения на активном сопротивление Ur с нулевой начальной фазой (вектор проводится горизонтально совпадая с действительной осью комплексной плоскости);

б. От конца вектора Ur под углом в -900 (вертикально вниз) откладывается вектор напряжения на конденсаторе Uс;

в. Берется циркуль, раздвигается на величину соответствующую напряжению на катушке индуктивности UK, ставится игла циркуля в конец вектора Uс и проводится окружность радиусом UK. Это делается для того, чтобы построить векторную диаграмму используя только экспериментальные результаты, не прибегая к расчетным параметрам, таким как угол сдвига по фазе между током и напряжение на катушке индуктивности jк (именно под этим углом будет проходить вектор UK);

г. Снова берем циркуль, раздвигаем его на величину соответствующую входному напряжению U, ставим иглу циркуля в начало координат (начало вектора Ur) и проводим окружность с радиусом U.

д. Окружности пересекутся в некоторой точке;

е. В соответствии со вторым законом Кирхгофа векторная сумма напряжений Ur, Uс и UK должна равняться вектору входного напряжения U.

Поэтому точка пересечения окружностей определит концы векторов входного напряжения U и напряжения на катушке индуктивности UK;

ж. Проводим вектор входного напряжения U из начала координат до точки пересечения окружностей и вектор напряжения на катушке индуктивности из конца вектора Uс до точки пересечения окружностей;

з. Раскладываем вектор напряжения катушки индуктивности UK на две его составляющие: напряжение на активном сопротивлении катушки Urк (горизонтальная проекция вектора UK) и напряжение на ее индуктивном сопротивлении ULк (вертикальная проекция вектора UK) (рис.11 а, б);

и. Сравниваем полученные вектора с расчетными данными;

к. Измеряем углы j и jк и сравниваем их с расчетными значениями.

 

а) б)

Рис.11

 

12.: Построить графики зависимости I(f), UC(f), Uк(f) (рис.12).

 

Рис.12

 


Поделиться с друзьями:

mylektsii.su - Мои Лекции - 2015-2026 год. (1.628 сек.)Все материалы представленные на сайте исключительно с целью ознакомления читателями и не преследуют коммерческих целей или нарушение авторских прав Пожаловаться на материал