Студопедия

Главная страница Случайная страница

КАТЕГОРИИ:

АвтомобилиАстрономияБиологияГеографияДом и садДругие языкиДругоеИнформатикаИсторияКультураЛитератураЛогикаМатематикаМедицинаМеталлургияМеханикаОбразованиеОхрана трудаПедагогикаПолитикаПравоПсихологияРелигияРиторикаСоциологияСпортСтроительствоТехнологияТуризмФизикаФилософияФинансыХимияЧерчениеЭкологияЭкономикаЭлектроника






Механизмы зарождения и распространения усталостной трещины.






Зарождение усталостной трещины происходит, как правило, на поверхности или вблизи поверхности образцов или деталей, где напряжения от внешней нагрузки достигают максимальных значений. Трещины могут зарождаться на совершенно гладких полированных поверхностях, однако их возникновение в значительной степени облегчается при наличии различного рода концентраторов напряжения: неровностей от механической обработки, включений, точечной коррозии, локального износа и т. д.

Под действием циклических нагрузок на гладкой поверхности образцов образуются полосы локального скольжения и обусловленные ими рельефные участки. Такие рельефные участки связаны, по-видимому, с неоднородностью структуры реальных металлов и сплавов; они проявляются в виде особого вида образований на поверхности: выступов (экструзии) и впадин (интрузии), наблюдаемых в электронном микроскопе (рис. 13.1). Полосы локального скольжения, приводящие к образованию экструзии и интрузии, формируются примерно под углом 45° к направлению растягивающего напряжения (рис. 13.2). Они обусловливают процесс формирования зародышевых микротрещин, которые также распространяются примерно под углом в 45° к направлению растягивающего напряжения, как правило, в пределах одного или двух зерен.

 

  Рисунок 13.1 – Экструзии (выпуклости) и интрузии (впадины) в отожженном никеле. х3600   Рисунок 13.2 – Схема образования экструзий (1) и интрузий (2) на поверхности (3) металлических материалов, подвергнутых циклическим нагрузкам. 4 – полосы скольжения

 

После образования и распространения усталостных микротрещин в области одного или двух зерен примерно под углом 45° к направлению растягивающего напряжения начинается стадия распространения усталостной макротрещины. На этой стадии трещина распространяется перпендикулярно к направлению приложенного напряжения.

Усталостные изломы характеризуются наличием на их поверхности усталостных зон, отражающих стадийность усталостного разрушения. В общем случае, процесс развития усталостной трещины включает (рис. 13.3) стадии медленного стабильного роста трещины (зона ls), ускоренного нестабильного развития трещины (зона lr) и стадию долома (зона ld), разрушение в которой происходит по механизмам статического разрушения. Зона долома наступает при достижении усталостной трещиной длины критического значения lf (lf = ls + lr) (рис. 13.3). Зону lf называют зоной усталостного развития трещины.

Количество усталостных зон и их размеры зависят, прежде всего, от количества циклов нагружения, которое выдержал образец или деталь до разрушения. Форма усталостных зон зависит от конфигурации детали и схемы приложенной нагрузки. Усталостный излом обычно прямой (по крайней мере, на стадии усталостного развития трещины) с малой степенью шероховатости и почти без признаков сопутствующей разрушению макропластической деформации.

 

    Рисунок 13.3 – Схема строения усталостных изломов

 

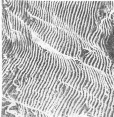
На стадии распространения за каждый цикл нагружения усталостная трещина продвигается вперед на определенное расстояние. При этом на поверхности излома, как правило, остается последовательный ряд полосок – усталостных бороздок, отражающих положение фронта трещины за каждый цикл нагружения (рис. 13.4).

 

  Рисунок 13.4 – Усталостные бороздки и механизм роста усталостной трещины, приводящий к образованию бороздок: а – ненагруженное состояние; б – небольшая растягивающая нагрузка; в – максимальная нагрузка; г – небольшая сжимающая нагрузка; д – максимальная сжимающая нагрузка; е – небольшая растягивающая нагрузка  

Согласно современной модели (рис. 13.4), усталостная бороздка возникает вследствие последовательного расширения и сжатия боковых поверхностей трещины. При расширении устья трещины вследствие растягивающих напряжений, трещина продвигается. При двухстороннем сжатии пластически деформированный металл у вершины трещины подвергается сплющиванию, которое впоследствии проявляется в виде образования усталостной бороздки.

 


Циклы, схемы и виды нагружения.

Цикл нагружения – это совокупность последовательных значений переменных напряжений за один период их изменения.

Важнейшими параметрами цикла нагружения являются (рис. 13.5):

1. Максимальное (σ max) и минимальное (σ min) значения напряжения цикла.

2. Размах напряжения цикла: Δ σ = σ max - σ min.

3. Амплитуда напряжения: σ a = 0, 5(σ max - σ min).

4. Среднее напряжение цикла: σ m = 0, 5(σ max + σ min).

5. Коэффициент асимметрии цикла нагружения: R = σ minmax.

6. Частота и период нагружения: f = 1/T.

 

  Рисунок 13.5 – Важнейшие параметры цикла нагружения

 

В зависимости от значения коэффициента асимметрии цикла нагружения R различают следующие виды циклов нагружения (рис. 13.6):

1. Знакопостоянные циклы: растягивающие (0< R< 1) и сжимающие (1< R).

2. Знакопеременные циклы: симметричный (R= -1), преимущественно растягивающие (-1< R< 0) и преимущественно сжимающие (-∞ < R< -1).

3. Отнулевой (R=0) и отнулевой сжимающий (R= -∞) циклы.

 

 

Рисунок 13.6 – Виды знакопостоянных (а, ж), знакопеременных (в, г, д) и отнулевых (б, е) циклов нагружения:

а – растягивающие (0< R< 1); б – отнулевой (R= 0); в – преимущественно растягивающие (-1< R< 0); г – симметричный (R= -1); д – преимущественно сжимающие (-∞ < R< -1); е – отнулевой сжимающий (R= -∞); ж – сжимающие (1< R)

 

Вид цикла нагружения определяет соотношение максимального и минимального напряжения цикла и существенно влияет на усталостную прочность материала.

Форма цикла (рис. 13.7) определяет длительность выдержки при заданном уровне напряжения. Она значительно влияет на время до зарождения усталостной трещины и, в меньшей степени, на время распространения трещины. Это влияние особенно усиливается при высокотемпературном усталостном разрушении.

 

  Рисунок 13.7 – Различные формы изменения амплитуды напряжения цикла: а – нагружение с постоянной амплитудой при синусоидальной (гармонической) форме циклов; б – с бигармонической амплитудой; в – с переменной частотой; г – программированный блочный цикл; д – произвольный цикл; е – с перегрузкой в гармоническом цикле.

 

На напряженное состояние материала при усталостном разрушении значительное влияние оказывает схема нагружения. Поэтому при испытании образцов схему нагружения выбирают так, чтобы в наибольшей степени воспроизвести напряженное состояние материла в конструкции или детали, а также получить излом эксплуатационного вида.

При испытании на усталость используют два существенно различающихся между собой вида нагружения (рис. 13.8):

- мягкое нагружение – с заданным размахом нагрузки (напряжения);

- жесткое нагружение – с заданным размахом деформации.

 

 
а) б)
Рисунок 13.8 – Мягкое (а) и жесткое (б) нагружение образцов

 

При мягком нагружении заданной величиной является нагрузка; она практически постоянна на всем протяжении испытания. В этом случае перемещение кинематически не ограничено и может изменяться в зависимости от изменения жесткости нагружаемой системы в период постепенного роста усталостной трещины. Мягкое нагружение более широко распространено в промышленных конструкциях и деталях машин, чем жесткое нагружение.

При жестком нагружении заданной величиной является кинематически ограниченное перемещение, постоянное на всем протяжении испытания, включая период уменьшения жесткости образца или детали при развитии усталостной трещины. При жестком нагружении усилие изменяется в зависимости от изменения жесткости нагружаемой системы. Такой вид нагружения имеет место, например, в шатунно-кривошипных механизмах, подкладках рельсовых сцеплений и т. д.

 

Кривая усталости. Малоцикловая и многоцикловая усталость.

Усталостную прочность (предел усталости) материала определяют путем усталостных испытаний определенного количества образцов при различных значениях напряжения цикла. Чаще всего используют симметричный цикл нагружения (R= -1), а усталостные испытания цилиндрических образцов (рис. 13.9) проводят по схеме «изгиб с вращением» с заданным размахом напряжения. Напряжение цикла обозначают как σ -1, МПа.

 

    Рисунок 13.9 – Цилиндрический образец для усталостных испытаний по схеме «изгиб с вращением»  

Первоначально устанавливают напряжение цикла σ -1 в образце, заведомо превышающее предел усталости материала. Проводят испытание образца. После разрушения образца фиксируют количество циклов нагружения, приведшее к его разрушению (N, цикл). Затем напряжение цикла снижают, и заново проводят испытание, и фиксируют количество циклов нагружения до разрушения образца. Такие операции проводят до тех пор, пока образцы не перестанут разрушаться, проработав определенное количество циклов нагружения (базу испытания). Затем строят графическую зависимость «напряжение цикла – количество циклов до разрушения образцов» в линейных (σ -1 – N) или чаще в полулогарифмических (σ -1 – lg N) координатах. Полученную таким образом кривую называют кривой усталости или кривой Велера (рис. 13.10).

 

Рисунок 13.10 – Кривые усталости в координатах «σ -1 – N» (а) и «σ -1 – lg N» (б)

На кривых усталости с четко выраженным горизонтальным участком можно выявить уровень напряжений, не приводящий к разрушению образцов при сколь угодно больших циклах нагружения – физический предел усталости (выносливости). Кривые такого типа характерны для черных металлов и сплавов титана. Кривые усталости с асимптотическим приближением правой ветви к горизонтали характерны для сплавов цветных металлов, а также для черных металлов в случае влияния коррозионной среды.

Дадим определение предела усталости материала, базы испытания, понятия малоцикловой и многоцикловой усталости. Для этого воспользуемся схемой полной кривой усталости, изображенной на рисунке 13.11.

 

а) б)

Рисунок 13.11 – Полная схема кривой усталости в координатах «lg σ – lg Nкр» (а) и вид изломов при малоцикловой и многоцикловой усталости (б):

σ w– предел усталости (выносливости); σ тД – динамический предел текучести; Nк – количество циклов нагружения, соответствующее области разрыва кривой усталости

 

Предел усталости (выносливости) w) – это величина максимального напряжения цикла, не вызывающая разрушение образца на базе NR. Вид нагружения (мягкое или жесткое) практически не влияет на значение предела усталости материала.

База испытания (NR) – это предварительно заданное число циклов нагружения, до которых образцы испытывают на усталость. Для определения предела усталости (выносливости) значение базы NR принимают равной 107 циклов для металлов и сплавов, имеющих практически горизонтальный участок на кривой усталости. Для металлов и сплавов с асимптотическим приближением правой ветви к горизонтали NR = 108 циклов. При этом предполагается, что при дальнейшем увеличении циклов нагружения (больше NR) разрушение образцов не произойдет при сколь угодно длительном испытании.

Точке А (рис. 13.11)соответствует напряжение, близкое к пределу прочности материала, при котором разрушение происходит за один цикл. Участку АВС соответствует область квазистатического разрушения. Долговечность образца в данной области, как правило, не превышает 102 циклов. Из-за высокого уровня напряжений квазистатический излом имеет утяжку, а многочисленные трещины, зарождаясь на поверхности образца на разном уровне, приводят к образованию ступеней. По внешнему виду квазистатические изломы не отличаются принципиально от статических.

Участок СD соответствует области малоцикловой усталости. Область малоцикловой усталости распространяется от области квазистатического разрушения до разрыва кривой усталости (рис. 13.11). При малоцикловой усталости трещина продвигается вперед при каждом цикле нагружения, образуя на поверхности излома бороздчатый микрорельеф. Характерной особенностью малоцикловой усталости является образование на поверхности излома только одной усталостной зоны, за которой следует зона долома (рис. 13.11). Такое строение излома отражает достаточно высокий уровень циклических нагрузок в области малоцикловой усталости. Количество циклов нагружения при малоцикловой усталости, как правило, не превышает 106 циклов нагружения.

Разрыв кривой усталости (DE) наблюдается при достижении динамического предела текучести материала σ тД, т. е. предела текучести материала при скорости деформации, равной скорости циклического нагружения.

За разрывом кривой усталости следует область многоцикловой усталости (участок EFGH) (рис. 13.11). Низкий уровень циклических нагрузок в данной области усталостного разрушения обусловливает образование на поверхности изломов двух усталостных зон (рис. 13.10): зоны стабильного роста трещины (ls) и зоны ускоренного развития трещины (lr). По этой же причине долом на таких изломах занимает незначительную часть поверхности излома. Количество циклов нагружения при многоцикловой усталости превышает 106 циклов нагружения.


Поделиться с друзьями:

mylektsii.su - Мои Лекции - 2015-2026 год. (0.812 сек.)Все материалы представленные на сайте исключительно с целью ознакомления читателями и не преследуют коммерческих целей или нарушение авторских прав Пожаловаться на материал