Студопедия

Главная страница Случайная страница

КАТЕГОРИИ:

АвтомобилиАстрономияБиологияГеографияДом и садДругие языкиДругоеИнформатикаИсторияКультураЛитератураЛогикаМатематикаМедицинаМеталлургияМеханикаОбразованиеОхрана трудаПедагогикаПолитикаПравоПсихологияРелигияРиторикаСоциологияСпортСтроительствоТехнологияТуризмФизикаФилософияФинансыХимияЧерчениеЭкологияЭкономикаЭлектроника






Разграфка и номенклатура топографических карт






 

Топографические карты обычно составляются на множестве листов. Территория всей страны изображается на них по частям. Размеры листов карты устанавливают такой величины, чтобы ими было удобно пользоваться. Так, лист карты масштаба 1: 10000 для средней полосы РФ имеет размеры примерно 50 ´ 40 см и содержит изображение участка местности площадью 20 км2. Для всей территории страны число листов карты такого масштаба превышает 1 млн.

Для того чтобы можно было разобраться в таком количестве картографических материалов и быстро найти нужный лист карты определенного участка местности, разработана специальная система обозначения листов карты – номенклатура.

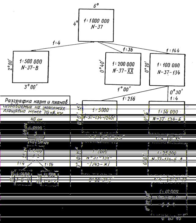
За основу разграфки и номенклатуры листов топографических карт принята разграфка листов карты масштаба 1: 1 000 000. Схема такой разграфки приведена на рис. 46. Поверхность земного шара делится параллелями, начиная от экватора, к северу и югу через 4° на ряды и меридианами через 6° на колонны, начиная от меридиана с долготой 180°. Ряды обозначаются прописными буквами латинского алфавита от А до V, от экватора к северу и югу. Колонны нумеруются арабскими цифрами, начиная от меридиана с долготой 180°, с запада на восток. Таким образом, поверхность Земли разделена на сферические трапеции с размерами сторон по широте 4° и по долготе 6°. Каждая трапеция представляет собой участок местности, изображаемый на листе карты масштаба 1: 1 000 000. Номенклатура этих листов образуется из буквы, которой обозначен ряд, и из цифры номера колонны. Например, лист карты масштаба 1: 1 000 000 на территорию Санкт-Петербурга имеет номенклатуру O -36, Москвы – N -37.

Рис. 46

 

Разграфка листов карты масштаба 1: 500 000 производится путем деления средним меридианом и средней параллелью листа карты масштаба 1: 1 000 000 на четыре части, которые обозначаются прописными буквами русского алфавита. Номенклатура листов карты масштаба 1: 500 000 складывается из номенклатуры листа карты масштаба 1: 1 000 000, частью которого он является, и соответствующей буквы.

Разграфка листов карт масштабов 1: 200 000 и 1: 100 000 производится путем деления каждого листа карты масштаба 1: 1 000 000 меридианами и параллелями соответственно на 36 и 144 части (рис. 47). Листы карт масштаба 1: 200 000 нумеруются римскими цифрами, масштаба 1: 100 000 – арабскими цифрами по рядам с запада на восток.

Номенклатура листов карт указанных масштабов состоит из номенклатуры соответствующего миллионного листа и собственного номера, который у листов карт масштабов 1: 200 000 и 1: 100 000 указывается справа от номенклатуры миллионного листа. Например, листы карт масштабов 1: 200 000 и 1: 100 000 (заштрихованные на рис. 47), имеют номенклатуры соответственно N -37-VI и N -37-134. Листы карты масштаба 1: 50 000 получают путем деления листов карты масштаба 1: 100 000 на четыре части (см. рис. 47), обозначаемые прописными буквами русского алфавита. Размеры листа по широте составляют 10¢, по долготе – 15¢. Номенклатура этих листов образуется путем присоединения к номенклатуре листа масштаба 1: 100 000 соответствующей буквы, например N-37-134-Б.

Рис. 47

 

Листы карты масштаба 1: 25 000 получают делением листов карты масштаба 1: 50 000 на четыре части (рис. 48), каждая из которых обозначается строчными буквами русского алфавита. Размеры этих листов по широте составляют 5¢, по долготе – 7¢ 30², а номенклатура дополняется соответствующей буквой: N -37-134- Б - в.

Лист карты масштаба 1: 25 000 делится на четыре листа карты масштаба 1: 10 000, каждый из которых имеет размеры по широте 2¢ 30², по долготе 3¢ 45². Они обозначаются арабскими цифрами, которые указываются после номенклатуры листа карты масштаба 1: 25 000, частью которого они являются, например N -37-134- Б - в- 2.

Разграфка листов карты масштаба 1: 5000 производится путем деления листов карты масштаба 1: 100 000 на 256 частей (16 рядов по широте и долготе). Листы нумеруют арабскими цифрами по рядам с запада на восток. Размер каждого листа по широте 1¢ 15², по долготе 1¢ 53, 5². Номенклатура этих листов образуется путем присоединения к номенклатуре листа карты масштаба 1: 100 000 соответствующего номера в скобках, например: N -37-134-(16).

Листы карты масштаба 1: 2000 получают путем деления листов карты масштаба 1: 5000 на девять частей и обозначают строчными буквами русского алфавита, например N -37-134-(16-ж). Размер каждого листа по широте 25², по долготе 37, 5².

   
Рис. 48 Рис. 49

 

Топографические съемки в крупных масштабах на участках площадью менее 20 км2 выполняются в частных системах прямоугольных координат, не связанных с географической системой. Разграфка листов планов в этих случаях производится не меридианами и параллелями, а линиями координатной сетки. Листы имеют форму квадратов с размерами 40 ´ 40 см для планов масштаба 1: 5000 и 50 ´ 50 см для планов масштабов 1: 2000 – 1: 500. За основу разграфки принимается лист плана масштаба 1: 5000, обозначаемый арабскими цифрами.

Листу плана масштаба 1: 5000 соответствуют 4 листа в масштабе 1: 2000, обозначаемые прописными буквами русского алфавита. Лист плана в масштабе 1: 2000 делится на 4 листа планов масштаба 1: 1000, обозначаемых римскими цифрами (рис. 49, а), и 16 листов планов масштаба 1: 500, обозначаемых арабскими цифрами (рис. 49, б). Так, заштрихованный на рис. 49, а лист Г масштаба 1: 2000 будет иметь номер 1-Г. Там же – лист масштаба 1: 1000, заштрихованный двойной штриховкой и обозначенный римской цифрой I, имеет номер 1 - Г - I. Номер листа карты масштаба 1: 500, заштрихованного на рис. 49, б, – 1 - Г - 6.

На рис. 50 представлена общая схема разграфки и номенклатур топографических карт, принятая в РФ. Возможны также другие системы обозначения планов крупного масштаба при выполнении съемок объектов строительства. В этих случаях за рамками листов планов указываются принятые схемы их разграфки и нумерации.

Рис. 50


Поделиться с друзьями:

mylektsii.su - Мои Лекции - 2015-2026 год. (2.081 сек.)Все материалы представленные на сайте исключительно с целью ознакомления читателями и не преследуют коммерческих целей или нарушение авторских прав Пожаловаться на материал