Студопедия

Главная страница Случайная страница

КАТЕГОРИИ:

АвтомобилиАстрономияБиологияГеографияДом и садДругие языкиДругоеИнформатикаИсторияКультураЛитератураЛогикаМатематикаМедицинаМеталлургияМеханикаОбразованиеОхрана трудаПедагогикаПолитикаПравоПсихологияРелигияРиторикаСоциологияСпортСтроительствоТехнологияТуризмФизикаФилософияФинансыХимияЧерчениеЭкологияЭкономикаЭлектроника






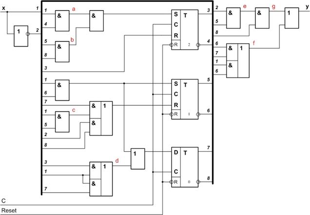
Этап 7. Построение функциональной логической схемы автомата.






Функциональная логическая схема синтезированного автомата приведена на рис. 9.7.

 

 
 

 


Рис. 9.7. Функциональная логическая схема автомата

В результате структурного синтеза осуществлен переход от математической модели КА к его функциональной логической схеме, которая является основой для последующей аппаратной реализации автомата.

Заметим, что в случае исходной модели автомата Мура этапы синтеза остаются такими же, но при представлении функции выхода необходимо учесть, что ее единственным аргументом является состояние автомата:

 

Поэтому для автомата Мура с k-разрядной памятью следует записать:

       
   
 
 

 


где – булевы переменные, соответствующие разрядам памяти автомата Мура.

Примечание. Правила построения функциональных схем цифровой электроники изучаются в дисциплине «Схемотехника» и практически применяются в курсовом проектировании по названной учебной дисциплине.

 


Поделиться с друзьями:

mylektsii.su - Мои Лекции - 2015-2026 год. (2.164 сек.)Все материалы представленные на сайте исключительно с целью ознакомления читателями и не преследуют коммерческих целей или нарушение авторских прав Пожаловаться на материал