Студопедия

Главная страница Случайная страница

КАТЕГОРИИ:

АвтомобилиАстрономияБиологияГеографияДом и садДругие языкиДругоеИнформатикаИсторияКультураЛитератураЛогикаМатематикаМедицинаМеталлургияМеханикаОбразованиеОхрана трудаПедагогикаПолитикаПравоПсихологияРелигияРиторикаСоциологияСпортСтроительствоТехнологияТуризмФизикаФилософияФинансыХимияЧерчениеЭкологияЭкономикаЭлектроника






Поэтому согласно ПУЭ защитное зануление рекомендуется применять только в заземленных электрических сетях напряжением до 1000 В.






В электрических сетях напряжением выше 1000 В защитное зануление корпусов электроустановок недопустимо из-за больших токов короткого замыкания.

Для недопущения случаев поражения людей, аналогичных случаю, приведенному на рис. 57, а, Правилами устройства электроустановок не рекомендуется применение нулевого проводника в электрических сетях системы заземления IT (изолированных от земли).

 
 

 


Рис. 56. Работа зануления в электрической сети, изолированной от земли

 

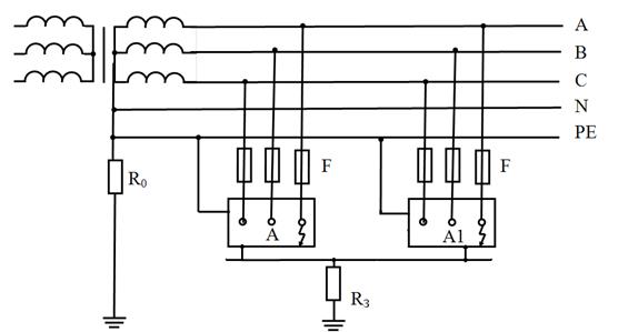
В электрической сети, где применяется зануление, запрещается заземлять корпус электроустановки без его зануления. Объясняется это тем, что в случае замыкания фазы на заземленный, но не зануленный корпус электроустановки (рис. 58) образуется цепь тока через и .


В результате между корпусом только заземленной электроустановки и землей возникает напряжение . От этого же тока возникает напряжение на нейтрали источника , которое по нулевому проводу сети передается на все зануленные корпуса электроустановок (, и др.).

 
 

 
 

 


Рис. 57. Зануление в изолированной и заземленной электрической сети

 

 

Рис. 68. Опасность применения защитного заземления в заземленной

электрической сети

 

Если , то (при условии, что сопротивление в месте замыкания фазы на корпус равно нулю). Например, в сети с , .

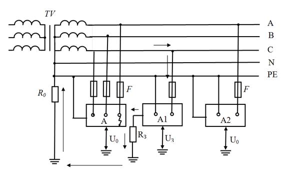
С учетом всех предыдущих рассуждений и выводов, следует рекомендовать на практике одновременное зануление и заземление одного и того же корпуса электроустановки, питающейся от сети с глухозаземленной нейтралью. Это способствует улучшению условий безопасности эксплуатации электроустановок, так как создает дополнительное заземление нулевого провода сети (рис. 59).

 
 
TV


 

Рис. 59. Совместное применение защитного заземления и зануления

в заземленной электрической сети



Поделиться с друзьями:

mylektsii.su - Мои Лекции - 2015-2026 год. (0.799 сек.)Все материалы представленные на сайте исключительно с целью ознакомления читателями и не преследуют коммерческих целей или нарушение авторских прав Пожаловаться на материал