Студопедия

Главная страница Случайная страница

КАТЕГОРИИ:

АвтомобилиАстрономияБиологияГеографияДом и садДругие языкиДругоеИнформатикаИсторияКультураЛитератураЛогикаМатематикаМедицинаМеталлургияМеханикаОбразованиеОхрана трудаПедагогикаПолитикаПравоПсихологияРелигияРиторикаСоциологияСпортСтроительствоТехнологияТуризмФизикаФилософияФинансыХимияЧерчениеЭкологияЭкономикаЭлектроника






Расчет разветвленной несимметричной магнитной цепи.

Методика расчета магнитной цепи

Прямая задача Обратная задача
Дано: , геометрические размеры магнитопровода, число витков катушки, материал магнитопровода. Определить: Решение:   Дано: , геометрические размеры магнитопровода, число витков катушки, материал магнитопровода. Определить: Решение:  

 

Расчет однородной неразветвленной магнитной цепи

 

 
 


Дано: Литая сталь,

вит.

Вб.

Определить: , ,

Решение:

 

 

 

Дано: Литая сталь, . Определить: , Решение:  

Расчет неоднородной неразветвленной магнитной цепи

 

Дано: Литая сталь, Вб; вит. Вб. мм мм Определить: , , Решение:     Дано: Литая сталь, мм мм Определить: Решение:     Результаты заносим в таблицу:  
, Вб.
, Тл            
, Тл            
,            
,            
, А            

 

 

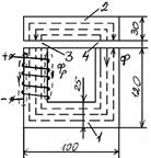
Расчет разветвленной несимметричной магнитной цепи.

Прямая задача

 
 


Дано:

Тл

электротехническая сталь Э42

мм

мм

Определить: ,

Решение:

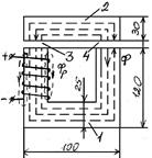
Обратная задача

 

Дано:

А

А

мм

мм

магнитопровод – Э42

Определить: , ,

Решение:

 

По полученным результатам построить график:

 

 
 

 

<== предыдущая лекция | следующая лекция ==>
Обработка результатов эксперимента. 1. Для каждой пары полос вычислить период полосы и усреднить | Магнитное поле в вакууме
Поделиться с друзьями:

mylektsii.su - Мои Лекции - 2015-2026 год. (5.573 сек.)Все материалы представленные на сайте исключительно с целью ознакомления читателями и не преследуют коммерческих целей или нарушение авторских прав Пожаловаться на материал