Студопедия

Главная страница Случайная страница

КАТЕГОРИИ:

АвтомобилиАстрономияБиологияГеографияДом и садДругие языкиДругоеИнформатикаИсторияКультураЛитератураЛогикаМатематикаМедицинаМеталлургияМеханикаОбразованиеОхрана трудаПедагогикаПолитикаПравоПсихологияРелигияРиторикаСоциологияСпортСтроительствоТехнологияТуризмФизикаФилософияФинансыХимияЧерчениеЭкологияЭкономикаЭлектроника






Устаткування для обробки проб






 

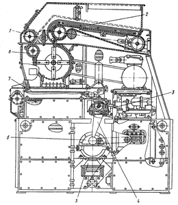
Машина МПЛ-150 (рис.12.1) призначена для обробки проб вугілля і продуктів збагачення крупністю до 150мм і вологістю не більше 18%. Продуктивність 1, 3 - 2, 2 т.

 

 

Рис. 12.1 – Проборозділювальна машина МПЛ-150

Машина МПЛ-150 включає наступні вузли:

1 - стрічковий живильник; 2 - молоткова дробарка; 3 - ківшевий скорочувач; 4 - дільник-скорочувач; 5 - жолоб для відходів.

Об'єднана проба живильником поступає в молоткову дробарку, де дробиться до крупності 0-3 мм. Здвоєний ківшевий скорочувач відбирає проби від роздробленої проби при її розвантажені з дробарки. Проби подаються в три збірника для лабораторних проб. Відходи проби віддаляються по жолобу.

 

Машина МПЛ-300 (рис.12.2) призначена для обробки проб вугілля і продуктів збагачення крупністю до 300 мм і вологістю не більше 15%. Продуктивність до 15т.

Машина МПЛ-300 включає наступні вузли:

1-й ступінь: 1 - дробарка; 2 - розвантажувальна решітка; 3 - живильник; 5 - жолоб для видалення відходів; 6 - багатоківшевий скорочувач;

2-й ступінь: 4 - машина МПЛ-150 (без стрічкового живильника).

На першому ступені початкова проба подається в молоткову дробарку і дробиться до крупності 0-25 мм. Під дробаркою встановлений похилий багатоківшевий ланцюговий скорочувач, ковші відбирають порції проміжної роздробленої проби і подають їх в бункер 2-го ступеня машини. Проміжна проба подрібнюється до крупності 0-3 мм, ковшовим скорочувачем скорочується до 1, 8-2, 0 кг і ділиться на 3 лабораторні проби. Залишки проби віддаляються по жолобу.

Установка машин проводиться так, щоб початкова проба поступала під дією власної маси і можливості такого ж розвантаження відходів (або за допомогою транспортних пристроїв).

 

Рис. 12.2 - Проборозділювальна машина МПЛ-300

 

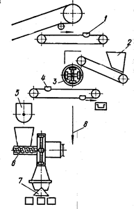
Машина МПА-150 (рис. 12.3) призначена для обробки об'єднаних проб крупністю до 150мм для одночасного приготування лабораторних і аналітичних проб.

 

Рис. 12.3 - Проборозділювальна машина МПА-150

Основні вузли машини МПА-150:

1 - очисний барабан; 2 - стрічковий живильник; 3 - піч; 4 - жолоб для лабораторної проби; 5 - дільник; 6 - молотковий млин; 7 - ківшевий скорочувач; 8 - молоткова дробарка з очищувачем.

Початкова проба живильником подається в молоткову дробарку, де дробиться до крупності 0-3 мм. Під дробаркою встановлений горизонтальний ланцюговий скорочувач з двома ковшами. Він перетинає потік роздробленої проби при русі на верхній і на нижній ділянці ланцюга. Дзеркальне розташування ковшів дозволяє відбирати дві проби, одна поступає в піч для підсушування при температурі 135±5оС, інша - в збірник лабораторної проби. Підсушена проба з печі прямує в молотковий млин для подрібнення до крупності 0-0, 2 мм, потім механічним дільником ділиться на три частини. Відходи проби віддаляються по жолобу.

Схеми обробки проб в проборозділювальних машинах МПЛ і МПА приведені на рис. 12.4 і 12.5.

 

Рис 12.4: 1 - ковшовий пробовідбірник; 2 - бункер для накопичення початкової проби; 3 - молоткова дробарка; 4, 7 - ковшовий скорочувач; 5 - бункер для проміжної проби; 6 - молоткова дробарка; 8 - лотковий дільник; 9 - видалення залишків.

Рис. 12.5: 1 - ковшовий пробовідбірник; 2 - бункер для накопичення початкової проби; 3 - молоткова дробарка; 4 - ковшовий скорочувач; 5 - сушильна піч; 6 - молотковий млин; 7 - лотковий дільник; 8 - видалення залишків проби.

       
   
Рис. 12.5 - Схема обробки проби в машині МПА-150
 
Рис. 12.4 - Схема обробки проби в машині МПЛ-300
 

 

 


Література до лекції 12: [3] с. 110 – 114.

ЧАСТИНА 4 ТЕХНОЛОГІЧНИЙ КОНТРОЛЬ ОСНОВНИХ

ВИРОБНИЧИХ ПРОЦЕСІВ

Лекція № 13

13 СИСТЕМА КОНТРОЛЮ ЯКОСТІ.

ТЕХНІЧНИЙ КОНТРОЛЬ ПІДГОТОВЧИХ ОПЕРАЦІЙ

 

13.1 Функції і завдання системи технічного контролю на збагачувальних фабриках

 

Одним з важливіших підрозділів вуглезбагачувальної фабрики є відділ технічного контролю (ВТК), який здійснює контроль кількості і якості вихідної сировини і продуктів збагачення.

Кількісному контролю підлягає рядове вугілля, яке поступає на фабрику, товарні продукти, що відвантажується споживачам, а при необхідності і деякі проміжні продукти технологічного процесу. Найбільш надійним способом контролю кількості є зважування всього матеріалу, що контролюється. Для цієї цілі використовують залізничні і конвеєрні ваговимірювальні системи.

Якісний контроль здійснюють в основному випробуванням вихідних, відвантажених і проміжних продуктів.

Випробування рядового вугілля виробляють с ціллю визначення їх якісних показників, необхідних для розрахунку з постачальниками і дослідження вугілля як об’єкту збагачення. Визначають наступні показники якості вугілля: зольність, масові доли вологи, мінеральні домішки сірки, ситовий і фракційний склади.

Випробування кінцевих продуктів збагачення виконують для встановлення відповідності якості їх технічним умовам і розрахунку з постачальниками.

Контроль якості проміжних продуктів на збагачувальних фабриках виробляється с ціллю наладки, управлення технологічним процесом і забезпечення випуску продукції потрібної якості.

Збагачувальна фабрика може реалізовувати вугільну продукцію тільки після прийому її відділом технічного контролю (ВТК). На продукцію повинен бути оформлений документ, що засвідчує відповідність її встановленим вимогам.

Система технічного контролю (об'єкти контролю, контрольні операції і їх послідовність, технічне оснащення, режими, методи, засоби механізації і автоматизації контрольних операцій) є невід'ємною частиною виробничого процесу, розробляється одночасно з розробкою технології виробництва.

Головним завданням системи контролю якості є запобігання постачанню (випуску) збагачувальною фабрикою вугільної продукції, не відповідної вимогам стандартів, технологічних умов або тимчасових норм.

 

Функції контролю:

1 Контроль якості рядового вугілля, що поступає на фабрику.

2 Контроль якості товарного концентрату, що відвантажується споживачам.

3 Контроль якості товарного промпродукта.

4 Відбір проб для контролю технологічних процесів.

 

Технологічний (поточний) контроль призначений для підтримки оптимальних режимів збагачення рядового вугілля, що забезпечує випуск кінцевих продуктів необхідної якості.

Оскільки за якість готової продукції відповідає цеховий персонал, поточний контроль також здійснюється ним. На практиці це сприяє поліпшенню якості концентрату і зниженню втрат горючої маси з відходами.

При виборі точок контролю потрібно враховувати можливість установки автоматичних приладів і пристроїв і зручного доступу до них. Контролюватися повинні тільки показники, що визначають ефективність процесу, а якщо параметри взаємозв'язані, то контролюється тільки один з них.

Об'єм контролю на збагачувальних фабриках визначається технологічною схемою, періодичністю і точністю визначення необхідних показників.

За даними поточного контролю забезпечується необхідний режим процесу і роботи устаткування, при якому випускаються продукти необхідної якості. Якщо показники перевищують допустимі межі, це означає, що процес вимагає наладки. Тому, добре налагоджений контроль показників якості продуктів і їх відхилення по ходу процесу дозволяє вчасно приймати заходи по його регулюванню.

Схема випробування на фабриці залежить від прийнятої технології збагачення, компоновки устаткування, способів доставки рядового вугілля і схем відвантаження товарних продуктів збагачення.

В табл. 13.1 приведені продукти технологічного контролю і оперативного управлення процесами на вуглезбагачувальних фабриках.

Примітка 1. Загальна сірка Std, вміст мінеральних домішок і дріб’язку визначають лише у випадках, коли це передбачено технічними умовами для продукції збагачувальної фабрики.

Примітка 2. У разі, якщо не вистачає інформації щодо якості вугілля або відсутня можливість випробування вугілля кожної окремої шахти, випробують шихту рядового вугілля.

 

Таблиця 13.1 – Перелік вугільних продуктів, які підлягають випробуванню

Вугільний продукт Нормативні документи, згідно з якими здійснюють відбір і підготовку проб Показники, які підлягають визначенню
1 2 3
Рядове вугілля, яке надходить з шахт і розрізів ДСТУ 4096-2002 Зольність Ad, %
Загальна волога Wtr, %
Загальна сірка Std, %
ГОСТ 1916-75 Вміст мінеральних домішок і дріб’язку, %
ДСТУ 4082-2002 Гранулометричний склад
ДСТУ 3550-97 Фракційний склад
Шихта рядового вугілля перед класифікацією ДСТУ 4096-2002 (з потоку) Зольність Ad, %
Загальна волога Wtr, %
Важкосередовищне збагачення:
магнетитова суспензія - Густина суспензії на вході і виході сепаратораρ, кг/м3
концентрат ДСТУ 4096-2002 (з потоку) Зольність Adк-т, %
ДСТУ 3550-97 Фракційний склад (взаємозасмічення)
відходи ДСТУ 4096-2002 (з потоку) Зольність Adвідх,, %
ДСТУ 3550-97 Фракційний склад (взаємозасмічення)
Відсадження:
концентрат ДСТУ 4096-2002 (з потоку) Зольність Adк-т, %
ДСТУ 3550-97 Фракційний склад (взаємозасмічення)
відходи ДСТУ 4096-2002 (з потоку) Зольність Adвідх, %
ДСТУ 3550-97 Фракційний склад (взаємозасмічення)
Флотація:
вихідна пульпа - Густина ρ, кг/м3
  Зольність твердого Adвих, %
  Витрата Qвих, т/год
Закінчення табл. 13.1  
1 2 3
концентрат ДСТУ 4096-2002 (з потоку) Зольність Adк-т, %
рідкі відходи - Зольність Adвідх, %
Згущення:
вихідна пульпа - Витрата Qвих, т/год
- Густина ρ, кг/м3
оборотна вода - Концентрація твердого, г/л
Сушка:
концентрат - Загальна волога Wtr, %
Концентрат, який відвантажується споживачам ДСТУ 4096-2002 Зольність Adк-т, %
Загальна волога Wtr, %
Загальна сірка Std, %
Проміжний продукт, який відвантажується споживачам ДСТУ 4096-2002 Зольність Adпп, %
Загальна волога Wtr, %
Відходи, що прямують у відвал ДСТУ 4096-2002 Зольність Adвідх, %

 

 

13.2 Технологічний контроль процесу грохочення

 

У технологічному процесі грохочення виконує різні функції: попереднє, підготовче, контрольне. Відповідно відрізняються технологічний контроль даної операції і вимоги до вихідних характеристик продуктів грохочення.

При попередньому грохоченні верхня межа крупності вугілля залежить від конструктивних особливостей завантажувальних пристроїв збагачувальних машин. При підготовчому грохоченні пред'являють жорсткі вимоги до нижньої межі крупності (для відсадження вона повинна бути не нижче 0, 5мм, при збагаченні важкосередовищних сепараторах вміст дрібниці не повинен перевищувати 10%, зокрема класу 0-1мм - 2%).

Загальними при оцінці процесів грохочення є два основні показники - продуктивність і ефективність розділення. Ефективність характеризує чистоту розділення вугілля по крупності, заданої розмірами отворів сита.

Ефективність грохочення може бути розрахована з урахуванням засмічення надрешетного продукту нижнім класом (частинок розміром менше отворів сита) і підрешітного продукту верхнім класом (частинок розміром більше отворів сита).

В цьому випадку відбираються проби від вихідного матеріалу і продуктів грохочення, проби розсіваються на контрольному ситі з діаметром отворів таких же, як отвори сита, встановленого на грохоті.

Ефективність грохочення визначається по формулі:

 

% (13.1),

 

де а, в, с – вміст нижнього класу відповідно в вихідному вугіллі, надрешітному і підрешітному продуктах %.

В тих випадках, коли засмічення підрешітного продукту не має значення, ефективність грохочення визначають по формулі:

 

% (13.2).

 

Оперативний контроль процесу здійснюється за вмістом частинок менш крупності розділення в надрешітному продукті і частинок більш за цю крупність в підрешітному продукті.

Визначення ефективності грохочення проводять при підборі режиму роботи грохоту, зміні характеристик збагачуваного вугілля і т.ін.

Ефективність грохочення знижується при збільшенні навантаження на грохот. Окрім цього, існує залежність від ряду інших чинників:

1) конструктивні параметри і режим експлуатації

2) характеристика поверхні, що просіює, грохоту;

3) властивості вугілля.

Обслуговуючий персонал повинен стежити за своєчасним очищенням і натягненням сит. Для підтримки оптимальних умов роботи грохотів потрібно регулювати подачу матеріалу. Оптимальні значення параметрів встановлюються у кожному конкретному випадку.

 

13.3 Технологічний контроль процесу дроблення

 

Дроблення застосовують як підготовчу операцію перед збагаченням вугілля (дроблення крупних кусків вихідного матеріалу) або для розкриття зростків для збагачення по зольності і сірці (дроблення промпродукта).

При дробленні не можна допускати переподрібнення матеріалу, особливо додаткового утворення класу 0-1 мм. (При зменшенні крупності знижується ефективність розділення і збільшуються втрати горючої маси з відходами, складніше і дорожче процеси обезводнення).

Якість роздробленого продукту оцінюються показниками:

- вмістом частинок крупності необхіднішої верхньої межі;

- вмістом дрібниці – при дробленні крупних кусків;

- вмістом класу 0-1 мм – при дробленні промпродукта.

Ефективність дроблення слід визначати при зміні сировинної бази фабрики або технології збагачення. Відбирають проби від вихідного і роздрібнюваного продуктів, розсіюють на ситі з відповідним розміром отворів, а при необхідності – розшаровують.

Ефективність розкриття зерен промпродукта оцінюється відносним збільшенням виходу концентратной фракції після дроблення:

 

% (13.3),

 

де γ к і γ к' – вихід концентратной фракції до і після дроблення.

Для цього необхідно провести фракційний аналіз вихідного і роздробленого продуктів. Якщо дроблення промпродукта не забезпечує розкриття зростків і збільшення виходу концентрату, то цю операцію не застосовують.

 

Література до лекції 13: [1] с. 115 - 130; [3] с. 244 - 257; [5] с. 250 – 254.

 

Лекція № 14

14 ТЕХНОЛОГІЧНИЙ КОНТРОЛЬ ГРАВІТАЦІЙНИХ ПРОЦЕСІВ ЗБАГАЧЕННЯ

 

14.1 Оперативний контроль гравітаційних процесів збагачення

 

При веденні гравітаційного збагачення контролюється: продуктивність і щільність живлення апаратів, щільність і в'язкість суспензії, розпушеність постелі відсаджувальних машин, якість продуктів збагачення.

Для оперативного контролю роботи гравітаційного устаткування визначається взаємозасмічення продуктів розділення сторонніми фракціями, яке порівнюється з допустимими нормами.

Для концентрату вугілля, що коксується, сторонніми вважаються фракції більше 1400-1500 кг/м3, для відходів - менше 1800 кг/м3.

Для контролю відбираються проби від продуктів і проводиться прискорений фракційний аналіз (експрес-аналіз) в рідинах, густина яких відповідає встановленій густині в процесі. Концентрат розшаровують при густині 1400 або 1500 кг/м3, відходи - 1800 кг/м3, промпродукт - в обох рідинах.

Проби для експрес-аналізу відбирають із зневоднюючих грохотів (крупні продукти), після багер-зумпфів і елеваторів (дрібні продукти). Маса проб повинна бути не менше 10 кг для крупних класів і 3-5 кг - для дрібних.

Пробу знешламлюють в бачку з сітчастим дном з отворами 0, 5 мм, дають воді стекти, зважують у вологому стані і розшаровують в контрольній рідині.

При аналізі концентрату ретельно знімають фракцію, що спливла, бачок з важкою фракцією, що осіла, виймають, промивають водою і зважують у вологому стані.

При експрес-аналізі відходів зважують початкову пробу і фракцію, що спливла.

Засмічення продуктів сторонніми фракціями визначається по формулі:

 

%, (14.1),

 

де m - маса початкової проби, кг;

С - вміст сторонньої фракції, кг.

Результати порівнюють зі встановленими нормами і з показниками для кожної машини. У разі потреби робота апарату регулюється.

Експрес-аналіз проводиться апаратниками, які обслуговують процеси.

Від продуктів збагачення також відбираються проби на загальний аналіз. Відбір може проводитися вручну або за допомогою пробовідбірників. Ці операції здійснюються працівниками ВТК.

 

14.2 Технологічний контроль процесу збагачення відсадженням

 

У відділенні відсадження контролюється гранулометричний склад вихідного живлення; продуктивність відсаджувальних машин; розпушеність і висота постели; тиск і витрата стислого повітря; витрата підрешітної і транспортної води; якість продуктів збагачення.

Перевага віддається контролю шляхом прямого вимірювання, для цього застосовуються автоматизовані системи. Комплекс автоматизації відсаджувальних машин ОКА дозволяє забезпечувати автоматичне регулювання висоти і розпушеності постели; оптимізацію процесу з урахуванням зольності продуктів збагачення і продуктивності відсаджувальної машини; контроль основних параметрів процесу відсадження і сигналізацію про стан механізмів.

Разом з автоматичним контролем передбачається поточний технологічний контроль, здійснюваний працівниками ВТК і апаратниками.

Для контролю гранскладу вихідного живлення масою не менше 10 кг розсіюють на контрольному ситі з діаметром отворів 0, 5 мм. Підрешітний продукт зважують і визначають кількість шламу в живленні відсадження. На процес відсадження особливо впливає наявність частинок менше 1 мм. При збільшенні їх вмісту від 5 до 30% погрішність розділення зростає майже удвічі.

Оперативний контроль роботи відсаджувальних машин проводять з допомогою експрес фракційного аналізу (п.14.1). Розшарування проб проводять не рідше, ніж через 2 години. При необхідності аналіз проводять частіше. Норми засмічення продуктів відсадження сторонніми фракціями, що рекомендуються: для крупного класу - 0, 2-0, 3%; для дрібного 0, 3-0, 5%.

Контроль відходів по засміченості сторонніми фракціями є більш переважним, чим контроль їх по зольності, який не дозволяє оцінити втрат концентрату.

Для контролю якості продуктів збагачення проводиться відбір і аналіз змінних проб для визначення необхідних показників якості.

Висота постілі контролюється поплавковим датчиком. При зміні товщини шару поплавок переміщається і викликає відкриття і закриття регулятора, який управляє розвантаженням важких продуктів.

Розпушеність ліжка контролюють дерев'яним щупом.

Регулювання процесу збагачення відсадженням

Деякі параметри управління встановлюються на тривалий період при наладці режиму роботи машини, інші регулюються оперативно.

Розпушеність постілі регулюють подачею підрешітної води і стислого повітря по відсіках машини. Практично це виконується апаратником.

Оперативно регулюється інтенсивність розвантаження важкої фракції. У шиберних розвантажувальних пристроях змінюється ширина щілини, в роторних - ширина обертання розвантажувача.

В сучасних відсаджувальних машинах для автоматичного регулювання випуску важких фракцій застосовуються авторегулятори різних типів.

Висота постілі встановлюється при наладці авторегуляторів.

В ході експлуатації можуть утворюватися розриви відсаджувальних сит, тому необхідний регулярний огляд, їх очищення і своєчасний ремонт.

 

14.3 Технологічний контроль процесу збагачення у важких середовищах

 

При збагаченні вугілля у важкій суспензії контролюють гранулометричний склад вихідного живлення, навантаження на машину, властивості суспензії, якість отриманих продуктів, їх вихід.

Для контролю гранскладу пробу вихідного живлення розсіюють на контрольному ситі. При збагаченні у важких середовищах допускається вміст частинок менше нижньої межі крупності - не більше 10%, зокрема кл. 0-1 мм - не більше 2%.

Для контролю якості продуктів збагачення проводиться відбір і аналіз змінних проб для визначення необхідних показників якості.

Оперативний контроль роботи важкосередовищних установок проводять за допомогою експрес фракційного аналізу (п.14.1).

Управлення процесом важкосередовищного збагачення

Основними регулюючими параметрами важкосередовищних сепараторів є навантаження на сепаратор; густина і в’язкість суспензії.

Питоме навантаження на 1м ширини ванни сепаратора при крупності вихідного живлення складає 60-75 т/год. Із зменшенням крупності питоме навантаження також знижується, із збільшенням – підвищується.

Для зменшення густини суспензії додають воду, для збільшення – згущену суспензію або магнетит.

Регулювання в’язкості здійснюється відводом більшої кількості кондиційної суспензії на регенерацію.

При наладці необхідно забезпечить, щоб висота злива суспензії з сепаратора була 20-30 мм, швидкість горизонтального потоку повинна складати 1, 0-1, 2 м/с. Суспензію подають у двох точках: 2/3 через нижній ввід для створення висхідного потоку і 1/3 через торцевий ввід для транспортування продукту, що сплив.

У важкосередовищних гідроциклонах оперативно регулюють: кількість вихідної пульпи за допомогою засувки; густина суспензії; діаметр випускної насадки для важкого продукту.

Кут нахилу гідроциклону; діаметр зливної насадки; напір пульпи і вміст твердого у живленні підбирають в процесі наладки.

Хороша класифікація вугілля – одна із головних умов нормальної технології збагачення у важких середовищах. В протилежному випадку накопичення вугільного шламу в суспензії підвищує її в’язкість, погіршує процес регенерації і знижує якість продуктів.

 

Література до лекції 12: [1] с.115-130; [3] с.244-257; [5] с.250-254.

 

 


Поделиться с друзьями:

mylektsii.su - Мои Лекции - 2015-2026 год. (2.656 сек.)Все материалы представленные на сайте исключительно с целью ознакомления читателями и не преследуют коммерческих целей или нарушение авторских прав Пожаловаться на материал