Студопедия

Главная страница Случайная страница

КАТЕГОРИИ:

АвтомобилиАстрономияБиологияГеографияДом и садДругие языкиДругоеИнформатикаИсторияКультураЛитератураЛогикаМатематикаМедицинаМеталлургияМеханикаОбразованиеОхрана трудаПедагогикаПолитикаПравоПсихологияРелигияРиторикаСоциологияСпортСтроительствоТехнологияТуризмФизикаФилософияФинансыХимияЧерчениеЭкологияЭкономикаЭлектроника






Конструкция и детали.

Вариант электронной системы зажигания для двигателя, оснащенного 12 В генератором.

 

В 2002 г., в предпоследний день отпуска я приобрел за 3000 вечнодеревянных рублей мечту моего советского детства – мотоцикл ЯВА, переходной модели 638-05. Аппарат использовался для перевозки картошки в боковом прицепе, причем не в «Велорексе», а в железном удмуртском. В результате такой эксплуатации у мотоцикла были полностью убиты подшипники колёс, передняя и задняя подвеска. Немного утешало только одно – довольно резвый двигатель, который предыдущий владелец немного дефорсировал, установив под цилиндр прокладку толщиной этак несколько миллиметров – для питания железного коня хоть и неплохим башкирским, но всё же 76 бензином.

Поскольку со второго класса школы я увлекался электроникой, и немало насмотрелся на явистов и ижатников, мучающихся со штатным контактным зажиганием, у меня и в мыслях не было оставить его на мотоцикле. И начались эксперименты. Основным условием я для себя поставил сборку двухканальной системы, с сохранением стандартных катушек зажигания, т.к. заменить их не просто – под бензобак ТАЗиковые не умещаются. Проводить ликбез по работе двухтактного двухцилиндрового двигателя – не стану, спорить с любителями зажигания «Датчик Холла + катушка зажигания от ОКИ» - тоже, скажу лишь, что одна из собранных конструкций успешно воспламеняла несжатую ТВС на непрогретом двигателе, в результате работал он просто ужасно.

Многочисленные примитивные схемы транзисторного зажигания были отброшены сразу. Первой я собрал систему зажигания, опубликованную в [1], уже было обрадовался, так как на стенде она работала нормально. Но установив её на мотоцикл выявилась её убийственная чувствительность к любым помехам. Причиной оказалась подача смещения на входы таймера NE555, приводящая к работе последней в крайне неустойчивом режиме. Экранирование не дало вообще никаких положительных результатов. Помехи по цепям питания при этом не влияли на работу схемы.

Далее последовал блок зажигания Адигамова [2], по сути являющий собой легендарный блок Сверчкова, но с биполярным транзистором КТ898А1 вместо тиристора. Выяснилось, что закрыть биполярный транзистор полностью – не так просто, в результате обратноходовый однотактный генератор отказывался устойчиво запускаться. Да и способ регулирования напряжения на накопительных конденсаторах меня не устраивал.

В качестве последней попытки собрал экзотический блок зажигания Никишина [3], с одноимпульсным зарядом накопительного конденсатора. Блок в общем-то не плохой, НО очень громоздкий из-за дросселя и в нём невозможно использовать часть деталей для двух каналов одновременно – нужно два одинаковых блока и к тому же, импульсный потребляемый ток слишком велик для слабенького мотоциклетного аккумулятора.

 

В результате всех этих опытов, я решил, что:

Во-первых, датчик должен быть один и обязательно оптический – датчик Холла рядом с генератором – это маразм.

Во-вторых, для упрощения сборки системы лучше использовать готовые коммутаторы 0529.3734 компании ВТН.

В-третьих я обнаружил простое и гениальное решение по формированию сигналов для двух коммутаторов от одного датчика – не важно, оптического или Холла.

 

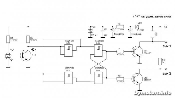
Конструкция и детали.

 

Предназначалось устройство для автомобиля УАЗ. Мне оставалось лишь изменить форму крыльчатки – сделать один вырез ровно на 180 градусов.

Схему немного дополнил – изменил фильтр питания датчика и микросхемы DD1. Резисторы в цепях питания светодиода и фототранзистора пришлось подобрать исходя из соображений, что напряжение на входе DD1.1 должно изменяться почти от нуля (фототранзистор VT1 освещен), до почти напряжения питания (фототранзистор VT1 затемнен, но на датчик попадает не прямой солнечный свет или в гараже хорошее освещение) – регулируется R4 и при этом ток через светодиод VD1 не должен превысить допустимое для него значение при напряжении питания 18 В (в случае выхода из строя фильтра питания и регулятора напряжения бортовой сети).

Датчик применил готовый – GP1S51 из харда или дисковода 5.25” – точно уже не помню.

 

Чертеж датчика в формате.dwg (AutoCad): articles-ignition-datchik.dwg [40, 38 Kb] (cкачиваний: 98)

 

Детали конструкции смонтированы на печатной плате, устанавливаемой вместо штатной пластины с контактами. Благодаря тому, что теплопроводность текстолита или гетинакса существенно ниже, чем у железа, датчик меньше нагревается от картера двигателя, достигая лишь средней температуры воздуха под правой крышкой. Материал корпуса датчика – полистирол, как и у ТАЗикового датчика Холла.

 

Насмотревшись на «художества» антинародных очумельцев, решил, что болт крепления ротора генератора и шторка датчика должны иметь независимое крепление. Регулировать зажигание, удерживая коленвал или заднее колесо на четвертой передаче – удовольствие для мазохистов. Так как доступа к металлорежущим станкам не было – пришлось использовать то, что было в наличии – шпиндель (или как он там называется) от одноблинового харда 3.5” – марку точно не помню, только емкость – около 400 МБ. Модель начиналась на «1», т.е. один блин.

Кулачок прерывателя оставил родной, укоротив его по высоте на 5 мм с помощью эл. дрели и наждака (ну не было, блин знакомого токаря тогда: (). На кулачок одел собственно шпиндель от харда, закрепив всё вместе штатным болтом.

Осталось лишь установить блин от того же харда, на котором сделан вырез 180 градусов и коммутаторы от ТАЗика под сиденье.

 

 

Регулировка датчика элементарна:

 

1. Устанавливаем плату на генераторе в положении почти полного запаздывания – поворачиваем по часовой стрелке почти до упора.

2. Устанавливаем один цилиндр в ВМТ, поворачиваем шторку так, что бы искра проскакивала при вращении коленвала по часовой стрелке именно в нём точно при прохождении ВМТ. Закрепляем шторку тремя винтами.

3. Поворачиваем плату датчика против часовой стрелки, т.е. навстречу вращению коленвала, а значит в сторону опережения на требуемый угол – я себе установил 27 градусов, что оптимально для оборотов около 5500 в минуту, если верить Ситникову [4]. Фиксируем плату двумя винтами.

4. Проверяем момент искрообразования для второго цилиндра. Если угол не тот же – значит либо коленвал не симметричен, криво запрессован и т.п., либо вырез на шторке сделан не точно. Подгоняем при необходимости одну из кромок шторки с помощью надфиля до полной симметрии угла опережения зажигания.

 

 

Система готова к работе. Проверить искрообразование можно с помощью любого предмета, умещающегося в зазоре датчика – отвертки, спички или, например обрывка спичечного коробка.

Стабильность срабатывания датчика проверяется на прогретом работающем двигателе на слух и с помощью стробоскопа (я себе собрал светодиодный). Стробоскоп также проверит и помехоустойчивость датчика.

Однажды отрегулированное зажигание в повторных регулировках не нуждается. Загрязнения датчика продуктами износа колец генератора и щеток за три сезона не наблюдается.

Рекомендую так же заменить высоковольтные провода и свечные колпачки на силиконовые ХОРС, которые надежно защитят изоляторы свечей от загрязнения и влаги.

Теперь о грустном. Недостатком системы остаются высокоомные катушки зажигания ЯВЫ, которые не обеспечат высокую энергию искры на высоких оборотах. Если кто-то предложит им низкоомную альтернативу, с учетом свободного пространства под бензобаком – пишите на мыло KARDAN19@YANDEX.RU.

Вместо послесловия. Поскольку желание оставить штатные катушки зажигания у меня не прошло, в настоящее время разрабатывается тиристорная двухканальная система зажигания.

 

Литература

1. С. Вычугжанин. Октан-корректор на базе вариатора фазы. (ЭЛЕКТРОНИКА ЗА РУЛЕМ) — РАДИО 2001, № 5, c. 32

2. Э. Адигамов. Модернизация блока зажигания. (Электроника за рулем) — РАДИО 2002, № 12, c. 33

3. В. Никишин. Дроссельно-конденсаторный блок зажигания. (ЭЛЕКТРОНИКА ЗА РУЛЕМ) — РАДИО 2001, № 9, c. 38

 

<== предыдущая лекция | следующая лекция ==>
C1 х С2 С1 х С2 х t | Рейнсдорф
Поделиться с друзьями:

mylektsii.su - Мои Лекции - 2015-2026 год. (1.573 сек.)Все материалы представленные на сайте исключительно с целью ознакомления читателями и не преследуют коммерческих целей или нарушение авторских прав Пожаловаться на материал