Студопедия

Главная страница Случайная страница

КАТЕГОРИИ:

АвтомобилиАстрономияБиологияГеографияДом и садДругие языкиДругоеИнформатикаИсторияКультураЛитератураЛогикаМатематикаМедицинаМеталлургияМеханикаОбразованиеОхрана трудаПедагогикаПолитикаПравоПсихологияРелигияРиторикаСоциологияСпортСтроительствоТехнологияТуризмФизикаФилософияФинансыХимияЧерчениеЭкологияЭкономикаЭлектроника






Гладкое цилиндрическое соединение






Составление схем расположения полей допусков стандартных сопряжений. Расчёт соединения подшипника качения с валом и корпусом. Расчет размерных цепей

Расчётно-графическая работа

«Составление схем расположения полей допусков стандартных сопряжений.Расчёт соединения подшипника качения с валом и корпусом.Расчет размерных цепей»

Содержание

 

1. Схемы расположения полей допусков стандартных сопряжений.

2.Соединение подшипника качения с валом и корпусом.

3.Расчет размерных цепей:

а)Решение задачи методом максимума– минимума(способ равных квалитетов);

б)Решение задачи теоретико-вероятностным методом (способ равных квалитетов).

Схемы расположения полей допусков стандартных сопряжений

Гладкое цилиндрическое соединение

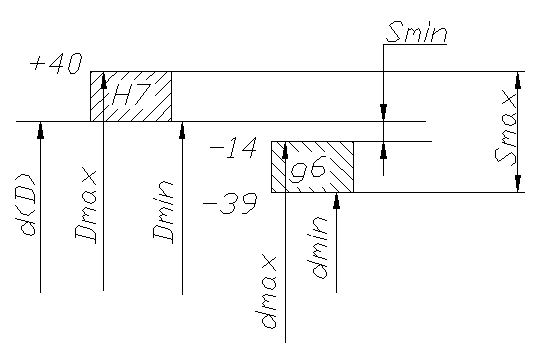
а)Ш178 H7/g6

Параметр Значение
d(D) = 178 мм
es = -14 мкм
ei = -39 мкм
ES = 40 мкм
EI = 0 мкм
dmax = d + es= 177, 986 мм
dmin = d + ei = 177, 961 мм
Dmax = D + ES = 178, 04 мм
Dmin = D + EI = 178 мм
Td = dmax - dmin = es – ei = 25 мкм
TD = Dmax – Dmin = ES - EI = 40 мкм
Smax = Dmax - dmin = 79 мкм
Smin= Dmin – d max = 14 мкм
Scp = (Smax + Smin) / 2 = 46, 5 мкм
TS= Smax – Smin = 65 мкм
Характер сопряжения Зазор
Система задания посадки Основное отверстие

 

 

б)Ш70 S7/h7

 

Параметр Значение
d(D) = 70 мм
es =  
ei = -30 мкм
ES = -48 мкм
EI = -78 мкм
dmax = d + es= 70 мм
dmin = d + ei = 69, 97 мм
Dmax = D + ES = 69, 952 мм
Dmin = D + EI = 69, 922 мм
Td = dmax - dmin = es – ei = 30 мкм
TD = Dmax – Dmin = ES - EI = 30 мкм
Nmin = dmin - Dmax 18 мкм
Nmax = dmax - Dmin 78 мкм
Ncp = (Nmax + Nmin) / 2 = 48 мкм
TN = Nmax – Nmin = 60 мкм
Характер сопряжения Натяг
Система задания посадки Основной вал

 

 

в) Ш178H7/m6

Параметр Значение
d(D) = 178 мм
es = 40 мкм
ei = 15 мкм
ES = 40 мкм
EI =  
dmax = d + es= 178, 04 мм
dmin = d + ei = 178, 015 мм
Dmax = D + ES = 178, 04 мм
Dmin = D + EI = 178 мм
Td = dmax - dmin = es – ei = 25 мкм
TD = Dmax – Dmin = ES - EI = 40 мкм
Smax = Dmax - dmin = 25 мкм
Nmax = dmax - Dmin = 40 мкм
Scp = (Smax + Smin) / 2 = -7, 5 мкм
TS = Smax – Smin = 65 мкм
Характер сопряжения Переходная
Система задания посадки Основное отверстие

Для комбинированной посадки определим вероятность образования посадок с натягом и посадок с зазором. Расчет выполним в следующей последовательности.

- рассчитаем среднее квадратическое отклонение зазора (натяга), мкм

 

-

определим предел интегрирования

 

-

табличное значение функции Ф(z)= 0, 32894

- вероятность натяга в относительных единицах

 

PN' = 0, 5 + Ф(z) = 0, 5 + 0, 32894 = 0, 82894

 

- вероятность натяга в процентах

 

PN = PN' x 100% = 0, 82894*100%= 82, 894%

 

- вероятность зазора в относительных единицах

 

PЗ' =1 – PN = 1 - 0, 82894 = 0, 17106

 

- вероятность зазора в процентах

 

PЗ= PЗ' x 100% = 0, 17103*100% = 17, 103%


Поделиться с друзьями:

mylektsii.su - Мои Лекции - 2015-2026 год. (1.068 сек.)Все материалы представленные на сайте исключительно с целью ознакомления читателями и не преследуют коммерческих целей или нарушение авторских прав Пожаловаться на материал