Студопедия

Главная страница Случайная страница

КАТЕГОРИИ:

АвтомобилиАстрономияБиологияГеографияДом и садДругие языкиДругоеИнформатикаИсторияКультураЛитератураЛогикаМатематикаМедицинаМеталлургияМеханикаОбразованиеОхрана трудаПедагогикаПолитикаПравоПсихологияРелигияРиторикаСоциологияСпортСтроительствоТехнологияТуризмФизикаФилософияФинансыХимияЧерчениеЭкологияЭкономикаЭлектроника






Поэтому формулу (4.11) для однородной сети можно записать в виде 2 страница






Номинальная мощность синхронного компенсатора приводится в его паспортных данных для режима перевозбуждения, в котором компенсатор выдаёт в сеть реактивную мощность. В режиме недовозбуждения компенсатор потребляет реактивную мощность из сети. При этом предельная мощность может быть найдена из (5.6):

(5.6)

 
 


Реактивное сопротивление синхронных компенсаторов в относительных единицах * =1, 7-2, 0 о.е. С учётом этого, принимая в качестве базисных величин, номинальную мощность и номинальное напряжение компенсатора, из (5.6) получаем

≈ 1/(1, 7÷ 2, 0) = - (0, 6÷ 0, 5)

 

Синхронный компенсатор, работающий в режиме перевозбуждения, способен увеличивать выдаваемую в сеть реактивную мощность при понижении напряжения в сети. Отмеченное свойство компенсатора убедительно аргументируется при рассмотрении его V-образных характеристик. Эти характеристики, являются для компенсатора наиболее важными, представляют собой зависимости вида I=f(iB) при Uc=const. Эти характеристики ничем не отличаются от соответствующей характеристики синхронного генератора при активной мощности, равной нулю, т.е. Pc, к=0. Для компенсатора полезно построить семейство V-образных характеристик при различных напряжениях сети (при Uc=Uн=const; Uc=0, 95Uн; Uc=1, 05Uн и т.д.). С помощью такого семейства характеристик (рис.5.3) можно судить о реакции компенсатора на изменение напряжения при iB=const.

 

 

Рис.5.3. Семейство V-образных характеристик синхронного компенсатора при различных значениях Uc.

 

Очевидно, что в режиме перевозбуждения, например при токе возбуждения iB, понижение напряжения сети сопровождается переходом рабочей точки в область более высоких значений тока якорной обмотки компенсатора. Этот эффект имеет место при автоматическом регулировании тока возбуждения компенсатора. Такая особенность синхронных компенсаторов, называется иногда положительным регулирующим эффектом, позволяет при их применении существенно улучшить характеристики режима электрической системы в целом. Объясняется это тем, что, увеличивая выдачу реактивной мощности, можно повысить уровень напряжения в сети в аварийных и послеаварийных режимах. Чтобы убедиться в этом, следует обратиться к рис.5.4

 
 

 

 


Рис.5.4. Схема двухцепной линии

 

Для двухцепной линии потеря напряжения

 

.

 

При выведении из эксплуатации одной из цепей, в частности, в результате какого-либо повреждения потери напряжения

 
 

 


При Q'с, к=Qс, к значение ∆ U'=2∆ U и, следовательно, в послеаварийном режиме можно ожидать существенного снижения напряжения у потребителей. При возрастании мощности синхронного компенсатора (Q'с, к> Qс, к ) это снижение будет тем меньшим, чем большую мощность может выдать синхронный компенсатор.

В то же время положительное регулирующее влияние источника реактивной мощности тем эффективнее, чем быстрее возрастает выдаваемая мощность при снижении напряжения. Использование типовых конструкций синхронных компенсаторов обычно не обеспечивает высокого быстродействия, ток цепи возбуждения этих машин обладает значительным индуктивным сопротивлением. Решение может быть найдено либо увеличением установленной мощности синхронных компенсаторов на подстанциях сети, либо изменением их конструкции. Такое изменение необходимо для того, чтобы иметь возможность существенно увеличивать в процессе регулирования напряжение на зажимах обмотки возбуждения (иметь " Высокие потолки возбуждения"). В первом случае относительно небольшое изменение реактивной мощности каждого из компенсаторов при большом их числе приведёт к суммарному значительному росту выдаваемой мощности в каждый момент времени. При этом будет достигнут своеобразный эффект быстродействия. Во втором случае можно обеспечить действительное быстродействие в регулировании выдаваемой мощности для каждого отдельного компенсатора.

При выборе параметров синхронных компенсаторов нет необходимости заботится об обеспеченности или достаточной статической перегружаемости, как это делают в генераторах или двигателях. Объясняется такое положение тем обстоятельством, что активная мощность синхронного компенсатора близка к нулю, Pс, к≈ 0 и он работает на угловой характеристик при угле нагрузки Q≈ 0.

В ряде случаев в маловодные (засушливые) периоды года для работы в режиме компенсаторов используются также генераторы гидроэлектростанций. В этом режиме гидравлические турбины находятся в неработающем состоянии.

В том же качестве источника реактивной мощности, что и синхронный компенсатор в режиме перевозбуждения, может выступать батарея статических компенсаторов. На рис.5.5 показана принципиальная схема концевого участка электрической сети, по которой передаётся потребителю мощность Sн= Pн+ j∙ Qн.

 


На шинах потребителя включена батарея статических конденсаторов с реактивным сопротивлением . При напряжении на этих шинах реактивная мощность батареи

Qк=Uн2/Xк. (5.7)

Векторная диаграмма, построенная для этой схемы и приведённая на рис.5.6, показывает, что реактивная мощность в линии при неизменной мощности нагрузки изменяется. Такой же эффект может быть получен, если к шинам потребителя подключить источник реактивной мощности. Это обстоятельство даёт основание считать батарею конденсаторов своеобразным генератором (источником) реактивной мощности.

Батарея конденсаторов в отличие от синхронного компенсатора может только выдавать реактивную мощность. Другой отличительной особенностью батареи конденсаторов является резкая зависимость выдаваемой реактивной мощности от напряжения в точке включения батареи в сеть. Выражение (5.7) показывает, что снижение этого напряжения приводит к уменьшению Qк. Следовательно, в отличие от синхронного компенсатора, батарея конденсаторов характеризуется отрицательным регулирующим эффектом. Изменить степень уменьшения мощности батареи при резком снижении напряжения или даже достичь некоторого регулирующего эффекта можно путём уменьшения сопротивления Xк. Практически реализация такой возможности достигается включением дополнительных конденсаторов. Резкое изменение мощности батареи может быть также достигнуто при так называемой форсировке батареи, осуществляемой с помощью переключений, которые приводят к росту напряжения на отдельных конденсаторах. Так, например, переключая в треугольник (рис.5.7, а) трёхфазную батарею статических конденсаторов, соединённых по схеме звезды (рис.5.7, б), можно увеличить напряжение на каждой батарее в раз.

 
 
  Рис.5.7. Подключение батареи конденсаторов к электрической сети по схеме треугольника (а) и звезды (б).

 


Изменение мощности, выдаваемой батареей в нормальных эксплуатационных условиях, в настоящее время достигается включением или отключением части конденсаторов, составляющих батарею. Такое управление называется ступенчатым.

Из сопоставления двух рассмотренных источников реактивной мощности следует, что применение конденсаторных батарей связано с меньшими издержками в процессе эксплуатации в сравнении с синхронными компенсаторами. В частности, потери активной мощности в современных конденсаторах пренебрежимо малы. В то же время избавиться от потерь активной мощности в синхронном компенсаторе принципиально невозможно. Например, магнитные потери в ферромагнитном материале сердечника статора (якоря) всегда будут достигать определённого уровня. То же можно сказать и о механических потерях, присущих компенсатору, как и любой иной вращающейся электрической машине. Современные конденсаторы характеризуются уровнем потерь активной мощности, который приближённо можно оценить величиной в 0, 5%, тогда как в синхронных компенсаторах потери активной мощности, составляющие 1, 5-2, 5% при номинальной мощности, в условиях неполного использования компенсатора могут возрасти до 6-8%. Кроме того, эксплуатация вращающейся машины сложнее, чем эксплуатация статического устройства, так как она связана с работой комплекса механизмов для охлаждения воздуха или водорода, в свою очередь служащих для охлаждения обмоток компенсатора, и в ряде случаев требует содержания дополнительного дежурного персонала.

Чтобы выбрать экономически целесообразный источник реактивной мощности для тех или иных условий, наряду с расходами на эксплуатации необходимо учитывать величину общих и удельных капитальных затрат. Удельные затраты, т. е. затраты, отнесенные к единице мощности батареи статических конденсаторов, мало изменяются при широком диапазоне изменения мощности батареи. Это объясняется тем, что рост мощности связан не с изменением конструкции, а с увеличением числа стандартных конденсаторов, включенных в состав батареи. Удельная стоимость синхронных компенсаторов изменяется в широких пределах в зависимости от мощности, резко возрастая для синхронных компенсаторов малой мощности и уменьшаясь по мере роста их мощности.

Технологические и технико-экономические особенности и характеристики двух типов источников реактивной мощности определяют область их применения. В настоящее время синхронные компенсаторы применяются на подстанциях районных электрических сетей и, в частности, на концевых и промежуточных подстанциях линий электропередачи 220, 330 и 500 кВ. При этом наилучшим образом удаётся использовать технические свойства синхронных компенсаторов, а требующиеся на таких подстанциях значительные объёмы реактивной мощности обуславливают приемлемые значения технико-экономических показателей (капитальных затрат и эксплуатационных расходов). Батареи статических конденсаторов, имеющие обычно существенно меньшую мощность, применяются на подстанциях потребителей энергии, а также у ряда отдельных потребителей.

Синхронные компенсаторы, батареи статических конденсаторов и синхронные генераторы на электрических станциях обеспечивают и регулируют баланс реактивной мощности в современных электрических системах и сетях. При этом изменение реактивной мощности синхронных генераторов достигается через соответствующее изменение их потока возбуждения. Максимальная обеспечиваемая мощность синхронных генераторов в номинальном режиме определяется паспортным значением коэффициента мощности и активной мощностью машины. Уменьшая ток возбуждения, можно снизить реактивную мощность, выдаваемую генератором, до нуля. При снижении активной мощности в сравнении с номинальным значением возможна выдача увеличенной реактивной мощности сверх той, которая определяется по данным номинального режима. Такое увеличение, естественно, может быть допущено в пределах, ограничиваемых номинальными токами статора и ротора.

Установить условия, определяющие ограничения по выдаваемой мощности синхронного генератора, схема замещения которого показана на рис.5.8, а, можно с помощью векторных диаграмм. На рис.5.8, б показана диаграмма для номинального режима генератора, а на рис.5.8, в – для работы при сниженном напряжении на шинах. Обе диаграммы построены без учёта насыщения ферромагнитных участков магнитной цепи машины на её рабочие характеристики.

 

 

  Рис.5.8. Схема замещения синхронного генератора (а) и векторные диаграммы для номинального режима (б) и при снижении напряжения на шинах (в).     Рис.5.8. Схема замещения синхронного генератора (а) и векторные диаграммы для номинального режима (б) и при снижении напряжения на шинах (в).

 

 


В схему замещения генератора входит неизменное продольное синхронное

 

индуктивное сопротивление Xd и включённ последовательно с ним ЭДС Ė q. Если пренебречь насыщением, то эта ЭДС оказывается пропорциональна току возбуждения генератора.

При известном напряжении на шинах ЭДС Ė q определяется в результате сложения

вектора с вектором падения напряжения на сопротивлении.

 

 

 
 

 


или.

 

Векторные диаграммы, приведённые на рис.5.8 соответствуют последнему выражению.

Работу генератора при нормальных условиях характеризуют векторы показанные

на рис.5.8, б, а также коэффициент мощности cosφ ном. Составляющие вектора тока статора в этом случае определяют номинальные значения активной и реактивной мощности генератора, а вектор ЭДС Ė q, ном отвечает номинальному току возбуждения. При этих величинах режимов цепей статора и ротора генератор рассчитан на длительную работу. Любые отклонения параметров могут быть допустимы лишь в тех случаях, когда они не приводят к превышению токов статора и ротора над их номинальными значениями.

На рис.5.8 из точки О проведена окружность, радиус которой равен номинальному току статора. Используя эту окружность, можно убедиться, что при уменьшении активной составляющей тока возможно определённое увеличение его реактивной составляющей. Так, например, при токе Ia1< Ia, ном, ток статора может иметь реактивную составляющую I'r> Ir, ном. Следовательно, при снижении развиваемой турбиной активной мощности генератор может выдать увеличенную реактивную мощность, предельное значение которой по условиям нагрева статора определяется рассматриваемой окружностью.

Для окончательного суждения о возможности выдачи увеличенной реактивной мощности следует проверить, не превосходят ли отвечающий ей ток возбуждения I В или ЭДС Е q предельно допускаемых значений. Такие значения, определяемые условиями нагрева ротора машины, на рис. 5.8, а отмечены участком окружности, которая имеет центр в точке О1 и радиус, равный Еq, ном/xd. Для удобства сопоставления параметров режимов, предельных по условиям нагрева как статора, так и ротора, на рис. 5.8, в из точки О1 проведена дуга радиусом | Iном |. Эта дуга позволяет выделить те же активную и реактивную составляющие предельного тока статора, что и на участке окружности, имеющей центр в точке О. При этом активные составляющие тока располагаются в направлении оси мнимых величин комплексной плоскости, а реактивные составляющие – оси действительных величин.

Пусть требуется оценить наибольшую реактивную мощность, которую генератор может выдать, работая с коэффициентом мощности cosφ 1, при токе статора I1 = I ном (рис. 5.8, б). Рассматриваемому режиму соответствует синхронная ЭДС Eq и вектор Ė q / xd, изображенный на диаграмме сплошной линией. Модуль этого вектора, как следует из рисунка, превосходит допустимое значение E q/ xd. Следовательно, ток I1 нельзя признать допустимым для генератора, хотя он и не превосходит номинальный ток статора. При активной составляющей тока статора Iрежим будет допустимым для генератора в том случае, если ЭДС E q будет иметь значение E q1 = Еq, ном, которому на векторной диаграмме соответствует вектор Ob1. В этом случае реактивная составляющая вектора тока будет характеризоваться вектором İ r1. В рассматриваемом примере Ir1 > Ir, ном , следовательно, генератор может выдавать реактивную мощность

 
 


 

Однако из-за ограничений по току ротора превышение номинальной мощности будет относительно небольшим.

Принципиально синхронными генераторами, синхронными компенсаторами и батареями статических конденсаторов не исчерпывается весь ряд источников реактивной мощности. В ряде отечественных исследовательских организаций успешно решается задача создания статических устройств, позволяющих осуществить плавное регулирование реактивной мощности со скоростью, значительно большей, чем скорость регулирования синхронных компенсаторов.

  Рис.5.9. Схема источников реактивной мощности с регулированием мощности батарей конденсаторов (а) и регулированием в цепи реактора (б)
Известны несколько вариантов решения этой задачи. На рис.5.9 показана две принципиальные схемы устройств, предложенных в качестве источников реактивной мощности (ИРМ). Схема, приведённая на рис.5.9, а, позволяет осуществить плавное регулирование мощности батарей статических конденсаторов. Для этого батарея подключается к сети через антипараллельно включенные управляемые вентили и снабжается устройством управления УУ, с помощью которого регулируются моменты открытия и закрытия этих вентилей. Такое регулирование позволяет изменять время включения батарей в сеть в течение каждого полупериода и, как следствие, изменять ток и мощность батарей.

В схеме, показанной на рис.5.9, б, изменение мощности осуществляется регулированием в цепи реактора, тогда как батарея конденсаторов имеет неизменную реактивную мощность.

 
 

 

 


Такая схема позволяет управлять реактивной мощностью в более широких пределах, причём устройство, созданное в соответствии с этой схемой, может, как выдавать, так и потреблять реактивную мощность. В последнем случае батарея конденсаторов от сети отключается. Существуют варианты регулирования мощности реакторов в рассматриваемой схеме как путём введения в их цепь управляемых вентилей, так и с помощью подмагничивания. В последнем случае для исключения высших гармоник в токе устройства используется оригинальная конструкция реактора с подмагничиванием, имеющего неподвижный цилиндрический ротор, расположенный в расточке статора.

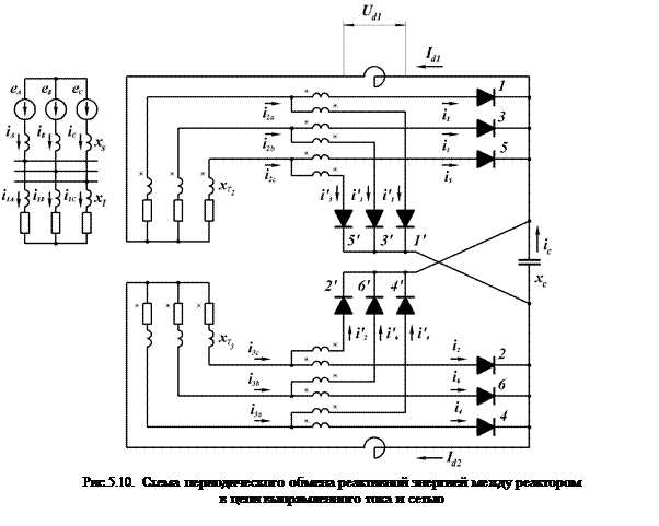
Принцип работы устройства, схема которого показана на рис.5.10, в качестве источника реактивной мощности основан на использовании периодического обмена энергией между реактором, включенным в цепь выпрямленного тока, и сетью. Устройство может работать как в режиме потребления, так и в режиме генерации реактивной мощности. В режиме генерации в схему с помощью вспомогательных вентилей в течение каждого периода кратковременно включается предварительно заряженный конденсатор. Вследствие относительно малой величины времени, в течение которого этот конденсатор включается в цепь, и необходимого для открытия главного вентиля, преобразуемая мощность конденсаторной батареи оказывается значительно меньше мощности всего устройства.

 

 

5.3. ОСОБЕННОСТИ ЭКСПЛУАТАЦИИ СИНХРОННОГО КОМПЕНСАТОРА

 

Можно показать, что эффективность использования синхронного компенсатора зависит от исходного значения коэффициента мощности линии, в которой предполагается выполнить компенсацию реактивной мощности. Проиллюстрируем рассмотрение этого вопроса частным примером. Пусть генератор СГ работает на некоторую активно-индуктивную нагрузку (рис.5.11).

  Рис. 5.11. Схема включения синхронного компенсатора

 


При этом потребитель П потребляет ток, имеющий активную составляющую Ia=1000 A

и индуктивную IL=1000 A. В этом случае потребляемый ток равен

Коэффициент мощности линии (он же коэффициент мощности потребителя) cosφ л = cosφ п = Ia/I = 1000/1414 = 0, 71.

Для разгрузки генератора и линии от индуктивного тока у потребителя энергии поставлен синхронный компенсатор СК, который при некотором возбуждении берёт из сети ёмкостный ток Ic = 600 A. В этом случае индуктивный ток в линии генератора уменьшается до значения IL – Ic = 1000 - 600 = 400 A.

 

При этом ток в линии и в генераторе будет

Коэффициент мощности линии с подключенным синхронным компенсатором

.

Ток в генераторе и линии за счет подключения синхронного компенсатора уменьшился на ∆ Iл=1414-1077=337 А, что потребовало выработки синхронным компенсатором тока Ic=600 A.

Определяем эффективность использования синхронного компенсатора при повышении сosφ л c 0, 71 до 0, 928 по отношению Кэф = ∆ Iл/ Ic = 337/600 = 0, 56.

Оцениваем эффективность использования синхронного компенсатора при дальнейшем увеличении cosφ л. Так, чтобы полностью освободить генератор и линию от индуктивных токов, потребуется выработка компенсатором ещё 400 А. При этом ток в линии уменьшается всего на 1077-1000=77 А.

Определяем эффективность использования синхронного компенсатора при повышении сosφ л c 0, 928 до 1 по отношению Кэф = ∆ Iл/ Ic = 77/400 = 0, 19.

Выполним более детальное исследование синхронного компенсатора в рассматриваемой электрической сети.

В качестве конечной цели указанного исследования поставим построение функциональной зависимости Кэф = f(cosφ л).

В рассматриваемой линии величины cosφ л, Iа и Iр связаны следующими соотношениями

 
 

 

 


Результаты расчётов реактивной составляющей тока линии Ip сводим в таблицу 5.1.

 

Таблица 5.1

К расчёту коэффициента эффективности использования синхронного компенсатора

 

№ пп cosφ л Iр, А Iс, А Iл, А ∆ Iл, А Кэф ∆ Кэф
1. 0, 75         0, 686
2. 0, 80         0, 656 0, 60
3. 0, 85         0, 626 0, 60
4. 0, 90         0, 587 0, 78
5. 0, 95         0, 537 1, 00
6. 1, 00         0, 414 2, 46

 

 

Представленная на рис.5.12 зависимость Кэф = f (cosφ л) показывает, что по мере приближения cosφ л к предельному значению, т.е. к единице эффективность использования синхронного компенсатора имеет тенденцию к интенсивному снижению.

Можно показать, что на участках значений cosφ л, близких к единице, частные значения коэффициентов эффективности использования синхронных компенсаторов значительно ниже приведённых на рис.5.12. Из сказанного следует, что при решении проектных задач, предусматривающих выбор номинальной мощности синхронного компенсатора, следует соотносить выигрыш от уменьшения потерь в линии с затратами на устанавливаемый синхронный компенсатор.

 

 

Рис.5.12. Зависимость коэффициента эффективности использования синхронного компенсатора от коэффициента мощности линии

 

В качестве предварительной оценки при выборе максимального значения коэффициента мощности линии, достигаемого с помощью использования синхронного компенсатора, следует учитывать интенсивность снижения эффективности применения синхронного компенсатора ∆ Кэф. Расчётное соотношение имеет вид

 
 

 

 


где n-порядковый номер расчётной точки зависимости Кэф = f (cosφ л).

Например, при увеличении cosφ л с 0, 75 до 0, 8 расчёт ∆ Кэф показывает

 
 

 

 


5.4. ВЫБОР МОЩНОСТИ КОМПЕНСИРУЮЩИХ УСТРОЙСТВ

 

При выборе мощности компенсирующих устройств надо стремиться к правильному распределению источников реактивной мощности и к наиболее экономичной загрузке сетей.

Различают:

а) мгновенный коэффициент мощности, рассчитываемый по выражению:

 

 


исходя из одновременных показаний ваттметра(P), вольтметра(U) и амперметра(I) для данного момента времени или из показаний фазометра;

б) средний коэффициент мощности, представляющий собой среднее арифметическое значение мгновенных коэффициентов мощности за равные промежутки времени, определяемый по формуле:

 

где n – число промежутков времени;

в) средневзвешенный коэффициент мощности, определяемый по показанию счетчиков активной Wa и реактивной Wr энергии за определённый промежуток времени (сутки, месяц,

год) с помощью формулы:

 
 
  Рис.5.13. Векторная диаграмма компенсации мощности  


Поделиться с друзьями:

mylektsii.su - Мои Лекции - 2015-2026 год. (1.295 сек.)Все материалы представленные на сайте исключительно с целью ознакомления читателями и не преследуют коммерческих целей или нарушение авторских прав Пожаловаться на материал