Студопедия

Главная страница Случайная страница

КАТЕГОРИИ:

АвтомобилиАстрономияБиологияГеографияДом и садДругие языкиДругоеИнформатикаИсторияКультураЛитератураЛогикаМатематикаМедицинаМеталлургияМеханикаОбразованиеОхрана трудаПедагогикаПолитикаПравоПсихологияРелигияРиторикаСоциологияСпортСтроительствоТехнологияТуризмФизикаФилософияФинансыХимияЧерчениеЭкологияЭкономикаЭлектроника






Цанговые патроны , переходники , оправки , державки , сверлильные патроны под конус 7:24 Bison Польша .

Начиная рассматривать оснастку с различными хвостовиками хочу сразу обратить внимание на очевидные вещи, но по которым постоянно возникают вопросы. По стандартам DIN 69871, MAS- 403 BT, DIN 2080 БИСОН изготавливает весь спектр оснастки: переходники, цанговые патроны, сверлильные патроны, оправки для фрез. Но постоянно спрашивают оснастку просто с конусом 7: 24 и всё. Это тоже самое, что спросить патрон ф250мм. Нет, дорогие граждане, и в этом случае всё очевидно не так. Шпиндель каждого станка изготовлен только под конкретный стандарт. Я их уже перечислил. Возможно под имеющийся у Вас инструмент использовать переходник, который позволит установить его на станок, но не всегда это целесообразно и удобно. Поэтому подбирая оснастку, необходимо уяснить, что DIN 69871-А выглядит так:

 

Также по этому стандарту есть другие конструкции DIN 69871-АD:

И DIN 69871-АD+В:

При этом:

Вот. Не всё так просто, хотя и очевидно, и это все должны уяснить, прежде чем подобрать инструмент.

 

Далее идёт стандарт MAS- 403 BT:

MAS- 403 BT AD

MAS- 403 BT AD+B

 

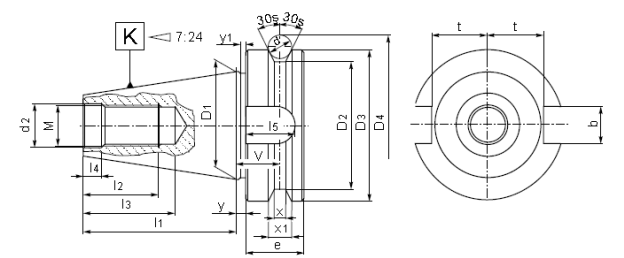
И наконец стандарт DIN 2080:

 

 

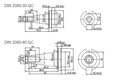
И быстросъёмные DIN 2080 QC:

 

 

Практически одни раз просмотрев эту информацию, можно уяснить, что от Вас требуют. Конечно Вы всё не запомните, да это и не нужно, но точно будете знать что искать и где.

 

 

<== предыдущая лекция | следующая лекция ==>
 | Образование.
Поделиться с друзьями:

mylektsii.su - Мои Лекции - 2015-2026 год. (1.199 сек.)Все материалы представленные на сайте исключительно с целью ознакомления читателями и не преследуют коммерческих целей или нарушение авторских прав Пожаловаться на материал