Студопедия

Главная страница Случайная страница

КАТЕГОРИИ:

АвтомобилиАстрономияБиологияГеографияДом и садДругие языкиДругоеИнформатикаИсторияКультураЛитератураЛогикаМатематикаМедицинаМеталлургияМеханикаОбразованиеОхрана трудаПедагогикаПолитикаПравоПсихологияРелигияРиторикаСоциологияСпортСтроительствоТехнологияТуризмФизикаФилософияФинансыХимияЧерчениеЭкологияЭкономикаЭлектроника






Работа таймера в моностабильном режиме






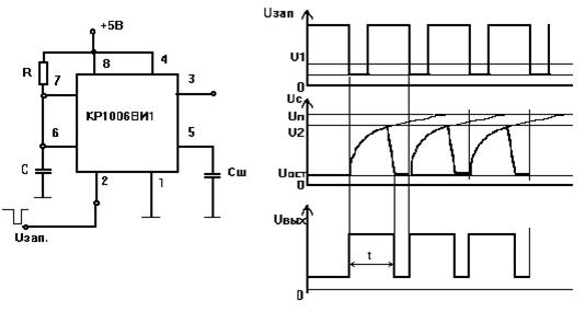
Таймер, включенный по схеме одновибратора, изображен на рисунке 2.3. Упрощенная схема одновибратора и временные диаграммы его работы представлены и на рисунке 2.4.

Рис. 2.3 - Функциональная схема одновибратора

Рис. 2.4 - Упрощенная схема одновибратора и временные диаграммы его работы

В исходном состоянии триггер находится в режиме сброса, на его выходе поддерживается напряжение низкого уровня, разрядный транзистор открыт и, следовательно, конденсатор С разряжен.

При поступлении на вход таймера (вывод 2) запускающего импульса отрицательной полярности срабатывает компаратор К1 (когда Uзап < U1) и происходит запуск таймера.

В результате на выходе таймера (вывод 3) устанавливается напряжение высокого уровня (логическая единица) и разрядный транзистор V11 закрывается. После этого начинается заряд конденсатора С током, протекающим от источника +Uп через резистор R. В момент когда возрастающее напряжение на конденсаторе становится равным пороговому напряжению U2, срабатывает компаратор К2 и происходит сброс таймера.

На выходе одновибратора устанавливается напряжение низкого уровня (логический ноль) и транзистор Т11 открывается. Конденсатор С быстро разряжается через транзистор Т11 и схема возвращается в исходное устойчивое состояние (в режим ожидания), ожидая прихода следующего запускающего импульса.

Таким образом, в процессе заряда времязадающего конденсатора С на выходе одновибратора формируется импульс длительностью:

t = RC× ln[(Uп - Uост) /(Uп - U2)], (2.1)

где Uост - остаточное напряжение на коллекторе насыщенного транзистора Т11. Временные диаграммы показаны на рисунке 2.4.

Время в течение которого на выходе таймера сохраняется высокий уровень напряжения, равного Uп, можно вывести относительно простым путем.

Общее выражение напряжения на конденсаторе С экспоненциально нарастающее от приблизительно нулевого потенциала до питающего напряжения Uп, имеет вид:

Uc(t) = U (1 - e - t/t), (2.2)

где = RC - постоянная времени цепи RC.

Так как хронирующий период (т.е. заряд конденсатора) заканчивается, когда напряжение на конденсаторе достигает значения U2 = 2/3Uп, уравнение для такого условия принимает вид:

Uc = 2/3Uп = Uп × (1 - e - t/t). (2.3)

Решив это уравнение для t, получим:

t = 1, 0986 RC, или t = 1, 1 RС. (2.4)

Это уравнение является основным уравнением для хронирующего времени таймера КР1006ВИ1, работающего в качестве моностабильного таймера.

Отметим, что рекомендуемая ширина запускающего импульса должна удовлетворять условию:

tзап< t/4.

При расчете RC - цепи одновибратора следует учитывать, что низкий уровень напряжения запуска не должен сохраняться дольше времени 1, 1 RC. Нарушение этого условия приводит к тому, что через время tзап таймер начнет генерировать импульсы произвольной формы.

Это объясняется тем, что компараторы таймера не равносильны по своему воздействию на RS - триггер. Компаратор К1, управляемый по выводу 2, обладает, как было сказано выше, приоритетом при установлении состояния триггера.

Если необходимо управлять одновибратором с помощью импульсов длительностью tзап > 1, 1RC, то их следует подавать через дифференцирующую R1C1 - цепь. Диод Д1, показанный на рисунке 2.3, ограничивает напряжение на выводе 2 на уровне Uп + Uд.

Если на вывод 5 подать регулирующее напряжение, то схема становится ждущим мультивибратором с регулируемой длительностью импульса.

Зависимость длительности импульса от регулирующего напряжения Uрег имеет вид:

t = RC × ln[(Uп - Uост)/(Uп - Uрег)]. (2.5)


Поделиться с друзьями:

mylektsii.su - Мои Лекции - 2015-2026 год. (1.647 сек.)Все материалы представленные на сайте исключительно с целью ознакомления читателями и не преследуют коммерческих целей или нарушение авторских прав Пожаловаться на материал