Студопедия

Главная страница Случайная страница

КАТЕГОРИИ:

АвтомобилиАстрономияБиологияГеографияДом и садДругие языкиДругоеИнформатикаИсторияКультураЛитератураЛогикаМатематикаМедицинаМеталлургияМеханикаОбразованиеОхрана трудаПедагогикаПолитикаПравоПсихологияРелигияРиторикаСоциологияСпортСтроительствоТехнологияТуризмФизикаФилософияФинансыХимияЧерчениеЭкологияЭкономикаЭлектроника






Электродинамические ваттметры






Принцип действия электродинамического ваттметра основан на том, что угол поворота α рамки (со стрелкой) электродинамического прибора пропорционален произведению токов, умноженному на косинус угла ф между ними:

α = к I1I2 соsφ,

где к — постоянный для данного прибора коэффициент.

Пусть требуется измерить активную мощность, потребляемую некоторой нагрузкой ZH, к которой приложено среднее квадратическое значение напряжения UH. Через нагрузку ZH протекает гармонический ток со средним квадратическим значением IН, сдвинутый по фазе на угол φ по отношению к напряжению. Схема включения катушек электродинамического ваттметра показана на рисунке. Если параметры ваттметра выбраны так, что Rдоб > > ZH, то ток в неподвижной катушке I1 ≈ I1, а в подвижной — I2UH /Rдоб. Поэтому угол отклонения стрелки α с учетом формулы будет пропорционален активной мощности в нагрузке Р:

α ≈ (kIHUH/Rдоб) соsφ ≈ kP,

где k — коэффициент пропорциональности.

Ваттметры электродинамической системы можно применять для измерения электрической мощности в цепях как постоянного, так и переменного тока, но наиболее широко их используют для измерения мощности промышленной частоты

 

Электродинамические ваттметры используют как переносные приборы для точных измерений мощности (класс 0, 1...2, 5) в цепях постоянного и переменного токов частотой до нескольких тысяч герц; ферродинамические (щитовые) ваттметры — в цепях переменного тока в основном промышленной частоты (класс 1, 5...2, 5).

Рис. 8.2. Схема включения электродинамического ваттметра через измери-тельные трансформаторы тока и напряжения

В широком диапазоне частот применяют цифровые ваттметры, основу которых составляют различные преобразователи мощности (например термоэлектрические), УПТ, микропроцессор и ЦОУ. В цифровых ваттметрах осуществляется автоматический выбор пределов измерений, самокалибровка и предусмотрен внешний интерфейс.

Для измерения мощности в высокочастотных цепях служат специальные и электронные ваттметры; для измерения реактивной мощности на низких частотах — реактивные ваттметры (варметры), в которых путем использования специальных схем отклонение подвижной части электродинамического ИМ пропорционально реактивной мощности.

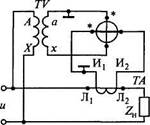
Включение электромеханических ваттметров непосредственно в электрическую цепь допустимо при токах нагрузки, не превышающих 10...20 А, и напряжениях до 600 В. Мощность при больших токах нагрузки и в цепях высокого напряжения измеряется ваттметром с измерительными трансформаторами тока ТА и напряжения ТВ (рис. 8.2).

Измерение активной мощности в цепях трехфазного тока. Метод одного ваттметра. Этот метод применяют только в симметричной системе с равномерной нагрузкой фаз, одинаковыми углами сдвига по фазе между векторами U и с полной симметрией напряжений (рис. 8.3). На рис. 8.3, а нагрузка соединена звездой и нулевая точка доступна. На рис. 8.3, б нагрузка соединена треугольником и ваттметр включен в фазу.

На рис. 8.3, в нагрузка соединена треугольником с искусственной нулевой точкой. Искусственная нулевая точка создается с помощью двух резисторов, каждый из которых равен

Рис. 8.3. Схемы включения ваттметра в трехфазную трехпроводную цепь при полной симметрии при соединении нагрузки:

а — звездой; б — треугольником; в — с искусственной нулевой точкой

сопротивлению цепи обмотки напряжения ваттметра (указывается в техническом паспорте на ваттметр).

Показания ваттметра будут соответствовать мощности одной фазы, а мощность трехфазной сети во всех трех случаях включения прибора будет равна мощности одной фазы, умноженной на три, т.е. Р = 3PW.

Метод двух ваттметров. Этот метод применяют в трехфазной трехпроводной цепи независимо от схемы соединения и характера нагрузки как при симметрии, так и при асимметрии токов и напряжений. Асимметрия — это система, в которой мощности отдельных фаз различны. Токовые обмотки ваттметров включаются в любые две фазы, а обмотки напряжения — на линейные напряжения (рис. 8.4).

Полная мощность может быть выражена в виде суммы показаний двух ваттметров. Так, для схемы, приведенной на рис. 8.4, а,

P = P1 + P2 = I1U12cosψ 1 + I3U32cosψ 2

где ψ — угол сдвига фаз между током I1 и линейным напряжением U12; ψ 2 — угол сдвига фаз между током I3 и линейным напряжением U32.

В частном случае при симметричной системе напряжений и одинаковой нагрузке фаз —

ψ 1 = 30° - φ и ψ 2 = 30° - φ — показания ваттметров будут:

P1 = I1U12cos (30o - φ); Р2 = I2U32cos(30° + φ).

При активной нагрузке (φ = 0) показания будут одинаковы, так как Рх = Р2= IUcos30°.

При нагрузке с углом сдвига 60° показания второго ваттметра равны нулю, так как

Р2 = IU cos (30° + φ) = IU cos (30° + 60°) = О, и в этом случае мощность трехфазной цепи измеряется одним ваттметром.

При нагрузке с углом сдвига φ больше 60° мощность, измеряемая вторым ваттметром, будет отрицательной, так как (30° + φ) больше 90°.

 

 
 


Рис. 3.4. Схемы включения двух ваттметров в трехфазную цепь:

а — в 1-ю и 3-ю фазы; б — в 1-ю и 2-ю; в — во 2-ю и 3-ю

В этом случае подвижная часть ваттметров повернется в обратную сторону. Для отсчета необходимо изменить на 180° фазу тока в одной из цепей ваттметра. В этом случае мощность цепи трехфазного тока равна разности показаний ваттметров:

P = P1+ (- P2) = P1 – P2

Расширение диапазонов измерения трехфазных двухэлементных ваттметров так же, как и одноэлементных однофазных ваттметров, осуществляется с помощью измерительных трансформаторов тока и напряжения. На рис. 11.9 показано включение элементов двухэлементного трехфазного ваттметра в трехфазную трехпроводную цепь через измерительные трансформаторы тока. В этом случае для получения мощности цепи показание ваттметра необходимо умножить на номинальный коэффициент трансформации КIном применяемых измерительных трансформаторов тока. Если измерение мощности осуществляется двумя одноэлементными ваттметрами, то на значение КIном умножается арифметическая сумма показаний ваттметров.

 

 
 


Измерение мощности методом трех приборов. Известно, что метод трех приборов применяется при измерении мощности в трехфазной четырехпроводной цепи (при этом используются три одноэлементных ваттметра). Так же, как и метод двух приборов, метод трех приборов дает правильные результаты независимо от схемы соединения и характера нагрузки как при симметрии, так и при асимметрии токов и напряжений. По схеме, реализующей метод трех приборов, включаются также элементы трехэлементных трехфазных ваттметров.

На рис. 11.10 приведена схема включения трех одноэлементных ваттметров по методу трех приборов в трехфазную четырехпроводную цепь, в этом случае каждый ваттметр измеряет мощность одной фазы:

PW1 = PA = UA IAcos φ А;

PW2 = PB = UB IBcos φ B;

PW3 = PC = UC ICcos φ C,

где UA, UB UС фазные напряжения; IA, IB и IС — фазные токи; φ А, φ В и φ С — фазовые сдвиги между соответствующими фазными напряжениями и фазными токами.

 
 

 


Очевидно, что для нахождения мощности трехфазной четырехпроводной цепи необходимо взять алгебраическую сумму показаний всех ваттметров:

P = PA + PB + PC + = PW1 + PW2 + PW./

Конструктивная схема трехэлементного трехфазного ферродинамического ваттметра приведена на рис. 11.11.

 
 


Каждый элемент содержит выполненный из магнитомягкого материала шихтованный магнитопровод с неподвижной токовой обмоткой 3. Подвижные рамки элементов 2 жестко укреплены на одной оси. Таким образом, на подвижную часть трехфазного трехэлементного ваттметра действует арифметическая сумма моментов всех трех элементов. Непосредственное включение элементов ваттметра в трехфазную четырехпроводную цепь осуществляется по схеме, изображенной на рис. 11.10.

Расширение диапазонов измерения трехэлементных трехфазных ваттметров осуществляется так же, как и двухэлементных ваттметров, — с помощью измерительных трансформаторов тока и напряжения.

Если нулевая точка недоступна и нулевой провод отсутствует, то параллельные цепи приборов могут образовать искусственную нулевую точку при условии, что сопротивления этих цепей равны между собой.

Измерение реактивной мощности в однофазных и трехфазных цепях. Несмотря на то, что реактивная мощность не определяет ни совершаемой работы, ни передаваемой энергии за единицу времени, ее измерение также важно. Наличие реактивной мощности приводит к дополнительным потерям электрической энергии в линиях передачи, трансформаторах и генераторах. Реактивная мощность измеряется в вольт-амперах реактивных (вар) как в однофазных, так и в трехфазных трехпроводных и четырехпроводных цепях переменного тока электродинамическими и ферродинамическими или специально предназначенными для измерения реактивной мощности ваттметрами. Отличие реактивного ваттметра от обычного состоит в том, что он имеет усложненную схему параллельной цепи с целью получения сдвига по фазе, равного 90°, между векторами тока и напряжения этой цепи. Тогда отклонение подвижной части будет пропорционально реактивной мощности Рр = UIsinφ. Реактивные ваттметры преимущественно применяются для лабораторных измерений и поверки реактивных счетчиков.

Измерение мощности в цепях повышенной частоты. С этой целью можно использовать как прямые, так и косвенные измерения. В ряде случаев предпочтительнее могут оказаться косвенные, так как иногда легче измерить ток и напряжение на нагрузке, чем непосредственно мощность. Прямые измерения мощности в цепях повышенных и высоких частот осуществляются термоэлектрическими, электронными ваттметрами, ваттметрами, основанными на эффекте Холла, цифровыми ваттметрами; косвенные измерения — осциллографическим методом. Данный метод применяют в основном тогда, когда цепь питается напряжением несинусоидальной формы, при высоких частотах, маломощных источниках напряжения и т.д.


Поделиться с друзьями:

mylektsii.su - Мои Лекции - 2015-2026 год. (0.808 сек.)Все материалы представленные на сайте исключительно с целью ознакомления читателями и не преследуют коммерческих целей или нарушение авторских прав Пожаловаться на материал