Студопедия

Главная страница Случайная страница

КАТЕГОРИИ:

АвтомобилиАстрономияБиологияГеографияДом и садДругие языкиДругоеИнформатикаИсторияКультураЛитератураЛогикаМатематикаМедицинаМеталлургияМеханикаОбразованиеОхрана трудаПедагогикаПолитикаПравоПсихологияРелигияРиторикаСоциологияСпортСтроительствоТехнологияТуризмФизикаФилософияФинансыХимияЧерчениеЭкологияЭкономикаЭлектроника






Исследование реле максимального тока






 

5.1. Цель работы

 

1. Ознакомиться с конструкциями электромагнитного реле

максимального тока.

2. Произвести проверку и снятие основных характеристик

реле максимального тока.

 

5.2. Основные теоретические сведения

 

Плавкие предохранители - простые, но не совершенные аппараты защиты. Изменение уставки срабатывания возможно только ступенчатое путем замены патронов, а регулирование времени срабатывания вообще невозможно. В этом отношении более совершенным аппаратом токовой защиты электрических приемников и цепей являются максимальные токовые реле.

Максимальным токовым реле называют реле, реагирующее на увеличение тока в защищаемой цепи. С помощью таких реле осуществляются максимальные токовые защиты, отключающие электроустановки при сверхтоках, возникающих при перегрузках и коротких замыканиях.

Устройство одного из видов реле максимального тока представлено на рис. 5.1.

 

 
 

Рисунок 5.1 – Схема реле максимального тока

 

Катушку 1 включают последовательно в контролируемую цепь с током нагрузки Iн. Когда этот ток достигает величины заданного тока срабатывания, при котором электромагнитная сила в зазоре становится выше противодействующей силы пружины 12, якорь 3 притягивается к полюсному наконечнику 2. Происходит размыкание контактов 10 - 11 и замыкание контактов 6 - 7. Подвижные контакты 7 и 10 закреплены на якоре 3 с помощью пластмассовых колодок 9. Сила нажатия в контактах создается пружинами 8.

Ток срабатывания электромагнитного реле можно регулировать

изменением числа витков катушки 1. Силу натяжения возвратной пружины 12 изменяют с помощью гайки 5 и рабочего воздушного зазора, который устанавливают с помощью винта 4. Диапазон регулирования

тока срабатывания таких реле достигает четырех и настраивается бесступенчато, что весьма важно для достижения высокой точности

работы. Время срабатывания электромагнитного токового реле обычно

не превышает 0, 03с при I ном = 2 I уст. и 0, 1с при I ном = 1, 3 I уст. На таком принципе работают и реле минимального ток, а также реле минимального и максимального напряжения. Максимальные токовые релеэлектромагнитного принципа действия могут работать в цепях как переменного, так и постоянного тока.

Минимальный ток, при котором срабатывает реле, называют током срабатывания I ср.

Максимальный ток, при котором якорь реле возвращается в исходное положение, называют током возврата I в.

Отношение тока возврата к току срабатывания реле называют коэффициентом возврата:

 

К в = Iв / Iср.

 

Коэффициент возврата всегда меньше единицы: чем ближе Кв кединице, тем выше чувствительность максимальной токовой защиты.

К группе электромагнитных токовых реле относится токовое реле типа РТ-40. Все реле РТ-40 имеют один замыкающий и один размыкающий контакты. У реле серии РТ-40 коэффициент возврата не менее 0, 85 на первой уставке (минимальной) и не менее 0, 8 на остальных уставках шкалы.

Время срабатывания t ср. = 0, 1с при токе в катушках реле равном 1, 2Iср. и 0, 03с при 3 I ср. и выше.

Контакты реле способны коммутировать в цепи постоянного тока индуктивную нагрузку мощностью 60 Вт, а в цепи переменного тока - нагрузку мощностью 300 ВА при напряжении 220В и токе до 2А.

Потребляемая мощность при токе I ср. находится в пределах 0, 2...0, 8 ВА. Причем меньшую величину имеют реле с уставкой до 2А, большую величину - реле с уставкой до 200А.

При защите асинхронных двигателей с короткозамкнутым ротором ток уставки I уст. реле максимального тока выбирается по пусковому току двигателя:

 

Iуст. ³ (1, 3...1, 5)Iпуск.дв.

 

При защите асинхронных двигателей с фазовым ротором от короткого замыкания ток уставки реле определяется:

Iуст. ³ (2, 25...2, 5)Iном.дв.

 

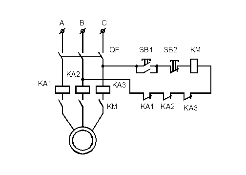
Схема включения токовых электромагнитных реле приведена на

рис. 5.2.

 

 

 
 

Рисунок 5.2 – Схема включения электродвигателя в сеть с токовым реле

 

5.3. План работы

 

5.3.1. Собрать схему для исследования реле максимального тока типа РТ-40 (рис. 5.3.).

Установить требуемую величину тока уставки I уст., перемещая регулятор реле. Включить стенд, затем включить источник питания 24В одноименным тумблером. Включить регулятор напряжения и увеличивать ток нагрузки до момента срабатывания реле максимального тока (индикатор погаснет), зафиксировать величину тока срабатывания I ср. Затем уменьшить величину тока до момента отпускания реле (индикатор вновь загорится). Зафиксировать показания амперметра I воз. Повторить опыт несколько раз при одном значении тока ус тавки и затем также при других величинах тока уставки. Данные занести в табл. 5.1.

 

 


 
 

Рисунок 5.3 – Схема исследования токового реле


Таблица 5.1 – Результаты опыта

I уст I ср. I ср.ср. I воз. I воз.ср Кв %
                         
                         

 

Iср.ср. - средняя по трем измерениям величина тока срабатывания:

 

Iср + Iср + Iср

Iср.ср. = --------------------, А;

3

 

Iвозвр.ср. - средняя по трем измерениям величина тока возврата:

 

Iвозвр. + Iвозвр. + Iвозвр.

Iвозвр.ср = ------------------------------, А.

3

 

5.4. Контрольные вопросы

 

1. Для чего предназначены максимальные токовые теле?

2. Каким образом регулируется ток срабатывания у электромагнитных максимальных токовых реле?

3. Почему коэффициент возврата у реле меньше единицы?

4. Рассказать принцип действия реле максимального тока.

5. Рассказать принцип действия схемы включения реле максимального тока для защиты асинхронного двигателя от токов короткого замыкания.

 

 

Лабораторная работа 6

 


Поделиться с друзьями:

mylektsii.su - Мои Лекции - 2015-2026 год. (1.075 сек.)Все материалы представленные на сайте исключительно с целью ознакомления читателями и не преследуют коммерческих целей или нарушение авторских прав Пожаловаться на материал