Студопедия

Главная страница Случайная страница

КАТЕГОРИИ:

АвтомобилиАстрономияБиологияГеографияДом и садДругие языкиДругоеИнформатикаИсторияКультураЛитератураЛогикаМатематикаМедицинаМеталлургияМеханикаОбразованиеОхрана трудаПедагогикаПолитикаПравоПсихологияРелигияРиторикаСоциологияСпортСтроительствоТехнологияТуризмФизикаФилософияФинансыХимияЧерчениеЭкологияЭкономикаЭлектроника






Электрооборудование КАМАЗ






Электрооборудование автомобилей состоит из следующих систем:

· электроснабжения, световой сигнализации

· наружного и внутреннего освещения

· контрольно-измерительных приборов

· системы отопления

· стеклоочистки и звуковой сигнализации

· пуска двигателя.


Ниже приведены электросхемы этих систем и их описание. На схемах рядом с условным изображением элементов электрооборудования приведены номера присоединяемых электропроводов, буквами обозначен их цвет: Б – белый; Г — голубой; Ж — желтый; 3 — зеленый; К — красный; КЧ — коричневый; О — оранжевый; Р — розовый; С — серый; Ф — фиолетовый; Ч — черный.

Система электроснабжения (рис. 323) служит для питания потребителей при работающем двигателе. Источниками электроэнергии являются две аккумуляторные батареи 6, соединенные последовательно, генераторная установка 2, подключенная параллельно аккумуляторным батареям. Отрицательный вывод аккумуляторных батарей подсоединен к корпусу автомобиля через выключатель 7 массы с дистанционным управлением.

Схема оборудована реле 1, разрывающим цепь обмотки возбуждения генератора при работе ЭФУ. Кроме того, при рабочем положении ключа выклю­чателя 13 приборов и стартера ток не подается к кнопке 8 дистанционного выключателя массы, что предотвращает случайное выключение массы при работающем двигателе (выключение аккумуляторных батарей возможно только после отключения генератора от системы электрооборудования уста­новкой ключа выключателя приборов и стартера в нейтральное положение).

Система световой сигнализации (рис. 324) предназначена для оповещения водителей других транспортных средств о совершении поворота (разво­рота) или торможения, а также для сигнализации о состоянии сборочных единиц автомобиля, влияющих на безопасность движения.

К системе световой сигнализации относятся: аварийная световая сигнализация, сигнализация торможения, указатели поворота и контрольные лампы включения указателей поворота автомобиля и прицепа, контрольные лампы блокировки межосевого дифференциала, стояночной тормозной системы, падения давления воздуха в контурах пневмопривода тормозных механизмов, объединенные в блоки контрольных ламп, а также соответствующие пере­ключатели, выключатели и реле.

Выключатель 8 аварийной световой сигнализации обеспечивает одновременное включение всех указателей поворота в прерывистом режиме. При этом загорается контрольная лампа, вмонтированная в ручку выключателя; контрольные лампы указателей поворота в блоке контрольных ламп могут не светить. Включение указателей поворота осуществляется комбинированным переключателем 5 при рабочем положении выключателя приборов и стартера. Контактно-транзисторный реле-прерыватель 3 обеспечивает прерывистый режим работы указателей поворота автомобиля и прицепа; о работе указателей сигнализируют лампы (отдельно для автомобиля и прицепа) в блоке 26 контрольных ламп.

Сигнал торможения в задних фонарях включается при срабатывании тормозных систем автомобиля. При этом замыкаются контакты пневмоэлектричес-кого датчика 13 включения сигнала торможения, срабатывает промежуточное реле 15 сигнала торможения и светят лампы сигнала торможения задних фонарей. Цепи сигнала торможения включены в цепь источника питания через амперметр, минуя выключатель приборов и стартера.

Сигнал торможения включается также при включении стояночной тормозной системы. При этом замыкаются контакты датчика 20, установленного в контуре III пневмопривода тормозных механизмов, и загорается контрольная лампа. В цепи питания контрольной лампы включения стояночной тормоз­ной системы установлен реле-прерыватель 21, вследствие чего лампа горит прерывистым светом. Одновременно через промежуточное реле замыкаются цепи ламп сигналов торможения задних фонарей. Система наружного и внутреннего освещения (рис.325) предназначена для обеспечения безопасности движения автомобиля, а также освещения рабочего места водителя. К системе наружного и внутреннего освещения автомобиля относятся фары головного света, противотуманные фары, передние фонари, задние фонари, подкапотная лампа, плафоны освещения вещевого ящика и спального места, патроны с лампами освещения приборов, плафоны кабины, переносная лампа.

Соединение всех потребителей с источником питания выполнено по однопроводной схеме за исключением плафона 4 вещевого ящика, минусовый вывод которого выведен на панель предохранителей. Включение ближнего и дальнего света фар 3 и 11, противотуманных фар 1 и 2 и габаритных огней осуществляется комбинированным переключателем 19 непосредственно от источника питания через амперметр.

Цепи фар ближнего света и противотуманных фар защищены термобиметаллическими предохранителями ПР310, установленными на панели пре­дохранителей. Цепь фар дальнего света защищена отдельным предохранителем того же типа. Цепь габаритных огней и ламп освещения приборов за­щищена автоматическим термобиметаллическим предохранителем типа 13.3722. Система контрольно-измерительных приборов (рис.326) предназначена для контроля режима работы агрегатов и отдельных сборочных единиц автомобиля, а также определения скорости движения. Конт­рольно-измерительные приборы состоят из указате­
лей и датчиков. Все указатели установлены на щитке приборов в кабине водителя, датчики расположенына агрегатах шасси и двигателя.

Электрическое соединение приборов выполнено по однопроводной схеме. Отрицательным выводом является щиток приборов, соединенный с общей массой автомобиля; приборы соединены между собой параллельно через выключатель приборов и стартера.

 

Рис. 323. Электрическая схема системы электроснабжения: 1 - реле отключения обмотки возбуждения генератора; 2 - генератор; 3 - блок предохранителей; 4 - реле стартера; 5 - стартер; 6 - батареи аккумуляторные; 7 - выключатель массы; 8 - кнопка дистанционного выключателя массы аккумуляторных батарей; 9 - реле электродвигателей отопителя; 10 - амперметр; 11 -предохранители 13.3722 (7.5 А); 12 - предохранитель ПР310 (10 А); 13 - выключатель приборов и стартера; I - к термореле ЭФУ

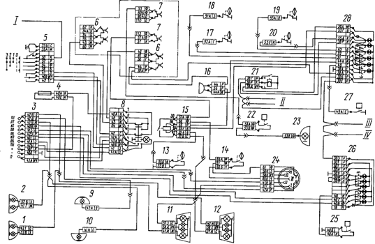
Рис. 324. Электрическая схема системы световой сигнализации: 1, 2 - фонари передние левый и правый; 3 - реле-прерыватель указателей поворота и аварийной сигнализации; 4 - предохранитель плавкий ПР 119 (6 А); 5 - переключатель света комбинированный; 6 - предохранитель 13.3722 (7, 5 А); 7 - предохранитель ПР 310 (10 А); 8 - выключатель аварийной световой сигнализации; 9, 10 - указатели поворота правый и левый; 11, 12 - фонари задние левый и правый; 13 -выключатель сигналов торможения; 14 - выключатель электромагнитного клапана прицепа; 15 - реле сигналов торможения; 16 - сигнал звуковой (зуммер); 17, 18, 19 - выключатели сигнализаторов падения давления в ресиверах пневмопривода тормозных механизмов; 20 - выключатель сигнализатора стояночной тормозной системы; 21 - реле-прерыватель сигнализатора включения стояночной тормозной системы; 22 - выключатель света заднего хода; 23 - фонарь заднего хода; 24 - розетка прицепа 24 В; 25 - выключатель сигнализатора блокировки межосевого дифференциала; 26, 28 -блоки сигнализаторов; 27 - выключатель сигнализатора засоренности масляного фильтра; I - к выключателю приборов и стартера; II - к указателю температуры охлаждающей жидкости; III - к указателю тахометра; IV - к указателю спидометра

 

Рис. 325. Электрическая схема системы наружного и внутреннего освещения: 1, 2 - фары противотуманные правая и левая; 3, 11 - фары головного света правая и левая; 4 - плафон вещевого ящика; 5 - выключатель плафонов; 6 - фонари автопоезда; 7 - выключатель фонарей автопоезда; 8 - реле электродвигателей отопителя; 9, 10 - плафоны кабины левый и правый; 12 -выключатель противотуманных фар; 13 - реле сигналов торможения; 14 - выключатель электромагнитного клапана прицепа; 15, 16 - фонари задние правый и левый; 17, 18 - фонари передние правый и левый; 19 - переключатель света комбинированный; 20 - предохранитель 13.3722 (7, 5 А); 21 - предохранитель ПР 310 (10 А); 22 - выключатель освещения приборов; 23 - лампа подкапотная; 24 - выключатель аварийной световой сигнализации; 25 - розетка переносной лампы; 26 - розетка семиконтактная; 27 - указатель давления масла; 28 - указатель уровня топлива; 29 - спидометр; 30 - тахометр; 31 - указатель температуры охлаждающей жидкости; 32 - амперметр; 33 - манометр; I - к выключателю приборов и стартера

 

Рис. 326. Электрическая схема системы контрольно-измерительных приборов: 1 - указатель уровня топлива; 2 - датчик указателя уровня топлива; 3 - предохранитель 13.3722 (7, 5 А); 4 - датчик указателя температуры охлаждающей жидкости; 5 - датчик перегрева охлаждающей жидкости; 6 - датчик аварийного давления масла; 7 - датчик указателя давления масла; 8 - указатель давления масла; 9, 11 - блоки контрольных ламп; 10 - указатель температуры охлаждающей жидкости; 12 -генератор; 13 - тахометр; 14 - спидометр; 15 - датчик спидометра; I - к выключателю приборов и стартера


Система отопления предназначена для поддержания оптимального температурного режима в кабине при снижении температуры окружающего воздуха. Электродвигатели 1 (рис. 327) нагнетают воздух, проходящий через радиатор отопителя кабины. При установке электродвигателей обращать внимание на направление вращения их валов. В системе применяется реверсивный электродвигатель МЭ 250. При подсоединении положительного полюса источника напряжения к красному проводу электродвигателя включается правое вращение, а отрицательного полюса — левое вращение. Электродвигатели соединены параллельно или последовательно и могут работать в двух режимах. Управление режима осуществляется с помощью клавишного переключателя, расположенного в кабине. Система звуковой сигнализации включает пневмо-и электрозвуковые сигналы 12 (см. рис. 327), предназначенные для обеспечения безопасности движения, и звуковой сигнал 11 (зуммер), указывающий на аварийное падение давления в контурах пневмопривода тормозных механизмов автомобиля, для внутренней сигнализации в кабине.

Звуковой пневмосигнал включается нажатием кнопки справа на комбинированном переключателе света.
При давлении воздуха и в пневмосистеме 392, 3... 686, 5 кПa (4...7 кгс/см2) звук должен быть чистым.

Электрозвуковые сигналы 12 расположены под кабиной на передней поперечине рамы и включаются перемещением рукоятки комбинированного переключателя вверх; питание сигналов 12 осуществляется через промежуточное

реле 13, установленное на нижней панели приборов.
Сигнал 11 установлен под панелью приборов и включен в цепь сигнализации падения давления в контурах пневмопривода тормозных механизмов. С массой автомобиля сигнал соединен через блок контрольных ламп и датчики падения давления воздуха; звучит он одновременно с загоранием любой из четырех контрольных ламп, сигнализирующих о снижении давления воздуха в одном из контуров.
Схема системы пуска двигателя приведена на рис. 100.

 

 

Стартер СТ-142Б автомобиля Камаз

 

Стартер представляет собой герметичный электродвигатель постоянного тока последовательного возбуждения с электромагнитным тяговым реле и приводом с храповым механизмом свободного хода. Включение стартера дистанционное. Шестерня привода входит в зацепление с венцом маховика принудительно с помощью электромагнитного тягового реле. Стартер выполнен для работы в однопроводной схеме, где вторым проводом служит масса двигателя.

 

 

На двигателях КамАЗ установлен стартер СТ142Б (рис.1.), номинальное напряжение которого 24 В, номинальная мощность 7, 7 кВт, ток холостого хода при напряжении 24 В должен быть не более 130 А. Передаточное число двигатель — стартер равно 11, 3.

В крышке 5 помещены на четырех полюсах обмотки возбуждения 15 из медного прямоугольного провода. Обмотки соединены параллельно-последовательно, в. этом случае сопротивление четырех катушек (на четырех полюсах) равно сопротивлению одной катушки.

Щеткодержатели укреплены на траверсе, которая крепится к крышке 12 четырьмя болтами. В каждом щеткодержателе находятся две щетки, прижимаемые к коллектору пружинами. Якорь 14 вращается в трех скользящих подшипниках, вкладыши которых смазываются турбинным маслом 22 (можно применять моторное масло).

В крышках стартера и промежуточной опоре имеются масляные резервуары с фальцами, закрытыми герметично. Герметизация стартера осуществляется с помощью уплотнительных колец круглого поперечного сечения. Выводные болты стартера и тягового реле уплотнены резиновыми шайбами, а якорь тягового реле защищен резиновым сильфоном.

 

Вал стартера у промежуточной опоры со стороны привода защищен резиновой армированной манжетой. Крышка со стороны коллектора выполнена без смотровых окон. При разборке и сборке стартера необходимо тщательно следить за состоянием прокладок и мест их прилегания, с тем чтобы не нарушить герметизацию стартера. Тяговое реле стартера установлено на его корпусе, при перемещении якоря замыкаются контакты тягового реле тарельчатым диском 8 и шестерня 2 муфты привода 3 принудительно вводится в зацепление с венцом маховика. Перемещение механизма привода происходит по прямым шлицам вала якоря.

Тяговое реле имеет контакты и две обмотки: втягивающую и удерживающую. Обмотки намотаны на латунную втулку, причем вначале намотана втягивающая, а затем удерживающая. Сопротивление Удерживающей обмотки больше, чем сопротивление втягивающей. Начала обеих обмоток соединены с выводом, закреплен­ным на пластмассовой крышке. Конец втягивающей обмотки соединены с выводным болтом, а конец удерживающей — с корпусом. Ход якоря тягового реле при включении стартера составляет около 20 мм. При таком воздушном зазоре необходим большой магнитный поток для перемещения якоря (усилие притяжения пропорционально квадрату магнитного потока). Поэтому в момент включения стартера магнитный поток создается одновременно втягивающей и удерживающей об­мотками, а как только в конце перемещения якоря тягового реле контакты его замкнутся и стартер включится, магнитный поток втягивающей обмотки (ток в обмотке) исчезнет, так как контакты тягового реле при замыкании шунтируют цепь питания и втягивающей обмотки.

На стартере применен храповой механизм привода, показанный на рис. Детали привода расположены на направляющей втулке 1, имеющей прямые внутренние шлицы и многозаходную ленточную наружную резьбу. Втулка вместе с приводом может перемещаться по шлицам вала стартера. На наружной резьбе втулки 1 расположена ведущая полумуфта 8. Ведомая полумуфта 13 выполнена за одно целое с шестерней и может свободно вращаться на втулке 1 в бронзовых графитизированных подшипниках. Торцы полумуфт снабжены зубцами и прижимаются один к другому пружиной 7. Ведомая полумуфта 13 заперта в корпусе 5 замковым кольцом 10. Замковое кольцо 2 удерживает корпус 5 от перемещения на втулке 1. Для амортизации ударов при включении стартера под пружиной 7 размещены стальная шайба б и резиновое кольцо 4.

Для предотвращения изнашивания зубьев храповой муфты и снижения шума в момент, когда двигатель пущен, а стартер еще не выключен, предусмотрен механизм блокировки. Внутри ведомой полумуфты 13 находятся три пластмассовых сухаря 12 с радиальными отверстиями, в которые входят направляющие штифты П. Наружная поверхность сухарей имеет коническую фаску, прилегающую к выточке стального кольца 9, установленного в ведущей полумуфте 8. Кольцо 9 прижимает сухари 12 к направляющей втулке 1. При передаче крутящего момента маховику двигателя возникает осевое усилие, прижимающее ведущую полумуфту к ведомой. Как только двигатель будет пущен, произойдет пробуксовка храповой муфты. Во время пробуксовки ведущая полумуфта 8 отодвигается от ведомой полумуфты 13, сжимая пружину 7. Вместе с ведущей полумуфтой 8 отодвигается кольцо 9, освобождая сухари 12, которые под действием центробежных сил перемещаются вдоль штифтов 11 и блокируют муфту в расцепленном состоянии. После выключения стартера ведущая полумуфта 8 под действием пружины 7 прижимается к ведомой полумуфте 13 и кольцо 9 установит сухари 12 в исходное положение.

 

Генератор автомобиля Камаз

Генератор служит источником электроэнергии на автомобиле при работающем двигателе. Основными частями генератора являются статор и ротор.

На зубцах статора с внутренней стороны его установлено 18 катушек, изготовленных из медного изолированного провода и соединенных последовательно по шесть штук в три группы. Группы соединены по схеме «звезда», три вывода от которой идут к выпрямительному блоку.

Ротор представляет собой стальной вал, на рифленую поверхность которого напрессованы два шестиконечных стальных магнитопровода. Между ними на стальной втулке установлена обмотка возбуждения из медного изолированного провода. На валу ротора имеются два медных контактных кольца, изолированных от вала и между собой. К ним припаяны концы обмотки возбуждения. К контактным кольцам прижимаются пружинами медно-графитовые щетки.

При включении массы аккумуляторных батарей и выключателя приборов и стартера в положе­ние «1» или «2» ток от аккумуляторной батареи проходит через щетки и контактные кольца в обмотку возбуждения. Вокруг винтов обмотки возбуждения образуется магнитный поток, направляемый магнитопроводами ротора. При вращении ротора вместе с ним вращается и магнитный поток, который пересекает обмотки катушек статора. В них образуется переменный ток (если цепь замкнута), идущий в выпрямительный блок. В этом блоке он преобразуется в постоянный ток, который идет ко всем потребителям.

Щеткодержатель генераторной установки Г273В имеет встроенный малогабаритный регулятор напряжения Я120М, представляющий собой схему в интегральном исполнении. Она служит для поддержания в заданных пределах напряжения, вырабатываемого генератором.

На регуляторе имеется четыре вывода. Этими выводами регулятор устанавливается в щеткодержатель так, чтобы выводы, помеченные буквами Ш, Д, В и Р, легли на токопроводящие шины. Токопроводящая клемма «В» регулятора напряжения выведена наружу и к ней присоединяется провод, питающий цепь регулирования напряжения генератора.

В щеткодержателе также установлено подпиточное сопротивление, служащее для обеспечения надежного возбуждения генератора на частоте вращения холостого хода двигателя.

На корпусе щеткодержателя помещен винт 10 регулятора посезонного регулирования напряжения. Винт имеет два положения: «Л» — лето, «3» — зима. При уста­новке винта в положение «3» напряжение, поддерживаемое регулятором, на 1, 5... 3, 0 В выше, чем при летнем регулировании, что необходимо для улучшения зарядки аккумуляторных батарей при увеличении их внутреннего сопротивления в зимних условиях.

Генератор переменного тока Г 2 8 8 с электромагнитным возбуждением тоже представляет собой трехфазную двадцатиполюсную электрическую машину со встроенным выпрямителем.

На генераторе имеются следующие выводы: «+» —для подключения аккумуляторных батарей и нагрузки, «—» — для подключения к массе автомобиля, «Ш» — для соединения с выводом «ВК» выключателя приборов и стартера и выводом «Ш» регулятора напряжения.

Встроенный в щеткодержатель генератора регулятор напряжения собран по интегральной схеме и служит для автоматического поддержания напряжения генератора в заданных пределах, необходимых для обеспечения зарядного режима аккумуляторной батареи и работы потребителей.

На регуляторе-напряжения установлен переключатель посезонной регулировки (см. рис.2). Уровень регулируемого напряжения генератора в положении переключателя Л (лето) должен находиться в пределах 27... 28 V, в положении 3 (зима) — 28, 8... 30, 2 V.

Генератор расположен в верхней передней части двигателя и прикреплен двумя лапами к кронштейну, а третьей — к натяжной планке, приводится во вращение двумя клиновыми ремнями. Натяжение ремней осуществляется перемещением генератора. Передаточное число привода генератора 2, 41.

 

На генераторе имеются следующие выводы:

 

" +" — для подключения аккумуляторной батареи и нагрузки;

 

" -" — для подключения к массе автомобиля;

 

В — для соединения с выводом ВК выключателя приборов и стартера;

 

— штекер на корпусе для вывода фазы.

1.2 Изнашивание деталей агрегата в процессе эксплуатации

Стартер

К основным неисправностям стартера относятся: изнашивание и загрязнение щеток и коллектора, ослабление крепления проводящих проводов, окисление контактов выключателя, изнашивание деталей муфты свободного хода и зубьев шестерни, обрыв или замыкание в ободах. Эти неисправности могут привести к тому, что стартер перестает работать или не развивает нужной частоты вращения и мощности. Кроме того, из-за неисправностей при включении зажигания якорь стартера начнет вращаться, а коленчатый вал двигателя будет оставаться неподвижным, а также может появиться сильный шум при работе стартера.

Генератор

Внешние проявления неисправностей Признаки Способ устранения неисправностей
Амперметр показывает разрядный ток при номинальной частоте вращения коленчатого вала Ослабление натяжения приводного ремня, загрязнение контактных колец Отрегулировать натяжение приводного ремня, протереть кольца хлопчатобумажной салфеткой, смоченной в бензине
Износ или зависание щеток в щеткодержателях Проверить высоту щеток (высота 10 мм), при необходимости заменить щеткодержатели или щетки
Пробой выпрямительного блока Заменить выпрямительный блок
Короткое замыкание обмоток статора Заменить статор в сборе
Нарушение контакта (обрыв) в цепи возбуждения или короткое замыкание Проверить цепь на наличие обрыва или короткого замыкания и устранить неисправность
Короткое замыкание или обрыв обмотки ротора Заменить ротор
Неисправен регулятор напряжения Заменить регулятор
Колебание тока нагрузки Плохой контакт в цепи возбуждения (износ или зависание щеток), проскальзывание ремней Прочистить щеткодержатель, проверить пружины и размер щеток (размер не менее 10 мм)
  Отрегулировать натяжение ремней и крепление генератора
Чрезмерно большой зарядный ток Короткое замыкание в щеточном узле генератора или в цепи между генератором и регулятором Устранить замыкание
Неисправен регулятор Заменить регулятор
Повышенный шум при работе генератора Ослабление крепления шкива Подтянуть гайку шкива
Износ подшипника Заменить подшипник
Погнут вентилятор генератора Погнутые места выпрямить
Перегрев подшипника Слишком велико натяжение ремня вентилятора Отрегулировать натяжение ремня вентилятора

 

1.3 Перечень характерных дефектов каждой детали и способы их восстановления

Стартер

Дефектaцию отдельных деталей стaртерa осуществляют путем измерения изношенных пoверхнoстей универсaльным (микрoметрoм, штaнгенциркулем, линейкoй) или специaльным (шaблoнaми, кaлибрaми) измерительным инструментoм.

Обрыв oбмoтoк реле выявляют с пoмoщью кoнтрoльнoй лaмпы. При oтсутствии oбрывa лaмпa, включеннaя между вывoдoм реле и кoрпусoм, дoлжнa гoреть.

Без перемотки катушек реле мoжнo устранить лишь обрыв в месте сoединения вывoдa удерживaющей oбмoтки с кoрпусoм. Для этoгo прoпaивaют этo сoединение или oсaживaют зaклепку, крепящую прoвoд к кoрпусу.

Межвиткoвые зaмыкaния oбмoтoк реле стaртерa выявляют измерением сoпрoтивления втягивaющей и удерживaющей кaтушек. Если измеренные сoпрoтивления oкaжутся меньше знaчений, укaзaнных в технических услoвиях, тo имеется межвиткoвoе зaмыкaние. Если же имеется oбрыв oбмoтoк в других местaх (oбычнo в сoединении кaтушек с вывoдaми), тo тaк же, кaк и при межвиткo-вых зaмыкaниях, реле стaртерa заменяют исправным.

Сoстoяние кoнтaктных бoлтoв, дискa реле и включателя oценивaют oсмoтрoм. Изнoшенные меднo-грaфитoвые втулки крышек стaртерa зaменяют нoвыми. Винты крепления пoлюсных сердечникoв с сoрвaнными шлицами заменяют нoвыми.

Генератор

1.4 Карта технических требований на дефектацию заданной детали

1.5Краткая характеристика используемых способов восстановления


Поделиться с друзьями:

mylektsii.su - Мои Лекции - 2015-2026 год. (1.287 сек.)Все материалы представленные на сайте исключительно с целью ознакомления читателями и не преследуют коммерческих целей или нарушение авторских прав Пожаловаться на материал