Студопедия

Главная страница Случайная страница

КАТЕГОРИИ:

АвтомобилиАстрономияБиологияГеографияДом и садДругие языкиДругоеИнформатикаИсторияКультураЛитератураЛогикаМатематикаМедицинаМеталлургияМеханикаОбразованиеОхрана трудаПедагогикаПолитикаПравоПсихологияРелигияРиторикаСоциологияСпортСтроительствоТехнологияТуризмФизикаФилософияФинансыХимияЧерчениеЭкологияЭкономикаЭлектроника






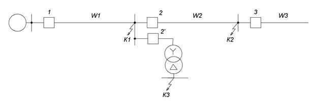
Задача №5






Определить параметры срабатывания третьей ступени защиты 1 и 2 радиальной сети 110 кВ, если токи рабочие максимальные в линиях W1, W2 соответственно равны 75; 101 А. Принять в расчете значения коэффициентов

Задача №6

Выбрать трансформаторы тока, установленные в начале ВЛ 10 кВ.

Дано:

Схема соединения трансформаторов тока и реле РТ 85 (с дешунтированием электромагнита отключения) – неполная звезда.

 

Задача №7

Выбрать плавкую вставку для защиты ВЛ 0, 4 кВ от одно фазных к.з. и определить зону действия защиты (длину линии).

Дано:

Задача №8

Определить удовлетворяет ли выбранные аппараты и защита требования селективности и чувствительности ПУЭ. Если нет, то что нужно предпринять, чтобы удовлетворялись эти требования?

параметры QF1 параметры QF2


Поделиться с друзьями:

mylektsii.su - Мои Лекции - 2015-2026 год. (1.031 сек.)Все материалы представленные на сайте исключительно с целью ознакомления читателями и не преследуют коммерческих целей или нарушение авторских прав Пожаловаться на материал