Студопедия

Главная страница Случайная страница

КАТЕГОРИИ:

АвтомобилиАстрономияБиологияГеографияДом и садДругие языкиДругоеИнформатикаИсторияКультураЛитератураЛогикаМатематикаМедицинаМеталлургияМеханикаОбразованиеОхрана трудаПедагогикаПолитикаПравоПсихологияРелигияРиторикаСоциологияСпортСтроительствоТехнологияТуризмФизикаФилософияФинансыХимияЧерчениеЭкологияЭкономикаЭлектроника






Тестовые материалы

Дидактическая единица ГОС «Электромагнитные устройства, электрические машины, основы электропривода и электроснабжения»

 

Машины постоянного тока

 

1. Характеристика холостого хода генератора постоянного тока с независимым возбуждением изображена на рисунке цифрой …


1) n=4 2) n=7 3) n=6 4) n=5 5) n=3

 

 

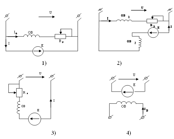
2. Cхема генератора с независимым возбуждением

 

 

3. Схема генератора с параллельным возбуждением

 

 

4. Схема генератора со смешанным возбуждением

 


 

5. Схема двигателя параллельного возбуждения

6. Схема двигателя последовательного возбуждения

7. Схема двигателя смешанного возбуждения

8.Схема двигателя независимого возбуждения

9. Расположите внешние характеристики генератора независимого возбуждения в порядке возрастания тока возбуждения


1) А, Б, В 2) Б, А, В 3) В, Б, А

 

10. Расположите механические характеристики двигателя постоянного тока независимого возбуждения в порядке возрастания напряжения на якоре

 


1) А, Б, В 2) В, А, Б 3) В, Б, А

 

 

11. Электромагнитный момент –М машины постоянного тока, для которой ток якоря- , магнитный поток одного полюса –Ф, конструктивная постоянная, обуславливающая момент двигателя - , определяется как:

1) 2)

3) 4)

12. Электродвижущая сила –E машины постоянного тока, для которой частота вращения якоря –n, магнитный поток одного полюса –Ф, конструктивная постоянная, обуславливающая э.д.с. - , определяется как:

1) 2) 3) 4)

 

13. Какое уравнение верно показывает связь между напряжением и э. д. с. генератора постоянного тока?

1) U=E+IЯRЯ 2) U = E2/(IяRя)

3) U=E-IЯRЯ 4) U=ERЯ

14. Если якорь машины вращается против часовой стрелки, то ЭДС будет отсутствовать в проводниках с номерами …

1) 7, 6, 5 2) 1, 2, 3 3) 2, 6 4) 4, 8

15. Если якорь машины вращается против часовой стрелки, то ЭДС будет максимальна в проводниках с номерами …

1) 7, 6, 5 2) 1, 2, 3 3) 2, 6 4) 4, 8

 

16. Двигателю постоянного тока последовательного возбуждения принадлежит механическая характеристика под номером

1 2 3 4

17.Уравнение электрического состояния генератора постоянного тока

1) 2)

3) 4)

 

18. Уравнение электрического состояния двигателя постоянного тока

1) 2)

3) 4)

 

19. На проводник с током, находящемся в магнитном поле действует сила пропорционаяльная выражению...

1) 2) 3)

20. При движении проводника в магнитном поле индуцируется ЭДС пропорциональная выражению...

1) 2) 3)

21. Главным преимуществом двигателей постоянного тока является…

1) дешевизна

2) простота конструкции

3) высокая надежность

4) возможность регулирования частоты вращения в широких пределах

 


22. Характеристика холостого хода генератора постоянного тока с независимым возбуждением изображена на рисунке цифрой …

1 2 3 4 5

 

23. Внешняя характеристика генератора постоянного тока со смешанным возбуждением изображена на рисунке цифрой …

1 2 3 4 5


24. Внешняя характеристика генератора постоянного тока с независимым возбуждением изображена на рисунке цифрой …

1 2 3 4 5


 


25. Внешняя характеристика генератора постоянного тока последовательным возбуждением изображена на рисунке цифрой …

1 2 3 4 5

26. Внешняя характеристика генератора постоянного тока с параллельным возбуждением изображена на рисунке цифрой …

1 2 3 4 5

27. Универсальная механическая характеристика машины постоянного тока с параллельным возбуждением

28. Механическая характеристика двигателя постоянного тока последовательного возбуждения

 

29.Механическая характеристика двигателя постоянного тока смешанного возбуждения

 

 

30. Механическая характеристика двигателя постоянного тока со смешанным возбуждением …


 

ЛИТЕРАТУРА

 

1 Касаткин А.С., Немцов М.В. Электротехника. Учебник для вузов. – М.: Высш. шк., 2003. – 542 с. – 20 экз.

2 Электротехника и электроника. Учебное пособие для вузов / Под ред. В.В. Кононенко. – Ростов-на-Дону: Феникс, 2004. – 752 с. – 10экз.

3 Алиев И.И. Справочник по электротехнике и электрооборудованию: Учеб. пособие для вузов. – 4-е изд. стереотип. – М.: Высш. шк., 2005. – 255 с. – 25 экз.

4 Мещеряков Ю.Г. Электроника: Учеб. пособие для неэлектротехн. спец. вузов: Алт. гос. техн. ун-т им. И.И. Ползунова. – Барнаул: изд-во АлтГТУ, 2006. – 135 с. – 200 экз.

5 Рекус Г.Г. Сборник задач и упражнений по электротехнике и основам электроники: Учеб. пособие для неэлектротехнических специальностей вузов. – 2-е изд. – М.: Высш. шк., 2002. – 416 с. – 20 экз.

 

 

СОДЕРЖАНИЕ

 

1. Правила по технике безопасности при проведении лабораторных работ......................................... 2

2. Лабораторная работа № 1. Конструкция и принцип действия машин постоянного тока 4............................ 4

3. Лабораторная работа № 2. Исследование генератора постоянного тока независимого возбуждения.................18

4. Литература...................................... 22

<== предыдущая лекция | следующая лекция ==>
Методические рекомендации | 
Поделиться с друзьями:

mylektsii.su - Мои Лекции - 2015-2026 год. (3.082 сек.)Все материалы представленные на сайте исключительно с целью ознакомления читателями и не преследуют коммерческих целей или нарушение авторских прав Пожаловаться на материал