Студопедия

Главная страница Случайная страница

КАТЕГОРИИ:

АвтомобилиАстрономияБиологияГеографияДом и садДругие языкиДругоеИнформатикаИсторияКультураЛитератураЛогикаМатематикаМедицинаМеталлургияМеханикаОбразованиеОхрана трудаПедагогикаПолитикаПравоПсихологияРелигияРиторикаСоциологияСпортСтроительствоТехнологияТуризмФизикаФилософияФинансыХимияЧерчениеЭкологияЭкономикаЭлектроника






Занятие 1. Электрический ток в газах при атмосферном давлении.






План:

1. Электрический разряд в газе.

2. Несамостоятельный газовый разряд

3. Самостоятельный газовый разряд

4. Виды самостоятельного газового разряда. Плазма.

Процесс протекания электрического тока через газ называется газовым разрядом.

На опыте убедились, что для возникновения газового разряда необходимо внешнее воздействие – ионизация – образование положительно заряженных ионов вследствие распада атомов и отрицательно заряженных ионов вследствие присоединения электронов к нейтральным атомам. Способы ионизации: 1) воздействие излучения (ультрафиолетового, инфракрасного, рентгеновского, α -, β, γ - излучения). 2) ионизация электронным ударом.

При действии ионизатора может происходить и такое: положительно ион встретится с электроном и образуют нейтральный атом. Этот процесс называется рекомбинацией. Если действие ионизатора неизменно, то устанавливается динамическое равновесие между числом вновь образующихся пар заряженных частиц и числом рекомбинировавших пар.

Можно сделать вывод - при ионизации газа возникают свободные носители заряда: электроны и ионы.

В металлах проводимость электронная (носители заряда электроны), в электролитах ионная (так как носители заряда ионы), а в газах – электронно-ионная.

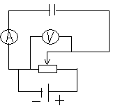
Схема 1

Увеличивая напряжение на пластинах конденсатора и измеряя амперметром силу тока в цепи, можем построить вольт - амперную характеристику газового разряда. Несамостоятельный (тихий) разряд прекращается, как только ионизатор перестает действовать.

Под действием ионизатора образуется конечное число носителей заряда. При небольшом напряжении положительно заряженные ионы двигаются к отрицательно заряженному электроду, а отрицательно заряженные ионы - к аноду. Возникает электрический ток. Но не все образующие носители заряда успевают дойти до электродов (частично рекомбинируют), поэтому при малом напряжении сила тока мала. При большом напряжении скорость движения ионов возрастает, следовательно, больше носителей зарядов достигают электродов. Поэтому сила тока возрастает. На [АВ] справедлив закон Ома. На этом участке ток возрастает за счёт ослабления рекомбинации носителей заряда.

При дальнейшем увеличении напряжения, начиная с некоторого U1, сила тока увеличивается (участок ВС). Это объясняется тем, что все образующиеся носители заряда достигают электродов. Говорят, что ток достигает насыщения.

Ток в газе, значение которого не зависит от напряжения, называют током насыщения.

НА [BC] закон Ома не выполняется.

Ионы, разряжающиеся на обкладках конденсатора, превращаются молекулы нейтрального газ, следовательно химического действия ток в газах не создаёт.

Самостоятельный разряд не прекращается, если убрать ионизатор.

При дальнейшем увеличении напряжения, начиная с некоторого U2, ток снова начинает расти (участок СД). Это объясняется тем, что электроны, образуемые ионизатором, при движении в электрическом поле приобретают энергию, достаточную для ионизации молекул, то есть происходит ионизация электронным ударом.

Кинетическая энергия электрона перед очередным столкновением пропорциональна напряженности поля и длине свободного пробега λ:

*Е* λ (1)

Для того, чтобы удалить электрон с зарядом е из точки поля с потенциалом φ нужно совершить работу против сил этого поля: A= φ *e

Чтобы ионизировать молекулу газа, надо совершить работу = *е, где - потенциал ионизации, его величина зависит от рода атомов или молекул.

Если > , то электрон при встрече с атомом ионизирует его. Образуется электрон, который тоже ускоряется полем и ионизирует новый атом, то есть образуется “электронная лавина”. Кроме ионизации электронным ударом, самостоятельный разряд поддерживается:

1) вторичной электронной эмиссией (при ударах быстрых ионов о катод из него ”выбиваются” электроны. 2) термоэлектронной эмиссией (так как при бомбардировке ионами катод нагревается).

Виды самостоятельного газового разряда:

1) дуговой – разряд в газе, происходящий при раскалённом катоде или при высоком напряжении между электродами. Открыт в 1802 году В.В.Петровым. Используется электросварка, источник света в мощных прожекторах, дуговые электропечи.

2) искровой – прерывистый разряд в газе, происходящий при высоком напряжении, достаточном для образования лавинного пробоя. Пример – молния. Сила тока в момент пробоя очень велика.

3) коронный (“огни святого Эльма”) – происходят в газе, когда ударная ионизация возникает не во всём пространстве, занятом полем, а лишь вблизи электродов или проводов, где напряженность поля наиболее высока.

4) тлеющий - о нем поговорим позднее. Используют в лампах дневного света, газосветных трубках.

Плазма – это частично или полностью ионизированный газ. Свойства плазмы:

1. при высокой температуре плазма (полностью ионизированная) по своим свойствам проводимости приближается к сверхпроводникам.

2. каждая частица взаимодействует сразу с большим количеством частиц, следовательно можно легко возбудить колебания.

3. из-за большой подвижности заряженные частицы плазмы легко перемещаются под действием электрического или магнитных полей, поэтому любое нарушение электрической нейтральности быстро ликвидируется. Следовательно, плазма электрически нейтральна. Верхний слой атмосферы Земли на высоте 100-300 км представляет собой плазму, звёзды состоят в основном из полностью ионизированной плазмы, межзвёздная среда тоже плазма.

Домашнее задание: глава 20 § 1 – 3, 7

 


Поделиться с друзьями:

mylektsii.su - Мои Лекции - 2015-2026 год. (0.932 сек.)Все материалы представленные на сайте исключительно с целью ознакомления читателями и не преследуют коммерческих целей или нарушение авторских прав Пожаловаться на материал