Студопедия

Главная страница Случайная страница

КАТЕГОРИИ:

АвтомобилиАстрономияБиологияГеографияДом и садДругие языкиДругоеИнформатикаИсторияКультураЛитератураЛогикаМатематикаМедицинаМеталлургияМеханикаОбразованиеОхрана трудаПедагогикаПолитикаПравоПсихологияРелигияРиторикаСоциологияСпортСтроительствоТехнологияТуризмФизикаФилософияФинансыХимияЧерчениеЭкологияЭкономикаЭлектроника






Рідини по товщі продуктивного пласта






В процесі проведення гідродинамічних досліджень видобувних та нагнітальних свердловин необхідно обов’язково застосовувати і методи, які передбачають можливість отримання профілю припливу та поглинання рідини по товщі продуктивного пласта або, точніше, по всій перфорованій частині експлуатаційної колони.

Результати таких досліджень дають важливу інформацію про геологічну будову та стан розробки покладу: ступінь неоднорідності пласта, виробки запасів нафти, коефіцієнт охоплення витісненням нафти в процесі ППТ. Крім того, така інформація потрібна для якісної обробки результатів гідродинамічних досліджень свердловини всіма розглянутими вище методами.

Ці методи дають також можливість підвищити ефективність геолого-технічних заходів з інтенсифікації припливу рідини до свердловини та вирівнювання їх профілю припливу та поглинання.

Найбільш поширеними і найбільш точними є методи дослідження характеру припливу та поглинання рідини з допомогою глибинних витратомірів та дебітомірів. При їх використанні послідовно вимірюють витрату (поглинання) рідини по товщі пласта. Оскільки таку витрату можна виміряти в довільній точці стовбура свердловини, то це забезпечує будь-яку ступінь диференціювання сумарного припливу (поглинання), теоретично, аж до виділення кожного окремого отвору перфорації.

Очевидно, що такі дослідження можливі в фонтанних, газліфтних та нагнітальних свердловинах, тому особливо важливе їх проведення в фонтанний період розробки до переводу більшості свердловин на механізований спосіб експлуатації. В окремих випадках можна тимчасово перейти на газліфтний спосіб експлуатації з допомогою пересувних компресорів.

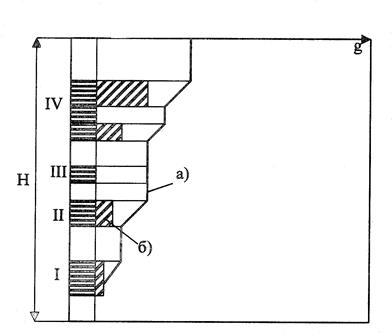
Дебітограми корисно будувати на стандартних бланках геофізичного каротажу. При цьому, спочатку слід будувати інтегральну лінію, яка показує зростання дебіту від нижніх до верхніх отворів перфорації (рис. 8, а), а потім диференціальну (рис.8, б), яка показує величину припливу рідини в свердловину на одиницю товщини пласта. Лінії а і б доповнюють одна одну, хоча більш важливою є інтегральна дебітограма. Побудова диференціальної дебітограми здійснюється на основі показів глибинного дебітоміра, причому дебіт окремих пропластків знаходять у відносних величинах до сумарного дебіту свердловини, які вимірюють на поверхні.

Рис. 8.1 – Можливий профіль припливу рідини до вибою видобувної свердловини

 

Як видно із прикладу, приведеного на рис. 8.1, з 4-х продуктивних пропластків, об’єднаних перфорацією в єдину систему, третій пропласток при заданому в процесі дослідження режимів роботи свердловини виявився непрацюючим (приплив рідини відсутній). Четвертий пропласток працює не на повну товщину, а найбільший приплив у відсотковому відношенні спостерігається із верхньої частини четвертого пропластка.

Знімати (вимірювати) профіль припливу можна з будь-яким кроком, хоча зменшування його нижче 50 см може бути доцільним тільки при проведенні деяких спеціальних досліджень (особливо точна відбивка меж інтервалів припливу, виявлення інтервалів тріщин після проведення ГРП або отворів ГПП).

Порівнюючи профілі припливу чи поглинання рідини при різних режимах роботи свердловин, можна зробити важливі висновки про характер фільтрації рідини та визначити оптимальні режими роботи видобувних та нагнітальних свердловин.

Глибинні дебітоміри (для видобувних свердловин) та витратоміри (для нагнітальних свердловин) являються, в основному, дистанційними приладами, покази яких передаються на поверхню по одножильному кабелю і реєструються на вторинних приладах.

Більшість дебітомірів (типу РГД-2М, РГД-36, Кобра-36) обладнуються спеціальними пакерами, з допомогою яких весь вимірювальний потік проходить через прилад та його чутливий елемент. Переважно чутливим елементом являються турбінки, які обертаються потоком рідини. Частота обертів перетворюється в електричний сигнал з допомогою магнітного переривача. На поверхні швидкість обертання турбінок дебітомірів (витратомірів) вимірюються частотомірами та лічильниками імпульсів струму.

В практиці досліджень застосовують також і комплексні глибинні прилади (Потік-4), які одночасно вимірюють дебіт, обводненість, тиск та температуру.



Поделиться с друзьями:

mylektsii.su - Мои Лекции - 2015-2026 год. (0.941 сек.)Все материалы представленные на сайте исключительно с целью ознакомления читателями и не преследуют коммерческих целей или нарушение авторских прав Пожаловаться на материал