Студопедия

Главная страница Случайная страница

КАТЕГОРИИ:

АвтомобилиАстрономияБиологияГеографияДом и садДругие языкиДругоеИнформатикаИсторияКультураЛитератураЛогикаМатематикаМедицинаМеталлургияМеханикаОбразованиеОхрана трудаПедагогикаПолитикаПравоПсихологияРелигияРиторикаСоциологияСпортСтроительствоТехнологияТуризмФизикаФилософияФинансыХимияЧерчениеЭкологияЭкономикаЭлектроника






Выбор резисторов






 

; при

Резистор R2 выбирается из условия:

;

;

R2=1 МОм

МЛТ-0, 125-1М±5%

 

.

МЛТ-0, 125-8К2±5%

 

.

МЛТ-0, 125-1М±5%

 

 

Выбор конденсатора

;

;

.

Конденсатор керамический:

КМ4-Н10-3М±10%

 

 

КМ6-H50-22Н±50%


2.3. Расчёт параметров усилителя

 

Основными параметрами усилителя являются постоянная составляющая выходного напряжения, входное и выходное сопротивления.

;

;

, где ;

.

 

 

2.4. Построение логарифмической амплитудно-частотной характеристики

 

 

;

.

 

 
 

 


Рисунок 2.2 – ЛАЧХ

 

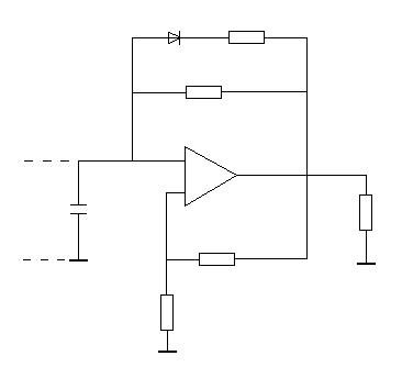
3. Расчёт мультивибратора на базе операционного усилителя

 

Мультивибратором называется генератор периодически повторяющихся импульсов прямоугольной формы.

 

 

  Марка ОУ, a0 Время импульса tи, мс, a1 t, мс, a2 А, a3 Температурный диапазон, К, a4
  140УД7     0, 5 -50…+50
  140УД8     2, 0 -30…+10

 

22=1× 24+0× 23+1× 22+1× 21+0× 20, вариант 10110

Марка ОУ: 140УД7;

DT=Tmax-Tmin=10-(-30)=40 оС;

tи=2 мс;

tп=t× А=1× 10-3× 0, 5=0, 5 мс;

Rн=5 кОм.

 

 

Рисунок 7 - Схема мультивибратора

 

 

3.1 Расчёт и выбор элементов схемы мультивибратора

 

Резистор R2 выбирается произвольно в пределах (5¸ 10) кОм.

.

МЛТ-0, 125-8К1±5%

 

Расчёт R1 ведётся из неравенств:

и

, где ;

 

и

.

Резистор выбирается как минимально получившееся значение, то есть R1=3 кОм.

МЛТ-0, 125-3К±5%

 

Ёмкость конденсатора C определяется с учётом tи и tп. При этом R берется с значением сопротивления 1 МОм.

Термостабильный резистор:

C2-29-0, 125-1М±5%

 

;

.

;

;

Таким образом, , Конденсатор керамический:

 

КМ-6-М47-9Н1±10%

 

Термостабильный резистор:

 

C2-29-0, 125-М62±5%

 

 

3.2. Определение температурной нестабильности мультивибратора

 

, где ;

;

.

 

 

3.3. Проверка мультивибратора на работоспособность

 

Для устойчивой работы мультивибратора необходимо, чтобы Iвых£ Iвых.max (условие работы операционного усилителя).

,

.

 

 

 

4, 35 мА < 7, 5 мА

 

Так как условие Iвых£ Iвых.max выполняется, то мультивибратор работоспособен.

 

 


Поделиться с друзьями:

mylektsii.su - Мои Лекции - 2015-2026 год. (0.914 сек.)Все материалы представленные на сайте исключительно с целью ознакомления читателями и не преследуют коммерческих целей или нарушение авторских прав Пожаловаться на материал