Студопедия

Главная страница Случайная страница

КАТЕГОРИИ:

АвтомобилиАстрономияБиологияГеографияДом и садДругие языкиДругоеИнформатикаИсторияКультураЛитератураЛогикаМатематикаМедицинаМеталлургияМеханикаОбразованиеОхрана трудаПедагогикаПолитикаПравоПсихологияРелигияРиторикаСоциологияСпортСтроительствоТехнологияТуризмФизикаФилософияФинансыХимияЧерчениеЭкологияЭкономикаЭлектроника






Основные области применения и промышленное производство IGBT-модулей в России






В настоящее время производство силовых IGBT-модулей освоено рядом российских предприятий электронной промышленности (АО " Электровыпрямитель", НПК " ИСЭ" и другие). Основными элементами в модулях являются IGBT-чипы, изготовленные по NPT (Non punch through) технологии. IGBT - транзисторы, изготовленные по этой технологии, обладают высокой du /dt стойкостью, практически прямоугольной областью безопасной работы, что обеспечивает надёжную работу приборов при предельных загрузках по току и напряжению. Эти транзисторы имеют положительный температурный коэффициент напряжения насыщения, что позволяет успешно использовать IGBT- модули в параллельных соединениях. Особенностью российских модулей является низкое время спада тока при выключении, а также очень низкие и практически не зависящие от температуры остаточные токи. Это особенно важно при работе транзисторов на высоких частотах.

Модули выполняются по одно - (серия МДТКИ) и двухключевой (М2ТКИ) схемам, а также по схеме прерывателя тока (чоппера - серия МТКИД). Транзисторы шунтируются диодами обратного тока, в качестве которых используются супербыстровосстанавливающиеся диоды с " мягким" восстановлением (FRD диоды).

IGBT-модули первого конструктивного исполнения (ширина модуля 34 мм) рассчитаны на токи 25, 50 и 75 А и предназначены для инверторов мощностью от 2 до 15 кВт. Модули второго конструктивного исполнения (ширина модуля 62 мм) рассчитаны на токи 100, 150 и 200 А и применяются в инверторах мощностью от 20 до 60 кВт. И самые мощные в этом ряду IGBT- модули третьего исполнения (ширина 62 мм) на токи 200, 320 и 400 А могут применятся в инверторах мощностью от 60 до 200 кВт.

С 1998 года на саранском предприятии " Электровыпрямитель" осуществляется выпуск мощных высоковольтных IGBT- модулей на ток до 1200 А и напряжение до 3300 В; проводится разработка мощного IGBT - транзистора таблеточной конструкции с прижимными контактами, что позволит увеличить съём тепла с элемента, ещё более повысить рабочий ток и напряжение транзистора.

IGBT- модули зарубежного производства на российском рынке электронных компонентов представлены в основном фирмами " Mitsubishi", " International Rectifier", " Hitachi" (см. рисунок 9).

Распространяемые фирмами-посредниками приборы перекрывают диапазоны максимально допустимых токов (Ic) от 50 А до 1000 А и напряжений (UCE) от 250 В до 1700 В. Модули на токи до 600 А реализуются с включённым в структуру драйвером, свыше 600 А- драйвер поставляется отдельно.

Современные IGBT-модули находят сегодня широкое применение при создании неуправляемых и управляемых выпрямителей, автономных инверторов для питания двигателей постоянного и переменного тока средней мощности (см. рисунок 8), преобразователей индукционного нагрева, сварочных аппаратов, источников бесперебойного питания, бытовой и студийной техники.

Рисунок 8 — Схема тягового привода системы ONIX 3000 на IGBT-транзисторах электровоза AM96 для системы электроснабжения 3 кВ

Особую роль IGBT -модули играют в развитии железнодорожного транспорта. Применение этих перспективных приборов в тяговом преобразователе позволило повысить частоту переключения, упростить схему управления, минимизировать загрузку сети гармониками и обеспечить предельно низкие потери в обмотках трансформатора и дросселей. На российском подвижном составе модули IGBT использовались в преобразователе собственных нужд (ПСН) электровоза ЭП-200, тяговом преобразователе электропоездов " Cокол" и ЭД6.

Впервые тяговый преобразователь на транзисторах IGBT (четырёхквадрантные регуляторы, импульсные инверторы и тормозной регулятор) применён в Европе на серийном электропоезде переменного тока промышленной частоты Heathrow Express (HEX).

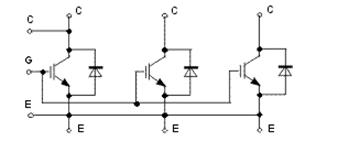
Рисунок 9 — Схема включения IGBT- модуля типа MBN1200D33 фирмы Hitachi

Заключение

На сегодняшний день IBGT как класс приборов силовой электроники занимает и будет занимать доминирующее положение для диапазона мощностей от единиц киловатт до единиц мегаватт. Дальнейшее развитие IGBT связано с требованиями рынка и будет идти по пути:

- повышения диапазона предельных коммутируемых токов и напряжений (единицы килоампер, 5-7 кВ);

- повышения быстродействия;

- повышения стойкости к перегрузкам и аварийным режимам;

- снижения прямого падения напряжения;

- разработка новых структур с плотностями токов, приближающихся к тиристорным;

- развития " интеллектуальных" IGBT (с встроенными функциями диагностики и защит) и модулей на их основе;

- создания новых высоконадёжных корпусов, в том числе с использованием MMC (AlSiC) и прижимной конструкции;

- повышения частоты и снижение потерь SiC быстровосстанавливающихся обратных диодов;

- применения прямого водяного охлаждения для исключения соединения основание - охладитель.

 

 

 


Поделиться с друзьями:

mylektsii.su - Мои Лекции - 2015-2026 год. (0.571 сек.)Все материалы представленные на сайте исключительно с целью ознакомления читателями и не преследуют коммерческих целей или нарушение авторских прав Пожаловаться на материал