Студопедия

Главная страница Случайная страница

КАТЕГОРИИ:

АвтомобилиАстрономияБиологияГеографияДом и садДругие языкиДругоеИнформатикаИсторияКультураЛитератураЛогикаМатематикаМедицинаМеталлургияМеханикаОбразованиеОхрана трудаПедагогикаПолитикаПравоПсихологияРелигияРиторикаСоциологияСпортСтроительствоТехнологияТуризмФизикаФилософияФинансыХимияЧерчениеЭкологияЭкономикаЭлектроника






Простий модем для КХ (короткі хвилі) і УКХ (ультракороткі хвилі) пакетів зв'язку






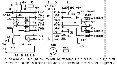
Модем призначений для роботи пакетами на КХ та УКХ. Основу схеми складає однокристальна мікроЕОМ АТ89с1051. Демодуляція вхідного сигналу здійснюється програмним способом за допомогою алгоритму цифрової фільтрації з елементами статистичної обробки для покращення завадостійкості прийому. Вбудований в мікросхему прецизійний компаратор дозволив обійтися без зовнішнього операційного підсилювача.

Світлодіоди V1-V4 представляють собою найпростіший аналізатор спектру. При роботі на КХ це дозволяє точно налаштуватися на працюючу станцію. Світлодіод V5 світиться, коли прийнятий сигнал не потрапляє в канал прийому. При правильному налаштуванні повинні яскраво світитися світло діоди V2 і V3. Невеликий рівень світіння інших світлодіодів свідчить про наявність перешкод у каналі прийому. Регулюванням рівня сигналу або вхідним атенюатором приймача потрібно домогтися мінімально можливої яскравості їх свічення. Статистична обробка дозволяє працювати при істотному рівні шуму в корисному сигналі. Налаштування компаратора виробляється резистором R3 в режимі прийому КХ (перемикач S1 розімкнений). На вхід подається синусоїдальний сигнал. Регулюванням R3 потрібно домогтися скважності імпульсів на виводі 3 процесора рівної двом. Поступово зменшуючи рівень сигналу, процедуру потрібно повторювати до отримання максимальної чутливості. Після цього можна подати реальний сигнал і переконатися в наявності демодульованого сигналу на виводі 11.

Синусоїдальний сигнал на передачу формується за допомогою найпростішого ЦАП на резисторах R8-R11. Особливість такого рішення полягає у формуванні сигналу без розриву фази, що сприятливо позначається на якості прийому такого сигналу. Резистором R11 встановлюється рівень модуляції для радіостанції.

На діодах V6-V9, резистора R14-R17 зібрана схема сполучення рівнів TTL за рівнем сигналів COM порту комп'ютера. На схемі вказані назви сигналів порту та нумерація 9-ти вивідного роз'єму комп'ютера для роботи з відомою пакетною програмою BAYCOM. Вона дозволяє працювати як на КХ так і на УКХ. Якщо передбачається підключити модем до TNC-контролера, схему сполучення можна виключити. У цьому випадку сигнали підключають відповідно: вивід 8 процесора до виходу прийом/передача TNC, вивід 11 до входу демодульованих даних у TNC, вивід 9 до виходу даних з TNC. Сигнали SOUND, MIC, PTT підключають до радіостанції відповідно на НЧ вихід, на мікрофонний вхід, і на вхід управління прийом/передача. Якщо передбачається робота тільки на УКХ, всі світлодіоди можна виключити, у цьому випадку споживаний струм зменшиться і становитиме близько 10 мА.

Частота кварцового резонатора може бути будь-якою в діапазоні від 9 до максимальної частоти мікросхеми. При зміні частоти резонатора, розраховуються константи для роботи цифрового фільтра і генератора двотонального сигналу, які потім записуються в мікросхему.

 


Поделиться с друзьями:

mylektsii.su - Мои Лекции - 2015-2026 год. (1.896 сек.)Все материалы представленные на сайте исключительно с целью ознакомления читателями и не преследуют коммерческих целей или нарушение авторских прав Пожаловаться на материал