Студопедия

Главная страница Случайная страница

КАТЕГОРИИ:

АвтомобилиАстрономияБиологияГеографияДом и садДругие языкиДругоеИнформатикаИсторияКультураЛитератураЛогикаМатематикаМедицинаМеталлургияМеханикаОбразованиеОхрана трудаПедагогикаПолитикаПравоПсихологияРелигияРиторикаСоциологияСпортСтроительствоТехнологияТуризмФизикаФилософияФинансыХимияЧерчениеЭкологияЭкономикаЭлектроника






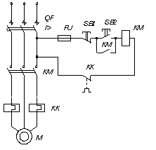
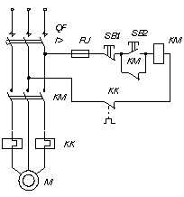
Правильной принципиальной электрической схемой пуска и останова асинхронного двигателя является схема






 

1) 2) 3)

Ответ: 1

Укажите номер правильного ответа

Надежную тепловую защиту электродвигателя обеспечивает магнитный пускатель с тепловым реле, если он установлен

1) в условиях с большей температурой, чем возле двигателя;

2) в условиях с меньшей температурой, чем возле двигателя;

3) в одинаковых с двигателем температурных условиях.

Ответ: 3

Укажите номер правильного ответа

Заземление нескольких электродвигателей осуществляется по схеме

 

Ответ 3

Укажите номер правильного ответа

41. Если величина сопротивления обмоток статора электродвигателя Rоб < 0, 5 МОм, необходимо произвести:

1) замену обмоток;

2) сушку обмоток;

3) усиление изоляции обмоток;

Ответ: 2

Укажите номер правильного ответа


Поделиться с друзьями:

mylektsii.su - Мои Лекции - 2015-2026 год. (1.557 сек.)Все материалы представленные на сайте исключительно с целью ознакомления читателями и не преследуют коммерческих целей или нарушение авторских прав Пожаловаться на материал