Главная страница
Случайная страница
КАТЕГОРИИ:
АвтомобилиАстрономияБиологияГеографияДом и садДругие языкиДругоеИнформатикаИсторияКультураЛитератураЛогикаМатематикаМедицинаМеталлургияМеханикаОбразованиеОхрана трудаПедагогикаПолитикаПравоПсихологияРелигияРиторикаСоциологияСпортСтроительствоТехнологияТуризмФизикаФилософияФинансыХимияЧерчениеЭкологияЭкономикаЭлектроника
|
Расчет основного времени
Основное время рассчитывается по формуле
Tм = Lpx / (n S), мин, (18)
где Lpx = L + l1 + l2 – длина рабочего хода инструмента с учетом врезания и
перебега, мм;
L – длина обрабатываемой поверхности, мм;
l1 – длина врезания, мм (l1=t/tgφ);
l2 – перебег, мм (l2 = 0, 672 t).
Выбор режимных параметров для других видов обработки (сверление, фрезерование, шлифование) выполнить табличным методом, используя справочную литературу и методические указания «Выбор режимов резания» (Часть II).
Задание 1
На токарно-винторезном станке мод. 16К20 обрабатывается (точение на проход) вал диаметром D до диаметра d на длине l1 = 0, 8· l. Длина вала l. Способ крепления заготовки на станке выбрать самостоятельно.
n
S
Исходные параметры к заданию 1.
| № вар.
| Марка обрабатываемого материала
| Механические свойства
| Диаметр заготовки D, мм
| Диаметр детали d,
мм
| Длина детали l, мм
| Шероховатость Ra,
мкм
| Точность,
мм
| | σ, МПа
| НВ
| |
| Сталь 15ХА
|
| -
|
|
|
| 6, 3
| h9
| |
| Сталь 18ХГ
|
| -
|
|
|
| 6, 3
| h9
| |
| Сталь 20ХГР
|
| -
|
|
|
| 3, 2
| h8
| |
| Сталь 40ХГТ
|
| -
|
|
|
| 6, 3
| h9
| |
| Сталь 33ХС
|
| -
|
|
|
| 3, 2
| h8
| |
| Сталь 40ХС
|
| -
|
|
|
| 3, 2
| h8
| |
| Чугун СЧ20
| -
|
|
|
|
| 1, 6
| h7
| |
| Чугун СЧ25
| -
|
|
|
|
| 3, 2
| h8
| |
| Чугун КЧ30-6
| -
|
|
|
|
| 3, 2
| h8
| |
| Чугун КЧ60-КЧ60-3
| -
|
|
|
|
| 6, 3
| h9
| |
| Чугун ЧХ1
| -
|
|
|
|
| 6, 3
| h9
| |
| Сталь 30ХН2МФА
|
| -
|
|
|
| 6, 3
| h9
| |
| Сталь 45ХН2МФА
|
| -
|
|
|
| 3, 2
| h8
| |
| Сталь 20ХГСА
|
| -
|
|
|
| 6, 3
| h10
| |
| Сталь 27ХГР
|
| -
|
|
|
| 6, 3
| h9
| |
| Сталь 38ХС
|
| -
|
|
|
| 3, 2
| h8
| |
| Сталь 25ХГ7
|
| -
|
|
|
| 6, 3
| h10
| |
| Сталь 38ХС
|
| -
|
|
|
| 6, 3
| h9
| |
| Чугун ЧН19Х3
| -
|
|
|
|
| 6, 3
| h10
| |
| Чугун ЧХ28П
| -
|
|
|
|
| 3, 2
| h8
| |
| Сталь 50ХН
|
| -
|
|
|
| 3, 2
| h9
| |
| Сталь 30ХН3А
|
| -
|
|
|
| 6, 3
| h10
| |
| Сталь 15ХМ
|
| -
|
|
|
| 6, 3
| h9
| |
| Чугун ЧХ22С
| -
|
|
|
|
| 3, 2
| h8
| |
| Чугун ЧС15
| -
|
|
|
|
| 3, 2
| h10
| |
| Чугун ЧС 17М3
| -
|
|
|
|
| 1, 6
| h7
| |
| Сталь35Г2
|
| -
|
|
|
| 3, 2
| h9
| |
| Сталь 50ХН
|
| -
|
|
|
| 3, 2
| h8
| |
| Сталь 10Г2
|
| -
|
|
|
| 6, 3
| h9
| |
| Сталь 27ХГР
|
| -
|
|
|
| 6, 3
| h10
| |
| Чугун КЧ80-1, 5
| -
|
|
|
|
| 3, 2
| h9
| |
| Чугун КЧ65-3
| -
|
|
|
|
| 1, 6
| h8
| |
| Чугун СЧ18
| -
|
|
|
|
| 3, 2
| h10
| |
| чугун СЧ30
| -
|
|
|
|
| 1, 6
| h7
| |
| Сталь 42Х2Н2МА
|
| -
|
|
|
| 3, 2
| h8
| |
| Чугун СЧ21
| -
|
|
|
|
| 3, 2
| h8
| |
| Сталь 18Х2Н4МА
|
| -
|
|
|
| 6, 3
| h9
| |
| Сталь 20ХН4ФА
|
| -
|
|
|
| 6, 3
| h10
| |
| Сталь 20ХН
|
| -
|
|
|
| 6, 3
| h9
| |
| Чугун СЧ24
| -
|
|
|
|
| 6, 3
| h10
| |
| Чугун СЧ21
| -
|
|
|
|
| 3, 2
| h8
| |
| Сталь 2Х13
|
| -
|
|
|
| 3, 2
| h9
| |
| Чугун СЧ18
| -
|
|
|
|
| 1, 6
| h7
| |
| Сталь30МА
|
| -
|
|
|
| 3, 2
| h8
| |
| Сталь 45
|
| -
|
|
|
| 3, 2
| h8
| |
| Сталь 35ХГСА
|
| -
|
|
|
| 1, 6
| h7
| |
| Чугун КЧ37-12
| -
|
|
|
|
| 6, 3
| h9
| |
| Чугун СЧ35
| -
|
|
|
|
| 3, 2
| h8
| |
| Сталь 40ХН2МА
|
| -
|
|
|
| 3, 2
| h9
| |
| Сталь50Г2
|
| -
|
|
|
| 6, 3
| h10
|
Задание 2
Выбрать режимы резания при сверлении отверстия диаметром D и глубиной L в заготовке толщиной H. Станок вертикально-сверлильный мод. 2Н135.

Таблица 2
Исходные параметры к заданию 2
| № вар.
| Материал заготовки
| D, мм
| L, мм
| Н, мм
| |
| Смотреть данные к задаче №1
|
29, 5
28, 5
27, 5
26, 5
25, 4
24, 6
23, 1
22, 8
21, 2
20, 7
19, 2
18, 8
11, 5
10, 5
14, 5
15, 5
16, 5
17, 5
18, 5
19, 5
20, 5
21, 5
22, 5
23, 5
24, 5
25, 5
|
|
|
Задание 3
Выбрать параметры режима резания при обработке плоскости А x B заготовки толщиной С. Припуск на обработку h, мм. Модели станков: горизонтально – фрезерный 6Н82Г или вертикально-фрезерный 6Р12.
Таблица 3
Исходные параметры к заданию 3.
| №
вар.
| Размер заготовки, мм
| Припуск h, мм
| Шероховатость после обработки Ra, мкм
| Материал заготовки
| Механические свойства
| | А
| B
| С
| s, мПа
| НВ
| |
|
|
|
| 2, 5
| 6, 3
| Чугун СЧ15
|
|
| |
|
|
|
| 1, 5
| 6, 3
| Сталь 40ХН
|
|
| |
|
|
|
| 2, 0
| 3, 2
| Сталь 50Г
|
|
| |
|
|
|
| 3, 0
| 6, 3
| Чугун СЧ18
|
|
| |
|
|
|
| 2, 8
| 3, 2
| Сталь 50
|
|
| |
|
|
|
| 3, 0
| 3, 2
| Сталь 60
|
|
| |
|
|
|
| 2, 0
| 6, 3
| Чугун КЧ37-12
|
|
| |
|
|
|
| 2, 5
| 3, 2
| Чугун СЧ18
|
|
| |
|
|
|
| 1, 5
| 3, 2
| Сталь12ХН3А
|
|
| |
|
|
|
| 2, 5
| 6, 3
| Сталь25Х2МФА
|
|
| |
|
|
|
| 3, 5
| 6, 3
| Сталь2Х13
|
|
| |
|
|
|
| 1, 5
| 6, 3
| Чугун СЧ18
|
|
| |
|
|
|
| 3, 0
| 3, 2
| Сталь 45Х
|
|
| |
|
|
|
| 2, 0
| 6, 3
| Сталь 35Л
|
|
| |
|
|
|
| 1, 5
| 6, 3
| Сталь45ХН
|
|
| |
|
|
|
| 2, 5
| 3, 2
| Чугун СЧ18
|
|
| |
|
|
|
| 1, 5
| 6, 3
| Сталь 20
|
|
| |
|
|
|
| 3, 0
| 6, 3
| Сталь 5
|
|
| |
|
|
|
| 1, 5
| 6, 3
| Сталь 35
|
|
| |
|
|
|
| 2, 5
| 3, 2
| Сталь 36ХА
|
|
| |
|
|
|
| 2, 0
| 3, 2
| Сталь 30Л
|
|
| |
|
|
|
| 3, 0
| 6, 3
| Сталь Х18Н9Т
|
|
| |
|
|
|
| 2, 5
| 6, 3
| Чугун СЧ24
|
|
| |
|
|
|
| 1, 5
| 3, 2
| Сталь ХН60В
|
|
| |
|
|
|
| 2, 5
| 3, 2
| Чугун СЧ15
|
|
| |
|
|
|
| 1, 5
| 6, 3
| Сталь 1Х12ВН
|
|
| |
|
|
|
| 1, 5
| 3, 2
| Сталь1Х13
|
|
| |
|
|
|
| 2, 5
| 3, 2
| СтальХН35ВТЮ
|
|
| |
|
|
|
| 2, 5
| 6, 3
| Сталь 1Х18Н9Т
|
|
| |
|
|
|
| 1, 5
| 6, 3
| Чугун СЧ15
|
|
| |
|
|
|
| 1, 5
| 3, 2
| Сталь ХН35ВТЮ
|
|
| |
|
|
|
| 2, 5
| 2, 5
| Сталь 25Х2МФА
|
|
| |
|
|
|
| 2, 5
| 3, 2
| Сталь Р18
|
|
| |
|
|
|
| 1, 5
| 3, 2
| Чугун СЧ12
|
|
| |
|
|
|
| 2, 0
| 3, 2
| Сталь 35
|
|
| |
|
|
|
| 2, 0
| 3, 2
| Чугун КЧ30-6
|
|
| |
|
|
|
| 2, 0
| 6, 3
| Сталь 40Х
|
|
| |
|
|
|
| 1, 5
| 6, 3
| Сталь 35ХГСА
|
|
| |
|
|
|
| 2, 5
| 6, 3
| Сталь38ХС
|
|
| |
|
|
|
| 1, 5
| 6, 3
| Сталь 20ХНР
|
|
| |
|
|
|
| 2, 5
| 2, 5
| Сталь 50Г
|
|
| |
|
|
|
| 1, 5
| 3, 2
| Чугун СЧ21
|
|
| |
|
|
|
| 2, 5
| 1, 6
| Чугун СЧ24
|
|
| |
|
|
|
| 2, 8
| 3, 2
| Чугун СЧ18
|
|
| |
|
|
|
| 2, 5
| 3, 2
| Сталь 30ХМА
|
|
| |
|
|
|
| 1, 5
| 3, 2
| Сталь 20ХНР
|
|
| |
|
|
|
| 1, 5
| 6, 3
| Сталь 40ХНМА
|
|
| |
|
|
|
| 2, 5
| 3, 2
| Сталь 3Х13
|
|
| |
|
|
|
| 2, 5
| 3, 2
| Чугун КЧ37-12
|
|
| |
|
|
|
| 3, 5
| 6, 3
| Сталь 2Х13
|
|
|
Задание 4
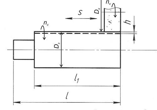
На круглошлифовальном станке модели 3М131 шлифуется участок вала диаметром d и длиной l1. припуск на обработку h, длина вала l. Способ крепления заготовки – в центрах. Выбрать режимы резания.

Таблица 4
Исходные параметры к заданию 4
| №
вар.
| Обрабатываемый материал
| Шероховатость поверхности Ra,
мкм
| d,
мм
| l1,
мм
| l,
мм
| h,
мм
| |
| Сталь У7А закаленная
HRCЭ 60..62
| 0, 63
|
|
|
| 0, 14
| |
| Сталь 40Х закаленная
HRCЭ 50..53
| 0, 8
|
|
|
| 0, 24
| |
| Сталь 40Х закаленная
HRCЭ 45..47
| 1, 6
|
|
|
| 0, 10
| |
| Сталь 40Х закаленная
HRCЭ 45..47
| 1, 6
|
|
|
| 0, 30
| |
| Сталь Ст. 5 незакален.
| 2, 5
|
|
|
| 0, 15
| |
| Сталь Ст. 5 незакален.
| 2, 5
|
|
|
| 0, 12
| |
| Сталь 45ХН закаленная
HRCЭ 43..45
| 1, 6
|
|
|
| 0, 26
| |
| Серый чугун
200…205
| 2, 0
|
|
|
| 0, 18
| |
| Сталь У7А закаленная
HRCЭ 58..61
| 0, 63
|
|
|
| 0, 24
| |
| Сталь 45Х незакален.
| 1, 6
|
|
|
| 0, 20
| |
| Серый чугун
НВ 187…190
| 1, 6
|
|
|
| 0, 17
| |
| Серый чугун
НВ 195…200
| 1, 6
|
|
|
| 0, 12
| |
| Серый чугун
НВ 217…220
| 1, 6
|
|
|
| 0, 14
| |
| Сталь Ст. 5 незакален.
| 2, 5
|
|
|
| 0, 18
| |
| Сталь 45ХН закаленная
HRCЭ 50..53
| 0, 8
|
|
|
| 0, 14
| |
| Сталь 45Х закаленная
HRCЭ 40..43
| 1, 25
|
|
|
| 0, 15
| |
| Сталь 35 незакаленная
| 2, 5
|
|
|
| 0, 15
| |
| Сталь 45 незакаленная
| 1, 6
|
|
|
| 0, 20
| |
| Сталь 40 закаленная
HRCЭ 35..37
| 0, 8
|
|
|
| 0, 21
| |
| Сталь 45Х закаленная
HRCЭ 40..42
| 0, 63
|
|
|
| 0, 18
| |
| Сталь 40 закаленная
HRCЭ 34..36
| 0, 8
|
|
|
| 0, 16
| |
| Сталь 45 закаленная
HRCЭ 39..41
| 1, 6
|
|
|
| 0, 20
| |
| Сталь 45 незакаленная
| 2, 5
|
|
|
| 0, 14
| |
| Сталь 40ХНМ закален.
HRCЭ 52..54
| 0, 63
|
|
|
| 0, 15
| |
| Сталь 45Х закаленная
HRCЭ 43..46
| 1, 6
|
|
|
| 0, 15
| |
| Сталь У7 закаленная
HRCЭ 58..60
| 0, 4
|
|
|
| 0, 15
| |
| Сталь 40Х закаленная
HRCЭ 34..36
| 2, 5
|
|
|
| 0, 24
| |
| Сталь 40Х закаленная
HRCЭ 45..47
| 1, 6
|
|
|
| 0, 20
| |
| Сталь Ст. 5 незакален.
| 2, 5
|
|
|
| 0, 15
| |
| Сталь 40Х закаленная
HRCЭ 40..43
| 1, 25
|
|
|
| 0, 15
| |
| Сталь 35 незакаленная
| 1, 6
|
|
|
| 0, 2
| |
| Серый чугун
НВ 217…220
| 2, 5
|
|
|
| 0, 2
| |
| Сталь 40 закаленная
HRCЭ 38..42
| 1, 6
|
|
|
| 0, 15
| |
| Сталь Ст. 5 незакален.
| 2, 5
|
|
|
| 0, 2
| |
| Сталь 35 закаленная
HRCЭ 35..37
| 1, 6
|
|
|
| 0, 2
| |
| Серый чугун
НВ 167…190
| 1, 6
|
|
|
| 0, 18
| |
| Сталь 45ХН
HRCЭ 50..53
| 0, 8
|
|
|
| 0, 2
| |
| Серый чугун
НВ 217…220
| 1, 6
|
|
|
| 0, 15
| |
| Сталь 40 закаленная
HRCЭ 34..36
| 1, 6
|
|
|
| 0, 2
| |
| Сталь Ст. 5 незакален.
| 2, 5
|
|
|
| 0, 15
| |
| Сталь 48ХН закаленная
HRCЭ 45..47
| 1, 25
|
|
|
| 0, 3
| |
| Сталь 18ХН закаленная
HRCЭ 50..52
| 1, 25
|
|
|
| 0, 15
| |
| Сталь 38ХС закаленная
HRCЭ 50..52
| 0, 8
|
|
|
| 0, 10
| |
| Сталь У7А закаленная
HRCЭ 58..60
| 0, 4
|
|
|
| 0, 15
| |
| Сталь 20ХН закаленная
HRCЭ 45..47
| 1, 25
|
|
|
| 0, 25
| |
| Серый чугун
НВ 200…203
| 1, 6
|
|
|
| 0, 15
| |
| Сталь 20ХГС закален.
HRCЭ 45..47
| 1, 25
|
|
|
| 0, 15
| |
| Сталь 15ХМ закаленная
HRCЭ 35..37
| 1, 6
|
|
|
| 0, 25
| |
| Сталь 40ХС закаленная
HRCЭ 45..47
| 1, 6
|
|
|
| 0, 15
| |
| Сталь 38ХС
HRCЭ 35..37
| 1, 6
|
|
|
| 0, 21
|
Таблица 5
Значения коэффициентов и показателей степеней
при расчете подачи, ограниченной шероховатостью
| Обрабатываемый материал
| Коэффициенты и показатели степеней
| | Cr
| X
| Y
| Z
| U
| | Сталь конструкционная, стальное литье, сталь нержавеющая
|
| 0, 3
| 1, 4
| 0, 35
| 0, 7
| | чугун, бронза
|
| 0, 25
| 1, 25
| 0, 5
| 0, 75
|
Таблица 6
Паспортные данные металлорежущих станков
| Токарно- винторезный станок 16К20
| Высота центров 215 мм. Расстояние между центрамидо 2000 мм. Мощность двигателя Nд =10 кВт; КПД станка0, 75.Частота вращения шпинделя, об/мин: 12, 5; 16; 20; 25; 31, 5; 40; 50; 63; 80; 100; 125; 160; 200; 250; 315; 400; 500; 630; 800; 1000; 1250; 1600. Продольные подачи, мм/об: 0, 05; 0.06; 0.075; 0, 09; 0, 1; 0, 125; 0, 15; 0, 175; 0, 2; 0, 25; 0, 3; 0, 35; 0, 4; 0, 5; 0, 6; 0, 7; 0, 8; 1, 0; 1, 2; 1, 4; 1, 6; 2; 2.4; 2, 8. Поперечные подачи, мм/об: 0, 025; 0, 03; 0, 0375; 0, 045; 0, 05; 0, 0625; 0, 075; 0, 0875; 0, 1; 0, 125; 0, 15; 0, 175; 0, 2; 0, 25; 0.3; 0, 35; 0.4; 0.5; 0, 6; 0, 7; 0, 8; 1, 0; 1, 2; 1, 4. Максимальная осевая сила резания, допускаемая механизмом подачи, Рх ~6000 Н.
| | Вертикально- сверлильный станок 2Н135
| Наибольший диаметр обрабатываемого отверстия в заготовке из стали 35 мм: Мощность двигателя Nд= 4, 5 кВт; КПД станка 0, 8. Частота вращения шпинделя, об/мин: 31, 5; 45; 63; 90; 125; 180; 250; 355; 500; 710; 1000; 1440. Подачи, мм/об: 0.1; 0, 14; 0, 2; 0, 28; 0, 4; 0, 56; 0, 8; 1, 12; 1, 6. Максимальная осевая сила резания, допускаемая механизмом подачи станка, Рmax «15000 Н.
| |
Вертикально-
фрезерный станок 6Р12.
Горизонтально-фрезерный станок 6Н82
| Рабочая поверхность стола320× 1250 мм. Мощность двигателя Nд = 7, 5 кВт; КПД станка0, 8.Частота вращения шпинделя, об/мин: 3.1, 5; 40; 50; 63; 80; 100; 125; 160; 200; 250; 315; 400; 500; 630; 800; 1000; 1200; 1600.Подачи стола продольные и поперечные, мм/мин: 25; 31, 5; 40; 50; 63; 80; 100; 125; 160; 200; 250; 315; 400; 500; 630; 800; 1000; 1250.Подачи стола вертикальные, мм/мин: 8; 10, 5; 13, 3; 21, 26, 6; 33, 3; 41, 6; 53, 3; 66, 6; 83, 3; 105; 133, 3; 166, 6; 210; 266, 6; 333, 3; 400.
| |
Круглошлнфовальный
станок 3M131
Табл
| У шлифуемой поверхности наибольший диаметр280 мм, длина —700 мм. Мощность двигателя шлифовальной бабки Nд = 7, 5 кВт; КПД станка0, 8.Частота вращения круга, об/мин: 1112; 1285.Частота вращения обрабатываемой заготовки40—400 об/мин (регулируется бесступенчато).Скорость продольного хода стола: 50-5000 мм/мин (регулируется бесступенчато).Периодическая поперечная подача шлифовального круга: 0, 002-0, 1 мм/ход стола (регулируется бесступенчато).Непрерывная подача для врезного шлифования0, 1-4, 5 мм/мин. Размеры шлифовального круга(любого): Dr=
600 мм; Вк == 63 мм.
| Библиографический список
1. Справочник технолога машиностроителя: В 2 т. Т.2. 4-е изд., перераб. /Под ред. А.Г. Косиловой и Р.К. Мещерякова. М.: Машиностроение, 1985. 496 с.
2. Справочник инструментальщика /Под ред. И.А.Ординарцева. Л.: Машиностроение 1987. 845 с.
3. Ящерицын П.И., Еременко И.Л., Фельдштейн Е.З. Теория резания, физические и тепловые процессы в технологических системах: Учебник для вузов. М.: Высшая школа, 1990. 512 с.
4. Грановский Г.И., Грановский В.Г. Резание металлов. Учебник для машиностр. и приборостр. спец. вузов. М.: Высшая школа, 1985. 304 с.
5. Металлорежущие инструменты: Учебник для вузов по специальности «Технология машиностроение» и «Металлорежущие станки и инструменты» /Г.Н.Сахаров и др. М.: Машиностроение, 1989. 328 с.
ВЫБОР РЕЖИМОВ РЕЗАНИЯ
Часть I
Составители: Ничкова Светлана Александровна
Ничков Александр Григорьевич
Редактор:
ИД № 06263 от 12.11.2001
| Подписано в печать___________ Формат 60х841/8
Бумага типографская Офсетная печать Усл.печ.л.
Уч.-изд.л. Тираж Заказ Цена «С»
|
Редакционно-издательский отдел ФГАОУ ВПО «УрФУ»
620002, Екатеринбург, ул.Мира, 19
Ризография НИЧ УрФУ
620002, Екатеринбург, ул.Мира, 19
|