Студопедия

Главная страница Случайная страница

КАТЕГОРИИ:

АвтомобилиАстрономияБиологияГеографияДом и садДругие языкиДругоеИнформатикаИсторияКультураЛитератураЛогикаМатематикаМедицинаМеталлургияМеханикаОбразованиеОхрана трудаПедагогикаПолитикаПравоПсихологияРелигияРиторикаСоциологияСпортСтроительствоТехнологияТуризмФизикаФилософияФинансыХимияЧерчениеЭкологияЭкономикаЭлектроника






Формирование аддитивной смеси речевого сигнала с шумом






Моделирование элементов методики измерений разборчивости речи

Цель данной работы – моделирование в среде Matlab элементов известной методики измерений разборчивости речи по отношениям сигнал-шум в нескольких полосах частот, перекрывающих частотный диапазон речевого сигнала [1, 2].

Планирование экспериментальных исследований

Предположим, что речевой сигнал предварительно вводят в компьютер с помощью звуковой карты. Параметры речевого сигнала – пиковое напряжение не выше 1 В, длительность – от нескольких единиц до нескольких десятков секунд. Режим ввода речевого сигнала: моно, частота дискретизации 11025 Гц.

Контролируемые параметры:

1) отношение сигнал-шум во всей полосе частот , где и - дисперсии сигнала и шума, соответственно;

2) характер (окрашенность) шума: белый, розовый (спад спектра мощности со скоростью 3 дБ/октаву), коричневый (спад спектра мощности со скоростью 6 дБ/октаву).

Измеряемые параметры:

1) парциальные отношения сигнал шум на выходе гребенки фильтров, перекрывающих частотный диапазон речевого сигнала;

2) артикуляционная разборчивость речи;

3) словесная разборчивость речи.

Одна из возможных обобщенных схем экспериментальных исследований подобного рода приведен на рис.1.

 


Рис.1. Этапы экспериментальных исследований

Формирование аддитивной смеси речевого сигнала с шумом

Схема формирования аддитивной смеси речевого сигнала с шумом приведена на рис.2

 
 

 


Рис.2. Схема формирования аддитивной смеси речевого сигнала с шумом

В схеме на рис.2 коэффициент осуществляет корректировку уровня речевого сигнала так, чтобы обеспечить требуемое отношение сигнал-шум .

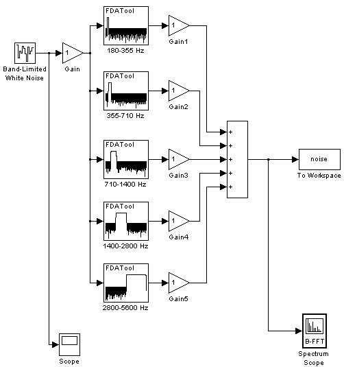
Моделирование шума удобно осуществлять средствами Simulink (рис.3), при этом длительность генерируемого отрезка шума должна в точности совпадать с длительностью речевого сигнала.

Рис.3. Схема генерирования окрашенного (в частности - белого) шума

Ниже приведен конкретный пример списка команд, обеспечивающих получение аддитивной смеси речевого сигнала с шумом с заданным отношением сигнал-шум :

% смесь сигнал+БШ SNR0 =- 18 дБ

SNR0 = -18;

Dn=var(noise) % измерение дисперсии сгенерированного шума

sig=wavread('rech3_11kHz'); % чтение сигнала в рабочее пространство Matlab

Ds=var(sig) % измерение дисперсии сигнала

SNR=10*log10(Ds/Dn) % измерение отношениЯ сигнал-шум

k=10^(0.05*(SNR0-SNR)); % корректирующий коэффициент

signal = sig*k; % сигнал с откорректированным уровнем

mix_18=signal+noise; % смесь с заданным отношением сигнал-шум SNR0

sound(mix_18, 11025); % прослушивание смеси

plot(mix_18) % построение графика смеси

% построение графиков спектров шума, сигнала и смеси

% спектр шума

figure; [Gn, f] = pwelch(noise, hamming(1023), 512, 1024, 11025);

plot(f, 10*log10(Gn), '-b'); grid on; title('Спектры мощности длЯ SNR0 = -18 дБ');

xlabel('Частота, Гц'); ylabel('Уровень, дБ');

% спектр сигнала

hold on; [Gs_18, f] = pwelch(signal, hamming(1023), 512, 1024, 11025);

plot(f, 10*log10(Gs_18), 'r');

% спектр смеси

hold on; [Gmix_18, f] = pwelch(mix_18, hamming(1023), 512, 1024, 11025);

plot(f, 10*log10(Gmix_18), 'm');

Приведенные выше схемы и алгоритмы универсальны в том смысле, что пригодны как для белого, так и для окрашенных шумов. Ниже приведены несколько примеров применения этих схем и алгоритмов для моделирования аддитивной смеси сигнала и шума с заданным отношением сигнал-шум и заданной окрашенностью шума.


Поделиться с друзьями:

mylektsii.su - Мои Лекции - 2015-2026 год. (1.814 сек.)Все материалы представленные на сайте исключительно с целью ознакомления читателями и не преследуют коммерческих целей или нарушение авторских прав Пожаловаться на материал